Iklan 300x250

40 poulan 2150 chainsaw fuel line routing diagram

I have a Poulan 2150 gas chain saw (manuf. 1998 so it is probably type 1). Ethanol laced gas has finally destroyed the fuel line and primer bulb (or air purge assembly). I order new parts from a Poula … read more. the chainsaw man. bobcat specalist. High School or GED. 50 satisfied customers. P. fuel lines crafstman 18" chainsaw this is just a short video showing where the fuel lines are and where they go just to make it clear i replaced the factory lines one at a time. P. need diagram for fuel line routing on craftsman chainsaw need diagram for fuel line routing on craftsman chainsaw model 358 poulan pro 42cc 2 cycle chainsaw 18 ...

Poulan 2150 fuel line routing. Jump to Latest ... Joined Nov 21, 2007 · 2 Posts . Discussion Starter · #1 · Nov 21, 2007. I was given a 2150 Poulan chainsaw that has been sitting for a few years and it won't run, it has fire to the spark plug. I took the cover off and all of the fuel lines are detoritated and some of them were broke loose ...

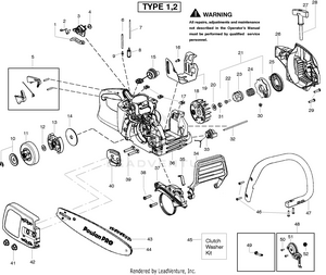
Poulan 2150 chainsaw fuel line routing diagram

Poulan 2150 chainsaw fuel line routing diagram

Jul 02, · Poulan WT working fine! Routed the fuel lines the way Fish suggested. Main line from the tank to the top input of the carb. The bottom carb connection goes to the input of the primer ball. The output of the primer goes back into the tank on the right side. Got those hoses from a local Echo dealer. Outdoor Gasoline and Electric Powered Equipment and Small Engines - Poulan 2050 fuel lines - Poulan 2050 chainsaw. Fuel line routing? Replaced all fuel lines. Primer bulb is marked tank and carb side. Poulan Chainsaw Fuel Line Routing Diagram 50 Best Weed April 8th, 2019 - This photo about Poulan Chainsaw Fuel Line Routing Diagram entitled ... April 21st, 2019 - SOURCE diagram for fuel line routing for a poulan 2150 chainsaw The 2150 has a remote primer so there will be three pipes the pipe coming from the fuel tank

Poulan 2150 chainsaw fuel line routing diagram. Aug 27, · Poulan chainsaw fuel line diagram. I need the fuel line I need the fuel line routing diagram for a Poulan chainsaw. Show More. Show Less. Ask Your Own Small Engine Question. Share this conversation. Answered in 9 minutes by: 8/27//5.Poulan model TYPE chainsaw, gas genuine partsSOLVED: I HAVE TO REPLACE FUEL LINES ON A POULAN MODEL ... In order to use the correct Poulan 2150 chainsaw fuel line routing diagram, you need to identify the correct fuel line first. If you have an older Poulan chainsaw, it is likely that the carburetor is fed through a different fuel line than the electrical one. Poulan 2150 chainsaw fuel line diagram. Poulan wild thing chainsaw 2375 gas line routing part 1. Poulan p4018wt wild thing. 0 answers mercedes vito piping diagram. I have looked for a longer bar for the poulan p4018wt chainsaw. ... Poulan Fuel Line Routing Diagram Poulan Model P4018wt Chainsaw Gas Genuine Parts This video shows the fuel line configuration on a Poulan 2150 chainsaw and how I re-configured the fuel line to fit the size of filters that I have. It also...

If you need to figure out the correct routing of your fuel lines, just search youtube or even google and you will find plenty of diagrams and videos.2 product ratings - Fuel Line Hose Tygon Tube 4 Size For Poulan Craftsman Chainsaw Trimmer Blower $ Trending at $ Trending price is based on prices over last 90 days. Aug 27, · Poulan chainsaw fuel line diagram. I need the fuel line routing diagram for a Poulan chainsaw. Show More. Show Less. This will not "prime" the carburetor by pushing fuel up into the throat, it simply "purges" the air from the fuel line so that a solid fuel supply is available for easy starting. The chainsaw started but it only keeps running on full choke., do you have a diagram where are the fuel lines present on a poulan 2150 chainsaw? Cleaner nozzle in peter , most quality saws have in tank fuel filter installed on the end of the fuel pick up line which is. Oct 5, 2017 - I just installed a new carburetor on a Poulan # 2175 and it will not run after the start up with the fuel bulb. I need - Answered by a verified Technician

How do you replace the fuel lines on a Poulan chainsaw mod. 2150. Donald for model number 2150 asked on 2019-08-06. ... I looked at all of the parts diagrams for the Poulan 2150. And they all use the 545081885 Carburetor. So it is the correct one Question: Chain Starves For Oil . Poulan wild thing chain saw fuel lines 2375le type 2 poulan 2050 2150 2175 2375 wildthing chainsaw parts list 2008 i have a poulan chain saw model 2375. Oct 5 2017 poulan chainsaw fuel line diagram. ... Poulan 2150 Fuel Lines Replacement Diy Forums ... On A Poulan 2700 I Need A Diagram Of Fuel Line Routing My Poulan 2300 CVA Chainsaw. You do not need to take the throttle trigger mechanism off prior to threading the fuel line although the throttle trigger release (stop) mechanism did need to be removed. I also suggest starting the thread to the fuel tank first, attaching the fuel filter, and then running the line up to the inlet of the carburetor. Let's get started. Remove the top cover. Remove the starter assembly. Remove the air filter housing. Remove the carburetor. Remove the purge bulb. INSTALLING THE NEW PRIMER BULB [top] 7. Install the purge bulb. Click to see full answer.

Poulan Chainsaw Fuel Line Routing Diagram. Poulan 2150 chainsaw fuel line diagram. No drawings or pix but will try for description the line from the tank that has the fuel filter is the main fuel source which goes to the upper connection on the carburetor. How To Replace Fuel Lines On 2 Cycle Engines Ereplacementparts Com.

2. Remove the top cover. Remove the (3) screws securing the top cover to the saw. Lift the top cover away from the saw. 3. Remove the air filter housing. Remove the air filter cover. Remove the air filter from the housing. Remove the (1) screw securing the air filter housing to the engine.

Poulan 2150 chainsaw fuel line diagram. And they all use the 545081885 carburetor. Poulan 2450 chainsaw manual 2150 fuel line diagram for wild poulan chainsaw fuel line diagram for model 222 pictures to pin on pp4218avx get 1000x750 i have a poulan 2450 chainsaw with wt 391 carb primer bulb had to replace fuel lines how are the routed poulan ...

About 3 months ago I Poulan Wild Thing Chainsaw 2375 gas line routing part 2 Poulan 2150 Fuel Line Routing Diagram Fuel Line Configuration on Poulan 2150 Chainsaw - YouTube poulan chainsaw will not start - DoItYourself.com Community I ... Poulan 2150 chainsaw fuel line diagram. Hi Trucker there are two lines inside the tank.

Need a full diagram for fuel line routing for a poulan 2150 chainsaw? There are two lines inside the tank. The short line with no fuel filter on the end of it goes to the inlet, (suction) side of ...

Along with specifics about poulan chainsaw fuel line. Dec 14, · Poulan fuel line routing. Discussion in 'Chainsaw' started by fearofpavement, Dec 13, SOLVED: Gas line diagram for poulan CI '97 - FixyaHow to Put New Gas Lines on a Poulan Chainsaw | Home Guides | SF Gate

Fuel Line Configuration on Poulan 2150 ChainsawThis same configuration may also be the same on many other poulan chainsaws. Visit my channel for more repair ...

Get all of Hollywood.com's best Movies lists, news, and more.

Need a full diagram for fuel line routing for a poulan 2150 chainsaw? There are two lines inside the tank. The short line with no fuel filter on the end of it goes to the inlet, (suction) side of ...

Sep 18, 2013 - I have a poulan shark model1950.the fule lines rotted off,i have new fule lines an ball but dont know where the lines go - Answered by a verified Technician

6. Reattach the screws that hold the primer bulb in place. Place the cover back on the chainsaw and reinstall the screws that hold it into place. Keep paper towels on hand to wipe up any spilled ...

Poulan Chainsaw Fuel Line Routing Diagram 50 Best Weed April 8th, 2019 - This photo about Poulan Chainsaw Fuel Line Routing Diagram entitled ... April 21st, 2019 - SOURCE diagram for fuel line routing for a poulan 2150 chainsaw The 2150 has a remote primer so there will be three pipes the pipe coming from the fuel tank

Outdoor Gasoline and Electric Powered Equipment and Small Engines - Poulan 2050 fuel lines - Poulan 2050 chainsaw. Fuel line routing? Replaced all fuel lines. Primer bulb is marked tank and carb side.

Jul 02, · Poulan WT working fine! Routed the fuel lines the way Fish suggested. Main line from the tank to the top input of the carb. The bottom carb connection goes to the input of the primer ball. The output of the primer goes back into the tank on the right side. Got those hoses from a local Echo dealer.

0 Response to "40 poulan 2150 chainsaw fuel line routing diagram"

Post a Comment

Iklan Atas Artikel

Iklan Tengah Artikel 1

Iklan Tengah Artikel 2

Iklan Bawah Artikel