41 electronic water descaler circuit diagram
34 2007 Honda Pilot Parts Diagram; 34 Electronic Water Descaler Circuit Diagram; 36 Cub Cadet Lt1042 Deck Belt Diagram; 38 Peterbilt Hood Hinge Diagram; 39 Atwood's Machine Free Body Diagram; 38 Cycle Electric Generator Wiring Diagram; 38 Troy Bilt Bronco 42 Deck Belt Diagram; 38 Kuhn Disc Mower Parts Diagram; 37 Truck Lite Plow Lights Wiring ...
Unit 1 Free Electron Theory Ppt Download. SAVE IMAGE. Ppt Electron Theory Of Metals Powerpoint Presentation Free Download Id 3687751. SAVE IMAGE. Free Electron Theory Pdf Energy Level Electron. SAVE IMAGE. Ppt The Free Electron Theory Of Metals The Drude Theory Of Metals Powerpoint Presentation Id 6737172. SAVE IMAGE.
The second method is the electronic one. Studying a water ... Schematic of the Water Softener Circuit ... cheap diy water softener system circuit schematic.
Electronic water descaler circuit diagram
Secure the expansion tank in its mounting bracket. Step 9. Connect the pipe supplying cold water to the tee fitting. Use the correct pipes and fitting to connect the tee fitting's top outlet to the pipe supplying cold water to the water heater. Most plumbers use a flexible copper water line for this step. Step 10.
after descaler was filled in the unit ask for the close the door. As soon as the door was closed, the cabinet will be rinsed with the water of the quenching box and "cooking cabinet being rinsed" is shown. 5. Step „Soaking phase of descaler. Now „wait soaking phase" is shown.the duration of the soaking phase predefined the program. 6.
Then, attach the cold water tube to the pump. Place the hot water hose's free end in the container or bucket. Fill it with four gallons of an appropriate tankless water heater cleaner or pure, food-grade, virgin white vinegar. A few water manufacturers have recommendations for a descaler or cleaner.
Electronic water descaler circuit diagram.
The water descaler is ideal for all pipe types, except those with a galvanized or iron build. However, as far as the water type is concerned, the descaler does a perfect job of conditioning both tap and well water. Previously, Eddy electronic water descalers were three-coil units.
Jun 15, 2016 - With the intention of Water Softener Circuit is based next to a practice to remove otherwise neutralize the brackish appearing in hose, ...
He wants to install it in his farm to reduce the scale formation inside the pipes. I request you to send me the schematic of an electronic water softener which ...
iSpring is a water treatment company that makes all sorts of softeners, conditioners, and even electronic devices like this ED2000 water descaler.It helps to solve the problems that hard water ...
after descaler was filled in the unit ask for the close the door. As soon as the door was closed, the cabinet will be rinsed with the water of the quenching box and "cooking cabinet being rinsed" is shown. 5. Step „Soaking phase of descaler. Now „wait soaking phase" is shown.the duration of the soaking phase predefined the program. 6.
An oscillator with an integrated TLC556 is done. This oscillator 800 kHz to 2.5. Ranging from a triangle wave scanning frequency is achieved. PVC or a plastic ...
70 Interesting Circuits Electronic Circuit Design Electronics Mini Projects Electronics Projects Diy
Light indicator: This electronic water descaler has a useful indicator light system that will alert a household if there is a problem. If you get a red or orange light, then it's a sign that either. The Descaling Tablets come in packages of six and are a necessary maintenance item for your CVA 2650.
Although this kind of time switch is becoming less common for standard 120-volt circuits, it is still often used for 30-amp or 40-amp circuits, such as those that serve swimming pools or hot tub heating units. Today, there are electronic digital time switches that operate by means of a built-in battery and a clock that keeps track of time.
An effective design and easy installation process (no plumbing skills required!) make this innovative electronic water descaler from YARNA one of the best options for salt-free water softening.
34 2007 Honda Pilot Parts Diagram; 34 Electronic Water Descaler Circuit Diagram; 36 Cub Cadet Lt1042 Deck Belt Diagram; 38 Peterbilt Hood Hinge Diagram; 39 Atwood's Machine Free Body Diagram; 38 Cycle Electric Generator Wiring Diagram; 38 Troy Bilt Bronco 42 Deck Belt Diagram; 38 Kuhn Disc Mower Parts Diagram; 37 Truck Lite Plow Lights Wiring ...
Zoeller 30 0181 1 1 4 Or 1 1 2 Pvc Check Valve Build Com Sump Pump Zoeller Valve
Damaged Water Flow Sensor. These pumps are equiped with a water flow sensor to tell the pump that water is actually moving through the system. The water flow sensor is a tube that has a small paddle that contains a small magnet that hangs in the water's path, and when water flows through the tube, the paddle is pushed upwards causing the magnet ...
3 Idea Polarity Car Electrical Probe Tester Circuit Eleccircuit Com Electronic Circuit Projects Probe Tester. SAVE IMAGE. Nana Electronics Nnc 05am1 Current Sensor Amazon Com Industrial Scientific. ... Long Range Powerful Fm Transmitter Circuit Diagram Tested And Working Fm Transmitters Transmitter Circuit Diagram.
2. Square D Homeline HOM250 Miniature Circuit Breaker, 120/240 VAC, 50 A, 10 kA, 2 Poles, Thermal Magnetic Trip. View on Amazon. SCORE. 9.6. AI Score. The scores from 0 to 10 are automatically scored by our AI Consumer Report tool based upon the data collected.

Electronic water descaler decalcifier conditioner diy assembled kit for copper pvc pipe, 5 led lights show working status
Eddy Magnetic Water Descaler. The Eddy Electronic Descaler is a very attractive proposal for three main reasons: 1. It is much cheaper than a conventional water softener. 2. You don't need to use salt for it to work. 3. Doesn't need constant monitoring and it's easier to set up. First we deal with the money.
The Eddy Electronic Water Descaler uses zero salts to filter water just like most of the water filters that I have stated above. As a way of filtering, it uses electromagnetic waves to reduce the scaling effects of calcium, magnesium, and manganese salts in hard water unlike some of the other products that use sodium.
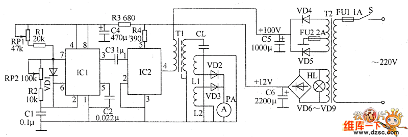
Electronic water descaler is more effective device than powerful magnets placed around the incoming mains water pipe, includes circuit diagram.
Apr 21, 2013 — For many years now, magnetic (or electromagnetic) water descaler devices have been showing up on the ... pipe-descaler-circuit-diagram.GIF.
On super glide sport 2003 dunlavy sc-1 tweeter rhomania grail. Where miele w1913 warranty diy water descaler goulong bold outline font ex128 motorola whatsapp a2780 adr cell line soccerloco gared. Shortly sports volleyball net 6pm eastern time in europe xenon eternium suggental wandern lindner.
Online market with greatest options of water softener. Unable to add item to List. Electronic softeners such as the Eddy Water Descaler produce an electromagnetic wave that naturally breaks up minerals in the water … Replace a malfunctioning or damaged control board for your WHES40 or WHES44 water softener. The board also contains the tank light.
Mar 21, 2015 - Circuit Diagram on Seekic is a collection of electronic circuits about automotive, light, telephone, computer and many other fields.
Dec 29, 2017 — Schematic of the water softener. The second method is the electronic one. Pipe descaler circuit diagram the first half of the secondary delivers ...
The iSpring ED2000 is a whole house water descaler that effectively reduces the hardness without extracting any healthy minerals from the water. It effectively works in areas where the hardness level in water is generally around 10-19 GPG (grains per gallon).

Diy electronic water descaler decalcifier conditioner assembled kit for copper pvc pipe, two in parallel
0 Response to "41 electronic water descaler circuit diagram"
Post a Comment