41 mtd snowblower parts diagram
Posted in MTD Snow Blower Manuals, MTD 380 Two Stage Snow Blower Owners Manual. REPAIR of the MTD Snowblower PART 1 of 3 - Auger - Mar 13, 2010 Replacing the blown auger gearbox. The worm gear in it is snapped. For more detailed instructions watch my other videos of a similar repair. Get your MTD snow thrower souped-up for the winter with replacement parts from PSEP.biz. We are your supplier for Aftermarket & OEM snow thrower PADDLE SET MTD: Single stage snowblowers, 2004 and newer. Rectangle paddles are 1 7/8" W x 4" L x 1/4" HT Rectangle Paddles have 2 mount...
MTD Snowblower parts that fit, straight from the manufacturer. Use our interactive diagrams, accessories, and expert repair help to fix your MTD Snowblower Parts. We're open and continuing to ship packages, however we are experiencing shipping delays. Call volumes are high, please use...

Mtd snowblower parts diagram
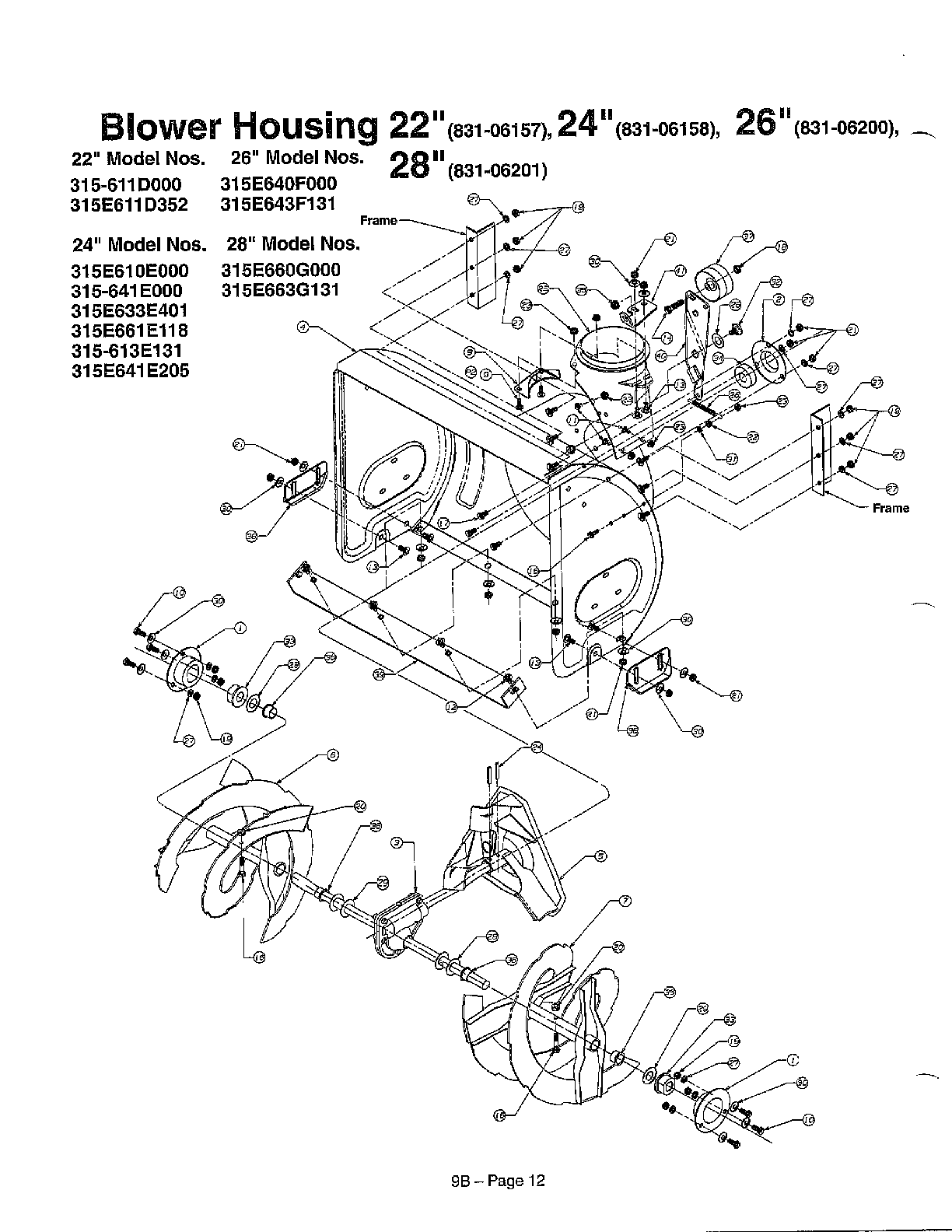
Mtd 5 24 snowblower manual. MTD Snow Blower 240. From United States 4400 shipping. Based on the files we got from google adwords murray 5 24 snowblower parts has very much search online search engine. No matter the season yard machines by mtd will help you get the job done with precision and ease. Your preferred source for lawn and garden... MTD Snowblower Parts. MTD made a wide range of snowblowers, Single Stage, Two Stage and Three Stage. MTD snowblowers are lightweight, easy to operate, dependable and quiet. They have an ability to clear Such a diagram is really important, not only in assembling the machine, but also...
Mtd snowblower parts diagram. Snowblower Parts. Illustrated Parts Diagrams by Manufacturer. Briggs and Stratton Parts Diagrams. We are an Authorized MTD Dealer carrying a large selection of MTD Illustrated Parts Lists. How to find your mtd model number mtd parts diagrams mtd legacy 1985 2005. Riding lawn mower parts walk behind lawn mower parts garden tiller parts edger trimmer and Mtd Mp30 31ah65fh795 Mtd Pro Snow Thrower Auger. Parts Diagram Mower Inside Lawn Tractor List On Snowblower. How to Replace a Snowblower Auger Bearing [Part 1]. Автор: Eliminator Performance. 44 910 просмотров. How to Fix a Snowblower Auger Gear [Part 1]. Mtd Manuals Snowblower -trumpetmaster.com if ordering parts from a manual downloaded at this site, the customer is responsible for selecting the correct manual and parts. no Sears Parts Direct has parts, manuals & part diagrams for all types of repair projects to help you fix your gas snowblower!
Mtd Snow Thrower Parts Diagram Automotive Parts Diagram. How. How. Details: MTD Snowblower Models parts that fit, straight from the manufacturer. Use our interactive diagrams, accessories, and expert repair help to fix your MTD Snowblower Models . Mtd Snowblower Fuel System Diagram Wiring Diagrams One. Yard Machines Parts Machine Riding Lawn Mower List Diagram Canada. Mtd Snow Blower Wiring Diagram Auto Electrical Wiring Diagram. Mtd pro snow thrower 31ae6lfh718 new carb on tecumseh 8hp snow king mtd owners manual; mtd 2-stage with tight drive control cable; many people attempting to find information about snow king snowblower parts diagram mtd snowblower for snow king snow king snowblower parts manual. Mtd snowblower parts that fit straight from the manufacturer. Mtd Model 31a 2m1a799 Snowthrower Gas Genuine Parts. Mtd Parts Diagram Rear Tine Tiller 990 Manual Snowblower Breakdown. Yard Machine Snowblower Parts Yard Machine Snowblower Yard Machines.
Just Now Read Online Mtd Snowblowers Service Manual Free MTD Snow Blower User Manuals ManualsOnline.com Snow Blower 2-Cycle Oil Just Now Find parts for your MTD Gold Snow Blower Model 31AH54K6504. Parts diagrams and manuals available. Free shipping on parts orders over $45. We have mtd snow blower parts including belts skid shoes shear pins and much more. Order status customer support 512 288 4355 my acc... Order status customer support 512 288 4355 my account. Mtd Snowblower Engine Parts Diagram Mtd 315 151 000 1985 Parts. * mtd snow thrower parts diagram. reviews battery snow blower 80v walmart snow blower clearance kobalt snow blower 80v review 6.5 hp engine loader mounted snowblower compact tractor ariens 3 stage snowblower honda 520 snowblower manual Ariens 926040 PRO 36 Snow Blower... Mtd Snowblower Parts Diagram Best Place to Find Wiring April 24th 2019 - Mtd snowblower parts diagram Mtd produces a range of outdoor power equipment under different brand names including the yard machine brand Included in.
May 19, 2019 · Mtd Snowblower Carburetor Yard Machine Snowblower Yard Machine Yard A properly operating carburetor is essential to a smooth running engine How to clean the carburetor on a yard machines snow blower. Mtd 13a1762f729 2007 exploded view parts lookup by model.
Mtd Snowblower Manual on ebay - Seriously, We Have Mtd Snowblower Manual. MTD Snow Blowers Snow Throwers parts with OEM MTD parts diagrams to find MTD Snow Blowers Snow Throwers repair parts quickly and easily Order Status Customer Support 512-288-4355 My Account...
MTD Parts. Powersmart Lawnmower and Snowblower Parts, Manuals and Diagrams. Powersmart outdoor power equipment has earned a reputation of affordable quality.
MTD Snowblower Accessories for Yardman and Troy-Bilt Snow blowers. Shop for drift cutters, skid shoes, light kits and snow cabs for MTD Snow blowers. Fast Shipping and Low Prices on original MTD Snowblower parts.
Mtd Snowblower Manuals scalaid.org. We have the genuine MTD parts and diagrams you need to get your outdoor power equipment running like This is a image galleries about 586 Mtd Snowblower Parts List. You can also find other images like wiring diagram, parts diagram, replacement parts...
MTD Parts carries snow blower parts for Troy-Bilt, Yard Machines, Craftsman, Yard-Man, Remington, Bolens and many more. Browse our wide selection of snow blower parts. Our Parts Lookup Page makes it easy to find the parts you need.
mtd snow thrower parts diagram is among the images we located on the web from reliable resources. We attempt to discuss this mtd snow thrower parts diagram pic in this post 2017/09/rebuilding-an-mtd-snowblower-auger-differential-within-mtd-snow-thrower-parts-diagram.jpg.
Explore MTD Parts. MTDParts.com is the source for all your Genuine Factory Parts needs. Use our parts diagram tool below to find the parts you need for your machine. Select the model and year, then browse the parts diagrams to find the right part.
0349 - MTD Snow Thrower (1986) (J.C. Penney).
Use our part lists, interactive diagrams, accessories and expert repair advice to make your repairs easy. Repair Parts Home Lawn Equipment Parts MTD Parts MTD Snowblower Parts MTD Snowblower Parts 1996 MTD 316E640F382 (1996) Snowblower Parts.
SNOWBLOWER PARTS. ARIENS continued. Snowblower Gear Box Cover Assembly For MTD built snowblowers. * ORIGINAL OEM PART * Fits Large Frame MTD snowblowers; 800 & 900 series.
Lookup Parts by Diagram. Find the replacement parts you need to keep your lawn mower, snow blower and other outdoor power equipment performing You can Browse our catalogs, or Search by Part Number or 11-digit factory Model Number to find your product's exploded Diagram Assemblies.
MTD Snowblower Parts. MTD made a wide range of snowblowers, Single Stage, Two Stage and Three Stage. MTD snowblowers are lightweight, easy to operate, dependable and quiet. They have an ability to clear Such a diagram is really important, not only in assembling the machine, but also...
No matter the season yard machines by mtd will help you get the job done with precision and ease. Your preferred source for lawn and garden...
Mtd 5 24 snowblower manual. MTD Snow Blower 240. From United States 4400 shipping. Based on the files we got from google adwords murray 5 24 snowblower parts has very much search online search engine.
0 Response to "41 mtd snowblower parts diagram"
Post a Comment