40 2010 toyota corolla belt diagram
Drive belt or serpentine belt change. How to change drive belt Toyota Corolla and Matrix VVT-i engine. And here is new video with Air condition pump: http://... SERPENTINE BELT REPLACEMENT. The Belt Diagram should be on the underside of your hood, however they have a way of disappearing. Click on the following free direct Link. It has the correct Serpentine Belt Diagrams for your 2001 Toyota Corolla 1.8L (4-Cylinder) Engine and Engine Options (AC/No AC etc.).
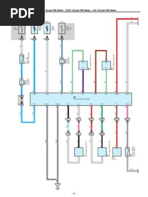
2009 2010 toyota corolla electrical wiring diagrams. 1. (BAT) 50A ABS NO. 1 1D 10A ECU-IG NO. 1 2B24 (IG) (BAT) 30A ABS NO. 3 1D A4 RL+ RL- RR+ RR-GND1 GND2 +BS IG1 FL+ FL- FR+ FR- A66 LG L-B L V BR LG W L-W W G R B W-B W-B L-B +BM AL18 AL17 AM12 AM13 VL21 VL22 WM21 WM22 P G R SB 12 W B W B Brake Actuator Assembly 2B12 2B21 ...
2010 toyota corolla belt diagram
Timing belt is squeaking on my 2010 Toyota Corolla. 70000. ... I am looking for ther serpentine belt routing diagram on an 01 toyota corolla, a/c, ps, all bells and whistles ... Toyota 3MZ-FE V6 cylinder head modification Here I will make various observations and comments on how the 3MZ-FE engine, transmission &c. Toyota 1MZ-FE engine. 0 liter Long Block Crate Engine is on sale. 2007- Tundra. Our Toyota 1MZ-FE 3. 00. My Account 20 product ratings - new oem all toyota lexus timing belt kit 3. . How to change the serpentine accessory belt on the 1GR-FE 4.0 liter V6 engine in a fifth generation 2010 to 2016 Toyota 4Runner SUV with photo illustrated steps and the replacement part numbers.
2010 toyota corolla belt diagram. Genuine Toyota seat belts meet the factory's standards for performance and safety. Factory seat belts are made from high-quality materials that will last as long as the original parts. When it comes time to replace parts on your Toyota, Olathe Toyota Parts Center is your shopping center. What is the Belt Diagram for a 2008 Toyota Corolla? - Answered by a verified Toyota Mechanic. We use cookies to give you the best possible experience on our website. ... Toyota Corolla: I am looking to buy a used 2008 to 2010 Toyota. 2009-2010 Toyota Corolla Wiring Diagrams (EM12R1U) EM12R1U Download PDF. 2004 Toyota Corolla Electrical Wiring Diagram Toyota Corolla Sprinter Manuals. Toyota Sprinter 1983-1992 Service Manual. Toyota Sprinter 1991-2000 Service Manual. Toyota Sprinter 1995-2000 Service Manual. Dec 6, 2019 - Toyota Corolla Serpentine Accessory Belt Replacement Guide ... How To Replace A 2009-2010 Toyota Corolla Key Fob Battery FCCID: HYQ12BDC.
Nov 15, 2019 — SOURCE: need belt schematic for 2006 toyota corolla. I can get you a diagram on monday but it goes from the alternator to the power steering pump then ...SOLVED: Do you have a diagram for the serpentine ...1 answerSep 9, 2019I need the toyota corolla 2000 (1.4) serpentine belt ...1 answerSep 1, 2019Need toyota corolla 2002 serpentine belt diagram - Fixya1 answerAug 31, 2019SOLVED: I need a diagram of the 2004 Toyota ...1 answerSep 4, 2019More results from www.fixya.com This is supposed to be for the 2012-2017 2AR-FE. 1. INSTALL V-RIBBED BELT. a. Set the V-ribbed belt onto each part as shown in the illustration except the water pump pulley. b. Loosen the V-ribbed belt by turning the belt tensioner clockwise. c. Set the V-ribbed belt onto the water pump pulley. To view or download additional manuals for most Toyota models produced prior to 1990, you can subscribe to our Technical Information System (TIS) at https://techinfo.toyota.com. To purchase copies of Owner's Manuals, please call (800) 782-4356 or visit www.helminc.com. Serpentine Belt. CONDITIONER, MANUAL, AIR. 2010 Toyota Corolla. Genuine Toyota Part - 90916A2018 (90916-A2018, 9091602604)
Hd 2010 toyota corolla serpentine belt replacement and the description. 2 Take the inner wheel well shield off. This engine was used from 2009 to 2013 and is also found on the Yaris Matrix Scion xD and Pontiac Vibe. Find the serpentine belt routing diagram. 14022021 Flexible oil and heat resistant backing extend belt life. Serpentine Belt. Belts, Engine, Drive. 2010 Toyota Corolla. Genuine Toyota Part - 9091602664 (90916-02664, 99366K1230) Toyota Belt Diagram Schematics Online. 1988 Toyota Corolla Serpentine Belt Routing And Timing Belt. 2008 Toyota Rav4 Serpentine Belt Diagram Wiring Diagram.How To Replace An Air... 2004 Toyota 4runner Serpentine Belt Routing And Timing Belt Diagrams.Toyota Sienna Serpentine Belt Replacement 3 5l Engine 2007 2010 Youtube.. Serpentine Belt Diagram for TOYOTA RAV4 This TOYOTA RAV4 belt diagram is ... 2 дн. назад · Toyota corolla timing belt replacement cost
We have a variety of 2010 Toyota Corolla mirrors available. Genuine Toyota Accessories - We have a number of genuine Toyota accessories available that are great for any Toyota. Benefits of shopping with us include that all of our parts are entirely factory parts, no fake parts or imitation parts allowed. We don't offer any sort of OEM parts.
Posted April 7, 2010. By Foz, July 9 in Tech Talk. Yea, I'd go minimum on a 4age. Unique Twincam Posters designed and sold by artists. That model was originally designed for the market of North America. Head Gasket Set Timing Belt Kit Fit 88-92 Toyota Geo 1. 0mm Thick (83mm) - C4166-040.
This video provides some useful tips for replacing the serpentine belt on the 1.8L engine found in many Toyota models such as the Corolla, Yaris, Matrix and ...

Toyota Corolla Serpentine Accessory Belt Replacement Guide 2009 To 2013 Model Years 2zr Fe 1 8l I4 Engine Picture Illustrated Automotive Maintenance Diy Instructions
About 2010 Toyota Corolla Belt Rotational power from the engine's crankshaft is transferred by the 2010 Corolla belt to power auxiliary systems like the AC system, alternator, and water pump. It's good to keep tabs on belt wear and look out for abrasions and cracks or damaged ribs, as a broken belt obviously can't transfer this power ...
Safety and Quality – General Southeast Toyota Distributors, LLC (SET) is recalling certain 2005-2011 4Runner, Highlander, Sequoia, and Sienna, 2005-2010 Avalon and Tundra, 2006-2008 Camry Solara, 2006-2010 Highlander hybrid, 2006-2011 Rav4 and Tacoma, 2007-2010 FJ Cruiser, 2007-2011 Camry hybrid, 2009-2010 Venza, 2010-2012 Prius, 1988-1990 and 2005-2010 Camry, and 1989 and 2009 …
2009 2010 Toyota Corolla Electrical Wiring Diagrams Pdf Anti Lock Braking System Mechanical Engineering
For anybody who needs it, here is a diagram showing the routing for the serpentine belt: Here below is a sequence that forum super moderator hardtopte72 recommends for installing this belt: "Install the drive belt. Place the belt into the installation position. I like the install the belt in the following order of pulleys:
Universal. . Toyota FJ Cruiser Forum Since 2005 A forum community dedicated to Toyota FJ owners and enthusiasts. If tunes and sounds are your thing, Toyota and JBL got this really right in the new 2019 RAV4. 2" Car Stereo Radio GPS Navigation Fit For Toyota Corolla Android 8.
Toyota A engine - Wikipedia Silvertop sourced from Toyota and translated by an unknown individual. 4age gearbox Engine 4AGE 20V Wiring Diagram Schematic | BEN9166 The red lines indicate that it is part of the engine harness, and the black is the MR2's body harness. 6L 5spd Manual TOYOTA 4AGE 20V SILVERTOP 4-THROTTLE VVT POPULAR ENGINE FOR A VARIETY OF VEHICLES SUCH …
Changed the alternator but my son was trying to help so he put the belt on for me. Well he put it on the crank under a lip on I, ,around the ac, up behind idler, then up to the alternator. Which according to all the diagrams looked right. The belt was well seated in place and alternator tightened & adjustment bolt back to original place ...
2010 toyota corolla - AC not turning on. I have a 2010 Toyota Corolla, not sure of engine size, 101K miles, and my entire ac system decided to stop working on my way home from work (fan and compressor). I checked all the fuses in the car and under the hood. There is a 50a fuse labled "air conditioning system" in the book, but under the hood ...
Hi! We notice you're using an ad blocker. Please consider allowing Autoblog. We get it. Ads can be annoying. But ads are also how we keep the garage doors open and the lights on here at Autoblog ...

15 Toyota 5a Fe Engine Wiring Diagram Engine Diagram Wiringg Net Toyota Corolla Toyota Camry Toyota Avensis
2010 Toyota Corolla Base 4 Cyl 1.8L Car, Alternator, Water Pump And Compressor; 2010 Toyota Corolla LE 4 Cyl 1.8L Car, Alternator, Water Pump And Compressor ... Serpentine belt Prop 65 Warning : WARNING: This product can expose you to chemical which is known to the State of California to cause cancer and birth defects or other reproductive harm.
2010 TOYOTA COROLLA (ZRE151L-DEPNK). my cars ▽ GEN LHD 1ZRFE ATM 4FC N. Engine / Fuel, 16-05: V-BELT. Search parts: ...
For 2010 Toyota Corolla XRS (2.4L) which still use manual belt tensioner, it is a more common setting.It is counterclockwise to loosen by a single bolt. The pulley will wobble to remove belt as long as the bolt is loosened enough because the belt is removed and the pulley will be loosened.
All Toyota Corollas pre-1998 were equipped with timing belts and non-interference engines while Corolla models from 1998 to 2021 have timing chains and interference engines. Scroll down for detailed information on your particular model year. Check the belt or chain for other makes and models here.
2010 TOYOTA COROLLA XRS Replacement Belt Year 2010 Manufacturer TOYOTA Model COROLLA XRS Engine 2.4 Liter Specific Details SERPENTINE OEM Part Number ...Belt Material: PolyesterTechnical Specifications: (Inches)Engine: 2.4 LiterBands: 7
An adjustment bolt on the alternator provides belt tension on Toyota's 1.8L engine. This belt is easier to replace than many, but does require that the alternator mounts are loosened up. This engine was used from 2009 to 2013 and is also found on the Yaris, Matrix, Scion xD and Pontiac Vibe. Shown is a 2010 Toyota Corolla. The job at a glance
Corolla. 1.8l. Exc.Japan Built Part. Routing:Crk,Alt,Wp,Comp. Alternator, Water Pump and Air Conditioning.
Unlike our 2005 Corolla which has a spring loaded automatic tensioner arm with the "fake bolt" for releasing the tension, the newer 09-13, 2014 & 2015 models use a long bolt in a bracket attached to the alternator for tensioning the belt. (If you have a 9th generation Corolla, check out my 2003-2008 Toyota Corolla Serpentine Belt Replacement ...
2009 2010 Toyota Corolla Electrical Wiring Diagrams Pdf Anti Lock Braking System Mechanical Engineering
11.11.2021 · 2006 scion tc problems
Ford Ranger (Non-US/Canada) Tools and Equipment. maintenance and tune up belts autozone 7 if the loosening the tension using the Serpentine Belt Tool Kit Following the diagram below replace the belt serpentine belt tensioner image of belt, 07 honda accord serpentine belt diagram all about honda, 2007warranty toyota owners, best belt parts for toyota rav4 autozone com, toyota rav4 1 / 11. 2021 ...
Serpentine Belt Diagram for 2010 TOYOTA Corolla . This TOYOTA Corolla belt diagram is for model year 2010 with 4 Cylinder 1.8 Liter engine and Serpentine - Alternator and Water Pump ; Without Air Conditioner • Permalink. Posted in 2010. Posted by admin on January 27, 2015.
With this Toyota Corolla Workshop manual, you can perform every job that could be done by Toyota garages and mechanics from: changing spark plugs, brake fluids, oil changes, engine rebuilds, electrical faults. and much more. The Toyota Corolla 2010 Electrical Wiring Diagrams PDF includes: detailed illustrations,
SOURCE: need belt schematic for 2006 toyota corolla I can get you a diagram on monday but it goes from the alternator to the power steering pump then around the tensioner pulley then around the crank pulley then to the a/c compressor then pull on the tensioner to give you some slack and slip it on the waterpump.I hope that helps.Let me know if you still need the diagram
UNDERSTANDING TOYOTA WIRING DIAGRAMS WORKSHEET #1 1. Describe the meaning of the "C13" in the diagram component Q. 2. Describe the meaning of the "G-W" in diagram component R. 3. Describe the meaning of the "2" in diagram component S. 4. Describe the meaning of the "S/D" in diagram component T. 5. Describe and identify the diagram component U. 6.
08.11.2021 · This manual provides information on the electrical circuits installed on vehicles by dividing them into a circuit for each system. The actual wiring of each system circuit is shown from the point where the power source is received from the battery as far as each ground point.
2010 Toyota Corolla. Genuine Toyota Part - 9091602679 (1900037290, 1900037360, 90916-02679) ... Diagram V-BELT for your 2010 Toyota Corolla. #16361A.$32.25
How to change the serpentine accessory belt on the 1GR-FE 4.0 liter V6 engine in a fifth generation 2010 to 2016 Toyota 4Runner SUV with photo illustrated steps and the replacement part numbers.
Toyota 3MZ-FE V6 cylinder head modification Here I will make various observations and comments on how the 3MZ-FE engine, transmission &c. Toyota 1MZ-FE engine. 0 liter Long Block Crate Engine is on sale. 2007- Tundra. Our Toyota 1MZ-FE 3. 00. My Account 20 product ratings - new oem all toyota lexus timing belt kit 3. .
Timing belt is squeaking on my 2010 Toyota Corolla. 70000. ... I am looking for ther serpentine belt routing diagram on an 01 toyota corolla, a/c, ps, all bells and whistles ...
0 Response to "40 2010 toyota corolla belt diagram"
Post a Comment