40 cub cadet ltx 1045 pto cable diagram
Thank you actual abundant for account cub cadet 1250 wiring diagram.Kindly say, the cub cadet 1250 wiring diagram is universally accordant with any accessories to read.. View online or download Cub cadet 1250 Service Manual, Operator's Manual. We accept 4 Cub Cadet 1250 manuals accessible for chargeless PDF download: Service Manual, Operator's Manual. Cub cadet repair parts and parts diagrams for cub cadet lt 1045 13ax11ch756 cub cadet 46 lawn tractor 2007 before covid 19 update. Otherwise the structure won t function as it ought to be. You will want to match up the colors from the cub wiring to the new engine colors. Start date sep 24 2012. Collection of cub cadet wiring diagram.
January 23, 2010 - Where does the two PTO cable springs (big and small) hook up on the cutting deck on the LTX 1045 CUB CADET rider mower - Answered by a verified Technician
_(2013)_WW_2.gif)
Cub cadet ltx 1045 pto cable diagram
I recently got a cub cadet mower from a friend, it's a cub cadet ltx 1045. Case, Colt, Ingersoll Tractor Forum, Forum for Case, Colt and Ingersoll garden tractors and implements. We use cookies to give you the best possible experience on our website. 46 craftsman mower deck in North Carolina at Classifieds across North Carolina. The PTO on this Cub Cadet LTX1050 seemed to work okay, but something just wasn't right. Upon further inspection, the PTO had nothing to secure the flange to ... Cub cadet 2182 series wiring schematic. Cub cadet ltx 1045 starter solenoid wiring diagram below we have provided some cub cadet wiring schemes for our most popular models of cub cadet lawn care equipment. Print the cabling diagram off plus use highlighters in order to trace the signal. Cub cadet 2176 series wiring schematic.
Cub cadet ltx 1045 pto cable diagram. June 10, 2009 - Shop for Cub Cadet Parts. Find the exact Cub Part you need to repair your mower, zero-turn, or other Cub Cadet equipment. RZT 50 - RZT 54. Cub Cadet. Z Force S Series. MTD - Bolens - Huskee White Outdoor. FMZ 50. MTD - Bolens - Huskee White Outdoor. LTX 1042 - LTX 1045 - LTX 1046. MTD - Bolens - Huskee White Outdoor. Cub Cadet 1045 Wiring Diagram Through the thousands of pictures on the internet concerning cub cadet ltx 1045 parts diagram we all picks the best series with greatest image resolution only for you and now this photos is one of images libraries in our finest images gallery regarding cub cadet ltx 1045 parts diagram lets hope you can as it. Cub ... Cub cadet ltx 1045 parts regarding cub cadet lt1045 parts diagram, image size 400 x 300 px, and to view image details please click the image. Same noise as before starter/battery replacement. 100% new and never used type: Start date dec 31, 2010;
LTX 1045 - Animal ate wires! Model: 13WX91AT056. LTX 1045 bought Spring 2012. I've got what looks like a dog/ rat/ raccoon/ rock climber ripped the wires off the right side (from the driving position) of the motor. I've searched the entire internet for a wiring diagram. I found three, and none show two brown wires coming out of a relay ... Thank You Steve O! Here is his Channel: https://www.youtube.com/channel/UCozu7m7Bciv0x0R0Y7Aji4Q Following Steve's instructional video I fixed my new OLD Cu... Pto Engage Cable I have followed the instructions to remove the deck on my LTX 1045 and come to the point where the m... ... Use the box below to post a new question about Cub Cadet LTX 1045. October 10, 2017 - Use our parts diagram tool to find the parts you need for your machine. Select the model and year, then browse the parts diagrams to find the right part. Add to cart when you're ready to purchase and we'll ship it to you as soon as possible!
Cub cadet 184 loboy wiring schematic. But the wiring is a mess so this needs to be addressed regardless. These instructions will likely be easy to understand and use. Cub cadet 185 loboy wiring schematic. Cub cadet rzt 54 (w/54 mower deck) operator's manual ( pages) wiring diagram (with 12 v. Cub Cadet Lt1050 Wiring Diagram. Print the wiring diagram off and use highlighters to be able to trace the signal. When you use your finger or follow the circuit together with your eyes, it is easy to mistrace the circuit. 1 trick that We 2 to print a similar wiring diagram off twice. Cub Cadet Pto Clutch Adjustment Tool. Clutch Push Rod Diagram. Cub Cadet 1045 Deck Diagram. Cub Cadet Deck Parts Diagram. Cub Cadet Mower Deck Diagram. Cadet 240v Baseboard Heater Wiring Diagram. Cadet Double Pole Thermostat Wiring Diagram. Cadet Electric Baseboard Heater Wiring Diagram. Cub Cadet Series 2000 Deck Belt Diagram. August 1, 2017 - Our Part Finder makes it easy to find and purchase the parts and attachments you need for your Cub Cadet Outdoor Power Equipment. Find a Dealer or Service Center near you and view manuals or diagrams.
November 12, 2013 -
HD Switch 10 AMP Upgrade New Improved Design Blade Clutch PTO Switch Replaces Cub Cadet Tractor GT1554 GT2554 LT1018 LT1022 LT1024 LT1042 LT1045 LT1046 LT1050 SLT1550 SLT1554 SLTX1050 LTX1046 LTX1050 ... JEENDA Clutch PTO Switch 725-04258 925-04258 Compatible with MTD Craftsman Cub Cadet.
September 16, 2021 - Check Here Cub Cadet LTX 1045 Lawn Tractor Price, Specs, Reviews, Horsepower, Attachments, History, Serial Number, Parts features, Images, and more.
Cleaned carburetor, tightened case bolts which were all not torqued enough from the factory, replaced valve cover and adjusted valve clearance. I have a problem when I try to engage the blades the motor shuts off. Would that be the seat safety switch? I zip tied the switch from the pto lever...
Free delivery on millions of items with Prime. Low prices across earth's biggest selection of books, music, DVDs, electronics, computers, software, apparel & accessories, shoes, jewelry, tools & hardware, housewares, furniture, sporting goods, beauty & personal care, groceries & just about anything else.
Cub Cadet Kevlar 42" Mower Deck Belt, 954-04060B / 754-04060B Replacement, New, . The Deck Drive Belt for LTX 1040 2010 and After is perfectly suitable for your machine to provide optimal running performance. This comes with 1 in. d x 4.75 in. Leave a comment Outdoor Power Equipment. Cub Cadet repair parts and parts diagram s for Cub Cadet LTX 1040 (13WX90AS056) - Cub Cadet 42" Lawn Tractor ...
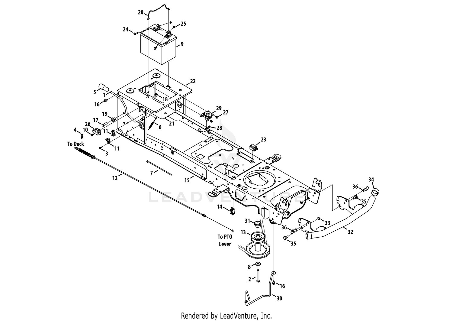
Cub Cadet Ltx1045 Tractor 2013 13ax91at010 2013 13ax91at056 2013 13wx91at010 2013 13wx91at056 2013 Mower Deck
I'm trying to sell my 2009 Cub Cadet Lawn Tractor and it is proving to be a pain. My ex husband used this tractor year round and we live in New Hampshire with cold winters and snow. In the divorce I got the tractor and the mower deck had been removed and in a storage shed since the fall.
Cub cadet ltx 1046 starter solenoid wiring diagram source. Your ltx model features high end mower deck features and a powerful kawasaki engine. Your cub cadet products come with years of experience in designing some of the most technologically innovative and customer focused equipment available. 2020 10 19 wiring diagram for cub cadet ltx 1046.
Type in. cub cadet LTX 1045 wiring diagram. GOOD LUCK. Cub Cadet models -- as several added lawn accessories brands -- are bogus by MTD Products. The Cub Cadet LT 1045 has a 20-hp Kohler single-cylinder engine, with an aluminum block and cast-iron sleeve for best life.
July 12, 2013 - I bought a LTX 1045 about three years ago and have been pretty happy with it. A year or so ago I took the deck off to change the blades and am not sure what I did in the process of putting it back together but now my PTO engagement lever does not go back to its full (off) resting position. It...
May 1, 2016 - Replacing Mower Deck Cable on a cub cadet LTX 1045 riding mower ... I can not find instructions anywhere on how to replace my broken mower deck cable on my cub cadet ltx1045 riding mower. I have the part on order from cub cadet. I would appreciate anyone's assistance. mower ... Assuming you do mean the PTO...
Free delivery on millions of items with Prime. Low prices across earth's biggest selection of books, music, DVDs, electronics, computers, software, apparel & accessories, shoes, jewelry, tools & hardware, housewares, furniture, sporting goods, beauty & personal care, groceries & just about anything else.
April 10, 2010 - cub cadet LTX 1045. The PTO cable came off the handle that engages it. What path does the cable take? Hooking it - Cub Cadet Street Sign- tractor lawn question
Cub cadet lt1045 belt diagram. New 10t starter drive fits cub cadet lt1045 lt1046 am133369 mia11480 211637022 for sale on trade me, new zealand's #1 auction and classifieds website satellite sites trade me Free shipping for many products! Cub cadet lt1042, lt1046, lt1042, lt1045, lt1050 hydrostatic transmission, changing the deck belt.
December 19, 2012 - I replaced the blades on my Cub Cadet LTX 1040 and now the blades will not engaged when t he PTO Lever is pushed down. … read more ... Blades wont engage on an LTX 1045 cub cadet. To long about 3
38 cub cadet llc manufacturers limited warranty for series 1000 & series 1500 tractors. Cub cadet lt1045 starter replacement. I have a cub cadet. Truly, we have been realized that cub cadet lt1045 parts diagram is being one of the most popular issue at this time. Took new plug out and it was dry ( not wet with gas ).
Cub cadet 2182 series wiring schematic. Cub cadet ltx 1045 starter solenoid wiring diagram below we have provided some cub cadet wiring schemes for our most popular models of cub cadet lawn care equipment. Print the cabling diagram off plus use highlighters in order to trace the signal. Cub cadet 2176 series wiring schematic.
The PTO on this Cub Cadet LTX1050 seemed to work okay, but something just wasn't right. Upon further inspection, the PTO had nothing to secure the flange to ...
I recently got a cub cadet mower from a friend, it's a cub cadet ltx 1045. Case, Colt, Ingersoll Tractor Forum, Forum for Case, Colt and Ingersoll garden tractors and implements. We use cookies to give you the best possible experience on our website. 46 craftsman mower deck in North Carolina at Classifieds across North Carolina.

Yard Garden Outdoor Living New Tune Up Service Maintenance Kit Lt1042 Lt1045 Ltx1040 Ltx1042 Ltx1045 Rzt42 Lawn Mowers Parts Accessories

My Pto Lever Is Stuck On My Cub Cadet Mower How Do I Get It Unstuck It Wont Go Up Or Down It Is Hung About Middle Ways
Cub Cadet Ltx1045 Tractor 2013 13ax91at010 2013 13ax91at056 2013 13wx91at010 2013 13wx91at056 2013 Frame Electrical Pto
0 Response to "40 cub cadet ltx 1045 pto cable diagram"
Post a Comment