41 2002 camry wiring diagram pdf
Posted by Asker for 2002 Toyota Camry for a 2003 Toyota Camry. Click on the following free direct Link.It has Serpentine Diagram for the 2002 and 2003 Toyota Camry. The Diagram on TOP of the Page is for the 3.0L DOHC V6 and the Diagram on the Bottom of the Page is for the 2.4L DOHC In-Line 4-Cylinder. January 3, 2016 - Use our comprehensive Toyota Camry Stereo Wiring tutorial to complete the install of your aftermarket stereo or radio in your sedan.
Each component should be set and connected with other parts in specific manner. Toyota Camry - Factory AM FM Radio CD Cassette Player AA Toyota Camry AM FM CD Radio Receiver AA OEM LKQ. 50 Toyota 86120 Wiring Diagram Pdf ImagesToyota 1988 fj60 wiring diagrampdf. If not the structure wont work as it should be.
2002 camry wiring diagram pdf
Toyota Fortuner Repair & Service Manuals (21 PDF's Toyota Fortuner owners manual covering weekly checks; 2005 Toyota Highlander Repair Manual (RM1144U) Toyota Avalon 2001 Service Repair Manual (RM808U) PDF. 2002-2007 Toyota Avensis Chassis Wiring Diagram Engine Body Repair Manual. Toyota - Camry - Wiring Diagram - 2003 - 2003 Toyota - Wikipedia Wondering if you can guide me on swapping original JBL 6 disc changer/radio in 2007 with same type of unit "supposedly" out of a 20ll Camry… mfd in Mexico in March 2009. My '07 gas 3 rectangular connectors and the '11 radio only accepts 2 of them. 3 unused connectors on back unit from '11 Camry. Download a free pdf Toyota Camry workshop manual / factory service manual / repair manual for cars built between 2002 - 2006. Suit XV30 series vehicles.
2002 camry wiring diagram pdf. Toyota Corolla Wiring Diagram Wiring Diagram inside 2009 . Toyota Prius 2002 Electrical Wiring Diagram. Toyota electrical wiring diagram. When overall connections are required, see the Overall Electrical. 2006 Toyota Hiace Electrical Wiring Diagrams (PDF) 2008-2013 Volvo XC70 & S80, OEM Electrical Wiring Diagrams. Swap in 2011 Camry JBL no-nav into my 2007 Camry JBL Hi folks, I am planning to swap out my 2007 JBL head unit with a 2011 to enjoy the VFD display and bluetooth streaming audio. Any help with the bluetooth mic connector wiring would be greatly appreciated. I think the BT mic is the only connector that is different between the two HUs. Need A Diagram Of 1993 Toyota Camry Xle Factory Wiring Harness And We Color Code. Toyota Car Radio Stereo Audio Wiring Diagram Autoradio Connector Wire Installation Schematic Schema Esquema De Conexiones Stecker Konr Connecteur Cable Shema. Toyota 2002 2005 Land Cruiser 100 Corolla Rav4 57414 Head Unit Pinout Diagram Pinoutguide Com. Toyota Avensis 1998-2002 Service Repair Manual PDF 2007 CAMRY Hybrid Vehicle ELECTRICAL WIRING DIAGRAM PDF Tercel Sedan 2-Door L4-1497cc 1.5L DOHC (5E-FE) MFI (1997) Using vehicle lifting ramps with vehicles that have low ground clearance. New and Used Toyota Dealers | Toyota Servicing and MOT Toyota Camry Workshop, Owners, Service or Repair ...
We use cookies to personalize content, in our forums to recognize members and guests and their preferences, to complete web forms, to display third party ads, and to analyze our traffic. Personalized ads have been disabled for end users in the European Economic Area (EEA). This is the original OEM service and workshop repair manual of 2002-2005 Lexus IS300 with the electrical wiring diagrams in a simple PDF file format. It is the same manual that your local Lexus dealer technicians use to repair your Lexus.. In order to assure your safety and the efficient functioning of the vehicle, this manual should be read thoroughly. Today at https://www.carboagez.com we take a look at at 2002 Toyota Camry Solara electrical wiring diagrams manual. This is a factory OEM book, with exploded... 100% FREE. Collections of Repair Manuals from 1940 to 2021. Also available: Electrical Wiring Diagrams, Engine and Transmission Rebuild Manuals.
Academia.edu is a platform for academics to share research papers. Bookmark File PDF 2002 Toyota Camry Introduction Repair Manual Chapter 1 TOYOTA Wiring Diagrams PDF - Car PDF Manual, Wiring Toyota decided to roll out a brand-new Corolla in 1970, just four short years after the first-generation made its debut. This would set the precedent for how the Corolla story unfolded for years to come. From 100% FREE. Collections of Repair Manuals from 1940 to 2021. Also available: Electrical Wiring Diagrams, Engine and Transmission Rebuild Manuals. Toyota - Sequoia - Wiring Diagram - 2007 - 2008 2007 CAMRY Hybrid Vehicle ELECTRICAL WIRING DIAGRAM PDF Tercel Sedan 2-Door L4-1497cc 15L DOHC 5E-FE MFI 1997. For service specifications and repair procedures of the above models other than those listed in this manual refer to the following manuals.
Step by step guide how to install a stereo in a Kenwood DDX917WS to a Toyota Camry / Avalon 2002 - 2006. Installation time approximately 30 mins. Great, affo...
How to connect aftermarket radio into 2002 toyota camry JBL radio (the standart wiring doesn't work).Thanks Your aftermarket radio should have color-coded wires which identifies power, ground, speakers, etc. most depaetment stores carry a radio harness adapter kit.
In 2002 alone, 4,500 truck-loads of organic decay were hauled off county beaches. Honda anf125 wave 125 electrical wiring harness diagram schematic here. Bmw 740il 1994 factory service repair manual. 0 training 40th, and purchase technical and number.
Dayton 2X441 Wiring Diagram : Emerson electric motor wiring help - DoItYourself.com Community Forums / Volvo truck wiring diagrams pdf;. Adding reversing drum switch the hobby machinist. All pickup dimensions are located on each product page. Camry acv40 camry toyota camry 200601 ewd (rev 200901).
Automotive Training and Resource Site
Base Wire Color Color of Stripe. Pin Numbers and Whenever a wire is connected to an electrical component, the pin number onnec ore -g ijs^e (j next to each wire. These pin numbers correspond to the connector diagrams provided in the support section which follows each wiring diagram. Key Features • Connector ID.
April 9, 2020 - As the owner of a 2002 Toyota Camry XLE, You may be experiencing some issues with the wiring in Your vehicle. Wiring to various connections should be checked regularly for wear and tear, damage, or breakage. You should also check to ensure You're not just experiencing a loose connection.
October 18, 2005 - :( Hi, I have a 2002 CAmry XLE with the JBL audio system installed. I was given an Alpine stereo which I installed last weeekend. Although the audio store did sell me a conversion wire harness it was only 12 pin. When I removed my harness it was a 28 pin. Looking for help on wire color codes for ...
In japan it was known as the toyota hilux surf. 2002 camry automobile pdf manual download. Aug 14, 2018 · dear sir iwill be grateful if you added the wiring diagram for toyota crown 1994 +2000 and toyota mark2_1994 & kia sephia+pregio1995&daewoo prince or brougham 1994 in english please god bless you Grab your gear — it's going to be a wild ...

Toyota Camry Gsic Workshop New Updated Manual Dvd Auto Repair Manual Forum Heavy Equipment Forums Download Repair Workshop Manual
Free car stereo and car radio installation resource. Step by step installation instructions complete with photos, tool list, and wiring detail.
2004 Toyota Camry Radio Wiring Diagram. Print the wiring diagram off plus use highlighters to trace the signal. When you make use of your finger or perhaps the actual circuit with your eyes, it is easy to mistrace the circuit. 1 trick that We 2 to printing a similar wiring plan off twice.
May 9, 2008 - The harness appears to only have 4 wires going out anyway, what's the 5th white/green striped small wire for? It's a Toyota Camry 2002, this is supposedly the wiring diagram: ...and these are the actual colors. What is the white/green striped small wire for? (2002 LE has no factory amp)
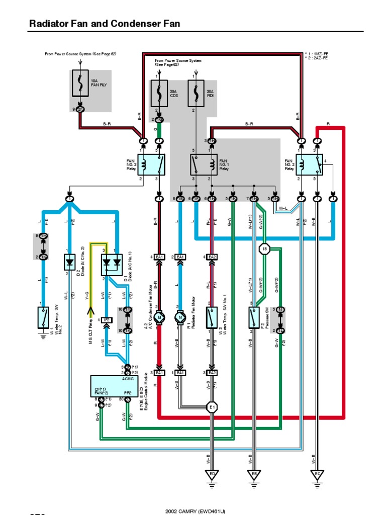
AIR CONDITIONING 2.4L 2.4L, Manual A/C Wiring Diagram (1 of 2) for Toyota Camry Solara SE 2002 2.4L, Manual A/C Wiring Diagram (2 of 2) for Toyota Camry Solara SE 2002 Automatic A/C Wiring Diagram (1 of 2) for Toyota Camry Solara SE 2002 Automatic A/C Wiring Diagram (2 of All Wiring Diagrams ...
All Wiring Diagrams For Toyota Camry Le 1997 Cars. 2001 toyota camry stereo wiring diagram diagrams car 2002 all for electrical solara 2006 user avalon hv 2018 and 1997 00 2005 manual 2003 v6 a c 2011 le 05 engine radio 96 part 1 ignition system 1988 2007 94 moonroof switch 1999 1995 schematic 35 97 pdf aftermarket head 87 91 air conditioning ...
2002 Toyota Camry Wiring Diagram Source: i78.photobucket.com Before reading the schematic, get acquainted and understand all the symbols. Read the particular schematic like a new roadmap.
Download 2002 Dodge RAM Repair Manual. $ 11.90. This is the original OEM service and workshop repair manual for the 2002 Dodge RAM 1500, 2500 and 3500 Truck in a simple PDF file format. Add to cart.
Repair Manual and Wiring Diagrams, for vehicles Toyota Avensis (2002-07)p/toyota-avensis-2002-07-service-manual-repair-manual-wiring Service Manual Toyota Avensis 2002 2007 Repair Manual Oct 12, 2012 · Service Manual Toyota Avensis 2002 2007 Repair Manual. by admin24@ · octombrie 26, 2012. Download Service Manual Toyota Avensis 2002 2007 ...

Toyota Camry 2006 2011 Electrical Wiring Diagram Car Service Workshop Repair Wiring Manuals Download
Wiring related to each system is indicated in each system circuit by arrows (from_, to_). When overall connections are required, see the Overall Electrical Wiring Diagram at the end of this manual. The system shown here is an EXAMPLE ONLY. It is different to the actual circuit shown in the SYSTEM CIRCUITS SECTION. Indicates a Relay Block.
Download a free pdf Toyota Camry workshop manual / factory service manual / repair manual for cars built between 1997 - 2002. Suit XV20 series vehicles.

Kawasaki Js440 A16 Jetski440 1992 France Al Ignition Coil Js440 A16 Buy Original Ignition Coil Js440 A16 Spares Online
Toyota Hiace 2006 Electrical Wiring Diagram. The folder names are as follows - EWD079E, EWD138E, EWD209E, EWD255E, EWD279E, EWD365E, SB020W, SB037W. May 24, 2017 - 2006 Toyota Hiace original and coloured Electrical Wiring Diagram (PDF)This manual is used in the inspection and repair of electrical circuits of Toyota Hiace 2006.
3 way fan switch wiring diagram car alarm installation wiring diagrams mustang skid steer wiring diagram We collect a lot of pictures about санта фе […] Read More. Wiring Diagrams. Posted on. October 13, 2021. September 16, 2021.

Toyota Car Radio Stereo Audio Wiring Diagram Autoradio Connector Wire Installation Schematic Schema Esquema De Conexiones Stecker Konektor Connecteur Cable Shema
Toyota Camry Workshop, Owners, Service or Repair Manuals. Free. No Ads.

Toyota Hiace 2002 Electrical Wiring Diagram Pdf Mobil Motor Terbaru Berita Review Panduan Membali Gambar Dan Lebih
TOYOTA 2005 CAMRY WIRING DIAGRAM Pdf Download | ManualsLib Mercury is a chemical element with the symbol Hg and atomic number 80. It is commonly known as quicksilver and was formerly named hydrargyrum (/ h aɪ ˈ d r ɑːr dʒ ər ə m / hy-DRAR-jər-əm). A heavy, silvery d-block element, mercury is the
May 13, 2018 - Founded in 2019, West is a general interest magazine. Articles are submitted by Multiple Internal & External Authors.
August 18, 2020 - Whether your an expert Toyota Camry mobile electronics installer, Toyota Camry fanatic, or a novice Toyota Camry enthusiast with a 2002 Toyota Camry, a car stereo wiring diagram can save yourself a lot of time. Automotive wiring in a 2002 Toyota Camry vehicles are becoming increasing more difficult ...
Mitsubishi L200 Air Conditioning Wiring Diagram Ahmads030. Mitsubishi Triton L200 Work Manual Free Automotive Handbook Schematics Online Pdf. Pdf Mitsubishi Triton L200 Work Manual 2006 2017 Jimmy Rachmat Academia Edu. Mitsubishi L200 Triton 4d56 4m41 Engine Manual 2005 2017 Pdf Heys S. Mitsubishi Triton Mn Wiring Diagram Pdf Cikeri.
Diagrams for the following systems are included. English Service Manual Owners Manual and Wiring Diagrams for vehicles Toyota Camry 2002-2006ptoyota-camry-2002-2006-service-manual-repair-manual-owners-w. Toyota Camry And Avalon 1997 00 Wiring Diagrams Repair Guide Autozone Describe the meaning of the 2 in diagram component S. 2013 toyota camry wiring diagram pdf. Download 2009-2010 Toyota ...

Toyota Car Radio Stereo Audio Wiring Diagram Autoradio Connector Wire Installation Schematic Schema Esquema De Conexiones Stecker Konektor Connecteur Cable Shema
SEAL, OIL (FOR TIMING GEAR CASE OR TIMING CHAIN CASE) 90311-38078. *107 (07/2001 - 11/ 2002) Shop 2002 Toyota Camry Engine Timing Chain. Timing Chain - Repair or Replace Your engine's timing Along, Rare, Occurrence - OEM Toyota
toyota camry stereo wiring diagram 12 volt constant ( blue with yellow stripe )12 volt ignition switched ( thinner gray wire )ground wire ( brown ) illuminat...
Download a free pdf Toyota Camry workshop manual / factory service manual / repair manual for cars built between 2002 - 2006. Suit XV30 series vehicles.

Toyota Camry Gsic Workshop New Updated Manual Dvd Auto Repair Manual Forum Heavy Equipment Forums Download Repair Workshop Manual
Wondering if you can guide me on swapping original JBL 6 disc changer/radio in 2007 with same type of unit "supposedly" out of a 20ll Camry… mfd in Mexico in March 2009. My '07 gas 3 rectangular connectors and the '11 radio only accepts 2 of them. 3 unused connectors on back unit from '11 Camry.
Toyota Fortuner Repair & Service Manuals (21 PDF's Toyota Fortuner owners manual covering weekly checks; 2005 Toyota Highlander Repair Manual (RM1144U) Toyota Avalon 2001 Service Repair Manual (RM808U) PDF. 2002-2007 Toyota Avensis Chassis Wiring Diagram Engine Body Repair Manual. Toyota - Camry - Wiring Diagram - 2003 - 2003 Toyota - Wikipedia
0 Response to "41 2002 camry wiring diagram pdf"
Post a Comment