42 2008 dodge grand caravan cooling system diagram
Bookmark File PDF 2008 Dodge Grand Caravan Repair Manual ... Cooling system Chapter 3: Fuel system Chapter 4: Turbocharger and charge air cooler Chapter 5: Engine electrical systems ... Engine overhaul procedures Chapter 9: Troubleshooting Chapter 10: Wiring diagrams Index Statement of Disbursements of the House as Compiled by the Chief ... Dodge Caravan (2008) - fuse box diagram. Jonathan Yarden Feb 11, 2021 · 5 min. read. In this article you will find a description of fuses and relays Dodge, with photos of block diagrams and their locations. Highlighted the cigarette lighter fuse (as the most popular thing people look for). Get tips on blown fuses, replacing a fuse, and more.
Find 2008 DODGE GRAND CARAVAN Parts and Accessories and get Free Shipping on Orders Over $99 at Summit Racing! ... Red Line Water Wetter Cooling System Treatment. Red Line Synthetic Oil 80204 - Red Line Water Wetter Cooling System Treatment. Coolant Additive, Water Wetter, 12 fluid oz., Each

2008 dodge grand caravan cooling system diagram
Dodge Caravan - Heater core removal for 2000 dodge grand caravan- question about Cars & Trucks ... Remove rear evaporator core 2008 dodge grand caravan ... Drain the cooling system. Remove radiator cap, set heater control to max heat. Drain coolant through valve on bottom rad of the radiator. 12 qt bucket. Poor air conditioning performance. A faulty cooling fan relay can also negatively affect air conditioning (A/C) performance.The reason being, on most vehicles, is that the cooling fan doubles as a condenser fan.When the A/C is turned on, the fan moves air across the A/C condenser, thereby removing heat from the refrigerant, which changes from a vapor to a liquid state as it gives off heat it ... My 2008 Dodge Grand Caravan 3.8 with 103,000 miles finally had this part fail. I took it to the dealer. I bought the lifetime maintenance agreement and total cost for me is my $100 deductible. Glad I bought the coverage for this van.
2008 dodge grand caravan cooling system diagram. Products 1 - 60 of 282 — Original (OEM) - Engine Cooling Parts · Pacific Best® - Engine Coolant Radiator · TYC® - Dual Radiator and Condenser Fan Assembly · Four ... Radiator fan relay wiring diagram for 2005 caravan by saum hadi posted on september 8 2018 how to replace a cooling fan relay on most vehicles a6f273 2008 dodge grand caravan fuse diagram wiring library 0720c6 2005 350z cooling fan wiring diagram library 2002 dodge caravan cooling fan relay wiring 2005 caravan fuse box location wiring diagram. 2006 dodge magnum charger fuel pump relay fuse location play. Dodge charger fuse box and obd 2 hook up locations play | download. 2000 dodge grand caravan need to know where relay the cooling fan relay is not in the fuse box. Fuse box location and diagrams dodge charger 2011 2019 play | download. The video above shows how to replace blown fuses ... 2008 DODGE GRAND CARAVAN COOLING FAN RELAY LOCATION. ... over there is not a relay this system uses a controller i beg your pardon is up by the fans on the motorists side. Here is the location in the diagrams below. Check out the diagrams (below). You re welcome let us understand if you require anything else to acquire the trouble fixed.
2008 Dodge Grand Caravan. Safety is a key part of any minivan recipe, and that continues to be true with the 2008 Dodge Grand Caravan and Chrysler Town & Country. All-row supplemental side-curtain air bags, Electronic Stability Program (ESP) with traction control and brake assist, LATCH child seat anchor system and a patented, energy-absorbing ... System Wiring Diagram 3.3 L 3.8 L How to reset the Page 5/43. Download Free 2002 Dodge Caravan Engine Diagram dash on a 2002 Dodge Grand Caravan Alternator 2002 Dodge Grand Caravan SportHow To Replace an O2 Sensor on a 2002-2007 Dodge Caravan 2003 DODGE CARAVAN Engine Noise 2001-07 Dodge Get the best deals on Cooling System Hoses & Clamps for 2008 for Dodge Grand Caravan when you shop the largest online selection at eBay.com. Speaker wiring diagrams i am having trouble installing an 2002 dodge caravan radio diagram chevabarnett ive looked everywhere and dont have a owners manual 10 gcv after market stereo the chrysler minivan fan club forums 1995 plymouth grand voyager with premium infinity sound system fm casette w graphic equalizer 2001 gr no from speakers there is power to… Read More »
Dodge Caravan Starter Motor Testing Starting System Wiring Diagram 3 3 L 3 8 L Youtube . Ecm Not Communicating With Alternator S Voltage Regulator Dodge Grand Caravan Cargurus . 48re Throttle Valve Actuator Wiring Diagram In 2021 Diagram Chrysler Wire . New Post Pdf Online Dodge Caravan 2000 System Wiring Diagrams Has Been Published On ... Dodge Grand Caravan - (photo by Dodge) The most common causes that hinders normal operation of air conditioning system on your Dodge Grand Caravan are dirty cabin air filter, refrigerant leak, dirty or clogged condenser, dirty or clogged evaporator, bad blower motor, defective compressor, faulty blend door actuator or any fault in the ... Wiring Diagram For 2008 Dodge Grand Caravan - Is a approach of laying out the electrical system of a vehicle in a in depth way. There are a lot of reasons why you may need to create a car wiring diagram. You may want to change the wiring upon an existing vehicle. 2008 Dodge Grand Caravan Sliding Door Wiring Harness from i5.walmartimages.com. Print the wiring diagram off plus use highlighters to trace the signal. When you make use of your finger or perhaps the actual circuit with your eyes, it is easy to mistrace the circuit. 1 trick that We 2 to printing a similar wiring plan off twice.
Suspension and steering Electrical systems Wiring diagrams Dodge Caravan & Plymouth Voyager Mini-vans Owners Workshop Manual-Curt Choate 1988 Dodge Grand Caravan & Chrysler Town & Country Haynes Repair Manual-Editors of Haynes Manuals 2018-10-23 With a Haynes manual, you can do it yourself…from simple maintenance to basic repairs.
2008 - 2010 Dodge Grand Caravan. 2009 Dodge Charger. Dodge Journey Engine Diagram Spark Plugs Wiring Diagram 177 Overeat Dont miss whats happening in your neighborhood. 2010 dodge journey spark plug diagram. 2007 Dodge Charger. Unplug the heater control panel harness. We have a 2010 TC starting stalling out last year. 1 day agoFrom scheduling […]
Where is the temperature sensor on a 3.3 L 2003 dodge caravan found. I understand the coolant temperature sensor on a 2003 caravan is located just under the coil. There are two sensors located in that position, it's the one toward the passenger side of the car. I'm changing mine in the morning so I will know for sure and if it's not there I ...
University of Illinois, Chicago Circle Campus, Early Campus Planning Elevation Diagram (1961–1970) // Skidmore, Owings & Merrill (American, founded 1936) Walter A. Netsch (American, 1920–2008)
SOURCE: I need a 1998 Dodge Grand Caravan serpentine belt diagram. The belt routing diagram is shown on a decal located on thehorizontal metal support above the radiator and under the hood support rod (passenger's side near the coolant overflow tank).
2008 2010 Dodge Grand Caravan Town Country Transmission Shifter 1GJ35XDVAJ 2009 for sale online | eBay
Electrical System problem 31. Failure Date: 05/31/2016. The contact owns a 2008 Dodge Grand Caravan. While driving 45 mph, the brakes and steering failed and the vehicle stalled without warning. As a result, the contact crashed into a large rock and the vehicle landed in a ditch.
Diagram 2004 Jeep Grand Cherokee Ignition Wiring Diagram Jeep Grand Jeep Grand Cherokee Jeep . 16 Grand Caravan Wiring Diagram Diagram Base Website Wiring 2008 Dodge Grand Caravan Key Won T Grand Caravan Diagram Caravan . Cool Radio Wiring Diagram For 1998 Dodge Dakota Images Best 2008 Ram Stereo In 1998 Dodge Ram Wiring Diagram 2001 Dodge Ram ...
Dodge Fuel Filter Diagram. Date. December 2, 2020. Dodge Ram 2500 Fuel Filter Replacement. Fuel Filter Location 2006 Dodge Charger Machining Technology. Dodge Challenger Fuel Filter Wiring Schematic Diagram. 2008 Jeep Liberty Fuel Filter Top Electrical Wiring Diagram. Fuel Pump Filter W Sending Unit For Chrysler 300 05 14 Dodge.
Anyone have a diagram of cooling system heater hoses on a 96 dodge grand caravan 3.3L. A hose broke/fell off behind water pump or right of water pump and it comes of something steel broke metal piece hose clamps to need to know what that hose connected to.I have no money to buy a diagram or pay for anyone to fix.Please someone help me.
SOURCE: Dodge 2002 Grand Caravan V6 3.3 engine overheating/no cabin heat. Replace the bad radiator hose first. Second- get you special formulated ...
Overheating is a mechanical issue. There are no codes for overheating. The only code that may come up is if the radiator cooling fans are not working. The cooling fan relay was a common failure for the fans if they are not working. I attached the location and a wiring diagram for you.
2008 Dodge Grand Caravan Sliding Door Wiring Harness To properly read a cabling diagram, one offers to find out how the particular components inside the system operate. For instance , in case a module is usually powered up and it also sends out the signal of fifty percent the voltage in addition to the technician does not know this, he'd think ...
2005 Dodge Grand Caravan O2 Sensor Wiring Diagram - Is the procedure of preparing the power system of your car and gives all the required information to the technician. There are differing types of car wiring diagrams but it is recommended to use only the car wiring diagram that is produced by an accredited wiring company or electric engineer so as to prevent frustration.
Cooling and heating Air conditioning Fuel and exhaust Emissions control Ignition Brakes Suspension and steering Electrical systems Wring diagrams Models covered include: Chrysler 300, 2005-2018 Dodge Charger, 2006-2018 Dodge Magnum, 2005-2008 Dodge Challenger, 2008-2018 This book does not include information specific to diesel engine, all-wheel ...
Aug 25, 2012 — I'm losing antifreeze (no puddles) heat not working. I have put in grand new radiator, thermostat and replaced a leaking metal hose on bottom of ...
Feb 7, 2020 — Radiator plumbing diagram 3.3L no rear heat ... Joined Jan 25, 2008 ... Dorman 626309): 2006 DODGE GRAND CARAVAN 3.3L V6 Heater Hose / Pipe ...
Tune-up procedures Engine repair Cooling and heating Air conditioning Fuel and exhaust Emissions control Ignition Brakes Suspension and steering Electrical systems, and Wring diagrams. Dodge Grand Caravan & Chrysler Town & Country-Editors of Haynes Manuals 2013-10-15 With a Haynes manual, you can do it yourself…from simple maintenance to ...
Wiring diagrams dodge. Listed below is the vehicle specific wiring diagram for your car alarm remote starter or keyless entry installation into your 2008 2012 dodge grand caravan this information outlines the wires location color and polarity to help you identify the proper connection spots in the vehicle. How dodge radiator fan works.
My 2008 Dodge Grand Caravan 3.8 with 103,000 miles finally had this part fail. I took it to the dealer. I bought the lifetime maintenance agreement and total cost for me is my $100 deductible. Glad I bought the coverage for this van.
Poor air conditioning performance. A faulty cooling fan relay can also negatively affect air conditioning (A/C) performance.The reason being, on most vehicles, is that the cooling fan doubles as a condenser fan.When the A/C is turned on, the fan moves air across the A/C condenser, thereby removing heat from the refrigerant, which changes from a vapor to a liquid state as it gives off heat it ...
Dodge Caravan - Heater core removal for 2000 dodge grand caravan- question about Cars & Trucks ... Remove rear evaporator core 2008 dodge grand caravan ... Drain the cooling system. Remove radiator cap, set heater control to max heat. Drain coolant through valve on bottom rad of the radiator. 12 qt bucket.
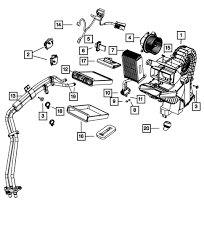
Dodge Workshop Manuals > Grand Caravan V6-3.3L Flex Fuel (2008) > Engine, Cooling and Exhaust > Cooling System > Sensors and Switches - Cooling System > Engine - Coolant Temperature Sensor/Switch >
1996 dodge grand caravan, cant get the cooling fan or ac fan to turn on... any suggestions for troubleshooting?
0 Response to "42 2008 dodge grand caravan cooling system diagram"
Post a Comment