Iklan 300x250

42 cub cadet parts diagram lt1050

The Cub Cadet LT1050 is a 2WD lawn tractor from the LT1000 series. This tractor was manufactured by the Cub Cadet (a part of MTD) from 2005 to 2008. The Cub Cadet LT1050 is equipped with a 0.7 L V-twin gasoline engine and hydrostatic transmission Hydro-Gear 0510 with infinite forward and reverse gears. Cub Cadet LT1050 front-engine lawn tractor parts - manufacturer-approved parts for a proper fit every time! We also have installation guides, diagrams and manuals to help you along the way!

Lookup Parts via Diagram. Use our parts diagram tool below to find the parts you need for your machine. Select the model and year, then browse the parts diagrams to find the right part. Add to cart when you're ready to purchase and we'll ship it to you as soon as possible! This is the most current part for this model.

Cub cadet parts diagram lt1050

Cub cadet parts diagram lt1050

Cub Cadet Lt1050 Wiring Diagram. Print the wiring diagram off and use highlighters to be able to trace the signal. When you use your finger or follow the circuit together with your eyes, it is easy to mistrace the circuit. 1 trick that We 2 to print a similar wiring diagram off twice. Find parts for your LT1050 Cub Cadet Riding Lawn Mower. Parts diagrams and manuals available. Free shipping on parts orders over $45. Cub Cadet repair parts and parts diagrams for Cub Cadet 1050 (149-605-100) - Cub Cadet Garden Tractor (SN: 756300 - 799999) Order Status Customer Support 512-288-4355 My Account Login to your PartsTree.com to view your saved list of equipment.

Cub cadet parts diagram lt1050. Cub Cadet LTX Diagrams and Manuals. Shop for Cub Cadet LTX1050 Parts. Factory Direct from Cub Cadet. COVID-19 Updates. Ask Our Experts: 515-266-7944 Orders Wholesale Contact Low Prices, Fast Shipping, Guaranteed Service. Cub Cadet LTX1050 Manuals. Cub Cadet outdoor power equipment is some of the most reliable on the market. ... Buy Genuine OEM Cub Cadet parts for your Cub Cadet LT1050 Tractor (2008 & after) 13AQ11CP009 13AQ11CP010 13AQ11CP056 13AQ11CP256 13RQ11CP056 13RQ11CP256 and ship today! Huge in-stock inventory of OEM Cub Cadet parts. Cub Cadet Parts Lookup -Cub Cadet-LT1050 Tractor (2007 & before) 13AP11CP709 13AP11CP710 13AP11CP756 13AQ11CP709 13AQ11CP710 13AQ11CP712 13RP11CP756 Find parts for your LT1050 Cub Cadet Riding Lawn Mower. Parts diagrams and manuals available. Free shipping on parts orders over $45.

Buy Genuine OEM Cub Cadet parts for your Cub Cadet SLT1550 Tractor (2007 & before) 13AQ11BP710 13AQ11BP756 13RQ11BP756 and ship today! Huge in-stock inventory of OEM Cub Cadet parts. Your Cub Cadet products come with years of experience in designing some of the most technologically innovative and customer-focused equipment available. Your LT1050 model is fit with a V-Twin Kohler engine. Made for the average homeowner, this mower starts right up and runs up to 5mph. For LT1050 replacement parts, use our Parts Lookup tool. Cub Cadet PARTS LOOKUP. LT1050-Tractor-2007-before-13AP11CP709-13AP11CP710-13AP11CP756-13AQ11CP709-13AQ11CP710-13AQ11CP712-13RP11CP756 Parts Diagram. Attachment.Quick Reference. Adjustable Seat. Yes, printed Cub Cadet Operator's Manuals, Illustrated Parts Lists and Engine Manuals are available for purchase. The price for a pre-printed manual is typically less than $20+s/h, but can range up to $45+s/h for larger documents. To order a pre-printed Cub Cadet manual, have your model and serial numbers handy and call the our Customer Support ...

Command Engine Head Valve Breather diagram and repair parts lookup for Cub Cadet LT 1050 (13AQ11CP709) - Cub Cadet 50" Lawn Tractor (2007 & Before) Order Status Customer Support 512-288-4355 My Account. Login to your PartsTree.com to view your saved list of equipment. Wiring Diagram For Cub Cadet Lt1050. Garden product manuals and free pdf instructions. Find the user manual you need for your lawn and garden product and more at. I have a Cub Cadet LT mower with Kohler Courage Twin OHC 23 hp I am trying to find a wiring diagram and am not finding one yet. Hi there, Save hours of searching online or wasting ... Cub Cadet LT Lawn Tractor Parts Diagrams A inch mower deck, from which the mower's model number is derived, is another strong way to ensure. Find Cub Cadet 50 in. Deck Drive Belt in the Mower Parts & Accessories category at Tractor Supply diagramweb.nete worn equipment with a Cub Cadet Cub Cadet outdoor power equipment is some of the most ... Buy Genuine OEM Cub Cadet parts for your Cub Cadet LT1045 Tractor (2007 & before) 13AX11CH709 13AX11CH710 13AX11CH712 13AX11CH756 13BP11CH709 13BP11CH710 13BP11CH756 13RX11CH756 and ship today! Huge in-stock inventory of OEM Cub Cadet parts.

2

2

18.03.2019 18.03.2019 7 Comments on Drive Belt Diagram For Cub Cadet Lt1050. schematron.org - Order Genuine Cub Cadet Parts for the Cub Cadet LT Tractor Deck Belt. Not available. Cub Cadet C. Blades. More details. I have to change the xmsn drive belt on a cub cadet LT . Also, my belt was gone when I started and the diagram on the manual was.

Cub Cadet Ltx1050 Hydrostatic Lawn Tractor Partswarehouse

Cub Cadet Ltx1050 Hydrostatic Lawn Tractor Partswarehouse

Cub Cadet Lt1050 Parts Diagram. Printed In USA. ILLUSTRATED PARTS MANUAL. Model Series — Hydrostatic Lawn Tractor. Models LT LT LT LT Find Cub Cadet Parts for Cub Cadet lawn mowers and other power Order replacement parts or download a copy of your machine's operator's manual. Cub Cadet LT Diagrams and Manuals.

Cub Cadet Ltx1050 Hydrostatic Lawn Tractor Partswarehouse

Cub Cadet Ltx1050 Hydrostatic Lawn Tractor Partswarehouse

Cub Cadet LT1050 (13AQ11CP709, 13AQ11CP712, 13AQ11CP710, 13AP11) (2007 & Before) Tractor Parts

2

2

Wiring Diagram For Cub Cadet Lt1050 from ww2.justanswer.com. To properly read a cabling diagram, one offers to learn how typically the components within the method operate. For instance , if a module will be powered up and it sends out a signal of 50 percent the voltage and the technician will not know this, he'd think he provides a challenge ...

Cub Cadet Lt1050 Tractor 2008 After 13aq11cp009 13aq11cp010 13aq11cp056 13aq11cp256 13rq11cp056 13rq11cp256 Dash Assembly Battery Amp Solenoid Shank 39 S Lawn Cub Cadet

Cub Cadet Lt1050 Tractor 2008 After 13aq11cp009 13aq11cp010 13aq11cp056 13aq11cp256 13rq11cp056 13rq11cp256 Dash Assembly Battery Amp Solenoid Shank 39 S Lawn Cub Cadet

Explore Service & Parts. Cub Cadet Genuine Parts gives you a genuine advantage: the confidence of using parts specifically designed for a exact fit, optimal performance and maximum safety. These are the only parts with the in-depth engineering and rigid testing that assures long-lasting quality.

Diagram S And Or Partslist S Kt Parts For Discount Cub Cadet Parts Call 606

Diagram S And Or Partslist S Kt Parts For Discount Cub Cadet Parts Call 606

Shop our large selection of Cub Cadet LT1050 Tractor (2007 & before) 13AP11CP709 13AP11CP710 13AP11CP756 13AQ11CP709 13AQ11CP710 13AQ11CP712 13RP11CP756 OEM Parts, original equipment manufacturer parts and more online or call at 717-375-1021

Diagram S And Or Partslist S Kt Parts For Discount Cub Cadet Parts Call 606

Diagram S And Or Partslist S Kt Parts For Discount Cub Cadet Parts Call 606

Cub Cadet LT1050 Tractor (2007 & before) 13AP11CP709 13AP11CP710 13AP11CP756 13AQ11CP709 13AQ11CP710 13AQ11CP712 13RP11CP756 Parts

Amazon Com Replacement Transmission Drive Belt 954 04165 Replacement For Mtd Cub Cadet Fit Lt1042 Lt1045 Lt1046 Lt1050

Amazon Com Replacement Transmission Drive Belt 954 04165 Replacement For Mtd Cub Cadet Fit Lt1042 Lt1045 Lt1046 Lt1050

Cub Cadet Model LT1050 Tractor As one of the highest-end riding mowers sold by Cub Cadet in its LT 1000 series of mowers, homeowners are right to expect big things from this particularly model. Luckily, the powerful engine and other great features packed into the LT 1050 ensure that all of those expectations will be easily met.

Cub Cadet Lt 1050 13ap11cp756 Cub Cadet 50 Lawn Tractor 2007 Before Parts Lookup With Diagrams Partstree

Cub Cadet Lt 1050 13ap11cp756 Cub Cadet 50 Lawn Tractor 2007 Before Parts Lookup With Diagrams Partstree

UP2WIN Spindle Fits for Cub Cadet LT1050 Mower - Spindle Assembly Fits for Cub Cadet RZT50 LT1050 Lawn Mower, Work with Cub Cadet Troy Built Mustang Zero Turn 50" Mower Deck, Replaces 918-04126. 4.9 out of 5 stars. 45. $33.99. $33.

Cub Cadet Ltx1050 Hydrostatic Lawn Tractor Partswarehouse

Cub Cadet Ltx1050 Hydrostatic Lawn Tractor Partswarehouse

Cub Cadet repair parts and parts diagrams for Cub Cadet LT 1050 (13AP11CP756) - Cub Cadet 50" Lawn Tractor (2007 & Before) Order Status Customer Support 512-288-4355 My Account Login to your PartsTree.com to view your saved list of equipment.

Cub Cadet Lt 1050 13ap11cp756 Cub Cadet 50 Lawn Tractor 2007 Before Command Engine Starting System Parts Lookup With Diagrams Partstree

Cub Cadet Lt 1050 13ap11cp756 Cub Cadet 50 Lawn Tractor 2007 Before Command Engine Starting System Parts Lookup With Diagrams Partstree

Buy Genuine OEM Cub Cadet parts for your Cub Cadet LT1050 Tractor (2007 & before) 13AP11CP709 13AP11CP710 13AP11CP756 13AQ11CP709 13AQ11CP710 13AQ11CP712 13RP11CP756 and ship today! Huge in-stock inventory of OEM Cub Cadet parts.

Cub Cadet Lt1050 Tractor 2008 After 13aq11cp009 13aq11cp010 13aq11cp056 13aq11cp256 13rq11cp056 13rq11cp256 Steering

Cub Cadet Lt1050 Tractor 2008 After 13aq11cp009 13aq11cp010 13aq11cp056 13aq11cp256 13rq11cp056 13rq11cp256 Steering

Cub Cadet repair parts and parts diagrams for Cub Cadet 1050 (149-605-100) - Cub Cadet Garden Tractor (SN: 756300 - 799999) Order Status Customer Support 512-288-4355 My Account Login to your PartsTree.com to view your saved list of equipment.

Cub Cadet Lt1050 Tractor 2008 After 13aq11cp009 13aq11cp010 13aq11cp056 13aq11cp256 13rq11cp056 13rq11cp256 Mower Deck 50 Inch Shank 39 S Lawn Cub Cadet

Cub Cadet Lt1050 Tractor 2008 After 13aq11cp009 13aq11cp010 13aq11cp056 13aq11cp256 13rq11cp056 13rq11cp256 Mower Deck 50 Inch Shank 39 S Lawn Cub Cadet

Find parts for your LT1050 Cub Cadet Riding Lawn Mower. Parts diagrams and manuals available. Free shipping on parts orders over $45.

Cub Cadet Lt1050 Manuals Manualslib

Cub Cadet Lt1050 Manuals Manualslib

Cub Cadet Lt1050 Wiring Diagram. Print the wiring diagram off and use highlighters to be able to trace the signal. When you use your finger or follow the circuit together with your eyes, it is easy to mistrace the circuit. 1 trick that We 2 to print a similar wiring diagram off twice.

20 Most Recent Cub Cadet Z Force 60 Questions Answers Fixya

20 Most Recent Cub Cadet Z Force 60 Questions Answers Fixya

Mtd 148 800 190 Gt 1810 1988 Parts Diagram For Body Assembly

Mtd 148 800 190 Gt 1810 1988 Parts Diagram For Body Assembly

Solved Need Wiring Diagram For Cub Cadet Lawn Mower Fixya

Solved Need Wiring Diagram For Cub Cadet Lawn Mower Fixya

Cub Cadet Lt1050 Tractor 2008 After 13aq11cp009 13aq11cp010 13aq11cp056 13aq11cp256 13rq11cp056 13rq11cp256 Kohler Sv720 0010 Sv730 0011 Fuel System

Cub Cadet Lt1050 Tractor 2008 After 13aq11cp009 13aq11cp010 13aq11cp056 13aq11cp256 13rq11cp056 13rq11cp256 Kohler Sv720 0010 Sv730 0011 Fuel System

Cub Cadet Lt1050 Drive Belt Diagram Therugbycatalog Com

Cub Cadet Lt1050 Drive Belt Diagram Therugbycatalog Com

Solved Need A I1050 Cub Cadet Wiring Diagram Fixya

Solved Need A I1050 Cub Cadet Wiring Diagram Fixya

Cub Cadet Lt1050 Tractor 2007 Before 13ap11cp709 13ap11cp710 13ap11cp756 13aq11cp709 13aq11cp710 13aq11cp712 13rp11cp756 Mower Deck 50 Inch 618 04126 Spindle Sn 1i146h After

Cub Cadet Lt1050 Tractor 2007 Before 13ap11cp709 13ap11cp710 13ap11cp756 13aq11cp709 13aq11cp710 13aq11cp712 13rp11cp756 Mower Deck 50 Inch 618 04126 Spindle Sn 1i146h After

Cub Cadet Lt 1050 13aq11cp710 Cub Cadet 50 Lawn Tractor 2007 Before Steering 1i145h After Parts Lookup With Diagrams Partstree

Cub Cadet Lt 1050 13aq11cp710 Cub Cadet 50 Lawn Tractor 2007 Before Steering 1i145h After Parts Lookup With Diagrams Partstree

Cub Cadet Lt1050 Tractor 2008 After 13aq11cp009 13aq11cp010 13aq11cp056 13aq11cp256 13rq11cp056 13rq11cp256 Pedal Assembly Shank 39 S Lawn Cub Cadet

Cub Cadet Lt1050 Tractor 2008 After 13aq11cp009 13aq11cp010 13aq11cp056 13aq11cp256 13rq11cp056 13rq11cp256 Pedal Assembly Shank 39 S Lawn Cub Cadet

Cub Cadet Ltx1050 Hydrostatic Lawn Tractor Partswarehouse

Cub Cadet Ltx1050 Hydrostatic Lawn Tractor Partswarehouse

Pin On 7madd7

Pin On 7madd7

Cub Cadet Lt1050 Tractor 2007 Before 13ap11cp709 13ap11cp710 13ap11cp756 13aq11cp709 13aq11cp710 13aq11cp712 13rp11cp756 Drive System 1i136h Amp Before Shanks Lawn

Cub Cadet Lt1050 Tractor 2007 Before 13ap11cp709 13ap11cp710 13ap11cp756 13aq11cp709 13aq11cp710 13aq11cp712 13rp11cp756 Drive System 1i136h Amp Before Shanks Lawn

Cub Cadet Lt1050 Tractor 2007 Before 13ap11cp709 13ap11cp710 13ap11cp756 13aq11cp709 13aq11cp710 13aq11cp712 13rp11cp756 Steering 1i145h After

Cub Cadet Lt1050 Tractor 2007 Before 13ap11cp709 13ap11cp710 13ap11cp756 13aq11cp709 13aq11cp710 13aq11cp712 13rp11cp756 Steering 1i145h After

1

1

2

2

Cub Cadet Lt 1050 13aq11cp010 Cub Cadet 50 Lawn Tractor 2008 After Lift Assembly Parts Lookup With Diagrams Partstree

Cub Cadet Lt 1050 13aq11cp010 Cub Cadet 50 Lawn Tractor 2008 After Lift Assembly Parts Lookup With Diagrams Partstree

2

2

42 Inch

42 Inch

Cub Cadet Ltx 1040 Deck Belt Loose

Cub Cadet Ltx 1040 Deck Belt Loose

Cub Cadet Lt1050

Cub Cadet Lt1050

Cub Cadet Lt 1050 13aq11cp256 Cub Cadet 50 Lawn Tractor 2008 After Label Map Lt1050 Parts Lookup With Diagrams Partstree

Cub Cadet Lt 1050 13aq11cp256 Cub Cadet 50 Lawn Tractor 2008 After Label Map Lt1050 Parts Lookup With Diagrams Partstree

Cub Cadet Tractor Ltx1050kw Ereplacementparts Com

Cub Cadet Tractor Ltx1050kw Ereplacementparts Com

Cub Cadet Lt1045 Deck Belt Diagram Light Fitness Com

Cub Cadet Lt1045 Deck Belt Diagram Light Fitness Com

Cub Cadet Lt1050 Tractor 2007 Before 13ap11cp709 13ap11cp710 13ap11cp756 13aq11cp709 13aq11cp710 13aq11cp712 13rp11cp756 Lift Assembly

Cub Cadet Lt1050 Tractor 2007 Before 13ap11cp709 13ap11cp710 13ap11cp756 13aq11cp709 13aq11cp710 13aq11cp712 13rp11cp756 Lift Assembly

2

2

2

2

Cub Cadet Lt 1045 13ax11ch010 Cub Cadet 46 Lawn Tractor 2008 After Drive System Parts Lookup With Diagrams Partstree

Cub Cadet Lt 1045 13ax11ch010 Cub Cadet 46 Lawn Tractor 2008 After Drive System Parts Lookup With Diagrams Partstree

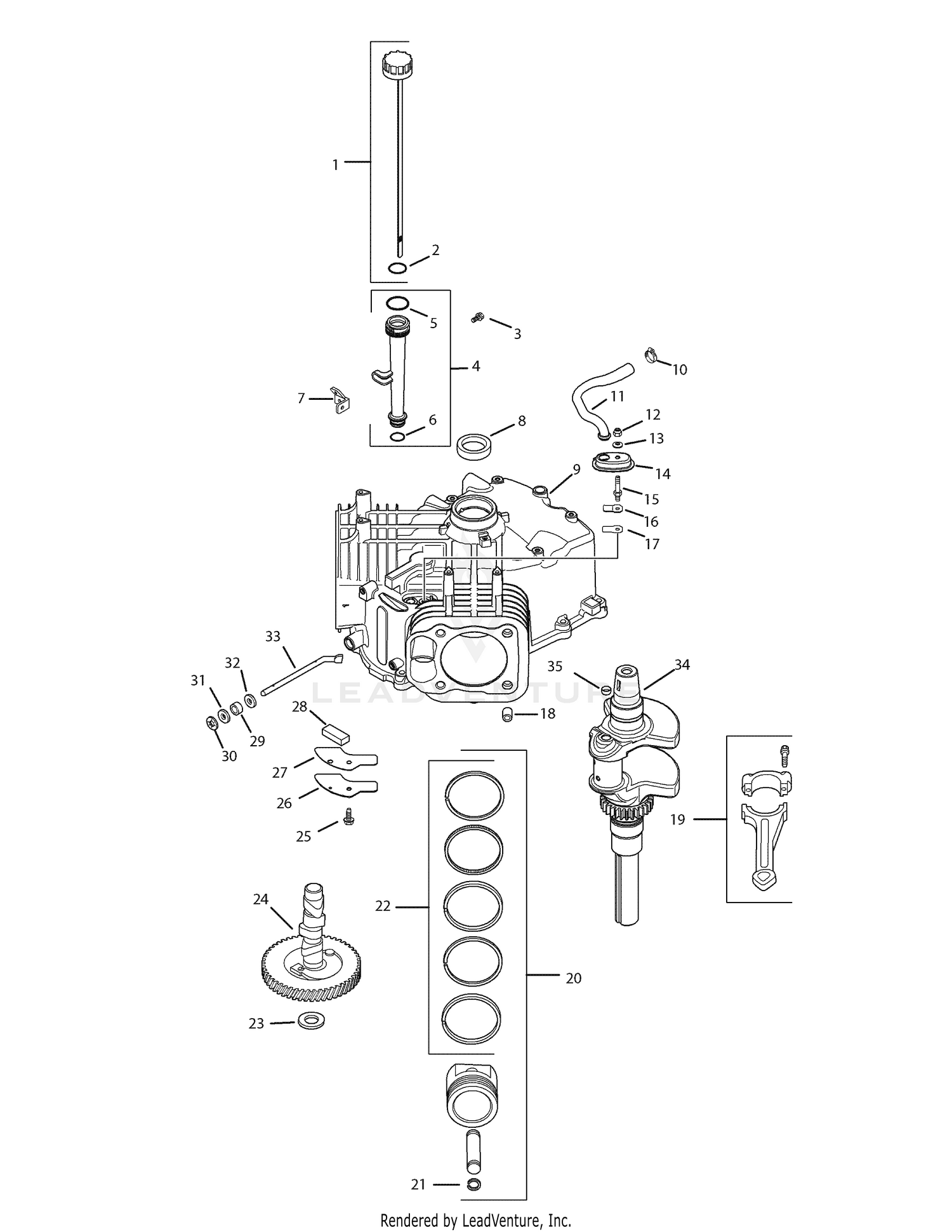
Cub Cadet Lt1050 Tractor 2008 After 13aq11cp009 13aq11cp010 13aq11cp056 13aq11cp256 13rq11cp056 13rq11cp256 Kohler Sv720 0010 Sv730 0011 Crankshaft Crankcase

Cub Cadet Lt1050 Tractor 2008 After 13aq11cp009 13aq11cp010 13aq11cp056 13aq11cp256 13rq11cp056 13rq11cp256 Kohler Sv720 0010 Sv730 0011 Crankshaft Crankcase

0 Response to "42 cub cadet parts diagram lt1050"

Post a Comment

Iklan Atas Artikel

Iklan Tengah Artikel 1

Iklan Tengah Artikel 2

Iklan Bawah Artikel