43 john deere sx85 belt diagram
If brake arm cannot be adjusted to touch belt when PTO lever is completely rearward, see your John Deere dealer. ... Removing Mower Belt (GX85). John Deere SX85 Rear Engine Riding Mower Parts including mower blades, deck belt, oil and air filter along with Parts Look-up Diagrams/Schematics.
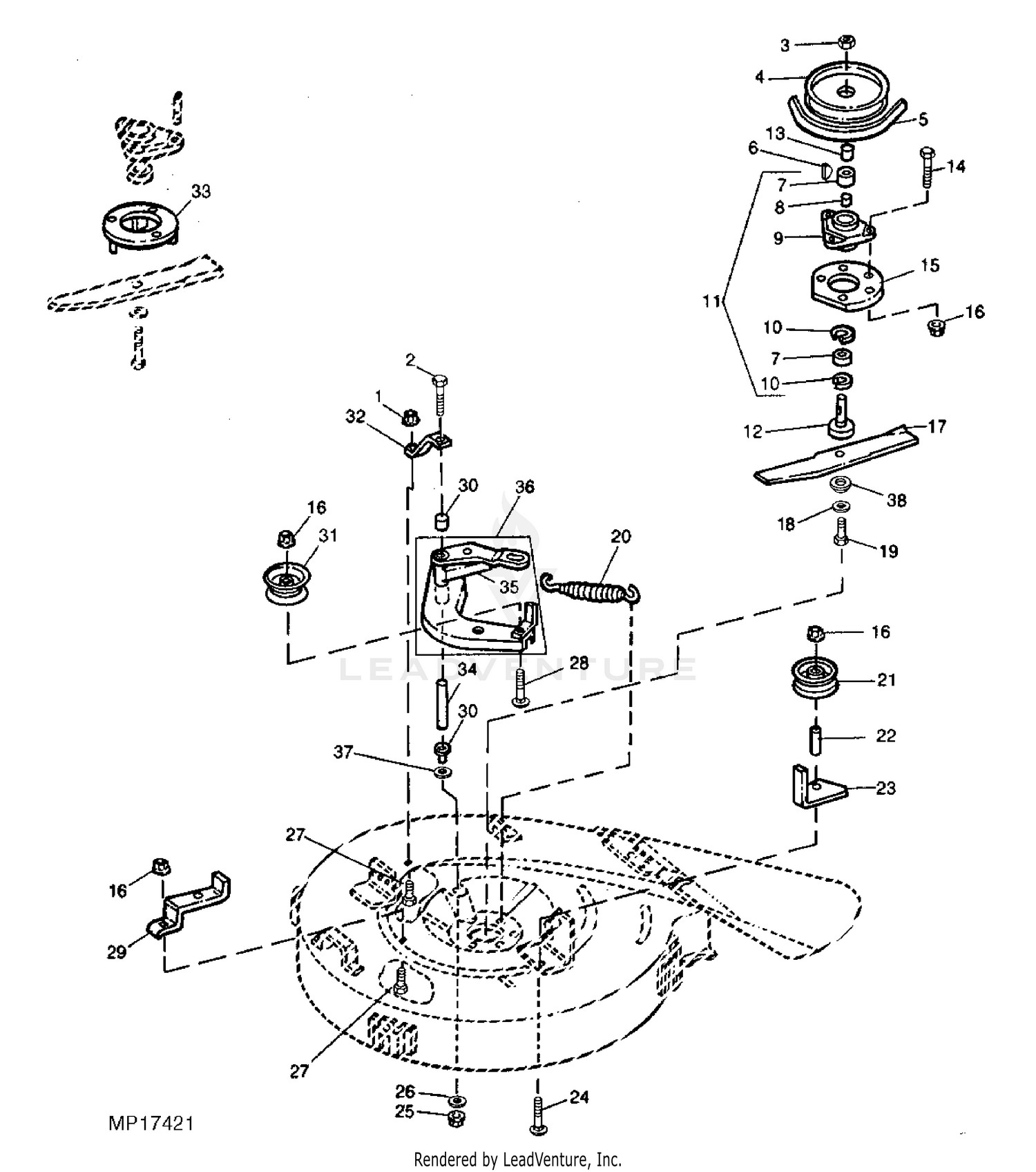
John Deere Parts Diagrams, John Deere SX85 Riding Mower -PC2579 1997 Model ... Mower Drive Belt,Sheaves,Spindle & Blades 30 INCH/762 MM: MOWER DECK · John ...

John deere sx85 belt diagram
Order lawn mower parts including lawn mower blades, filters, and belts. ... Search part numbers and John Deere parts diagrams to identify exactly what you ... Let's replace all the belts in my 1987 John Deere SX75 Lawn Tractor. 6,617 views6.6K views. May 19, 2020. ... Taryl goes to the dentist over a sore tooth before showing you how to change the deck and drive belts on a John Deere RX75 Riding Mower.
John deere sx85 belt diagram. John Deere SX85 Riding Mower Maintenance Guide & Parts List · Want to Sign Up for Maintenance Reminders? · Need a detailed diagram for your ? · Service Schedule ... John Deere Parts Lookup -John Deere-SX85 Riding Mower -PC2579 1997 Model M0SX85X085001-095000 SX85 Riding Mower -PC2579 1998 Model M0SX85X095001-105000 SX85 ... Order a belt here: https://amzn.to/2qSoeDzA detailed, step-by-step tutorial video showing you exactly how I changed my John Deere LA 105 ... Daryl F. Due to the employee strike at John Deere, we are not receiving estimated in stock dates for all parts and equipment.
... Taryl goes to the dentist over a sore tooth before showing you how to change the deck and drive belts on a John Deere RX75 Riding Mower. Let's replace all the belts in my 1987 John Deere SX75 Lawn Tractor. 6,617 views6.6K views. May 19, 2020. Order lawn mower parts including lawn mower blades, filters, and belts. ... Search part numbers and John Deere parts diagrams to identify exactly what you ...
John Deere Sx85 Riding Mower Pc2579 1997 Model M0sx85x085001 095000 Sx85 Riding Mower Pc2579 1998 Model M0sx85x095001 105000 Sx85 Riding Mower Pc2579 1999 Model M0sx85x105001 110000 Sx85 Riding Mower Pc2579 2000 Model M0sx85x110001 115000 Sx85 Riding
John Deere Gx85 Riding Mower Pc2579 1997 Model M0gx85x085001 095000 Gx85 Riding Mower Pc2579 1998 Model M0gx85x095001 105000 Gx85 Riding Mower Pc2579 1999 Model M0gx85x105001 120000 Gx85 Riding Mower Pc2579 2000 Model M0gx85x120001 130000 Gx85 Riding
John Deere Sx85 Riding Mower Pc2579 1997 Model M0sx85x085001 095000 Sx85 Riding Mower Pc2579 1998 Model M0sx85x095001 105000 Sx85 Riding Mower Pc2579 1999 Model M0sx85x105001 110000 Sx85 Riding Mower Pc2579 2000 Model M0sx85x110001 115000 Sx85 Riding

I Have A Deere Riding Mower Ltr166 Model One Of My Kids Ran Over Something And It Moved One Of The Blades So Now The
Mower Deck Drive Belt For Gx Rx Srx And Sx Series Riding Lawn Mowers Genuine Parts John Deere Products Johndeerestore

Amazon Com Caltric Deck Drive Belt Compatible With John Deere Srx75 Srx95 Sx75 Sx85 M112006 1 2 X 61 1 2 In Patio Lawn Garden
0 Response to "43 john deere sx85 belt diagram"
Post a Comment