44 audi a4 engine diagram
Audi A4 - Engine Diagram - does anyone know of a engien diagram for a S4 engine and a regular V6 30v engine. thanks. September 23, 2021 - TDIClub (tdiclub.com) forums - A VW TDI diesel discussion board. Sometimes called Fred's TDIPage with info on UPGRADES, PERFORMANCE, FUEL MILEAGE, and MAINTENANCE
This video demonstrates the Audi A4 Complete Wiring Diagrams and details of the wiring harness. Diagrams for the following systems are included : Radio Wiri...

Audi a4 engine diagram
Shop genuine 2007 Audi A4 Parts from your local dealership, because all the little things add up and small touches make large statements. Buy Audi A4 parts online at partsgeek. We offer new, OEM and aftermarket Audi auto parts and accessories at discount prices. Audi A4 (B8) Engine Guides. Maintain and improve your A4 (B8)'s engine with our library of repair how-to's engine diagnostics, and upgrade guides. Read about the differences between LS engines, check out our camshaft guide, learn how to install a supercharger kit, and more. Recommended Articles
Audi a4 engine diagram. 2.0l diesel engine , CAFA,CAGA,CAGB,CAGC,CAHA,CAHB,CMEA,CJCB From November 2007 Audi A4 Current Flow Diagram No. 63 / 1 11.2011 WI-XML Page 1 of 24 Audi Electrical system EWD,Engine,fuel injection engine,Body repair work,Fuses Audi Service Manual free download pdf. ... AUDI A4 2001 , AUDI A4 2008 , AUDI A4 2015 , ... WIRING DIAGRAMS Computer Engine Control 1991 Audi 100. 1991 Audi 100 Computer Engine Control. WIRING DIAGRAMS Fig. 3: Fuse/Rly Panel (Partial),Pwr Mir, A/C & Heat (Grid 8-11) ... Audi A4 Parts. There are three ways to find the exact Audi A4 parts you're looking for on eEuroparts.com®. First, you can use the search bar above to search by part number or keyword. If you don't know the Audi A4 part number, use the Vehicle Selector below the search bar to filter your results to only parts that fit your Audi A4. Wiring diagram ws= white sw = black ro = red br = brown gn = green bl = blue gr = grey li = lilac ge = yellow Ground connections or = orange rs = pink Audi A4 No. 2/3 T4k - 4-Pin Connector, black, near front bumper 3 - Ground strap, engine to body 12 - Ground connection, in engine compartment, left 44 - Ground connection (lower left A-pillar)
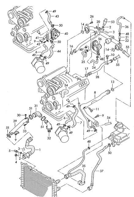
Description: Breather Hose – Audiforums regarding Audi A4 1.8 T Engine Diagram, image size 800 X 481 px, and to view image details please click the image.. Here is a picture gallery about audi a4 1.8 t engine diagram complete with the description of the image, please find the image you need. 17 Jul 2019 — Evening all, anyone know where a decent (read; easily understandable) engine bay diagram for the TDi might lie? 100% OEM Audi parts and accessories provided by a fully certified, friendly, and knowledgeable staff. The best prices and the rights parts, the first time. DISCOUNT OEM PARTS Audi A4 B5 (1995-1998) Wiring Diagrams. August 26, 2016 in Audi A4, Audi A4 B5 (1994 to 2001) by admin. Document Index. Diagram 1 - Starting and Charging Diagram 2 - M3.2 Motronic Fuel Injection System (1.6 and 1.8 models) Diagram 3 - Simos Fuel Injection System (1.6 models)
Free Repair Manuals & Wiring diagrams. Audi A4/S4 Repair and Service PDF Manuals. Audi 80 Audi 100 Audi 200 A1 A2 A3 A4 Model Overview. ... 2009 Audi A4 Cabriolet / S4 Cabriolet - PDF Owner's Manuals ... At the same time, the Audi C4 engine consumes 10.7 liters of fuel in the city and 6.6 liters on the highway. The car became 11% more ... Get the best deals on Engines & Components for 2007 for Audi A4 when you shop the largest online selection at eBay.com. Free shipping on many items | Browse your favorite brands | affordable prices. The VW and Audi T engine, due to the proximity of the coils on the valve cover near the exhaust, suffer from harness degredation. Our harness solution uses automotive grade wiring and harness building materials designed to withstand years of abuse and offer an affordable, elegant solution.5/5(3).Audi A4 (T) Engine Wiring Harness Diagram? 2008 Audi A4 Engine Diagram. and finally we upload it on our website. Many good image inspirations on our internet are the best image selection for 2008 Audi A4 Engine Diagram. . If you are happy with some pictures we provide, please visit us this site again, don't forget to share to social media you have. Please see more wiring amber you ...

Audi A3 Engine Wiring Diagram And Audi A Engine Diagram Getting Started Of Wiring Diagram Audi A3 Audi Diagram
March 31, 2019 - RepairPal is the leading provider of auto repair and maintenance information to consumers. Our RepairPal Certified shop network helps you find a repair shop you can trust, and our RepairPal Fair Price Estimator ensures you never pay more than you should. We also offer an extensive database ...
Car Truck Engines Components Audi Oem 04 08 A4 Quattro Engine Motor Mount Torque Strut 8e0199339 Car Truck Motor Mounts
The last generation brought a TDI engine, which revolutionized diesel technology with a lively performance and superb fuel economy. Both Audi 80 and A4 have two unique features that make them different from similar cars. One of them is the drivetrain layout, representing the arrangement of the engine and gearbox within the car itself.
- Earth point, in engine compartment, left 347 - Earth connection, in roof wiring harness A76 - Connection (diagnosis wire K), in dash panel wiring harness * - Only applies to models with anti-theft alarm system, as of model year 2003 no longer fitted (phased-in modification) Audi A4 Current Flow Diagram No. 6 / 5 WI -XML Page 7 of 27
The Audi A4 is a line of compact executive cars produced since 1994 by the German car manufacturer Audi, a subsidiary of the Volkswagen Group.. The A4 has been built in five generations and is based on the Volkswagen Group B platform.The first generation A4 succeeded the Audi 80.The automaker's internal numbering treats the A4 as a continuation of the Audi 80 lineage, with the initial A4 ...
Free battery installation & charging, check engine light scanning, starting system testing, & more! ... If you are looking for Audi A4 Quattro original or aftermarket Repair Manuals & Diagrams parts, but need something more specific, check out the categories below.
Audi A4 Manual Online: Engine Compartment Layout. Engine compartment layout Main components for checking and refilling . Fig. 252 Typical locations of fluid ...
A4 2.0T Specifications 12 Technical Specifications 2007 Audi A4 2.0T Sedan ENGINE: Type Inline 4-cylinder spark-ignition engine with gasoline direct injection, exhaust turbo-charger with intercooler, 4 valves/cylinder, DOHC Arrangement Front mounted, longitudinal Bore 3.25 in. 82.5 mm Stroke 3.65 in. 92.8 mm Displacement 121.06 cu. in. 1984 cc
In this video I'm taking a look at all the basic parts under the hood of my car. Their location, what are they called, what are they doing and what goes wher...
Audi A4 No. 2/1 Wiring diagram - VAGLinks.com. Engine Parts ,Quick Engine Parts is a partially free site and has been designed as a user friendly site

Audi A4 Wiring Diagram Pdf Diagram Diagramtemplate Diagramsample Electrical Wiring Diagram Trailer Wiring Diagram House Wiring
A poor running engine can be caused by a simple vacuum leak, and this article will help you track it down.
AUDI A4 B5 AVANT 1994-2001 Service Manual. 1994-2001 Audi A4 Avant, A4 (B5) Workshop Repair & Service Manual. Audi A4 B5 1994-2001 Factory Service Repair Manual Download Pdf. A4 B5 Repair Service Manual 1994-2001. 1994 Audi A4 S4 RS4 8D,8D2,8D5 SERVICE AND REPAIR MANUAL. 1994 Audi A4 (B5-8D) Service and repair Manual.

Audi A4 2000 2 7 Litre Motronic 280 Kw Bi Turbo Engine 6 Cylinder Engine Code Azr Wiring Diagrams Pin Connector Location Wiring Diagrams For Cars
Buy Audi A4 Complete Engines and get the best deals at the lowest prices on eBay! Great Savings & Free Delivery / Collection on many items
Parts Catalogue For Audi A4 B5 Saloon 8d2 Eu Spares. Audi A4 Service Repair Manuals Pdf Сar Manual Wiring. Audi Area A4 B5 Coolant Replacement. 2004 Audi A4 Engine Diagram Wiring. New Audi A4 B5 Wiring Diagram Pdf. Breather Hose Audiforums Com. Vw Passat Audi A4 Automotive Repair Manual. Superpro Tradeview Suspension Part Search.
Re: Audi 2.8 Engine diagram? Have you tried www.vagcat.com? It has a lot of illustrations. 1991 Coupe Quattro - Bought it back!! 2007 A6 4.2L - SOLD. 2001 Pelican A4 Avant - SOLD. 1996 A4 - SOLD. 04-10-2007 03:54 PM #5.

Audi A4 2002 Audi A4 1 8 L Fuel Injection Engine 110 Kw Motronic 5 Valve Turbo 4 Cylinder Engine Code Ark Wiring Diagrams Pin Connector Location Wiring Diagrams For Cars
Here is a picture gallery about audi a4 18 t engine diagram complete with the description of the image please find the image you need. Audi a4 coolant system diagram . Audi b6 a4 18t coolant flange replacement the coolant flange located at the rear of the audi 18t cylinder head is the source of several common coolant leaks.
The do-it-yourself Audi A4 2008-2015 (Typ 8K,8K2,8K5,8KH) owner will find this manual indispensable as a source of detailed maintenance and repair information. GENERAL Maintenance Vehicle… ... This is a complete Service Manual contains all necessary instructions needed for any repair your vehicle may require. ENGINE ...
March 15, 2018 - If you have an Audi A4, A5, Q5 or A6 with a 2.0t engine, we have put together a list of common issues to look out for.
For instance this factory manual is offered for A udi A4 B8 (Typ 8K; 2008-2016). If you have other model year, don't use this factory manual as technical jobs are different in other generations. Years covered by our website: Audi A4 B8 2008 repair manual. Audi A4 B8 2009 repair manual. Audi A4 B8 2010 repair manual. Audi A4 B8 2011 repair ...

1996 Audi A4 Quattro 2 8l Serpentine Belt Diagram Ricks Free Auto Repair Advice Ricks Free Auto Repair Advice Automotive Repair Tips And How To
May 6, 2020 - The first generation Audi A4 continues the traditions of the previous four generations of the Audi 80, and, like its predecessor, the design of the Audi A4 car consists of a longitudinally oriented engine in the front of the car and mounted to the rear of the transmission engine, again ...
Audi A4 Wiring Diagram. Document of wiring diagram appl for Audi A4 content: steering column electronic System s Control Module, Cruise Control, ignition/Starter switch, main fuse, the [COLOR=#FFA575 !important]Turn signal switch, control the Wiper/Washer switch, steering angle Sensor, signal horn activation, steering column systems [COLOR=#FFA575 !important]electronic Control[/COLOR] Module ...
Description. This is the original OEM service and workshop repair manual with the electrical wiring diagrams manual for the 2004-2008 Audi A4 and S4 Quattro (Type A4, S4, B6, B7, 8E, 8H), in a simple PDF file format. It is the same manual that your local Audi dealer mechanics use to diagnose and repair your car. File Format.
Audi A4. Audi A4, is a family of mid-range models produced under the brand name Audi.Internal designation of cars of this series is "type B". Audi 80 became the successor of the Audi F103 series, the models of which - Audi 60, 75, 80 and Super 90 - were designated by the number of horsepower. The name Audi 80 was used for the whole model range and in 1994 it was replaced by A4.
AUDI 100 Wiring Diagrams. Audi 100 Alternator, battery, starter Wiring Diagram. Audi 100 Ignition system, fuel pump relay Wiring Diagram. Audi 100 Stabilization of idling, oil pressure control Wiring Diagram. Audi 100 Radiator fan (operation after stopping the engine). Audi 100 Turn indicators, alarms, brake lights Wiring Diagram.
Buy Now! New Timing Belt and Component Kit from 1AAuto.com http://1aau.to/ia/GATBK00030 In this video, 1A Auto shows you how to remove, replace and install a...
February 21, 2020 - Audi A4 B7 2004 2005 2006 2007 2008 factory repair manual it is the only service manual who can really help you to maintain, repair and service your Audi A4 !!!
This time I'm having a look inside the engine bay of an Audi A4 B8, 2010 model. I'm naming components and pointing out the fitting locations of all basic par...
Description: Parts® | Audi Oil Pan, A6, Lower, From 4F-6-190001 – 3.2L (V6 for Audi A4 Engine Parts Diagram, image size 600 X 681 px, and to view image details please click the image.. Honestly, we have been remarked that audi a4 engine parts diagram is being one of the most popular subject right now. So we attempted to get some terrific audi a4 engine parts diagram image for you.

Audi A4 8w Full Wiring Diagrams 2015 2020 Auto Repair Software Auto Epc Software Auto Repair Manual Workshop Manual Service Manual Workshop Manual
Engine is using 1/2 qt of oil every 800mi, 1.8T '04 Cabriolet. Your mechanic is spot on. The A4's are notorious for turbo overheating and failure. The oil burn is coming in the TURBO itself and then being distributed to 2.3.4 as a side effect. Your not noticing blue smoke because your catalytic converter is doing its job and the minor smoke ...
Audi A4 S4 B6 B7 8E 8H 2004-2009 Repair Manual and Wiring Diagrams. A4 2004-2009 GENERAL INFORMATION Download. A4 2004-2009 MAINTENANCE Download. A4 2004-2009 ENGINE 1.8L (AMB) Download. A4 2004-2009 ENGINE 2.0L (BPG, BWT) Download. A4 2004-2009 ENGINE 3.0L (AVK, BGN) Download. A4 2004-2009 ENGINE 3.2L (BKH) Download.
Do you own Audi A4 1996? If so, here is a complete service/repair manual for Audi A4 1996. It contains detailed instructions and step by step diagrams for all workshop procedures. Everything you need to know about this car is in this manual. With this Audi A4 1996 repair manual, you can know how to keep your car run well.
Audi A4 S4 B6 B7 8E 8H 2004-2008 Repair Manual and Wiring Diagrams · ENGINE 1.8L (AMB) · ENGINE 2.0L (BPG, BWT) · ENGINE 3.0L (AVK, BGN) · ENGINE 3.2L (BKH) · ENGINE ...
Audi A4 (B8) Engine Guides. Maintain and improve your A4 (B8)'s engine with our library of repair how-to's engine diagnostics, and upgrade guides. Read about the differences between LS engines, check out our camshaft guide, learn how to install a supercharger kit, and more. Recommended Articles
Buy Audi A4 parts online at partsgeek. We offer new, OEM and aftermarket Audi auto parts and accessories at discount prices.
Shop genuine 2007 Audi A4 Parts from your local dealership, because all the little things add up and small touches make large statements.
0 Response to "44 audi a4 engine diagram"
Post a Comment