45 hyundai elantra wiring diagram
Hyundai - Elantra - Wiring Diagram - 1992 - 2004. 1999-05--Hyundai--Tiburon--4 Cylinders F 2.0L MFI DOHC--32630001. Hyundai - Auto - hyundai-genesis-2012-100647. Hyundai Genesis Sedan Workshop Manual (V8-4.6L (2011)) Hyundai Diesel Engine D4EA Workshop Manual PDF. Hyundai - Santa Fe - Workshop Manual - (2003) Hyundai Tucson Fwd Workshop Manual (L4-2.4L (2011)) Hyundai Accent … AUDI 100 Wiring Diagrams Audi 100 Alternator, battery, starter Wiring Diagram. Audi 100 Ignition system, fuel pump relay Wiring Diagram. Audi 100 Stabilization of idling, oil pressure control Wiring Diagram. Audi 100 Radiator fan (operation after stopping the engine). Audi 100 Turn indicators, alarms, brake lights Wiring Diagram.
Hyundai - Elantra - Wiring Diagram - 1992 - 2004. 1999-05--Hyundai--Tiburon--4 Cylinders F 2.0L MFI DOHC--32630001. Hyundai - Auto - hyundai-genesis-2012-100647. Hyundai Genesis Sedan Workshop Manual (V8-4.6L (2011)) Hyundai Diesel Engine D4EA Workshop Manual PDF. Hyundai - Santa Fe - Workshop Manual - (2003) Hyundai Tucson Fwd Workshop Manual (L4-2.4L (2011)) Hyundai …

Hyundai elantra wiring diagram
Hyundai Elantra is a compact car made by Hyundai, the South Korean company since 1990 sold all over the world. It has a compact body shape, and comes equipped with Mitsubishi's powerful Turbotrain engine. The Elantra was formerly marketed as the Lantra in Australia and some European markets, but Hyundai changed its name to Elantra due dispute with Mitsubishi Motors. For the 2013 year, a coupé ... TAHOE Air Conditioning Wiring Diagram. Some CHEVROLET TAHOE Wiring Diagrams are above the page. In 1992, General Motors introduced a new full-size SUV immediately under two brands: one was called GMC Yukon, and the variant under the Chevrolet brand received the already known name Blazer. However, in 1995, the model was renamed the Chevrolet Tahoe, then in addition to the three-door, a … I'm looking for a wire diagram of the Hyundai Elantra 2011 immobiliser system as I go to use the push button start no power will come up on the dash but my door locks will lock also I'm leaving also looking for the fault code for that car #235. Nicolas Estariss (Wednesday, 24 February 2021 10:24) Looking for toyota innova gas 2010 wiring diagram. thanks! #234. Sports and imports (Monday, 22 ...
Hyundai elantra wiring diagram. I'm looking for a wire diagram of the Hyundai Elantra 2011 immobiliser system as I go to use the push button start no power will come up on the dash but my door locks will lock also I'm leaving also looking for the fault code for that car #235. Nicolas Estariss (Wednesday, 24 February 2021 10:24) Hyundai Elantra Wiring Diagram. Power supply. Engine start circuit. а - with an automatic transmission; б - with a mechanical gear box; 1 - the block of the relay and safety locks in a motor compartment; 2 - the ignition switch; 3 - fuse of the engine start circuit and ignition coils; 4 - rechargeable battery; 5 - see pos. 9; 6 - the relay of a starter; 7 - connection with the "mass" of the ... The Hyundai Elantra is a decent car that gets better with every new generation. While the newest models have the best features, an older Elantra can also be a good buy with proper care and maintenance. The Elantra has an average resale value, and CarEdge.com reports that one in good condition will depreciate by 51% after five years.. Are Hyundai Elantras Reliable Cars? Hyundai Elantra Wiring Diagram. Power supply. Engine start circuit. а - with an automatic transmission; б - with a mechanical gear box; 1 - the block of the relay and safety locks in a motor compartment; 2 - the ignition switch; 3 - fuse of the engine start circuit and ignition coils; 4 - rechargeable battery; 5 - see pos. 9; 6 - the relay of a starter; 7 - connection with the "mass" of the ...
I'm looking for a wire diagram of the Hyundai Elantra 2011 immobiliser system as I go to use the push button start no power will come up on the dash but my door locks will lock also I'm leaving also looking for the fault code for that car #235. Nicolas Estariss (Wednesday, 24 February 2021 10:24) Looking for toyota innova gas 2010 wiring diagram. thanks! #234. Sports and imports (Monday, 22 ... TAHOE Air Conditioning Wiring Diagram. Some CHEVROLET TAHOE Wiring Diagrams are above the page. In 1992, General Motors introduced a new full-size SUV immediately under two brands: one was called GMC Yukon, and the variant under the Chevrolet brand received the already known name Blazer. However, in 1995, the model was renamed the Chevrolet Tahoe, then in addition to the three-door, a … Hyundai Elantra is a compact car made by Hyundai, the South Korean company since 1990 sold all over the world. It has a compact body shape, and comes equipped with Mitsubishi's powerful Turbotrain engine. The Elantra was formerly marketed as the Lantra in Australia and some European markets, but Hyundai changed its name to Elantra due dispute with Mitsubishi Motors. For the 2013 year, a coupé ...
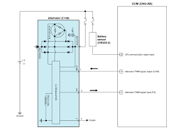
Hyundai Elantra: Ignition Coil. Schematic Diagrams - Ignition System - Engine Electrical System - Hyundai Elantra MD 2010-2015 Service manual
























0 Response to "45 hyundai elantra wiring diagram"
Post a Comment