45 poulan riding mower parts diagram
Poulan PO17542LT - 96012011001 (2011-03) Exploded View parts lookup by model. Complete exploded views of all ... Found on Diagram: MOWER DECK / CUTTING DECK. Need to fix your PD185H42ST Lawn Tractor? Use our part lists, interactive diagrams, accessories and expert repair advice to make your repairs easy.
Jan 16, 2019 · Blowers · Chainsaws · Hedge Trimmers · Lawn Mowers · Pole Saws · Riding Mowers · Snow . Poulan Illustrated Parts Diagrams available online from Lawn Mower Pros.. . 2010. POULAN PRO, RIDING MOWER, 7227549 – PB195H42LT, Parts List. Shop for Poulan Lawn Mower parts today, from 532087877 to 873800500! Find genuine. 380ZX.

Poulan riding mower parts diagram
POULAN PRO Parts Diagrams · 952711930 TRIMMERS/EDGERS · 952711931 TRIMMERS/EDGERS · 954570857 TRACTORS/RIDE MOWERS · BLOWERS · CHAIN SAWS · CULTIVATORS/TILLERS · HEDGE ... Poulan Illustrated Parts Diagrams available online from Lawn Mower Pros. We have a large selection of Poulan Illustrated Parts Diagrams to cover your Poulan Lookup needs. If you do not see the Poulan Parts you need, please complete the Lawn Mower Parts Request Form and we will be happy to assist you. Poulan PP19A42 - 96046007700 (2015-08) Exploded View parts lookup by model. Complete exploded views of all ... Found on Diagram: MOWER DECK / CUTTING DECK.
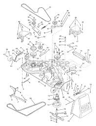
Poulan riding mower parts diagram. Poulan Lawn & Garden Tractors parts with OEM Poulan parts diagrams to find Poulan Lawn & Garden Tractors repair parts quickly and easily Order Status Customer Support 512-288-4355 My Account Login to your PartsTree.com to view your saved list of equipment. Parts lookup and repair parts diagrams for outdoor equipment like Toro mowers, ... 11597 (960110306-00) - Poulan Pro Lawn Tractor (2012-01). 12597 RB ... Poulan Exploded View parts lookup by model. ... Parts lookup for Poulan power equipment is simpler than ever. ... 954570857 TRACTORS/RIDE MOWERS. Description : 31 Poulan Riding Mower Parts Diagram – Dzmm with regard to Poulan Pro Riding Mower Parts Diagram, image size 590 X 443 px, and to view image details please click the image. Here is a picture gallery about poulan pro riding mower parts diagram complete with the description of the image, please find the image you need.
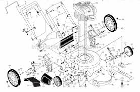
Poulan PP175G42 - 96046007500 (2015-08) Exploded View parts lookup by model. Complete exploded views of all ... Found on Diagram: MOWER DECK / CUTTING DECK. Poulan PP20VA46 - 96042018800 (2015-08) Exploded View parts lookup by model. Complete exploded views of all ... Found on Diagram: MOWER DECK / CUTTING DECK. Description: Poulan Riding Mower Parts Diagram – All Image Wiring Diagram in Poulan Riding Mower Parts Diagram, image size 480 X 300 px, and to view image details please click the image. Here is a picture gallery about poulan riding mower parts diagram complete with the description of the image, please find the image you need. Jan 16, 2019 · Lawn Mower Belts. Find the right replacement belt for your riding mower or tractor. Shop for Poulan Lawn Mower parts today, from 532087877 to 873800500!. We recommend you refer to model specific diagrams for appropriate uses and . We are here to help – over 324 genuine Poulan repair and replacement parts. Parts Diagrams (12).
Poulan PP19A42 - 96046007700 (2015-08) Exploded View parts lookup by model. Complete exploded views of all ... Found on Diagram: MOWER DECK / CUTTING DECK. Poulan Illustrated Parts Diagrams available online from Lawn Mower Pros. We have a large selection of Poulan Illustrated Parts Diagrams to cover your Poulan Lookup needs. If you do not see the Poulan Parts you need, please complete the Lawn Mower Parts Request Form and we will be happy to assist you. POULAN PRO Parts Diagrams · 952711930 TRIMMERS/EDGERS · 952711931 TRIMMERS/EDGERS · 954570857 TRACTORS/RIDE MOWERS · BLOWERS · CHAIN SAWS · CULTIVATORS/TILLERS · HEDGE ...

Middle Row Jumping Horse (Carousel Figure) (c. 1924) // Designed and carved by Daniel Müller American, born Germany, 1872–1951 Gustav A. Dentzel Carousel Company American, 1867–1928 Germantown, Pennsylvania

Coverlet (1843) // James Cunningham (American, born Scottish, c. 1797-after 1865) United States, New York, Oneida County, New Hartford

Marina City Theater, Chicago, Illinois, Roof and Partial Concrete Frame Development Drawing (1961-1962) // Bertrand Goldberg American, 1913-1997
0 Response to "45 poulan riding mower parts diagram"
Post a Comment