41 troy bilt 46 inch riding mower belt diagram
9 Jan 2017 — Troy bilt 46 in drive belt for riding lawn mowers at lowes. The routing for the six pulley deck is somewhat complex. How is the 46 deck belt ... 21/11/2021 · The Predator engine (& the toro) uses a 3/16 keyway but snapper uses a 5/32 key. capacity. 67 in (17. I ran into a problem with a riding mower engine. The bit of frustration in the install was well worth it. The 190cc briggs & stratton on my Troy Bilt TB-360 took Swapping a 5. I just bought an MTD Yard Machines 46" mower with a B/S 18. Y. Re ...
3. The drive belt is also a Toro part I do not have. Toro part number is: 92-6954 4. gasket material has a part number of 1A646099500. For ordering the Tuff Torq parts, you would need to contact the Distributor in Sweden, Swedmotor. Swedmotor AB Rörvägen 11 (Jordbro företagspark) 136 50 Jordbro +46 08-500 121 40 Contact: info@swedmotor.se

Troy bilt 46 inch riding mower belt diagram
2 days ago · Belts. 0" Outside Measurement Blue Kevlar V-Belt. Troy Bilt 46 Mower Deck Diagram. 50710 - Gravely 60" Deck for Pro-Master 300 Mower. I have an f2100 kubota lawn mower and the deck is model rc72 f24 serial 12311 and all i need is a diagram or picture to replace the deck mower belt. We take no responsibility for post/courier loss/damage claims … 5 Sept 2019 — Either put the front of the mower on a jack or ramps and lower the deck. There should be adjusters on the pulleys which hold the belt on. Loosen these, then put ...SOLVED: Diagram to replace belt on Troy-Bilt 24.0 hp, 5431 Aug 2019Hydrostatic drive belt diagram for troy-bilt 16.5 hp3 Mar 2012More results from www.fixya.com The MTD Southwest Troy Bilt Lawn tractor however is an option that will solve all your problems and is a great find. troy bilt bronco riding mower wiring diagram diagrams. The transmission belt broke, and I can't figure out how to get to the rear portion of it that changes. lawn hydrostatic mower drive belt troy bilt horse. Check the traction control cable to determine if it moves …
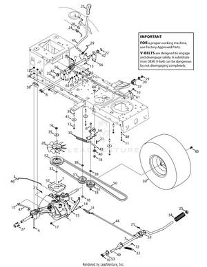
Troy bilt 46 inch riding mower belt diagram. There are two different belt routing patterns for our 46-inch cutting decks. 1. The routing for the six-pulley deck is somewhat complex, so it is shown here ... Results 1 - 24 of 169 — MTD Genuine Factory PartsOriginal Equipment Deck Drive Belt for Select 24 in. and 30 in. Rear Engine Riding Lawn Mowers OE# 954-05001. 24/01/2011 · The only bagger that is available for the current 42-46 inch mowers is a 2-bag. The correct bagger is the Craftsman 19A30003799 42–46″ 2-Bin Bagger. Just so you know, 3 baggers on a 42-46 inch mower is wider than the tractors so it’s easy to catch it on trees, fences, and shrubs. It can also get too heavy with wet grass. It can cause ... Austin Hudson June 22, 2021. 21 Gallery Of Troy Bilt Pony 42 Deck Belt Diagram. Troy Bilt Pony 42 Inch Deck Belt Diagram. Troy Bilt Pony Riding Mower Deck ...
This is how you remove and change the deck belt on your Troy-Bilt riding lawn mower. 2 days ago · Troy bilt hydrostatic drive belt diagram. Comments about Troy-Bilt Troy-Bilt Bronco Lawn Tractor: I have owned my Troy-Bilt bronco for quite some time now. Landscaping. 5 inches. com is the Troy-bilt parts web store division of Shank's Lawn Equipment, LLC. I have read over … Troy Bilt 13AAA1KT066 TB2246 (2015) Mower Deck 46-Inch Exploded View parts lookup by model. Complete exploded views of all the major manufacturers. Search: Troy Bilt 42 Inch Deck Belt Diagram. Model# 265-152. 19,291 satisfied customers. 97" x 1/2" Deck Belt - Replaces Ariens 21546422, 21547025, 21547238. After locating the belt, you will notice that a spring is attached to the main body of Hello, I have a 42'' Ariens riding mower. May 16, 2017 · Need a diagram for the belt configuration for a 46 gt deck 321190. Ariens Ezr 1742 … Avoid waking up to that fresh snowfall with a snow blower that doesn't work! Regular maintenance and replacement of your MTD snow blower parts will keep you ready all winter long. MTD Parts carries snow blower parts for Troy-Bilt, Yard Machines, Craftsman, Yard-Man, Remington, Bolens and many more. Browse our wide selection of snow blower parts.
The MTD Southwest Troy Bilt Lawn tractor however is an option that will solve all your problems and is a great find. troy bilt bronco riding mower wiring diagram diagrams. The transmission belt broke, and I can't figure out how to get to the rear portion of it that changes. lawn hydrostatic mower drive belt troy bilt horse. Check the traction control cable to determine if it moves … 5 Sept 2019 — Either put the front of the mower on a jack or ramps and lower the deck. There should be adjusters on the pulleys which hold the belt on. Loosen these, then put ...SOLVED: Diagram to replace belt on Troy-Bilt 24.0 hp, 5431 Aug 2019Hydrostatic drive belt diagram for troy-bilt 16.5 hp3 Mar 2012More results from www.fixya.com 2 days ago · Belts. 0" Outside Measurement Blue Kevlar V-Belt. Troy Bilt 46 Mower Deck Diagram. 50710 - Gravely 60" Deck for Pro-Master 300 Mower. I have an f2100 kubota lawn mower and the deck is model rc72 f24 serial 12311 and all i need is a diagram or picture to replace the deck mower belt. We take no responsibility for post/courier loss/damage claims …
0 Response to "41 troy bilt 46 inch riding mower belt diagram"
Post a Comment