43 kawasaki mule 610 parts diagram
Kawasaki Mule Parts, Kawasaki side by side parts, Transport Parts, 620 Mule parts, 610 Mule Parts, KAF 620 Parts Kawasaki Mule OEM Parts Kawasaki Teryx OEM Parts: Teryx 4 750 4x4 EPS, Teryx 4 750 4x4 EPS LE, Teryx 750 FI 4x4, Teryx 750 FI 4x4 LE, Teryx 750 FI 4x4 Sport
1-48 of over 1,000 results for "kawasaki mule 610 parts" Dot Weld Offroad 04-16 Kawasaki 600,610,XC Mule Clear Folding Fold Up Front Windshield.A Full 1/4" Thick! 4.4 out of 5 stars 170
Total Power Parts 410-52101 Starter Compatible With/Replacement For Kawasaki KAF400 Mule 2005-2016, KAF400 Mule 610 4x4 2005-2016, KAF400 Mule 610 4x4 Hardwoods 2006-2009 AM134946, MIA11410. $73.53.

Kawasaki mule 610 parts diagram
Description : Kawasaki Mule 610 Wiring Diagram | Boulderrail regarding Kawasaki Mule 610 Wiring Diagram, image size 771 X 567 px, and to view image details please click the image. Here is a picture gallery about kawasaki mule 610 wiring diagram complete with the description of the image, please find the image you need.
2005 KAWASAKI KAF400 MULE 610 4X4 Parts | OEM UTV Parts. Catalog. Kawasaki. Side By Side. Models With No Year. Mule 610 4x4 - KAF400-A1.
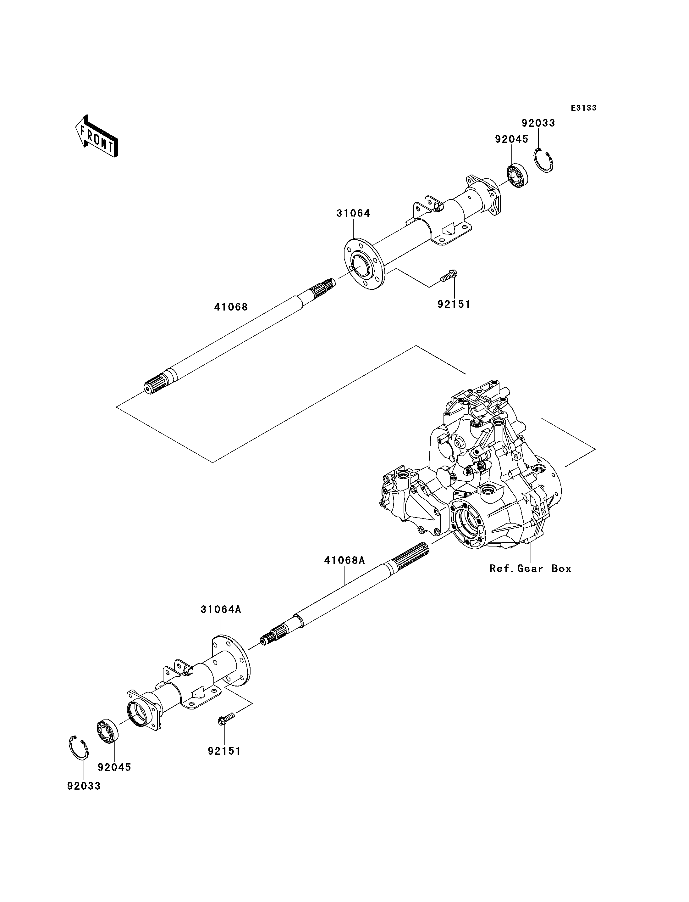
mule 610 4x4 parts list fuel pump item name part number quantity bolt-flanged,8x16 (ref # 130) 130b0816 1 bolt-flanged,6x14 (ref # 130a) 130g0614 1
Kawasaki mule 610 parts diagram.
Read PDF Kawasaki 610 Mule Electrical Diagram KAWASAKI MULE 610 4×4 SERVICE MAN… Buy products related to UTV Tire and Wheels Kits, UTV Accessories & Parts at UTVDirect. We offer the best deals in UTV parts online. … Part Finder - Kawasaki - 2012 - KVF650 4X… View and Download Kawasaki MULE 610 4×4 service manual online.
Locate a dealer to buy Kawasaki Genuine Parts, or find parts diagrams for any Kawasaki motorcycle, ATV, side x side or personal watercraft. Search parts now.
1 dag geleden · My kaf620 a2 mule 2510 4x4 wiring diagrams kawasaki ignition wire ing diagram chassis electrical equipment 610 kaf400 a1 parts and oem switch forums invader snowmobile 4 service manual xc
Navigate your 2007 Kawasaki MULE 610 4X4 KAF400-A1 SWINGARM schematics below to shop OEM parts by detailed schematic diagrams offered for every assembly on your machine. OEM is an acronym for original equipment manufacturer, which means that the 2007 Kawasaki MULE 610 4X4 KAF400-A1 SWINGARM OEM parts offered at BikeBandit.com are genuine ...
Description: 2014 Kawasaki Mule 610 4X4 Af400Aef Carburetor Parts - Best Oem inside Kawasaki Mule 610 Parts Diagram, image size 639 X 783 px, and to view image details please click the image.. Here is a picture gallery about kawasaki mule 610 parts diagram complete with the description of the image, please find the image you need.
Navigate your 2013 Kawasaki MULE 610 4X4 KAF400ADF schematics below to shop OEM parts by detailed schematic diagrams offered for every assembly on your machine. OEM is an acronym for original equipment manufacturer, which means that the 2013 Kawasaki MULE 610 4X4 KAF400ADF OEM parts offered at BikeBandit.com are genuine Kawasaki parts.
MULE 610 4X4 (KAF400A6F) MULE 610 4X4 (KAF400A7F) MULE 610 4X4 (KAF400C6F) MULE 610 4X4 (KAF400C7F) WE KNOW TIME IS IMPORTANT. GenuineKawasakiParts.com is an authorized Kawasaki parts and accessories re-seller. While we keep thousands of parts on-hand at our warehouse, there are over thousands more that we offer. ...
View and Download Kawasaki MULE 610 4×4 service manual online. MULE 610 4×4 utility vehicle pdf manual download. Also for: Mule 610 4x4, Mule 600. 2 days ago · My kaf620 a2 mule 2510 4x4 wiring diagrams kawasaki ignition wire ing diagram chassis electrical equipment 610 kaf400 a1 parts and oem switch forums invader snowmobile 4 service manual xc
Title: 0 Mule 610 4x4 Guards/Cab Frame Parts Diagram Author: Kawasaki Motors Corporation U.S.A. Subject: Vehicle Parts Diagram
Kawasaki Kaf620-C1 Parts List And Diagram : Ereplacementparts for Kawasaki Mule 610 Wiring Diagram by admin From the thousand images on-line regarding kawasaki mule 610 wiring diagram, choices the very best series using greatest resolution just for you all, and this photos is actually one among photos selections within our very best graphics gallery about Kawasaki Mule 610 Wiring Diagram.
Navigate your 2016 Kawasaki Mule 610 4x4 schematics below to shop OEM parts by detailed schematic diagrams offered for every assembly on your machine. OEM is an acronym for original equipment manufacturer, which means that the 2016 Kawasaki Mule 610 4x4 OEM parts offered at BikeBandit.com are genuine Kawasaki parts.
Kawasaki Mule 610 Specs. Engine: The 610 uses a four-stroke, air-cooled single-cylinder OHV engine. It has a bore-stroke ratio of 82 x 76 mm (3.23 x 2.99 inches). The engine's displacement is 401 cm3, and its compression ratio is 8.6:1. A NIKKI 6C1026 carburetor delivers fuel.
Navigate your 2007 Kawasaki MULE 610 4X4 KAF400A schematics below to shop OEM parts by detailed schematic diagrams offered for every assembly on your machine. OEM is an acronym for original equipment manufacturer, which means that the 2007 Kawasaki MULE 610 4X4 KAF400A OEM parts offered at BikeBandit.com are genuine Kawasaki parts.
Title: 2011 MULE™ 610 4x4 Optional Parts(Engine) Parts Diagram Author: Kawasaki Motors Corporation U.S.A. Subject: Vehicle Parts Diagram
1-48 of over 4,000 results for "kawasaki 610 mule parts" Kawasaki Mule 600/610 / SX NEW Exhaust/Muffler - Replaces 18091-0235 & 18091-0487 w/Gasket. 4.7 out of 5 stars 84. $175.00 $ 175. 00. Get it as soon as Fri, Dec 10. FREE Shipping. Dot Weld Offroad 04-16 Kawasaki 600,610,XC Mule Clear Folding Fold Up Front Windshield.A Full 1/4" Thick!
2010 Kawasaki Mule 610 Parts. KAF400AAF. MULE 610 4X4 Red/Blue. KAF400CAF. MULE 610 4X4 Camo. KAF400DAF. MULE 610 4X4 XC.
Kawasaki Mule 610 4x4 Utility ATV OEM parts returns are subject to a 20% restocking fee plus shipping charges. No returns on Kawasaki Mule 610 4x4 Utility ATV electrical OEM parts. Kawasaki Mule 610 4x4 Utility ATV parts returns must have a RA# and be made within 15 days of receipt of order. For additional return policy info click here.
Kawasaki Mule 610 4x4 - KAF400ABF. Carburetor. Diagram. Enter your email and password to sign in to account. Forgot your password? New customer? Creating an account is fast. Create a new account by completing the form below. All form fields are required.
2014 mule™ 610 4x4 parts list guards/cab frame item name part number quantity bolt-flanged,6x12 (ref # 130) 130ba0612 14 bolt-flanged,10x16 (ref # 130a) 130ba1016 8 bolt-flanged,10x20 (ref # 130b) 130ba1020 2
Navigate your 2007 Kawasaki MULE 610 4X4 KAF400-A1 TAILLIGHT(S) schematics below to shop OEM parts by detailed schematic diagrams offered for every assembly on your machine. OEM is an acronym for original equipment manufacturer, which means that the 2007 Kawasaki MULE 610 4X4 KAF400-A1 TAILLIGHT(S) OEM parts offered at BikeBandit.com are ...
Buy OEM Parts for Kawasaki Side by Side 2016 Fuel Evaporative System Diagram . Chat Now Honda Yamaha Kawasaki Polaris Suzuki Can-Am Ski-Doo Sea ... Kawasaki Mule 610 4x4 - KAF400AGF Fuel Evaporative System Diagram. Catalog; Kawasaki;
A Kawasaki Mule 610 will get you wherever you need to go as long as you do your part and keep up with it. It doesn't make a lot of demands: change the oil, keep up with the brakes, and make a few repairs. When the time comes to service your UTV, Partzilla.com has the 2008 Kawasaki Mule 610 parts you need for year after year on the trail.
Access Free Kawasaki Mule 610 Fuse Box Kawasaki mule overheating problems Kawasaki mule issues Lookup box; Close. Idioms and phrases. The Free Dictionary's Idioms dictionary is the largest collection of English idioms and slang in the world. It contains more than 60,000 entries from several of the most trusted names in publishing.
0 Response to "43 kawasaki mule 610 parts diagram"
Post a Comment