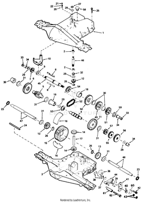
44 peerless transaxle parts diagram
The transaxle is very similar to the 920 series except for the differential and shifter/brake shaft. I. The MST Series, (Manual Shift Transaxle) 200 is a sealed unit which uses 16 oz. of 80W90 gear lube (part #730229A). The MST series is available with up to 6 speeds forward and one reverse. PEERLESS TRANSAXLE MODEL 801C diagram and repair parts lookup for Toro 57360 (11-32) - Toro Lawn Tractor (SN: 004000001 - 004999999) (1984) Order Status Customer Support 512-288-4355 My Account Login to your PartsTree.com to view your saved list of equipment.
Peerless 930-011 engine & drivetrain parts - manufacturer-approved parts for a proper fit every time! We also have installation guides, diagrams and manuals to help you along the way!

Peerless transaxle parts diagram
Look at the diagram and find parts that fit a Peerless 801-030C Gearbox , or refer to the list below. All parts that fit a 801-030C Gearbox . Select Page Gearbox # Part Price 1: 772082A - Peerless Cover: £162.84: To Basket: 2: 780122 - Peerless Needle Bearing: £44.56: To Basket: 3: 770071B - Peerless Case: £173.04 ... Peerless product parts Your garden tractor is a complex piece of machinery with a lot of small moving parts that can become worn down or damaged from regular use. When the transaxle slips or doesn't drive the wheels at all, you may need to replace parts. The transaxle typically has a transport rod that you can pull so 1 - - - - - - - Transaxle Peerless Model 206-545C (Order parts from transaxle manufac-turer) 2 146682 Spring Return Brake 3 123666X Pulley Transaxle 18"tires 4 12000028 Ring Retainer # 5100-62 5 121520X Strap Torque 30 Degrees RH 6 17060512 Screw 5/16-18 x 3/4 8 192706 Rod Shifter Blk 10 76020416 Pin Cotter 1/8 x 1 Cad ...
Peerless transaxle parts diagram. Tecumseh Transaxle parts that fit, straight from the manufacturer. Use our interactive diagrams, accessories, and expert repair help to fix your Tecumseh Transaxle . 877-346-4814. Departments Accessories Appliance Parts Exercise ... Peerless Gear is located in Salem, Indiana, USA and has been operating for over 75 years. We design, manufacture, and sell drivetrain units worldwide for commercial, agricultural, industrial, recreational, and residential industries. Service parts and replacement product for end users are supplied by our global service dealers and central ... peerless® gear your transmission solution made in the usa since 1945 1555 south jackson street salem, indiana 47167 peerless motion drive systems. index unit identification 2 500 series transmission 3 600 series transaxle 4 700 series transmission 5 700h series transmission 6 ... are replaced in this unit the new parts are, a fully splined ... 3. Feb 20, 2018. #1. I own a Murray lawn tractor with a Peerless Tecumseh Transaxle Model #MST-206-502C. I removed it from the chassis in order to change the fluid. It had become hard to shift and the mower was slower than it was a few years ago.
Read Peerless 2300 Transaxle Parts Diagram PDF on our digital library. You can read Peerless 2300 Transaxle Parts Diagram PDF direct on your mobile phones or PC. As per our directory, this eBook is listed as P2TPDPDF-121, actually introduced on 6 Jan, 2021 and then take about 1,947 KB data size. https://www.messicks.com Parts Hotline: 877-260-3528 1693452 - Express, 14.5HP Gear VENDOR: Simplicity SECTION: figure listing DIAGRAM: service parts - peerless mst 205-515a transaxle Step 3: Finding your Parts from the Peerless PDF Parts List Once you have extracted the numbers from your sticker you should have the following information: Model Number - For example: 205-026c or 801-030c The most important of all of the numbers is the 6 digit number above. Peerless Transaxle Width 29 1/4" Wt. 40 Lbs: TEC794324: NLA: NLA: no picture available: 800-813F 794272A: Peerless Transaxle Width 28 1/2" Wt. 39 Lbs: TEC794272A: NO LONGER AVAILABLE: 900-032 794495: Peerless Transaxle Width 27 3/4" Wt. 30 Lbs: TEC794495: NLA: NLA: no picture available: MST 930-012: NEW TECUMSEH PEERLESS TRANSMISSION ...
Peerless Transaxle Model 2600-008 diagram and repair parts lookup for Simplicity 1691018 - Simplicity Sunstar Garden Tractor, 20hp Order Status Customer Support 512-288-4355 My Account Login to your PartsTree.com to view your saved list of equipment. has many of the time tested parts previously used in the 900 and MST models. The following steps will review the disassembly/ assembly procedures and any areas that may need inspection. Disassembly of Transaxle disconnect arm inspect collar for wear 1. With the Pump/Motor module removed, remove the brake assembly and inspect the pads for ... This series of 900 transaxle offers 3 to 7 speeds forward and 1 reverse. H. 930 Series. This unit has 3 to 7 speeds for ward and 1 reverse. The transaxle is very similar to the 920 series except for the dif ferential and shifter/brake shaft. I. The MST Series, (Manual Shift Transaxle) 200 is a sealed unit which uses 16 oz. of 80W90 gear lube ... Simplicity 1691928 - SunStar/GTH 20HP, Hydro Peerless Transaxle Model 2600-008 Exploded View parts lookup by model. Complete exploded views of all the major manufacturers. It is EASY and FREE
Peerless replacement parts available through Sears PartsDirect. Sears PartsDirect has easy-to-read illustrated diagrams to quickly identify the part you need. We only offer manufacturer-approved replacement parts, so you can rest assured in knowing the part will fit your model.
The term transaxle is a combination transmission and differential in one case. Tecumseh transmissions and transaxles are manufactured in many different gear ratio combinations from one to seven forward speeds with one reverse. 600 Series The 600 series is a lightweight transaxle used in riding mowers or similar applications. The 600
Peerless Mechanics Manual - iSaveTractors
Peerless www.mymowerparts.com For Tecumseh Peerless Transmission Transaxle Parts Call 606-678-9623 or 606-561-4983. 1000-1000-081 Page 2 of 2 Peerless Ref # Part Number Qty Description 1 772067 1 Right Angle Drive Head Cover ... Diagram(s) and/or PartsList(s) Author: Owner
Tecumseh peerless transaxle 2300 series repair If you ever need to see an Exploded View or Parts Manual, - Transmission, Notify me of updates to TECUMSEH PEERLESS TRANSAXLE 2300 SERIES REPAIR MANUAL: Peerless hydrostatic transaxle rebuild | tricia 5 speed peerless transmission diagram: peer pressure black kids tecumseh peerless transaxle australia.
Parts for Husqvarna YTH2448: Peerless Transaxle-2000-006A Parts in stock and ready to ship today. 365 days to return any part.
https://www.messicks.com Parts Hotline: 877-260-3528 1692287 - Broadmoor, 15HP Gear VENDOR: Simplicity SECTION: figure listing DIAGRAM: gear transaxle service parts - peerless transaxle model 801-059
Tecumseh parts for small engines and Peerless transmissions. Tecumseh is one of the oldest and best known small engine brands anywhere. Together with their Peerless transmission and transaxle division, Tecumseh is a leader in the lawn mower, tractor and snow blower industry.
6 SPEED TRANSAXLE LAWN TRACTOR Model No. 917.272057 • Safety • Assembly • Operation • Maintenance • Repair Parts---_ Thisdifferently productfromhaspreviouslya low emissionbuilt engines,engine whichBeforeoperatesyou start the engine, read and understand this Owner's Manual, CAUTION: Read and follow all Safety Rules and Instructions before
Poulan PP1338 Tractor Peerless Transaxle Exploded View parts lookup by model. Complete exploded views of all the major manufacturers. It is EASY and FREE
Peerless 206-545C Transaxle Peerless MST-206-545C Craftsman LT10Transmission Transaxle LT2000. PEERLESS TRANSAXLE Diagram Parts List for Model 206545c. Peerless Gearbox Spares is the UK s largest parts dealer for Peerless gearboxes. This transaxle replaces the Peerless MST 206-50 -508A -508B, the 920-00 930-0-055A.
1 - - - - - - - Transaxle Peerless Model 206-545C (Order parts from transaxle manufac-turer) 2 146682 Spring Return Brake 3 123666X Pulley Transaxle 18"tires 4 12000028 Ring Retainer # 5100-62 5 121520X Strap Torque 30 Degrees RH 6 17060512 Screw 5/16-18 x 3/4 8 192706 Rod Shifter Blk 10 76020416 Pin Cotter 1/8 x 1 Cad ...
Peerless product parts Your garden tractor is a complex piece of machinery with a lot of small moving parts that can become worn down or damaged from regular use. When the transaxle slips or doesn't drive the wheels at all, you may need to replace parts. The transaxle typically has a transport rod that you can pull so
Look at the diagram and find parts that fit a Peerless 801-030C Gearbox , or refer to the list below. All parts that fit a 801-030C Gearbox . Select Page Gearbox # Part Price 1: 772082A - Peerless Cover: £162.84: To Basket: 2: 780122 - Peerless Needle Bearing: £44.56: To Basket: 3: 770071B - Peerless Case: £173.04 ...
0 Response to "44 peerless transaxle parts diagram"
Post a Comment