Iklan 300x250

44 rv ac wiring diagram

Hi folks of Reddit There's a lot of questions about electric car chargers for home use - what level do I need, how expensive will it be, do I need 1.22 jigawatts if I want to do it? In this post, I'll explain the basics. This is targeted towards the typical homeowner who is considering purchasing an EV, or already has one but wants better charging. This is US-specific. As a disclaimer, you can hire an electrician for this, or if you DIY, make sure you follow local code and get it properly perm...

Jun 23, 2021 · As stated previous, the traces in a Coleman Rv Air Conditioner Wiring Diagram represents wires. Occasionally, the wires will cross. However, it doesn’t imply link between the cables. Injunction of two wires is usually indicated by black dot at the intersection of two lines. There’ll be principal lines that are represented by L1, L2, L3, and so on.

This started when my thermostat called for heat all I heard was a slight click from the control board. Blower motor would not start for the purge cycle. I pulled the unit and connected to power outside the RV. When I touched the thermostat wires together I simulated the same condition as in the RV. I checked for power to the motor and there was no power. Sail switch was checked, no debris and my meter indicated it was opening and closing easily. Assumed then the control board was bad and ordered...

Rv ac wiring diagram

Rv ac wiring diagram

I have a base model 2000 E250 5.4L cargo van, I believe the stock alternator is 130-140A. I use it for camping, and picking up dockless scooters to charge in the van as a side gig. I want to be able to draw 30A of AC power from a battery bank for up to 2 hours straight per day. I want to be able to plug in a 30A RV plug and charge my battery bank and run my AC outlets inside at the same time. I want my alternator to charge this battery bank while the van is running and not drain the starter batt...

**Verified?** *(This bot cannot verify AMAs just yet)* **Date:** 2013-03-23 **[Link to submission](http://www.reddit.com/r/IAmA/comments/1auyyf/)** (*Has self-text*) **[Link to my post](http://www.reddit.com/r/IAmA/comments/1auyyf/tabledresser/c91amku)** Questions|Answers :--|:-- [Hey mate, why are most arrays wired up in series as opposed to parallel? Is it purely cost or is there something I'm not getting?](http://www.reddit.com/r/IAmA/comments/1auyyf/i_am_a_professional_photovoltaic_sol...

Looking to get started on a new project. What I am trying to do is integrate 3 separate Pi zeros into my RVs HVAC system to allow remote control and automation. I expected it to be easy and straight forward until I found out the HVACs are controlled by their own thermostat (one t-stat per,) which uses a single 1 wire comm. to interface with the hvac internal controls. The first thing I would like to ask the community help with is. How can I determine which protocol or overall comm type this on...

Rv ac wiring diagram.

I an new to RV'ing, and we've just purchased our first. This is a Kodiak 2711BS, pull trailer. The RV has 50A service. I want to be able to power this, in some way, shape, or fashion, from an inverter's AC output. I'll explain why below. Overview of System: https://www.dropbox.com/s/tm0jrcxhnrg5tvj/RV%20Power%20Overview.jpg?dl=0 I understand that the 50A is a split phase 120V - 0 - 120V AC. I also undertsand that a 30A service is simply a single phase of 120V AC. A 50A cable is two b...

I recently made a post about purchasing a 1981 Itasca Suncruiser. It's my first RV purchase (completely new to this). I love it so much and just about everything works as it should... except it has trouble starting. It works sometimes when jumped, and I was honestly thinking it was the starter based on the noises I was hearing. After doing what feels like extensive research on batteries and the starting system (the more I learn, the less I know), I have concluded that the single deep cycle batt...

RV WIRING DIAGRAM Featuring: 12v DC, 110-130v AC, Inverter, Battery Bank, Solar, B2B Charger, Battery Monitoring, Fuses, Relays & Switches This RV Wiring Diagram will help you install your RV’s electrical system and record your bespoke setup for easy troubleshooting. Select Your Solar System Size 100w 200w 300w 400w 600w 800w

Sources of RV Power (AC or DC) RV power sources are the AC and DC that are taken from Shoreline, solar panels, wind generators, and Generators. Shoreline and generators work with AC, whereas solar panels and wind generators are with DC. 1. Shoreline (AC) An RV can have 120V of power drawn from an AC source. It is to understand the variation that the alternating current is causing.

When we replaced our AC we moved the compressor to the side of the garage, leaving the 3 wire 220V 40A power feed that used to run that machine. It previously went into an AC disconnect box. I can pull about 2" of wire out of the wall; the three conductors are coming from a cloth wrapped wire. Too hot to crawl around the attic here. But when I take the cover off my breaker box, I find a cloth wrapped three conductor wire feeding the 40 amp breaker in the box. White conductor is tied off to the ...

**Main** **Engine** **:** **H** **Cegielski-Poznan** **S.A.-Sulzer** · **Main** **Engine** **Make** **:** H Cegielski-Poznan S.A.-Sulzer, **Type** **:** **6RTA58T**, No. of Cylinder : 6 Cylinder Dia. & Strok : 580 MM x 2416 MM, Power : 11400 Kw At 101.5 Rpm, Engine No. : 03, Year : 1997 **#** **Turbocharger** **Make** **:** ABB, **Type** **:** **VTR-454D-32** **(02** **Pcs),** Sr. No. : HT-424322/HT-424323 **#** **Governor Make** **:** Woodward, **Type** **:** **PGA-200** Part No. :...

I'm making the diagram for my electrical system in my van. All of the major components are pretty much done, but now I have to add the lights and switches. I have 6 [LED Puck Lights](https://www.amazon.com/acegoo-Recessed-Ceiling-Aluminum-Downlights/dp/B012ZOI3ZW/ref=sr_1_1_sspa?dchild=1&keywords=acegoo+12v+dc+puck+light&qid=1592852361&sr=8-1-spons&psc=1&spLa=ZW5jcnlwdGVkUXVhbGlmaWVyPUFCUjRYVDlPVFhCWTcmZW5jcnlwdGVkSWQ9QTA3MDM3MzExNzBNS0JTRjFITENYJmVuY3J5cHRlZEFkSWQ9QTAxNzQ3MT...

**“*****Electricity is really just organized lightning*****”  ― George Carlin** ***“There are things done today in electrical science which would have been deemed unholy by the very man who discovered electricity, who would themselves not so long before been burned as wizards.”***  **― Bram Stoker** ***“Which wire should I cut?”*** **― Victor The Electrician to Me** ​ **How was I to know that many electricians have no clue how to deal with DC \[1\] systems? It’s all wizardry, w...

Hi folks of Reddit There's a lot of questions about electric car chargers for home use - what level do I need, how expensive will it be, do I need 1.22 jigawatts if I want to do it? In this post, I'll explain the basics. This is targeted towards the typical homeowner who is considering purchasing an EV, or already has one but wants better charging. This is US-specific. As a disclaimer, you can hire an electrician for this, or if you DIY, make sure you follow local code and get it properly perm...

Nov 02, 2019 · Rv Wiring Diagram Ac Dc Today Wiring Schematic Diagram. Coleman Air Conditioner Wiring Diagram Wiring Schematic Diagram. A C Problems Sunline Coach Owner S Club. Dometic 3316230 000 Duo Therm Brisk Analog Replacement T Stat With. Coleman Mach 8 47204b876 Rv Rooftop Air Conditioner 15 000 Btu White.

Apr 01, 2019 · Dometic Rv Air Conditioner Wiring Diagram Rv Air Conditioners Wiring Diagram for Two Comfort Control Center 2. Dometic Rv Air Conditioner Wiring Diagramwiring diagram is a simplified suitable pictorial representation of an electrical circuit. It shows the components of the circuit as simplified shapes, and the power and signal friends with the devices.

Wiring diagram: https://i.imgur.com/mycOazB.jpg I recently purchased a Class A motorhome that has two rooftop air conditioners, one furnace, and two older analog thermostats. The thermostat in the front main living area controls the front AC unit and furnace, and the one in the back bedroom controls the rear AC unit. I wanted to upgrade the old analog thermostats to smart thermostats so I did a lot of research on the subject but came to many dead ends. Just about every post I found shot down t...

16+ Cycle Electric Wiring Diagram - Wiring Diagram - Wiringg ...

16+ cycle electric wiring diagram - wiring diagram - wiringg ...

Mar 15, 2020 · RV Electrical Diagram (Wiring Schematic) Understanding you campers electrical wiring can be very confusing. Use the RV electrical diagram we made below to get an understanding of what powers what and to learn how an RV electrical system works.

SERVICE MANUAL 12VDC WALL THERMOSTAT AIR CONDITIONING SYSTEMS ...

Service manual 12vdc wall thermostat air conditioning systems ...

# 📷 *“Electricity is really just organized lightning”  ― George Carlin* *“There are things done today in electrical science which would have been deemed unholy by the very man who discovered electricity, who would themselves not so long before been burned as wizards.” ― Bram Stoker* *“Which wire should I cut?” ― Victor The Electrician to Me* How was I to know that many electricians have no clue how to deal with DC \[1\] systems? It’s all wizardry, witchcraft and magic as far as I’m concer...

RV Air Conditioner Servicing with Terry Cooper

Rv air conditioner servicing with terry cooper

RV Electricity | 12 Volt DC | 120 Volt AC | Battery | Inverter

Rv electricity | 12 volt dc | 120 volt ac | battery | inverter

11/21/16 5203XX 5215XX 5217XX 5315XX 5317XX 6003XX ...

11/21/16 5203xx 5215xx 5217xx 5315xx 5317xx 6003xx ...

Coleman Mach thermostat wiring for test? - iRV2 Forums

Coleman mach thermostat wiring for test? - irv2 forums

SERVICE MANUAL 12VDC WALL THERMOSTAT AIR CONDITIONING SYSTEMS ...

Service manual 12vdc wall thermostat air conditioning systems ...

Thermostat Wiring Diagrams! 10 Most Common!

Thermostat wiring diagrams! 10 most common!

Wiring Diagram Electrical 30 Amp Rv Plug Simple Mechanical ...

Wiring diagram electrical 30 amp rv plug simple mechanical ...

RV Air Conditioner Hard Sta...

Rv air conditioner hard sta...

Duo therm Rv Air Conditioner Wiring Diagram | Electrical ...

Duo therm rv air conditioner wiring diagram | electrical ...

Interactive Wiring Diagram For Camper Van, Skoolie, RV, etc ...

Interactive wiring diagram for camper van, skoolie, rv, etc ...

RV Electrical Diagram (Wiring Schematic)

Rv electrical diagram (wiring schematic)

☑ Hard Start Capacitor Coleman Mach

☑ hard start capacitor coleman mach

Pin by Tim Smith on Rv air conditioner | Thermostat wiring ...

Pin by tim smith on rv air conditioner | thermostat wiring ...

RV Tech Library - Modifying the Thermostat Enable Feature of ...

Rv tech library - modifying the thermostat enable feature of ...

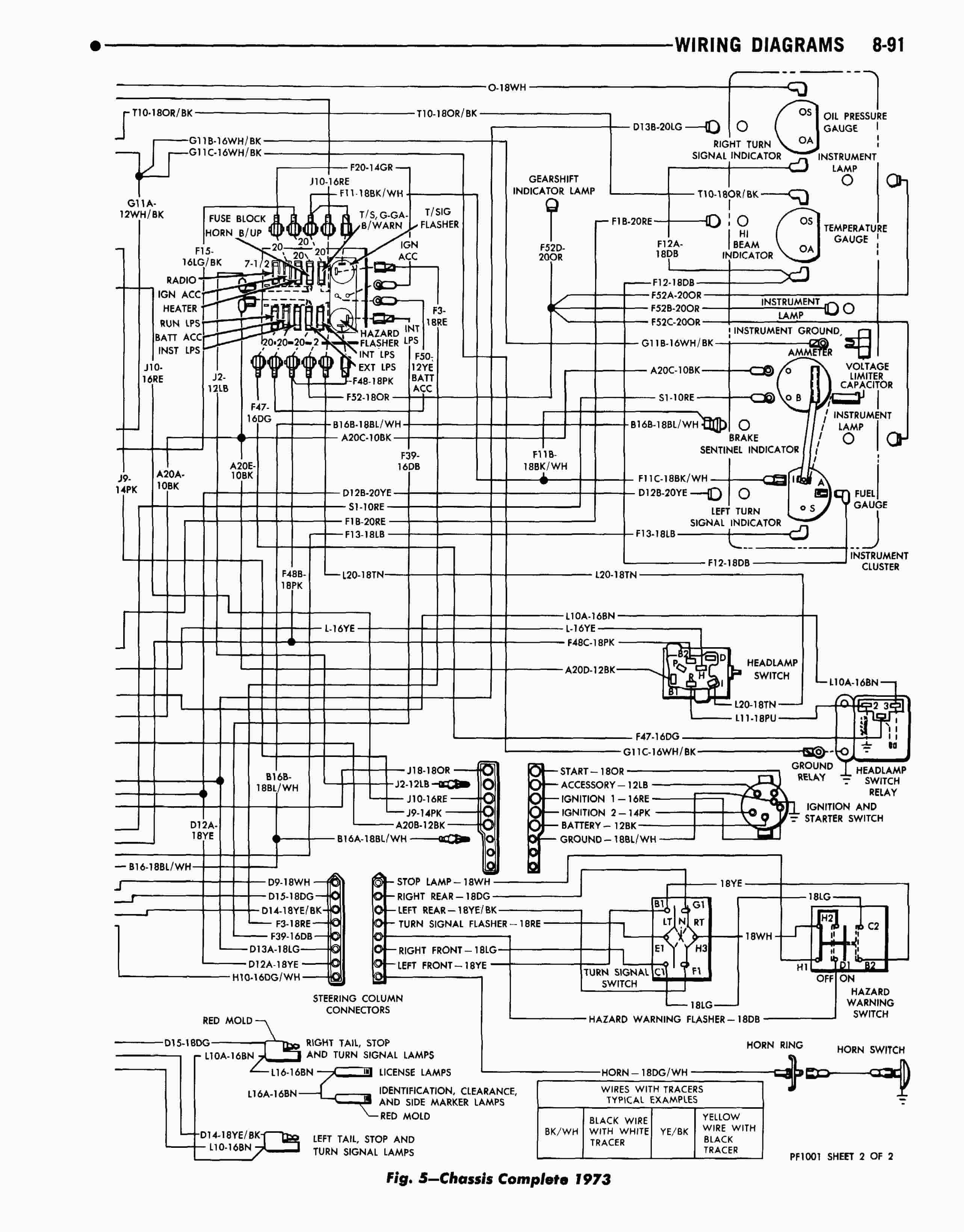
Dave's Place - 73 Dodge Class A Chassis Wiring Diagram

Dave's place - 73 dodge class a chassis wiring diagram

Interactive RV Wiring Diagram for Complete Electrical Design

Interactive rv wiring diagram for complete electrical design

EasyStart 364 (ASY-364-X20-IP) Installation Instructions for ...

Easystart 364 (asy-364-x20-ip) installation instructions for ...

Split Air Conditioner Wiring Diagram | Hermawan's Blog ...

Split air conditioner wiring diagram | hermawan's blog ...

Camper Van Electrical Design with Detailed Wiring Diagram

Camper van electrical design with detailed wiring diagram

Wiring diagram Caravan Electrical Wires & Cable Campervans ...

Wiring diagram caravan electrical wires & cable campervans ...

I also need an Air Conditioning wiring diagram for a W22 ...

I also need an air conditioning wiring diagram for a w22 ...

como vestir a los 50 años hombres: [Get 42+] Ac Compressor ...

Como vestir a los 50 años hombres: [get 42+] ac compressor ...

Interactive RV Wiring Diagram for Complete Electrical Design

Interactive rv wiring diagram for complete electrical design

EasyStart 364 (ASY-364-X20-IP) Installation Instructions for ...

Easystart 364 (asy-364-x20-ip) installation instructions for ...

Install Diagram for Single Zone Controller for Furrion Chill ...

Install diagram for single zone controller for furrion chill ...

Install Electrical – Build A Green RV

Install electrical – build a green rv

Specs on a 579 and 559 Dometic A/C running capacitor ...

Specs on a 579 and 559 dometic a/c running capacitor ...

RV.Net Open Roads Forum: Tech Issues: Dometic 13.5 AC 12 volt ...

Rv.net open roads forum: tech issues: dometic 13.5 ac 12 volt ...

Installation Instructions for Dometic® Family RV A/Cs

Installation instructions for dometic® family rv a/cs

RV Thermostat - The BIG Thermostat Info Page - 100% FREE

Rv thermostat - the big thermostat info page - 100% free

Installing Hard Start Capacitor into my RV Air Conditioner

Installing hard start capacitor into my rv air conditioner

RV.Net Open Roads Forum: AC unit humming when I turn off the ...

Rv.net open roads forum: ac unit humming when i turn off the ...

Wiring Diagram & Tutorial for Camper Van Conversion (Transit ...

Wiring diagram & tutorial for camper van conversion (transit ...

Dometic™ Duo-Therm 3312020.000 OEM CCC2 Air Conditioner Control Box

Dometic™ duo-therm 3312020.000 oem ccc2 air conditioner control box

Off grid solar power system on an RV (Recreational Vehicle ...

Off grid solar power system on an rv (recreational vehicle ...

Domestic RV Thermostat Wiring Diagram

Domestic rv thermostat wiring diagram

Installation Instructions for Dometic® Family RV A/Cs

Installation instructions for dometic® family rv a/cs

Pin on Wiring Diagram Sample

Pin on wiring diagram sample

AC Hard Start For Generator - Forest River Forums

Ac hard start for generator - forest river forums

RV Inverter Wiring Diagram (RV Electricity Explained ...

Rv inverter wiring diagram (rv electricity explained ...

Figure 1-6. Air Conditioner Wiring Diagram (Sheet 2 of 3)

Figure 1-6. air conditioner wiring diagram (sheet 2 of 3)

0 Response to "44 rv ac wiring diagram"

Post a Comment

Iklan Atas Artikel

Iklan Tengah Artikel 1

Iklan Tengah Artikel 2

Iklan Bawah Artikel