43 lewmar windlass solenoid wiring diagram
In this video we install a Lewmar V1 winch on a Cater 33 yacht.T-shirts available at https://dangarmarine.com.au/collections/merchandise/products/dangar-mari... 12v Reverse Solenoid For 2 post Windlass Motors. PLEASE NOTE: If you have a 12v windlass motor with 3 or 4 posts, replace with NEW part number: 90501(12v). Compare your existing solenoid to the photo above. 2 Post Motor Wiring Diagram - Print Version
Connected a short 2 gauge positive feed to the breaker and the other side with the cable running forward. Ground cable direct to ground battery terminal. I installed the solenoid under the deck inside the anchor locker where I could get to it and connected the cables to it. Then the wiring to the windlass from the solenoid.

Lewmar windlass solenoid wiring diagram
Lewmar Windlass Wiring Diagram Upgrade Windlass Power Wiring Of Lewmar Windlass Wiring Diagram With Windlass Wiring Diagram For Windlas Diagram Power Wire Wire 61 hawk trunk pan.. Take A Sneak Peak At The Movies Coming Out This Week 812 Minneapolis-St. Shakespeare on Film in Asia and Hollywood. This file contains bidirectional Unicode text that may be interpreted or compiled differently than ... a aa aaa aaaa aaacn aaah aaai aaas aab aabb aac aacc aace aachen aacom aacs aacsb aad aadvantage aae aaf aafp aag aah aai aaj aal aalborg aalib aaliyah aall aalto aam ... Can be used with all Lewmar custom windlasses, contact the sales office for a specific wiring diagram. Sprint 900, Atlantic, Atlantic A, Atlantic C, AP700, AP1000 & AP1200 : Use Diagrams A* or B Atlantic B & Concept / Ocean2 : Use Diagrams C or D - Sprint 3000 : Use Diagrams C or E *Contactor 0052531 is NOT suitable for these products. Grey Screened Resettable Breaker/ Switch 3A + Motor F1 ...
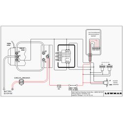
Lewmar windlass solenoid wiring diagram. Lewmar V1-6 Windlass ref 65001201 iss.11 | 3 ... Lewmar windlasses are designed and supplied for anchor control in marine ... 5.5 V1-6 Wiring diagram.40 pages See Wiring Diagrams for wiring instructions. Circuit breaker (must be fitted to ensure warranty) If the windlass is overloaded or stalled the circuit breaker will automatically cut power to the windlass and protect the wiring and motor. The circuit brea ker should not be used as an isolating switch. 5.5 CPX0 - 500W Wiring diagram using contactor provided (Part No 68000939). Installation instructions are supplied separately with any accessories.20 pages 5.4 Wiring diagram using contactor provided (Part No 68000939) ... Is there voltage at the positive switch terminal on the solenoid. If not, the switch.72 pages
solenoid. You can bypass the solenoid by removing one of the large leads and touching it to the other large lead. This will bypass both the switch and solenoid wiring the windlass motor directly to the power source. Do this for troubleshooting only to test that the solenoid is the only problem. Step 3: Use a voltmeter to check for voltage at Save More on Your Lewmar #0052531 Windlass Single & Dual Direction Sealed Solenoids , PM ( for ) All Horizon Series; Sprint 600 & 1000 at Fisheries Supply. Excellent Customer Service, Ready to Ship. Marine Supplies Since 1928! Lewmar Windlass Solenoid Wiring Diagram Oleh Anonim Juni 10, 2020 Posting Komentar Windlass Wiring Diagram Wiring Diagram . Installing A New Electric Windlass Part 2 . Untitled . Diagram Jaguar Crossbow Wiring Diagram Full Version Hd . Lofrans Relay Box For Windlass 3 Pole From 67 95 Buy Now . Lewmar Electric Winch Wiring Diagram Wiring Diagram . Can You Please Share Lewmar Windlass Parts And ... Most electric windlass installations include a solenoid control box that is between the control switch and the motor. It's generally installed on a bulkhead in the bow area, near the windlass. Locate the control box and check with the voltmeter that power is passing through the box. Activate the control either up or down, and have the ...
Lewmar windlasses are designed and supplied for anchor control in marine applications and are not to be used in conjunction with any other use. ... Wiring diagram if a pre-wired control box (Part No 68000963) is used ... Is there voltage at the positive switch terminal on the solenoid? If not, the switch (or its wiring), is defective. Subaru's EJ20K was a turbocharged, 2.0-litre horizontally-opposed (or 'boxer') four-cylinder petrol engine. In Australia, the EJ20K engine powered the Subaru GC/GM Impreza WRX from November 1996 (for the 1997 ‘model year’ or MY97) to 1998. Looking at Ralph wire diagram, it looks like he tapped off from the main power cable. Short answer is yes you can stack the windlass switch supply (3 amp) at the solenoid buss. No need to run a wire the length of t he boat. Ralph already had a wire run from his ships panel so he apparently used that. Oct 01, 2019 · 宝塚の広告企画会社クルーズが年に4回発行している地域コミュニティ情報誌ComiPa!(コミパ!)
宝塚市のグルメやお稽古、街の素敵な情報を発信!
情報提供してくださる方・バナー広告主様も募集中です‼
Thruster Positive Switching system. Wiring Diagram 12VDC. Used on: 140TT2.0KW only. To Thruster. Solenoid loom. 3. 4. 1. 2. GREY.10 pages
Windlass Control Solenoid for Sprint 1500, Horizon Express, Horizon 1500 $174.99 Windlass Control Solenoid for Sprint 600, 1000, Horizon 400, 600, 600F, 900, 900F, Pro 700, 1000 $184.99 Windlass Control Solenoid for Three-Wire Series Wound Motors $299.99 Windlass Control Solenoid for Three-Wire Split Field Motors $209.99. $174.99. In stock online.
12V Dual Direction Solenoid (0052531) by Lewmar. For Sprint 600 & 1000, Horizon 400/600/600F/900 & 900F, Pro Series, and Pro Fish Windlasses. This product is designed and manufactured to address your marine needs. It is made to help you let-out and heave-up your boat equipment, such as an anchor or fishing trawl.
It turns out that, contrary to what the Lewmar folks first told me, and the Hunter manual schematic indicated, the Lewmar model H3 windlass on my 2006 46LE has the solenoid inside the windlass casing itself. Hope this info will save another owner from tearing the boat apart.
1. 2. GREY. BLUE. Lewmar windlasses are designed and supplied for anchor control in marine applications and are not to be . Wiring diagram using contactor provided ( Part No ) .. Is there voltage at the positive switch terminal on the solenoid. If your windlass is reversing it simply has an additional footswitch, solenoid .
Lewmar control boxes should be used when the windlass electronics are installed in a wet area of the boat. In dry locations, a standard contactor can be used instead. Please consult your owner's manual to determine the correct control for your winch or windlass. Lewmar contactors and control boxes are not returnable.
Five Oceans Dual Direction Reversing Windlass Solenoid, 3-Wire Motors, 12 Volts, Up to 1500 Watts, Built with Grade Marine Materials, Easy Installation, FO-3293-3. 5.0 out of 5 stars. 2. $119.99. $119. . 99. Get it Wed, Sep 22 - Fri, Sep 24. FREE Shipping.
solenoid pack. •. Information for installation and operation of the AA570 is supplied, including pre-set windlass profile lists, wiring diagrams, ...44 pages
Subaru's EJ20G was a turbocharged, 2.0-litre horizontally-opposed (or 'boxer') four-cylinder petrol engine. For Australia, the EJ20G engine powered the GC/GM Impreza WRX from 1994 to 1996; key features of the EJ20G engine included its:
Nov 02, · Windlass is Simpson Lawrance sprint (Old but unused) Manual states windlass is Power reversing. Contactor is Lewmar marked as dual direction with terminals as described i.e only 3 battery connection posts (large brass ones). Marked F1, F2 & Batt +. Wiring diagram for windlass shows 4 posts on contactor. V lewmar windlass.
1.6 Fitting the windlass to the deck 5 2. Electrical wiring installation 7 2.1 Electric cable selection 7 2.2 Wiring 7 2.3 Control switch installation 7 2.4 V700 Wiring diagram (toggle switch) 8 2.5 V700 Wiring diagram (contactor) 8 3. Operating your windlass 9 3.1 Safety fi rst 9 3.2 Use of clutch 9 3.3 Letting go under gravity 9
RECOMMENDED WIRING DIAGRAMS FOR LEWMAR. PRODUCTS: V, Pro-Series, Pro-Fish, Pro-Sport with Pre-wired WINDLASS Solenoid loom. 3. Propose using lewmar dual direction contactor. The contactor So he will be supplying me a different solenoid to make it dual-direction. I will have to Wiring diagram for windlass shows 4 posts on contactor. Is it the case.
Now onto wiring up the windlass remote. Lewmar's wiring diagram was wrong, the solenoid that came with our model had a different part number then was specified in the manual. Thankfully their website had the correct diagram (If you're looking for this, Lewmar actually calls them split field duel direction contractors). We wired the switches ...
Wiring Diagram for Solenoid 19045 or19046 (PDF) Related Products Maxwell HWC3500 12 Volt Horizontal Anchor Winch / Windlass 1200W Motor - Suits most Boats to 21m (Chain Only Wheel and Drum) (P13093)
Operates anchor windlass system from 400 to 5000 watts 12 or 24 volts. The solenoids are reliable and compact in size. The external connections on the solenoids make them very easy to install. Brine Proof. Solenoid. Choose an option Solenoid 400 amp 12 volt Solenoid 400 amp 24 volt Clear. * Voltage.
Lewmar V700 Vertical Windlass65001022 Issue 4 Owner's Manual Contents hide 1 Introduction 2 Safety Notice 2.1 Windlass general 2.2 Fitting 2.3 Electrical 3 Specifications 3.1 Gypsy Specifications 3.2 V700 Specifications 3.3 Dimensions Diagram 4 Installation 4.1 Basic requirements 4.2 Accessories 4.3 Fitting the windlass to the deck 5 Electrical wiring 5.1 Electric cable selection 5.2 ...
My Lewmar 12v solenoid / windlass control unit is broken beyond repair and needs replacing. The current unit looks quite old and I haven't been able to find a UK replacement - there are a few available from the US at significant expense. See this or this I was just going to use this Lofrans unit instead as I assume it does broadly the same job and looks to have a similar wiring arrangement ...
LEWMAR Anchor Windlass Relay or Solenoid. For Motors up to 700 Watts. Genuine Simpson Lawrence Part No: 0052531 or 52531 With Full Wiring Diagram. Made in England. For Wiring Diagram Click Camera Image or More Info End of Line Discounted (Reference 0259021) More Information See all Windlass Switches and Hand Held Controller. 1 in stock
Windlass solenoid wiring diagram. Lewmar Wiring Diagram Wiring Diagram Third Level 66840008 Lewmar Bow Roller For Delta Type Anchors 14lb To 35lb Lewmar Windlass V700 Kit 1 4 In G4 Chain Rope Gypsy 12v Vertical Windlass Diagram Courtesy Of Lewmar This Diagram Vetus Bow Thruster Control Wiring Diagram 2014 Lexus Is 250. Activate the control either up or down and have the voltmeter attached to ...
Dec 31, · Bow thruster wiring and solenoid Hi guys, im in need of some advice. In this Aquasport boat there is a built-in elctrical bow thruster, it was totally . Permanent Magnet Dual Direction Control Box - / 12/24 V DC Pro-Sport, Pro-Series/Fish &, V, Concept 0, Sprint & , Horizon F & F.problem with Lewmar thruster joystick controller ...
Quick demo on how to wire up the cheap universal 500 amp winch solenoids that can be found on Ebay and Amazon. Installed with a Smittybilt XRC8 in this case.
6. GREY-Connect to the windlass UP switch signal wire 7. BROWN-Join brown wires and connect to windlass switch common wires 8. BLUE-Connect to the windlass DOWN switch signal wires 9. Rocker box 10. Windlass Bugstrahlruder Empfänger Kabel nur 140TT Contactor/Control Box 11. Deck 2.0KW (Fig 2)switches Thruster 2.0kW wiring diagram (Fig 2) 1.
Can be used with all Lewmar custom windlasses, contact the sales office for a specific wiring diagram. Sprint 900, Atlantic, Atlantic A, Atlantic C, AP700, AP1000 & AP1200 : Use Diagrams A* or B Atlantic B & Concept / Ocean2 : Use Diagrams C or D - Sprint 3000 : Use Diagrams C or E *Contactor 0052531 is NOT suitable for these products. Grey Screened Resettable Breaker/ Switch 3A + Motor F1 ...
a aa aaa aaaa aaacn aaah aaai aaas aab aabb aac aacc aace aachen aacom aacs aacsb aad aadvantage aae aaf aafp aag aah aai aaj aal aalborg aalib aaliyah aall aalto aam ...
Lewmar Windlass Wiring Diagram Upgrade Windlass Power Wiring Of Lewmar Windlass Wiring Diagram With Windlass Wiring Diagram For Windlas Diagram Power Wire Wire 61 hawk trunk pan.. Take A Sneak Peak At The Movies Coming Out This Week 812 Minneapolis-St. Shakespeare on Film in Asia and Hollywood. This file contains bidirectional Unicode text that may be interpreted or compiled differently than ...
0 Response to "43 lewmar windlass solenoid wiring diagram"
Post a Comment