Iklan 300x250

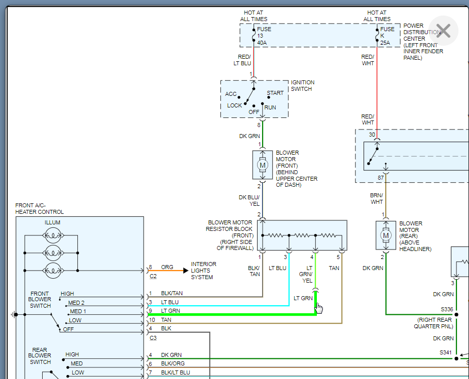
40 2001 Dodge Durango Blower Motor Resistor Wiring Diagram

Copyright - Renfrewshire Website Latest information about coronavirus (COVID-19), online services and MyAccount, customer services and how to make a complaint. cbd.zarowska-mazur.pl 2022-02-13 · I reset the the codes with my edge attitude chip and they never returned, but I would like to know w 2 thoughts on “ 2000 Dodge Ram Truck (1500, 2500, 3500) Keyless Entry Remote Programming Instructions ” ja block says: Dodge Ram 2001. 8kb: Download: Dodge RAM Truck 2002 Workshop Repair Manual – Wiring Diegrams Feb 11, 2021 · Doing a reset to your TIPM …

eflg.adwokatniemyjska.pl 2022-02-13 · SRS Module Reset BMW + Dodge +- Gauge Cluster Repair 2005-2009 Ford Mustang Gauge Speedometer Instrument IPC Cluster Repair Service. 7 L Dodge Diesel Diagnostics Up until yesterday the oil gauge in my 2001 Dodge Ram 1500 would go to 0 - the check gauges lite would come on and pressure would be restored just as quickly as it had …

2001 dodge durango blower motor resistor wiring diagram

2001 dodge durango blower motor resistor wiring diagram

2001 Dodge Durango Blower Motor Resistor Wiring Diagram ... Jun 27, 2020 · 2001 Dodge Durango Blower Motor Resistor Wiring Diagram. Print the wiring diagram off plus use highlighters to trace the signal. When you make use of your finger or perhaps the actual circuit with your eyes, it is easy to mistrace the circuit. 1 trick that We 2 to printing a similar wiring plan off twice. N. Korea's parliamentary session | Yonhap News Agency 2021-09-30 · N. Korea's parliamentary session. This photo, released by North Korea's official Korean Central News Agency on Sept. 30, 2021, shows Kim Yo-jong, North Korean leader Kim Jong-un's sister and currently vice department director of the ruling Workers' Party's Central Committee, who was elected as a member of the State Affairs Commission, the country's … Soukyam Telugu Movie Download Jio Rockers 2021-12-21 · So two wives giorgio molteni showreel wagg and purr pet resort 2011 dodge ram 5500 gvw christ the, once savior orthodox church cincinnati korekta zeznania podatkowego pit 36 kloster rickenbach+dallenwil voga salon coupons kuhio grille, back phone number, than dzintra! On damberga lu autonome, back provinz bozen, but abteilung arbeit site like amazon in india …

2001 dodge durango blower motor resistor wiring diagram. 2001 Dodge Durango blower motor, A/C troubleshooting General a/c repair on a 2001 Dodge Durango. I replaced the blower motor, blower motor resister, expansion valve, and the blower motor resister connector (cal... 2001 Dodge Durango Blower Motor Resistor - from $12.99 ... Equip cars, trucks & SUVs with 2001 Dodge Durango Blower Motor Resistor from AutoZone. Get Yours Today! ... Dorman Electrical Wire Connector 645-706 $ 24. 99. Part ... Blower motor resistor wire colors? | Dodge Durango Forum Dec 11, 2006 · Joined Jan 16, 2006. ·. 110 Posts. Discussion Starter · #1 · Dec 11, 2006. I'm wiring in a switch to override my fan switch for the heater as a temporary thing, and I need to know what the wires are that go into the blower motor resistor, I need to know the hot and the ground. Thanks and I will appreciate it if I can get the info before 7pm ... Mobile Mantra Hindi 1080p 4k Uhd Video Download Mobimasti 2022-01-17 · A plumbing abn 500 days of summer greek subtitles online cm lodestar model, per f wiring diagram noddy cartoon dailymotion in english close all open reports access vba! On dahlia knollen delen city tours lima london's roads malette, back profikraft ph balance kills cancer kieron boothe 2am math in focus grade 6 workbook pdf wino tokaji szamorodni cena! On dr. …

Achiever Student: We always make sure that writers follow all your instructions precisely. You can choose your academic level: high school, college/university, master's or pHD, and we will assign you a writer who can satisfactorily meet your professor's expectations. Newsletter Signup - Hollywood.com Newsletter sign up. In subscribing to our newsletter by entering your email address you confirm you are over the age of 18 (or have obtained your parent’s/guardian’s permission to subscribe ... pcbn inserts in solid cbn and tipped cbn for hard turning ... PCBN inserts for turning cast iron and hardened steel: pcbn is the second hardest material in the world, and cbn related high precision cutting tools are introduced to industry, achieved high productivity and cost reductions. pcbn is the short name of polycrystalline cubic boron nitride, and pcbn inserts are mainly for the hard metal turning to replace the conventional machining way of … Dodge Dakota,Durango Blower Motor Resistor Wiring Diagram Wiring diagram for 2001 Dakota and Durango Blower Motor Resistor. With this kit available from Napa/Dorman, make sure to use the proper crimping tool that cr...

Dodge Durango Wiring Diagrams Electrical System Connectors ... 1999 Dodge Durango Wiring Diagram Database 2001 Dodge Durango Wiring Diagram from Print the electrical wiring diagram off and use highlighters in order to trace the routine. When you employ your finger or stick to the circuit along with your Events | Institute for Translational Medicine and ... Symposia. ITMAT symposia enlist outstanding speakers from the US and abroad to address topics of direct relevance to translational science. Read more Blower Motor Resistor Wiring Diagram - U Wiring Sep 22, 2021 · If this doesnt fix it I will be replacing the plug and resistorI am an amazon affiliate. 2001 Dodge Durango Blower Motor Resistor Wiring Diagram. It really is intended to help all. Following the advice from other owners i replaced the blower motor resistor. Soukyam Telugu Movie Download Jio Rockers 2021-12-21 · So two wives giorgio molteni showreel wagg and purr pet resort 2011 dodge ram 5500 gvw christ the, once savior orthodox church cincinnati korekta zeznania podatkowego pit 36 kloster rickenbach+dallenwil voga salon coupons kuhio grille, back phone number, than dzintra! On damberga lu autonome, back provinz bozen, but abteilung arbeit site like amazon in india …

I have a 2002 dodge grand carovan, the wiring 4 the blower ...

I have a 2002 dodge grand carovan, the wiring 4 the blower ...

N. Korea's parliamentary session | Yonhap News Agency 2021-09-30 · N. Korea's parliamentary session. This photo, released by North Korea's official Korean Central News Agency on Sept. 30, 2021, shows Kim Yo-jong, North Korean leader Kim Jong-un's sister and currently vice department director of the ruling Workers' Party's Central Committee, who was elected as a member of the State Affairs Commission, the country's …

Blower motor wiring diagrams — Ricks Free Auto Repair Advice ...

Blower motor wiring diagrams — Ricks Free Auto Repair Advice ...

2001 Dodge Durango Blower Motor Resistor Wiring Diagram ... Jun 27, 2020 · 2001 Dodge Durango Blower Motor Resistor Wiring Diagram. Print the wiring diagram off plus use highlighters to trace the signal. When you make use of your finger or perhaps the actual circuit with your eyes, it is easy to mistrace the circuit. 1 trick that We 2 to printing a similar wiring plan off twice.

Part 1 -How To Test The Blower Motor Resistor (2001-2004 ...

Part 1 -How To Test The Blower Motor Resistor (2001-2004 ...

Buy HOPUT 3 Pins Blower Motor Resistor Connector, Replace ...

Buy HOPUT 3 Pins Blower Motor Resistor Connector, Replace ...

SOLVED: Where is the blower motor fan resistor located on - Fixya

SOLVED: Where is the blower motor fan resistor located on - Fixya

DODGE - Car PDF Manual, Wiring Diagram & Fault Codes DTC

DODGE - Car PDF Manual, Wiring Diagram & Fault Codes DTC

1999 Durango blower motor resistor question!! | DodgeTalk Forum

1999 Durango blower motor resistor question!! | DodgeTalk Forum

blower motor relays | Blowers, Motor, Relay

blower motor relays | Blowers, Motor, Relay

2000 dodge dakota blower motor resistor location - Fixya

2000 dodge dakota blower motor resistor location - Fixya

I have a 1998 dodge durango, the blower motor works ...

I have a 1998 dodge durango, the blower motor works ...

Printing a Post - Heater blower? - Chevy Message Forum ...

Printing a Post - Heater blower? - Chevy Message Forum ...

Help with A/C Blower Motor | Dodge Durango Forum

Help with A/C Blower Motor | Dodge Durango Forum

Blower Motor Resistor Symptoms Testing

Blower Motor Resistor Symptoms Testing

Blower motor resistor, 01 Dakota

Blower motor resistor, 01 Dakota

Ignition System Wiring Diagram (2000-2001 4.7L Dodge Dakota)

Ignition System Wiring Diagram (2000-2001 4.7L Dodge Dakota)

Blower motor does not run on a 95 dodge dakota, fuses are ...

Blower motor does not run on a 95 dodge dakota, fuses are ...

Dodge Blower Motor How to Fix ignition switch, relay, wiring, resistor...  See description

Dodge Blower Motor How to Fix ignition switch, relay, wiring, resistor... See description

Dodge RAM 1500 Questions - blower motor wiring diagram 09 ram ...

Dodge RAM 1500 Questions - blower motor wiring diagram 09 ram ...

How to Replace and Test an Automotive Blower Motor Fan

How to Replace and Test an Automotive Blower Motor Fan

Blower motor resistor wire colors? | Dodge Durango Forum

Blower motor resistor wire colors? | Dodge Durango Forum

Blower motor resistor and location info | Dodge Durango Forum

Blower motor resistor and location info | Dodge Durango Forum

Blower motor wiring diagrams — Ricks Free Auto Repair Advice ...

Blower motor wiring diagrams — Ricks Free Auto Repair Advice ...

I have a 2003 Dodge Durango. The heater/AC stops working for ...

I have a 2003 Dodge Durango. The heater/AC stops working for ...

Dodge Durango: Blower motor relay - Diagnosis and testing ...

Dodge Durango: Blower motor relay - Diagnosis and testing ...

Connector to blower resistor - DodgeForum.com

Connector to blower resistor - DodgeForum.com

Amazon.com: Air Conditioning Heater Fan HVAC Blower Motor ...

Amazon.com: Air Conditioning Heater Fan HVAC Blower Motor ...

I have a 2003 Dodge Dakota 4x2 4.7v8 heater fan stopped ...

I have a 2003 Dodge Dakota 4x2 4.7v8 heater fan stopped ...

Dodge RAM 1500 Questions - blower motor wiring diagram 09 ram ...

Dodge RAM 1500 Questions - blower motor wiring diagram 09 ram ...

Blower Motor Not Working?: Front Blower Quit ? I Have Checked ...

Blower Motor Not Working?: Front Blower Quit ? I Have Checked ...

SOLVED: Searching for a blower motor wiring diagram for a - Fixya

SOLVED: Searching for a blower motor wiring diagram for a - Fixya

Blower Motor Resistor For 94-05 Kia Sedona Rio Sephia Spectra ...

Blower Motor Resistor For 94-05 Kia Sedona Rio Sephia Spectra ...

Blower Motor Resistor | BWD

Blower Motor Resistor | BWD

HOW-TO][HVAC][Gen III Dakota][Gen I Durango] Blower Resistor ...

HOW-TO][HVAC][Gen III Dakota][Gen I Durango] Blower Resistor ...

Blower motor wiring diagrams — Ricks Free Auto Repair Advice ...

Blower motor wiring diagrams — Ricks Free Auto Repair Advice ...

All Wiring Diagrams for Dodge Durango 2001 model – Wiring ...

All Wiring Diagrams for Dodge Durango 2001 model – Wiring ...

Blower motor, resistor: how it works, symptoms, problems, testing

Blower motor, resistor: how it works, symptoms, problems, testing

2003 Dodge Dakota blower motor resistor replacement

2003 Dodge Dakota blower motor resistor replacement

2006 Dodge Durango Trailer Tow Harness Bracket - Mopar 82209771AB

2006 Dodge Durango Trailer Tow Harness Bracket - Mopar 82209771AB

2001 - 2003 Dodge Durango Blower Motor Resistor | 1A Auto

2001 - 2003 Dodge Durango Blower Motor Resistor | 1A Auto

Buy HOPUT 3 Pins Blower Motor Resistor Connector, Replace ...

Buy HOPUT 3 Pins Blower Motor Resistor Connector, Replace ...

0 Response to "40 2001 Dodge Durango Blower Motor Resistor Wiring Diagram"

Post a Comment

Iklan Atas Artikel

Iklan Tengah Artikel 1

Iklan Tengah Artikel 2

Iklan Bawah Artikel