Iklan 300x250

43 bolens bl150 fuel line diagram

OEM Bolens Trimmer Parts [BL150] | Repair Videos & Diagrams Shop for Bolens Trimmer BL150 repair parts today! Find parts by name, location or by symptoms like will not start & cutting line does not come out. Shop With Confidence. Bolens Trimmer BL150. Find Part By Location. dangelmaier-wissgoldingen.de › hrlxmdangelmaier-wissgoldingen.de email protected]

Need Bolens Trimmer BL100 3 fuel lines diagram I am looking for fuel line routing diagram for WeedEater BC2400, with the fuel primer bulb separate from the carb. I can see why they redesigned these to a simpler system Hi...i have a bolens bl150 which has worked great for yrs & now won't start...changed the spark plug...any ideas?… read more.

Bolens bl150 fuel line diagram

Bolens bl150 fuel line diagram

Bolens BL150 инструкция - Скачать инструкцию обслуживания... Bolens BL150 - page 4. OIL AND FUEL INFORMA TION OIL AND FUEL MIXING INSTRUCTIONS Old and/or improperly mixed fuel are the main r easons for the unit not running properly . Bolens BL150 - page 5. 5 Always use original equipment manufacturer 0.080 in. (2.03 mm) replacement line. Bolens Trimmer BL 100/ BL 150 User Guide | ManualsOnline.com Bolens BL 100/ BL 150 Trimmer User Manual. Page 1. Operator' s Manual. 2-Cycle Gas Trimmers. BL100/BL150. Table of contents. Bolens Bl150 Fuel Line Diagram - Wiring Site Resource Only problem is now i can get it to start but it only lasts for about 3 5 seconds before it. A new tank and lines cost 3487 and i can buy a...

Bolens bl150 fuel line diagram. Bolens Bl150 Fuel Line Diagram - Free Catalogs A to Z Need Bolens Trimmer BL100 3 fuel lines diagram - Answered by a verified . This fuel line filters the fuel in the tank as it pushes into the carburetor by the primer bulb. Bolens Bl410 Fuel Line Diagram 12 Photos is probably the pictures we found on the web from reputable resources. Help - Bolens BL100/150 String Trimmer wants to stall... | Forum I have the Bolens BL100 with less than 3 hrs use, 2 yrs old, very light trimming needs. EVERY SINCE I BOUGHT IT, I can almost never run it without it on half-choke (start in 1, move to 2 to run). Bolens BL100 User Manual TRIMMER Manuals And Guides L0403044 BOLENS Line Trimmers/Weedwackers, Gas Manual L0403044 BOLENS Line User Manual: Bolens BL100 BL100 BOLENS TRIMMER - Manuals and Guides View the owners manual for your Oil and Fuel Information. Product references, illustrations and specifications. Bolens Bolens Trimmer BL100, Bolens Trimmer BL150 User Manual View and Download Bolens Bolens Trimmer BL100 instruction manual online. Your evaporative emission control system may include parts such as: carburetors, fuel tanks, fuel lines, fuel caps, valves, canisters, filters, vapor hoses, clamps, connectors, and other associated components.

Bolens BL150 Trimmer Operator's Manual for... | Bankofmanuals.com Download Bolens Trimmer BL150 free PDF Operator's Manual, and get more Bolens BL150 manuals on Bankofmanuals.com. This manual for Bolens BL150, given in the PDF format, is available for free online viewing and download without logging on. Bolens BL150 Manuals (BL150 Trimmer...) | GuidesLIB.com Bolens Trimmer BL150 manuals (7 documents found): View Bolens BL150 documents online or download in PDF. Bolens BL150: Page Screen View. Bolens BL150 41BD150G765 Gas String Trimmer Parts The fuel filter and fuel line may still be in the dry part of the tank after the vertical tilt. primerbulb makes a good point however as an inspection of I've had a Bolens BL150 for 5 years and it was always dependable. This morning it started normally and then stopped running after about 15 minutes of use. Bolens BL150 user manual - ManualsBase.com - Solve your problem If looking through the Bolens BL150 user manual directly on this website is not convenient for you, there are two possible solutions OraLAND FUEL MmXH_G H_STRUCTmONS ThorougHy mix the proper ratio of 2-cycb engine oil with unleaded gasoline in a separate fuel can.

Bolens BL150 manual Bolens BL150 manual EPA Emission Control Warranty Statement, SAVE THESE INSTRUCTIONS FOR FUTURE REFERENCE, GARANTIE PORTANT SUR LES NORMES ANTIPOLLUTION DE L'EPA, Declaración de Garantía de Control de Emisiones de la EPA, Si vous avez besoin d'aide, contactez... bolens tiller fuel line diagram - Bing Jan 02, 2022 · Bolens Bl410 Fuel Line Diagram 12 Photos is probably the pictures we found on the web from reputable resources. Posted in Walk Behind Garden Tractor Forum, I inherited an old Bolens walk behind tiller from my parents lake place. Shop tillers and cultivators at your favorite retailer or... Bolens BL150 Gas Powered String Trimmer Repair - YouTube How I replaced the starter pulley and rope on my gas powered string trimmer. Bolens BL 100/ BL 150 Trimmer... | OnlineFreeGuides.com Download for free or view this Bolens BL 100/ BL 150 Operator's Manual online on OnlineFreeGuides.com.

Carburetor Air Fuel filter For Bolens BL110 BL160 BL425 753-06190 Carb fuel  line | eBay

Carburetor Air Fuel filter For Bolens BL110 BL160 BL425 753-06190 Carb fuel line | eBay

Amazon.com: bolens bl100 fuel line Adefol Trimmer Air Fuel Filter Line Primer Bulb 7pcs Kit for Bolens BL410 Tiller BL100 BL150 BL250 Replacement OEM Parts for 753-04333. FREE Shipping on orders over $25 shipped by Amazon. Only 15 left in stock - order soon. Amazon's Choicefor bolens bl100 fuel line.

Buy Butom 753-04333 Carburetor for MTD Ryobi 700r 720r 704r ...

Buy Butom 753-04333 Carburetor for MTD Ryobi 700r 720r 704r ...

Bolens BL150 Manuals and User Guides, Trimmer Manuals... You can examine Bolens BL150 Manuals and User Guides in PDF. View online or download 7 Manuals for Bolens BL150. Database contains 7 Bolens BL150 Manuals (available for free online viewing or downloading in PDF): Operator's manual .

Buy Butom 753-04333 Carburetor for MTD Ryobi 700r 720r 704r ...

Buy Butom 753-04333 Carburetor for MTD Ryobi 700r 720r 704r ...

SOLVED: I have a bolens bl150 gas trimmer and the problem - Fixya Check the fuel mixture and make sure it is correct. Clean the air filter if needed. If everything else is fine then you may want to try and adjust the idle speed screw. If it still doesn't run properly then you may need to have the carb cleaned. Bolens BL150 Manual. Posted on Feb 17, 2016.

Need Bolens Trimmer BL100 3 fuel lines diagram

Need Bolens Trimmer BL100 3 fuel lines diagram

Bolens BL 100/ BL 150 Manual, Bolens Trimmer... | Guidessimo.com 64 pages Operator's Manual, Owner's Guide, Instruction for Bolens BL 100/ BL 150 Trimmer in PDF for Free Download.

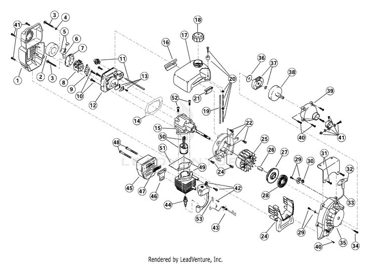
MTD BL150 41AD150G965 41AD150G965 BL150 Parts Diagram for ...

MTD BL150 41AD150G965 41AD150G965 BL150 Parts Diagram for ...

инструкция Bolens BL150 Page 4: Bolens BL150. 4 • IMPORT ANT SAFET Y INFORMA TION • • Add fuel in a clean, well-ventilated outdoor area where there are no sparks or Single line can be used on either type of inner reel. Use Figure 15 to identify the inner reel you have. NOTE: Always use the correct line length when...

Janrui WT-827 carburetor for MTD Bolens Trimmer BL100 BL150 BL250 BL410  Yard Man Machines YM70SS 120R 121R 2800m Y28 Y725 YM1000 YM1500 YM320BV  YM400 ...

Janrui WT-827 carburetor for MTD Bolens Trimmer BL100 BL150 BL250 BL410 Yard Man Machines YM70SS 120R 121R 2800m Y28 Y725 YM1000 YM1500 YM320BV YM400 ...

› MTD_PartsMTD Parts diagrams and MTD Parts for repair of MTD Lawn ... We carry the complete line of genuine MTD parts for all MTD machines including lawnmowers, snowblowers, trimmers, tractors and more. Finding your MTD parts is simple with our online parts diagrams: 1. Click your MTD model number from the list below to view a printable parts diagram. The parts diagram will open as a pdf file in a new window.

✩ DIAGRAMME de Walbro Carburetor Wt Wiring Diagram Version ...

✩ DIAGRAMME de Walbro Carburetor Wt Wiring Diagram Version ...

Bolens Bl150 Fuel Line Diagram - Wiring Diagram Source Need bolens trimmer bl100 3 fuel lines diagram. One on top and one one bottom. Only problem is now i can get it to start but it only lasts for about 3 5 Bolens string trimmer model bl150 parts shop online or call 800 269 2609. The fuel line from the tank with the fuel filter on it goes to the inlet port of...

I need a diagram showing how to replace all the fuel lines to ...

I need a diagram showing how to replace all the fuel lines to ...

Bolens BL100, BL150 User manual | Manualzz | Remove fuel cap ...BL150 User manual • BL100, BL150 grass trimmers PDF manual download and more Bolens Check for fuel leaks. Make sure all fasteners are in place and secure, Replace cutting attachment parts that are Use only 0,080 inch (2,03 mm) diameter original equipment manufacturer replacement line.

Carburetor Carb Repair Kit for Walbro WT 827 WT827 Carburetor ...

Carburetor Carb Repair Kit for Walbro WT 827 WT827 Carburetor ...

BOLENS BL150 OPERATOR'S MANUAL Pdf Download | ManualsLib View and Download Bolens BL150 operator's manual online. Bolens BL150 Operator's Manual. 2-cycle gas trimmer. Hide thumbs. Also See for BL150. Download this manual. 8. Oil and Fuel Mixing. 11. Line Installation. 14. Carburetor Adjustment.

Parts list, Engine parts - model bl150 2-cycle gas trimmer ...

Parts list, Engine parts - model bl150 2-cycle gas trimmer ...

Bolens Bl150 Fuel Line Diagram - Wiring Site Resource Only problem is now i can get it to start but it only lasts for about 3 5 seconds before it. A new tank and lines cost 3487 and i can buy a...

Ryobi YM1500 41BDY15G901 41BDY15G901 YM1500 Parts Diagrams

Ryobi YM1500 41BDY15G901 41BDY15G901 YM1500 Parts Diagrams

Bolens Trimmer BL 100/ BL 150 User Guide | ManualsOnline.com Bolens BL 100/ BL 150 Trimmer User Manual. Page 1. Operator' s Manual. 2-Cycle Gas Trimmers. BL100/BL150. Table of contents.

Harbot WT-827 753-0433 Carburetor with Air Filter Adjustment Tool for  Bolens BL100 BL150 BL250 Trimmer BL410 Tiller Ryobi 700r 410r 705r 720r  725r ...

Harbot WT-827 753-0433 Carburetor with Air Filter Adjustment Tool for Bolens BL100 BL150 BL250 Trimmer BL410 Tiller Ryobi 700r 410r 705r 720r 725r ...

Bolens BL150 инструкция - Скачать инструкцию обслуживания... Bolens BL150 - page 4. OIL AND FUEL INFORMA TION OIL AND FUEL MIXING INSTRUCTIONS Old and/or improperly mixed fuel are the main r easons for the unit not running properly . Bolens BL150 - page 5. 5 Always use original equipment manufacturer 0.080 in. (2.03 mm) replacement line.

Carburetor Tune up kit For WYC-7 WYC7 WYC-7-1 Toro F-Series ...

Carburetor Tune up kit For WYC-7 WYC7 WYC-7-1 Toro F-Series ...

OEM Bolens Trimmer Parts [BL150] | Repair Videos & Diagrams ...

OEM Bolens Trimmer Parts [BL150] | Repair Videos & Diagrams ...

Operator's Manual: Bolens 2-Cycle Gas Trimmer BL100 BL150 (769-02632A)

Operator's Manual: Bolens 2-Cycle Gas Trimmer BL100 BL150 (769-02632A)

Bolens Trimmer Repair - Replacing the Fuel Tank (Bolens Part # 753-06183)

Bolens Trimmer Repair - Replacing the Fuel Tank (Bolens Part # 753-06183)

Buy Butom 753-04333 Carburetor for MTD Ryobi 700r 720r 704r ...

Buy Butom 753-04333 Carburetor for MTD Ryobi 700r 720r 704r ...

Troy Bilt TB25CS 41ADT25C766 41ADT25C766 TB25CS Parts Diagrams

Troy Bilt TB25CS 41ADT25C766 41ADT25C766 TB25CS Parts Diagrams

Primer Bulb installation and tips Bolens trimmer

Primer Bulb installation and tips Bolens trimmer

Troy-Bilt Ryobi yardman Bolens MTD trimmer and 22 similar items

Troy-Bilt Ryobi yardman Bolens MTD trimmer and 22 similar items

How to replace two fuel lines on CS30 Ryobi weed eater?

How to replace two fuel lines on CS30 Ryobi weed eater?

Buy Dalom 791-182875 Carburetor w Air Filter Fuel Line for ...

Buy Dalom 791-182875 Carburetor w Air Filter Fuel Line for ...

BOLENS BL110 OPERATOR'S MANUAL Pdf Download | ManualsLib

BOLENS BL110 OPERATOR'S MANUAL Pdf Download | ManualsLib

Carburetor Parts For Craftsman 358350460 358.350460 36cc 16in Gasoline  Accessory

Carburetor Parts For Craftsman 358350460 358.350460 36cc 16in Gasoline Accessory

Bolens BL 100/ BL 150 REPLACEMENT PARTS - MODEL BL100 / BL150 ...

Bolens BL 100/ BL 150 REPLACEMENT PARTS - MODEL BL100 / BL150 ...

Dalom 791-182875 Carburetor w Air Filter Fuel Line for Bolens BL150 BL100  BL250 Trimmer Yard Man Machines YM20CS YM1000 YM1500 YM320BV YM400 YM70SS  ...

Dalom 791-182875 Carburetor w Air Filter Fuel Line for Bolens BL150 BL100 BL250 Trimmer Yard Man Machines YM20CS YM1000 YM1500 YM320BV YM400 YM70SS ...

SOLVED: Weedeater carburator setting on bolens 31cc - Fixya

SOLVED: Weedeater carburator setting on bolens 31cc - Fixya

Buy Harbot 753-04333 753-04408 Carburetor with Tune Up Kit ...

Buy Harbot 753-04333 753-04408 Carburetor with Tune Up Kit ...

Carburetor Kit For Zama 753-04338 7922-10629A MTD/Ryobi 790r Trimmer Spare  Part

Carburetor Kit For Zama 753-04338 7922-10629A MTD/Ryobi 790r Trimmer Spare Part

Bolens Trimmer | BL110 | eReplacementParts.com

Bolens Trimmer | BL110 | eReplacementParts.com

USPEEDA Carburetor for Cub Cadet CC2020 CC2090 BC2090 ST2020 Gas String  Trimmer 791-182875 791-182062

USPEEDA Carburetor for Cub Cadet CC2020 CC2090 BC2090 ST2020 Gas String Trimmer 791-182875 791-182062

Ryobi BL150 41BD150G163 41BD150G163 BL150 Parts Diagrams

Ryobi BL150 41BD150G163 41BD150G163 BL150 Parts Diagrams

HURI Air Filter Fuel Line Fuel Filter for Bolens BL100 BL150 BL250 Trimmer  BL410 Tiiler Cultivator Yard Man Yard Machines YM70SS 2800m Y28 Y725 YM1000  ...

HURI Air Filter Fuel Line Fuel Filter for Bolens BL100 BL150 BL250 Trimmer BL410 Tiiler Cultivator Yard Man Yard Machines YM70SS 2800m Y28 Y725 YM1000 ...

Bolens BL150 41AD150G065 41AD150G065 BL150 (2004) Gas String ...

Bolens BL150 41AD150G065 41AD150G065 BL150 (2004) Gas String ...

Yard Machines 121R 21A-121R700 - PartsWarehouse

Yard Machines 121R 21A-121R700 - PartsWarehouse

Is there an installation diagram for the fuel lines on a ...

Is there an installation diagram for the fuel lines on a ...

Bolens BL 100/ BL 150 REPLACEMENT PARTS - MODEL BL100 / BL150 ...

Bolens BL 100/ BL 150 REPLACEMENT PARTS - MODEL BL100 / BL150 ...

Dalom 791-182875 Carburetor w Air Filter Fuel Line for Bolens ...

Dalom 791-182875 Carburetor w Air Filter Fuel Line for Bolens ...

Buy Butom 753-04333 Carburetor for MTD Ryobi 700r 720r 704r ...

Buy Butom 753-04333 Carburetor for MTD Ryobi 700r 720r 704r ...

Bolens BL150 41BD150G163 41BD150G163 BL150 Gas String ...

Bolens BL150 41BD150G163 41BD150G163 BL150 Gas String ...

Details about Carburetor Air filter for Walbro WT-827 WT-149A WT-275  WT-340-1 WT-454 WT-539

Details about Carburetor Air filter for Walbro WT-827 WT-149A WT-275 WT-340-1 WT-454 WT-539

Carburetor Air Fuel Tune Up Bulb Kit for Bolen BL410 BL100 ...

Carburetor Air Fuel Tune Up Bulb Kit for Bolen BL410 BL100 ...

Bolens BL150 31CC String Trimmer Start Up - Free Craigslist Find - April 7,  2013

Bolens BL150 31CC String Trimmer Start Up - Free Craigslist Find - April 7, 2013

0 Response to "43 bolens bl150 fuel line diagram"

Post a Comment

Iklan Atas Artikel

Iklan Tengah Artikel 1

Iklan Tengah Artikel 2

Iklan Bawah Artikel