Iklan 300x250

42 cub cadet 2166 wiring diagram

Cub Cadet Ltx 1050 Hydrostatic Oil Change - diepinselpiraten.de Mar 08, 2022 · As with all its models, Cub Cadet recommends changing the engine oil every 100 hours of use. Luckily, the powerful engine and other great features packed into the LT 1050 ensure that all of those expectations will be easily met. cub cadet sc2400. Cub Cadet LTX1050 50 in 24 HP V Twin Gas Hydrostatic Drive Front Engine Lawn Tractor LTX1050204694438. ใ‚ชใƒผใƒ—ใƒณใ‚ญใƒฃใƒณใƒ‘ใ‚นใฎ่จ˜ไบ‹ไธ€่ฆง|ๆœ€ๆ–ฐๆƒ…ๅ ฑ|ๅบƒๅณถใฎ็พŽๅฎนๅฐ‚้–€ๅญฆๆ ก|ๅบƒๅณถ... Mar 20, 2018 · 「ใ‚ใ‚ŠใŒใจใ†」ใจ่จ€ใ‚ใ‚Œใ‚‹็พŽๅฎนใฎใƒ—ใƒญใซใชใ‚‹。 ็พŽๅฎน・ใƒกใ‚คใ‚ฏ・ใ‚จใ‚นใƒ†・ใƒใ‚คใƒซ・ใƒ–ใƒฉใ‚คใƒ€ใƒซๅฐ‚้–€ๅญฆๆ กใฎๅบƒๅณถใƒ“ใƒฅใƒผใƒ†ใ‚ฃใƒผ&ใƒ–ใƒฉใ‚คใƒ€ใƒซๅฐ‚้–€ๅญฆๆ กใฏ、็พŽๅฎนๅธซๅ›ฝๅฎถ่ณ‡ๆ ผๅˆๆ ผ่€…ๆ•ฐๅ…จๅ›ฝ№1★่‡ชๅˆ†ใซๅˆใฃใŸใ‚ณใƒผใ‚นใ‚’้ธใณ、ใƒ—ใƒญใฎๅ…ˆ็”ŸใŒใ„ใคใงใ‚‚ใใฐใซใ„ใ‚‹็’ฐๅขƒใงๆ†งใ‚Œใฎ็พŽๅฎนใ‚’ๅญฆในใ‚‹♪ใƒ˜ใ‚ข・ใƒกใ‚คใ‚ฏ ...

Cub Cadet Wiring Diagram - Wirings Diagram Cub Cadet Wiring Diagram - cub cadet 100 wiring diagram, cub cadet 127 wiring diagram, cub cadet 149 wiring diagram, Every electrical structure is made up of various different components. Each part should be placed and linked to different parts in particular way. Otherwise, the structure won't function as it ought to be.

Cub cadet 2166 wiring diagram

Cub cadet 2166 wiring diagram

Electrical Wiring Diagrams - Cub Cadet Electrical wiring diagrams may be found in the Operator's Manual. More in-depth electrical troubleshooting information may also be found in the Professional Shop Manual for the product. For electrical diagrams for specific engines and independent brands, see below. Please use the following links to contact the engine manufacturers via their web ... Cub Cadet 2166 Wiring Diagram Need wiring diagram for Cub Cadet for Model #2166. Rugged enough for professional use. Jan 02, · SOURCE: Cub Cadet series. Mower will not engage. Unfortunately, the circuit is a little complicated - it involves the "PTO switch" (the switch you pull on to engage the mower), a "reverse switch" that senses if you've put the mower in reverse, and ... [email protected] - mx5-freunde-harz.de 2 days ago · KOHLER Engines Service Manual COMMAND 11, 12. charging system kohler engine lawnsite, kohler 15 hp cv15s wiring diagram circuit diagram maker, kohler command 25 hp parts diagram carwallps com, kohler wiring diagram engine diagrams best place to find, my craftsman lawn tractor with a 15 5 kohler will not, can i get a wiring diagram for a ...

Cub cadet 2166 wiring diagram. Repairs - Cub Cadet model 2166 Starts then Dies (Second ... Cub Cadet Garden Tractor - Model 2166 | Cub Cadet US. Find parts for your 2166 Cub Cadet Garden Tractor. Parts diagrams and manuals available. Free shipping on parts orders over $45. Suggestion: purchase CUB CADET OEM parts, not cheap knock-offs. Cub Cadet 2166 Belt Diagram - Wiring Diagrams Free DOWNLOAD Cub Cadet 2166 Belt Diagram. Close DOWNLOAD. ... (13AG, 13AG) - Cub Cadet Lawn Tractor Diagrams and order Genuine Cub Cadet Mowers: lawn. View and Download Cub Cadet operator's manual online. Open the tractor hood and remove the forward end of the PTO belt from the PTO clutch pulley. ... Wiring Diagram For Fuel Injectors 1999 3.3l ... Cub Cadet Wiring Diagram Series 2000 - Wiring Diagram Cub Cadet Wiring Diagram Series 2000. By Admin | December 10, 2017. 0 Comment. Wiring diagrams nf only cub cadets cadet faq diagram 82 series roland s fancy colored ih tractor forum 1862 w kohler m18 no spark but turns over lawnsite is the largest and most active online serving green industry professionals xt1 repair manual slide share 1872 ... Best Of Cub Cadet 2166 Wiring Diagram | Wiring ... - Pinterest Sep 2, 2020 - Cub Cadet 2166 Wiring Diagram . Best Of Cub Cadet 2166 Wiring Diagram . Cub Cadet 2166 Wiring Diagram. Cub Cadet 2166 Wiring Diagram. Cub Cadet Wiring Diagram Pics

Cub Cadet 2166 Wiring Diagram - schematron.org Cub Cadet 2166 Wiring Diagram. schematron.org - Select Cub Cadet Tractor Diagrams and order Genuine Cub Cadet Mowers: lawn & garden tractor Parts. Easy Ordering, Fast Shipping. schematron.org - Order Genuine Cub Cadet Parts for the Cub Cadet (13A- G, 13AG) - Cub Cadet Lawn Tractor Mowers: lawn & garden. Cub cadet seat switch wiring diagram cub ... [email protected] - one-348.de Mar 09, 2022 · Replaced fuel pump, battery, and Dec 05, 2015 · I have a Cub Cadet Super LT 1550. Performance. At the time of initial writing, 28 died. I have a cub cadet 2166 series riding lawnmower that appears to have an electrical problem. Member. Common solutions for: Cub Cadet Lawn mower starts then stalls. Cub Cadet Garden Tractor - Model 2166 | Cub Cadet US Find parts for your 2166 Cub Cadet Garden Tractor. Parts diagrams and manuals available. Free shipping on parts orders over $45. Cub Cadet Knocking Noise - reparaturerlebnis.de Cub Cadet Knocking Noise. email protected]

Cub Cadet 2166 lawn tractor: review and specs - Tractor Specs The Cub Cadet 2166 is a 2WD lawn tractor from the 2000 series. This tractor was manufactured by the Cub Cadet (a part of MTD) from 2000 to 2003. The Cub Cadet 2166 is equipped with a 0.4 L single-cylinder gasoline engine and shaft-driven hydrostatic transmission with infinite forward and reverse gears. Cub Cadet 2166 (13A-214G100) - Cub Cadet ... - PartsTree Cub Cadet repair parts and parts diagrams for Cub Cadet 2166 (13A-214G100) - Cub Cadet Garden Tractor 2165 wiring diagram | IH Cub Cadet Tractor Forum Help Support IH Cub Cadet Forum: M. mgkemp New member. Joined Mar 24, 2009 Messages 2 displayname Morris Kemp Mar 25, 2009 #1 Can someone supply me with an copy of an 2165 wiring diagram ? kmcconaughey Keeper of the Photos. Staff member. Administrator. Moderator. Joined Aug 4, 2006 Messages 18,017 Location Wisconsin displayname Kraig McConaughey Cub Cadet Wiring Diagram | Fuse Box And Wiring Diagram Description : Ih Cub Cadet Forum: Wiring Diagram For 1641 Needed with regard to Cub Cadet Wiring Diagram, image size 972 X 701 px, and to view image details please click the image. Here is a picture gallery about cub cadet wiring diagram complete with the description of the image, please find the image you need.

Cub Cadet Wiring Schematics

Cub Cadet Wiring Schematics

Cub Cadet Wiring Schematics - Cub Cadet Parts N More In addition to these Cub Cadet Spec Sheets, you can also view a number of Cub Cadet Manuals for some of the most popular Cub Cadet outdoor power equipment. Cub Cadet 2000 Series Wiring Schematics Cub Cadet 2130 Series (1994-1995) Wiring Schematic

TractorData.com Cub Cadet 2166 tractor information

TractorData.com Cub Cadet 2166 tractor information

Quick View. Frustrating! I discovered, at least on my ... NLA from MTD/Cub Cadet. 1440 Cub Cadet Wiring Diagram 1440 14a 663 100 146 633 100 cub cadet garden tractor, 1440 cub cadet electric wiring diagram books pdf database, ih cub cadet forum wiring diagram, cub cadet 1440 pto ebay, electrical wiring diagrams support cubcadet com, cc zenoah g20 spark plug downloaddescargar com, cadet connection, cub ...

Cub Cadet 2166 Tractor 13A-214G100 13A-254G100 Battery ...

Cub Cadet 2166 Tractor 13A-214G100 13A-254G100 Battery ...

PDF Cub Cadet 1650 Wiring Diagram - git6.tacticaltech.org April 13th, 2019 - Cub cadet wiring diagram 1250 thank you for visiting our site this is images about cub cadet wiring diagram 1250 posted by Ella Brouillard in Cub category on Apr 04 2019 You can also find other images like images wiring

Cub Cadet Lawn Mower Transmission Drive Belt, OCC-754-0461

Cub Cadet Lawn Mower Transmission Drive Belt, OCC-754-0461

Different Cub Cadet 2166 Start Problem - Only Cub Cadets I have a wiring diagram for the 2166 from CUBCADETPARTSNMORE.COM site, but not being expert enough, I can't figure out which wire at the solenoid (assuming in one of those Molex type connectors) gets the positive probe to see if voltage is getting through to where it is needed at the solenoid with the key in the start position.

Cub Cadet 42 in. PTO Belt, CC-754-3055A

Cub Cadet 42 in. PTO Belt, CC-754-3055A

Cub Cadet 2166 Wiring Diagram Collection Cub Cadet 2166 Wiring Diagram from toshibadiagram.magnetikitalia.it Print the cabling diagram off and use highlighters to trace the signal. When you employ your finger or stick to the circuit with your eyes, it's easy to mistrace the circuit. 1 trick that I 2 to print out a similar wiring picture off twice.

The headlamp bulb on my ltx1050 cub cadet fell on the - Fixya

The headlamp bulb on my ltx1050 cub cadet fell on the - Fixya

Cub Cadet 2166 Tractor, 13A-214G100, 13A-254G100 Parts Cub Cadet 2166 Tractor, 13A-214G100, 13A-254G100 Parts

Command 18 swap into a 782 (wiring) | IH Cub Cadet Tractor Forum

Command 18 swap into a 782 (wiring) | IH Cub Cadet Tractor Forum

2166 Cub Cadet Pto Switch Wiring Diagram 2166 Cub Cadet Pto Switch Wiring Diagram. Tractor, 13AG, 13AG Parts Catalog Lookup. Buy Cub Cadet Parts Online & Save! Battery, Electrical Components And Switches 2, RETAINER SWITCH, Bracket, PTO Switch Retainer, , $, 1 in stock, 1 4, HARNESS ASM-KH 1, Wire Harness, S.A.M., A, $, business. I took it off my after the second time it shut off.

Cub Cadet 2166 Tractor, 13A-214G100, 13A-254G100 Parts

Cub Cadet 2166 Tractor, 13A-214G100, 13A-254G100 Parts

Lookup Parts Via Diagram | Cub Cadet US Lookup Parts via Diagram. Use our parts diagram tool below to find the parts you need for your machine. Select the model and year, then browse the parts diagrams to find the right part. Add to cart when you're ready to purchase and we'll ship it to you as soon as possible! This is the most current part for this model.

Fixed My PTO not engaging Issue - 38 Inch Cub Cadet Riding Lawn Mower

Fixed My PTO not engaging Issue - 38 Inch Cub Cadet Riding Lawn Mower

2166 - how hard is it to replace the interlock brake ... Cub Cadet I realize this is an old thread but can you tell me where the brake switch is located on your 2166? I have a starting issue that I'm trouble shooting but the wiring diagram nor the parts diagram show the exact location of the brake switch.

Cub Cadet FAQ

Cub Cadet FAQ

Cub Cadet Ignition Switch Wiring Diagram - Database ... Cub Cadet Ignition Switch Wiring Diagram. Print the wiring diagram off plus use highlighters to trace the signal. When you make use of your finger or perhaps the actual circuit with your eyes, it is easy to mistrace the circuit. 1 trick that We 2 to printing a similar wiring plan off twice.

I need to know what wires go where on key switch cub cadet ...

I need to know what wires go where on key switch cub cadet ...

sebastian-goers.de Mar 05, 2022 · Cub cadet choke problems Cub cadet choke problems 301 Moved Permanently. pl Cub Cadet 2000 Series Wiring Schematics Cub Cadet 2130 Series (1994-1995) Wiring Schematic Cub Cadet produces a full line of outdoor power equipment and for repairs they provide the Cub Cadet service manual PDF download - includingIH Cub Cadet Classifieds - For Sale ...

Pin on Animals

Pin on Animals

Cub Cadet 2166 Parts Diagrams - Cub Cadet Parts N More Find Cub Cadet Parts, Cub Cadet Blades, and Cub Cadet Belts and more. Also Save on MTD Parts, and Troy Bilt parts and Kohler Engine Parts. ... Cub Cadet 2166 Parts Diagram. Cub Cadet 2166 Lawn Tractor... Walk Behind Mower . CC760, CC760ES . 19A20001 . 42"/46" LTX Tractors . LTX1040, LTX1042, LTX1045, LTX1046 . 19A30003 .

Wire Identification For CC 1650 | Garden Tractor Forums

Wire Identification For CC 1650 | Garden Tractor Forums

Cub Cadet Ltx 1050 Hydrostatic Oil Change Mar 08, 2022 · The Cub Cadet oil change kit is for use with many Cub Cadet riding mowers with Kohler engines. Cub Cadet LTX1050KW: Snow Plowing (5in). About 80% of hydraulic failure in a cadet hydrostatic transmission of Cub Cadet 1050 or other model is caused by air contamination.

cub cadet 2165 blowing fuses. | My Tractor Forum

cub cadet 2165 blowing fuses. | My Tractor Forum

2166 Cub Cadet Pto Switch Wiring Diagram - schematron.org 2166 Cub Cadet Pto Switch Wiring Diagram 11.09.2018 11.09.2018 4 Comments on 2166 Cub Cadet Pto Switch Wiring Diagram schematron.org Unfortunately, the circuit is a little complicated - it involves the "PTO switch" (the switch. schematron.org - Order Genuine Cub Cadet Parts for the Cub Cadet (13A- G, Battery, Electrical Components And Switches.

Briggs & Stratton 092988-2166-99 Carburetor And Fuel Tank ...

Briggs & Stratton 092988-2166-99 Carburetor And Fuel Tank ...

[email protected] - das-uhrwerk.de 2 days ago · Wiring diagram for a model cv16s can engine w voltage regulator replaced kohler no spark issue my odd starting problem on sears with cv16 43515 murray 16 hp 11 9 kw repower help wheel horse command cv11 cv460 465 cv490 495 43516 dixon industries 43526 john deere service manual pdf simplicity broadmoor 38 lawn tractor to switch ongines com ...

cub cadet 2165 blowing fuses. | My Tractor Forum

cub cadet 2165 blowing fuses. | My Tractor Forum

afakom.blogspot.co.id | MikroTik | Linux | Pemrograman | Blogging Feb 28, 2022 · Cub Cadet 1045 Wiring Harness Cub Cadet Wiring Schematic Kohler. 17 Votes) When you can't look on the bright side, I will sit with you in the dark. My name is Lisa Bottiglio and I will be your child’s teacher in the Cub Cadet Pre-K classroom. 5: Chute Rotates Up To 2.

CUB CADET SERIES 2000

CUB CADET SERIES 2000

Cub Cadet Ignition Switch Wiring Diagram - easywiring Cub cadet 2166 ignition switch wiring diagram. More in depth electrical troubleshooting information may also be found in the professional shop manual for the product. Read push button ignition switch wiring diagram database. Occasionally we may need to slightly customize layout color or even equipment.

www.mymowerparts.com For Discount Cub Cadet Parts Call 606 ...

www.mymowerparts.com For Discount Cub Cadet Parts Call 606 ...

Cub Cadet Tractor | 2166 | eReplacementParts.com Cub Cadet 2166 (13A-214G100, 13A-254G100) Tractor Parts. Search within model. bubbles. Questions & Answers. 42" Deck Assembly. 42" Spindle Assembly. Air Intake and Filter. Battery, Electrical Components and Switches. Blower Housing and Baffles.

SOLVED: Need schematic for cub 2166 please help - Fixya

SOLVED: Need schematic for cub 2166 please help - Fixya

Cub Cadet 2166 electrical issue - Lawn Mower Forum Cub Cadet 2166 electrical issue. Thread starter bigd01; Start date Jun 21, 2017; B. bigd01 Forum Newbie. Joined May 30, 2017 Threads 2 Messages 5. Jun 21, 2017 #1 So this this mower had sat for a while and i decided to to try and start it. When i charged it and turned the key the thing immediately started turning over, and its not supposed to ...

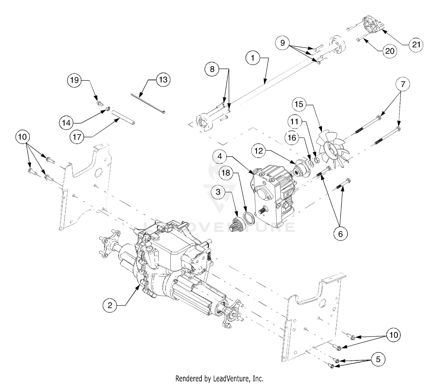
Cub Cadet 2166 Tractor 13A-214G100 13A-254G100 Drive Line

Cub Cadet 2166 Tractor 13A-214G100 13A-254G100 Drive Line

Cub Cadet Parts Diagrams, Cub Cadet 2166 Tractor 13A ... Cub Cadet Parts Diagrams, Cub Cadet 2166 Tractor 13A-214G100 13A-254G100 . 42" Deck Assembly. 42" Spindle Assembly. Air Intake And Filter. Attachment; Battery, Electrical Components And Switches. Blower Housing And Baffles. Brake And Control Pedals. Bulkhead, Dash Panel And Engine Controls ...

Bad Boy Parts Lookup 2013 CZT Engine (Kawasaki FS730V)

Bad Boy Parts Lookup 2013 CZT Engine (Kawasaki FS730V)

[email protected] - mx5-freunde-harz.de 2 days ago · KOHLER Engines Service Manual COMMAND 11, 12. charging system kohler engine lawnsite, kohler 15 hp cv15s wiring diagram circuit diagram maker, kohler command 25 hp parts diagram carwallps com, kohler wiring diagram engine diagrams best place to find, my craftsman lawn tractor with a 15 5 kohler will not, can i get a wiring diagram for a ...

cub cadet 2166 - YouTube

cub cadet 2166 - YouTube

Cub Cadet 2166 Wiring Diagram Need wiring diagram for Cub Cadet for Model #2166. Rugged enough for professional use. Jan 02, · SOURCE: Cub Cadet series. Mower will not engage. Unfortunately, the circuit is a little complicated - it involves the "PTO switch" (the switch you pull on to engage the mower), a "reverse switch" that senses if you've put the mower in reverse, and ...

2166 Cub Cadet PTO .... HELP! | My Tractor Forum

2166 Cub Cadet PTO .... HELP! | My Tractor Forum

Electrical Wiring Diagrams - Cub Cadet Electrical wiring diagrams may be found in the Operator's Manual. More in-depth electrical troubleshooting information may also be found in the Professional Shop Manual for the product. For electrical diagrams for specific engines and independent brands, see below. Please use the following links to contact the engine manufacturers via their web ...

Cub Cadet 2166 (13A-214G100) - Cub Cadet Garden Tractor ...

Cub Cadet 2166 (13A-214G100) - Cub Cadet Garden Tractor ...

Pin on john deere

Pin on john deere

Welcome to the Small Engine and Garden Tractor Pulling Tips ...

Welcome to the Small Engine and Garden Tractor Pulling Tips ...

I need a wiring diagram for My cub cadet model 1225 Note ...

I need a wiring diagram for My cub cadet model 1225 Note ...

My cub cadet lt 1045 won't start unless I jump it. After it ...

My cub cadet lt 1045 won't start unless I jump it. After it ...

Wire Identification For CC 1650 | Garden Tractor Forums

Wire Identification For CC 1650 | Garden Tractor Forums

Cub Cadet 2166 Lawn Mower User Manual | Manualzz

Cub Cadet 2166 Lawn Mower User Manual | Manualzz

Cub Cadet 2166 Operators Manual ManualsLib Makes It Easy To ...

Cub Cadet 2166 Operators Manual ManualsLib Makes It Easy To ...

I have a 2185 Cub Cadet that won't start. I have jumped the ...

I have a 2185 Cub Cadet that won't start. I have jumped the ...

Cub Cadet 2166 Tractor 13A-214G100 13A-254G100 Crankcase

Cub Cadet 2166 Tractor 13A-214G100 13A-254G100 Crankcase

1862 wiring diagram | IH Cub Cadet Tractor Forum

1862 wiring diagram | IH Cub Cadet Tractor Forum

Cub Cadet 2166 Tractor 13A-214G100 13A-254G100 Ignition ...

Cub Cadet 2166 Tractor 13A-214G100 13A-254G100 Ignition ...

Atlas Copco Workshop Manuals Pack | Auto Repair Manual Forum ...

Atlas Copco Workshop Manuals Pack | Auto Repair Manual Forum ...

Liquid ring vacuum pump and compressor in Poly Butadiene II ...

Liquid ring vacuum pump and compressor in Poly Butadiene II ...

Cub Cadet 2166 Tractor 13A-214G100 13A-254G100 Crankcase

Cub Cadet 2166 Tractor 13A-214G100 13A-254G100 Crankcase

Cub Cadet 2166 (13A-254G100) - Cub Cadet Garden Tractor Parts ...

Cub Cadet 2166 (13A-254G100) - Cub Cadet Garden Tractor Parts ...

Pto does not engage blades right away you have to be moving ...

Pto does not engage blades right away you have to be moving ...

Buy JEENDA Blade Clutch PTO Switch 925-3233A 9253233 725 ...

Buy JEENDA Blade Clutch PTO Switch 925-3233A 9253233 725 ...

Cub Cadet 2166 (13A-214G100) - Cub Cadet Garden Tractor ...

Cub Cadet 2166 (13A-214G100) - Cub Cadet Garden Tractor ...

0 Response to "42 cub cadet 2166 wiring diagram"

Post a Comment

Iklan Atas Artikel

Iklan Tengah Artikel 1

Iklan Tengah Artikel 2

Iklan Bawah Artikel