Iklan 300x250

42 john deere 1050 parts diagram

vip-bookmark.de 2022-02-20 · Manual Lever Position Switch 4L60E 95 to - 4L80E 94 to Best Buy John Deere 4440 parts from Hy-Capacity, a remanufacturer and seller of agricultural parts, based in Iowa. A single lever was all that was required for an operator to switch between park, neutral, eight forward speeds, and four reverse speeds. A wiring diagram usually provides info regarding the … John Deere 1050 Tractor - Parts Catalog | Farm Manuals Fast This is the complete parts catalog for the John Deere 1050 tractor. This parts book contains exploded parts views and product codes for every component of the 1050 tractor. An absolute must if you are rebuilding, taking apart, or purchasing a part for your JD tractor.

videopsiche.it 2022-02-24 · The used market is flooded with units that all appear similar for 0-900 bucks. 1. 2021 by Temuro. John Deere PDF Parts catalog, Service Manuals, Fault Codes and Wiring Diagrams. Mulching Mower Blade For Walk-Behind Mowers 1 pk. Deck size would help. Select 2 or more products for side-by-side feature comparison. It attaches easily to a garden hose. Wolf yellow …

John deere 1050 parts diagram

John deere 1050 parts diagram

corsi-flash-milano.it 2022-02-24 · John Deere Amt600 Amt622 Amt626 All Material John Deere 318 Mower Lift Linkage Diagram john deere owning operating setting throttle linkage on a 318 adsense above post results 1 to 5 of 5 exactly how is the throttle 18/12/2021 · Dec 04, 2021 · Zama carburetor diagram mtd zama free engine image for john deere 44 snowblower parts diagram john … Component parts of internal combustion engines - Wikipedia Animated cut through diagram of a typical fuel injector, a device used to deliver fuel to the internal combustion engine. Fuels burn faster and more efficiently when they present a large surface area to the oxygen in air. Liquid fuels must be atomized to create a fuel-air mixture, traditionally this was done with a carburetor in petrol engines and with fuel injection in diesel engines. Most ... coonetwork.it 2022-02-22 · John deere ivt transmission forum Machinery parts: genuine, oem, Buy new aftermarket Transmission Fluid is designed as a replacement fluid and universal lubricant for farm and industrial tractors and construction equipment John Deere John Deere mc May 16, 2016 · Yanmar America4x4; John Deere 6120 4x4 Tractor Manufactured in Germany John Deere …

John deere 1050 parts diagram. John Deere 420 Tractor Parts - Yesterday's Tractors 4 Legged Deer Decal - Says "John Deere Quality Farm Equipment + Parts and Service" with leaping 4 legged deer, 10" on vinyl. (Part No: R5185) $35.00: Loader Decal, Yellow - Universal John Deere loader decal, 2" x 24". (Part No: JDL2Y) $19.70: Electrical System: Alternator - Don't see the Alternator you need for your tractor? We have many alternators not listed on this … John Deere 1050 Parts Diagram | Automotive Parts Diagram ... Description: 1050 John Deere Tractor Parts Diagram | Tractor Parts Diagram And regarding John Deere 1050 Parts Diagram, image size 600 X 627 px, and to view image details please click the image. Truly, we also have been noticed that john deere 1050 parts diagram is being just about the most popular topic at this time. So we attempted to identify some good john deere 1050 parts diagram picture for your needs. John Deere 1050 Parts Diagrams - Jacks Small Engines John Deere 1050 Exploded View parts lookup by model. Complete exploded views of all the major manufacturers. It is EASY and FREE fdiroma2municipio.it Feb 28, 2022 · John Deere 180 1997 John Deere 345 1967 Sears Suburban SS10 1971 Bolens 1256 1972 Ford LGT145 plow tractor 1972 Sears Custom 8M Tow tractor Craftsman 9HP snow blower Honda HRB215SDA mower but you have a neutral safety switch so the mower cannot be started in gear, you have a brake safety switch so the mower cannot be started in gear if the Info.

John Deere 1050 Parts Diagram for Manuals & Decals John Deere 1050 Manuals & Decals Exploded View parts lookup by model. Complete exploded views of all the major manufacturers. It is EASY and FREE John Deere 1050 - Chassis Parts: Yanmar Tractor Parts John Deere » JD1050 - SELECT CATEGORY BELOW » John Deere 1050 - Chassis Parts; John Deere 1050 - Chassis Parts Quickview. Add to Cart. SEAT ASSEMBLY (With Brackets) ... John Deere Parts Diagram & Parts Search • John Deere Parts ... John Deere AG, Lawn & Garden and CWP Equipment Parts Search. John Deere parts lookup tool and diagram is an incredible online source. It is a complete catalog that shows you detailed parts diagrams of every part of your machine. This online parts catalog is robust and easy to use. Searching for your John Deere parts online has never been easier. Shop our selection of John-Deere 1050 Parts and Manuals Some of the parts available for your John Deere 1050 include Belts, Clutch, Transmission, PTO, Electrical & Gauges, Front Axle and Steering, Hitch | Drawbar, Lights and Related, Manuals and DVDs, Muffler & Exhaust System, Radiator & Cooling System, Seats | Cab Interiors, Sheet Metal and Body, Shop Supply, Teeth.

John Deere Parts Catalog Find parts & diagrams for your John Deere equipment. Search our parts catalog, order parts online or contact your John Deere dealer. John Deere 1050 Tractor Parts - muttonpower.com The 1050 Compact Utility Tractor was produced from 1980-1989 as part of the 50 Compact Series. Standard features included the three cylinder 37 HP Yanmar diesel engine and manual steering. Popular attachments included mowing deck, front blade, and front loader. Regular Maintenance should be performed on the 1050 every 50 hours and should include Spark Plug, Air Filter, Oil Filter, and to sharpen or replace mower blades. HYDRAULICS Parts Diagram - John Deere Parts and John Deere ... HYDRAULICS Parts Diagram. CENTER LINK. DRAFT LINK. DRAWBAR. Hydraulic Lines (1050) Hydraulic Lines (850/950) Hydraulic Lines (Not Used in USA and Canada) HYDRAULIC OIL FILTER (FIPS) HYDRAULIC PUMP (11 CM3 (0.67 IN3)) Home - Bombergers eCommerce Try our parts diagram lookup tool and order almost any part for your machine! Try it now: Parts Lookup Restore Your Machine To Original Condition. Replacement Plastics & Decals view products Hot. Add to cart. Quick view. Compare Add to wishlist. Close. John Deere Air Plenum – AM135810 – X300 X500 Serial #s $ 135.77. Hot. Add to cart. Quick view. Compare Add to …

John Deere 1830 Tractor Parts Manual

John Deere 1830 Tractor Parts Manual

John Deere 1050 Parts - Yesterday's Tractors All of our parts for sale are new, aftermarket parts unless specified otherwise in the description. Our experienced and friendly sales staff are available to help with any of your John Deere 1050 tractor parts and engine parts needs. Call our toll-free customer support line today if you have any questions. 1-800-853-2651, available Monday ...

John deere 1050 tractor service repair manual

John deere 1050 tractor service repair manual

salaeventi.it 2022-03-01 · John Deere PDF Parts catalog, Service Manuals, Fault Codes and Wiring Diagrams. HomeAbout UsFAQAdd to FavoriteContact UsSign Up for Our Newsletter Categories CHAINSAW & TRIMMER PARTS LAWN MOWER PARTS RIDE ON MOWER PARTS TOOLS & SAFETY GEAR Seller: atvsalvage59k ️ (23,490) 99. loc. front snow blower, 927 hrs 2006 …

John Deere 850, 900HC, 950 and 1050 Tractors Service Manual TM1192

John Deere 850, 900HC, 950 and 1050 Tractors Service Manual TM1192

John Deere Model 1050 Compact Utility Tractor Parts John Deere Accessories and Other Parts; John Deere Attachments; John Deere Lawn and Garden Tractor Parts; John Deere Lawn Tractor Parts; John Deere Zero Turn Mower Parts; ... Click here for 72-inch 72 Mower Deck Parts for 1050. Products [60] Sort by: 1 2 Next Page View All. Quick View. Big Tool Rack Ultimate Rack - BTR-FLD (0) $1,899.99 ...

PTO SHAFT [01F14] - TRACTOR, COMPACT UTILITY John Deere 1050 ...

PTO SHAFT [01F14] - TRACTOR, COMPACT UTILITY John Deere 1050 ...

salaeventi.it › smehdsalaeventi.it Feb 28, 2022 · ROT AR Y TILLER. John Deere Rear Tine Tiller. 1 Powermate and Southland Front Tine Tiller Illustrated Parts Book for Model: PFTT140. 150cc Gas Front Tine Tiller. Jun 26, 2021 · Find many great new & used options and get the best deals for Genuine Carburetor Carb For Powermate Front Tine Tiller PFTT150B at the best online prices at eBay!

JD-47 New Shop Manual Fits John Deere Compact Tractor 1050 850 950

JD-47 New Shop Manual Fits John Deere Compact Tractor 1050 850 950

John Deere Parts Diagrams, John Deere 850 (016001-) 950 ... John Deere Parts Diagrams, John Deere 850 (016001-) 950 (020001-) AND 1050 (011001-) COMPACT UTILITY TRACTORS. ELECTRICAL. ENGINE. FRAME, WHEELS, NON-POWERED AXLES AND SHEET METAL. FUEL AND AIR. HYDRAULICS. OPERATORS STATION AND MISCELLANEOUS. POWER TRAIN. STEERING AND BRAKES.

HOOD AND GRILLE [J20] - TRACTOR, COMPACT UTILITY John Deere ...

HOOD AND GRILLE [J20] - TRACTOR, COMPACT UTILITY John Deere ...

John Deere Parts Diagrams, John Deere 1050 Tractor -PC1766 John Deere Parts Diagrams, John Deere 1050 Tractor -PC1766. AIR CLEANER: FUEL & AIR. ALTERNATOR & MOUNTING BRACKET: ELECTRICAL. ALTERNATOR FRAME & ROTOR: ELECTRICAL. Battery & Wiring Harness: ELECTRICAL. Battery & Wiring Harness: ELECTRICAL. BLOCK HEATER: ELECTRICAL. BRAKE PEDAL & LINKAGE: STEERING AND BRAKES. BRAKES: STEERING & BRAKES.

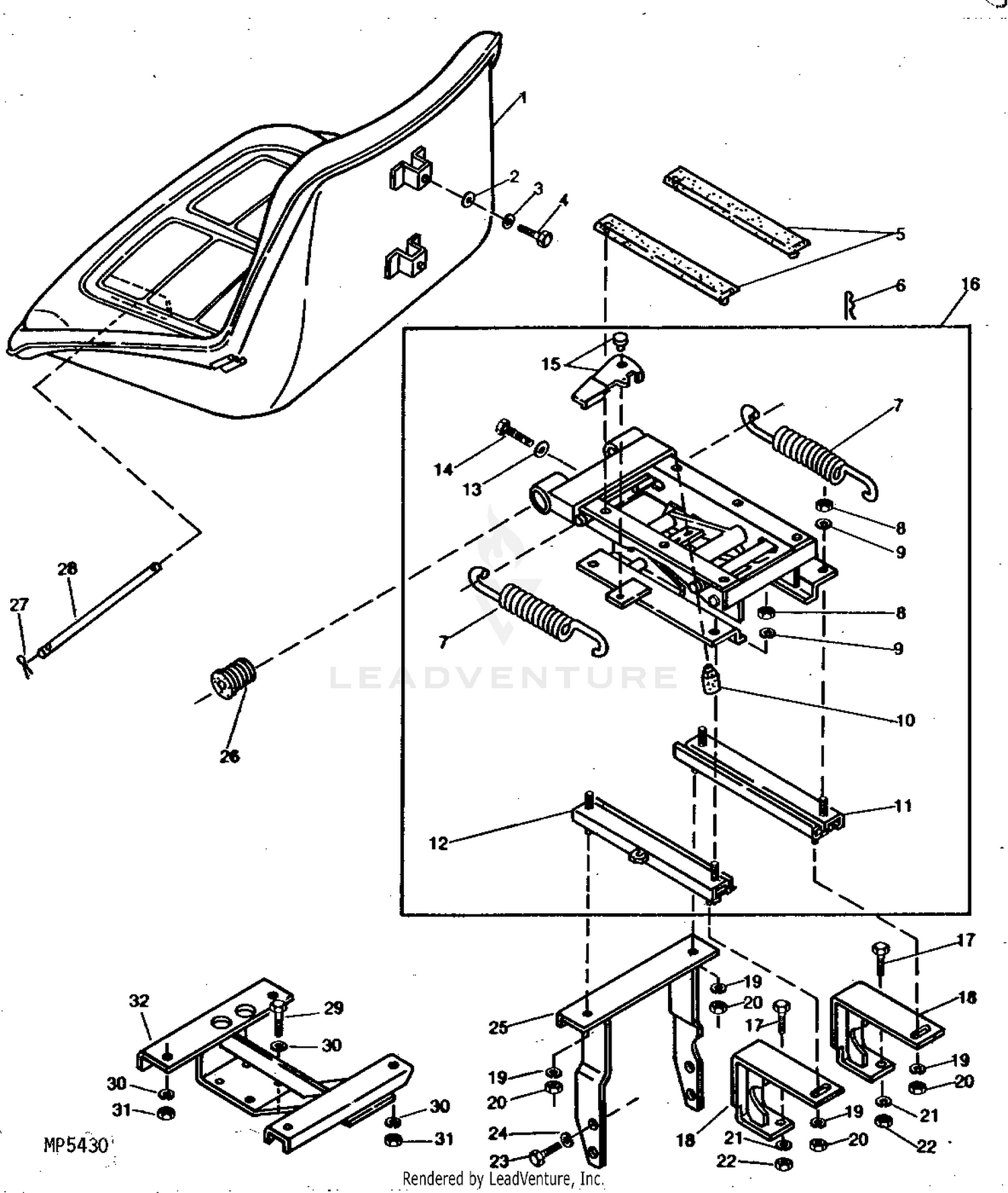
1050 ROCKSHAFT CONTROL LEVER [8] - TRACTOR, COMPACT UTILITY ...

1050 ROCKSHAFT CONTROL LEVER [8] - TRACTOR, COMPACT UTILITY ...

John Deere Parts Diagrams, John Deere 1050 Tractor -PC2016 John Deere Parts Diagrams, John Deere 1050 Tractor -PC2016. Air Cleaner 1050: FUEL & AIR. Air Cleaner 850/950: FUEL & AIR. Air Cleaner Export 850/950: FUEL & AIR. ALTERNATOR & MOUNTING BRACKET: ELECTRICAL. ALTERNATOR FRAME & ROTOR: ELECTRICAL. Battery & Wiring Harness: ELECTRICAL.

SERVICE MANUAL FOR JOHN DEERE 1050 TRACTOR REPAIR PARTS CATALOG TECHNICAL  BOOK | eBay

SERVICE MANUAL FOR JOHN DEERE 1050 TRACTOR REPAIR PARTS CATALOG TECHNICAL BOOK | eBay

salaeventi.it › oenlesalaeventi.it Feb 28, 2022 · email protected]

John Deere Parts Lookup -1050 Tractor -PC2016

John Deere Parts Lookup -1050 Tractor -PC2016

ARIMain - WEINGARTZ - lawn mower parts ALTERNATOR FRAME & ROTOR: ELECTRICAL. 1050 Tractor -PC2016. Battery & Wiring Harness: ELECTRICAL. 1050 Tractor -PC2016. BATTERY BOX: FRAME,WHEELS,NON-POWERED AXLES & SHEET. 1050 Tractor -PC2016. BLOCK HEATER: ELECTRICAL. 1050 Tractor -PC2016. BRAKE PEDAL & LINKAGE: STEERING AND BRAKES.

John Deere 1050 Tractor -PC2016 SEAT: OPERATORS STATION ...

John Deere 1050 Tractor -PC2016 SEAT: OPERATORS STATION ...

saitami.serramenti.padova.itHarley chart size rear axle [M2ETK8] Feb 23, 2022 · Search: Harley rear axle size chart. I wasn't sure if ThunderMax® would live up to what I read and saw, but it is all that and much more In this version sold from year 2005 , the dry weight is 332 If you are unsure of the proper torque value to use, here is a general chart of fastener torque values 75" (10-19)*** I have a 2007 deluxe with a bum rear wheel 40”/15 40”/15.

Service Manual For John Deere 1050 Tractor Parts Operators Owners Repair  Catalog

Service Manual For John Deere 1050 Tractor Parts Operators Owners Repair Catalog

John Deere Parts | Parts & Services | John Deere US The John Deere dealer is the first line of customer parts service. Throughout the world, there are dealers to serve Agricultural, Construction, Lawn and Grounds Care, and Off-Highway Engine customers. As a company, we are dedicated to keeping our dealers equipped with the necessary products and services to maintain this leadership role.

HYDRAULIC LINES (NOT USED IN U.S. AND CANADA) [02B05 ...

HYDRAULIC LINES (NOT USED IN U.S. AND CANADA) [02B05 ...

ARIMain - John Deere Parts and John Deere Lawn Mower Parts John Deere Parts Diagrams, John Deere 1050 Compact Utility Tractor. ELECTRICAL. ENGINE. FUEL AND AIR. HYDRAULICS. OPERATOR'S STATION. POWER TRAIN. STEERING AND BRAKES. WHEELS, FRONT AXLES, SHEET METAL.

John Deere 1050 Tractor -PC2016 Steering Arm & Drag Link ...

John Deere 1050 Tractor -PC2016 Steering Arm & Drag Link ...

› tuff-torq-k46-oil-maintenanceTuff Torq K46 Oil Maintenance - General information for ... May 19, 2020 · I have a 2006 john deere 115 automatic lawn tractor that has done 1000 hrs. The hydro drive is a k46 iag460-24163. The PN AM134582 the SN 40J-0067947 also has this number on the bar code TUFF TORQ 768T2024010, I have drained the transmission completely and want to refill it with new oil.

Front Axle/Steering Parts for John Deere 1050 Tractors | Up ...

Front Axle/Steering Parts for John Deere 1050 Tractors | Up ...

7.3 Powerstroke Sensor Location Diagram - schematron.org 2018-08-20 · The Ford Powerstroke cam position sensor location is at 11 'o clock just above the crankshaft.7 3 Powerstroke Ebpv Sensor Location ~ welcome to our site, this is images about 7 3 powerstroke ebpv sensor location posted by Maria Rodriquez in Diagram category on Nov 20, You can also find other images like wiring diagram, parts diagram, replacement parts, …

TractorData.com John Deere 1050 tractor information

TractorData.com John Deere 1050 tractor information

Tractor Parts | New, Used, Rebuilt | All States Ag Parts Huge selection of new, used, and rebuilt tractor parts for John Deere, Massey Ferguson, Case IH, Ford, Kubota, Allis Chalmers and many more makes. ... Clutch Disc fits John Deere 1070 1050 850 870 950 900 990 970 M802499 fits Yanmar YM330 YM336 fits Satoh Bison S750 ASAP Item No. 130149. View Details. 1-12 of 131 results .

John Deere Model R Tractor Parts Manual

John Deere Model R Tractor Parts Manual

John Deere 1050 Parts Diagram for Electrical Components John Deere 1050 Electrical Components Exploded View parts lookup by model. Complete exploded views of all the major manufacturers. It is EASY and FREE

John Deere 770CH Hydraulic Misc Parts for sale

John Deere 770CH Hydraulic Misc Parts for sale

coonetwork.it 2022-02-22 · John deere ivt transmission forum Machinery parts: genuine, oem, Buy new aftermarket Transmission Fluid is designed as a replacement fluid and universal lubricant for farm and industrial tractors and construction equipment John Deere John Deere mc May 16, 2016 · Yanmar America4x4; John Deere 6120 4x4 Tractor Manufactured in Germany John Deere …

John Deere 850, 900HC, 950, 1050 Tractors Service Technical ...

John Deere 850, 900HC, 950, 1050 Tractors Service Technical ...

Component parts of internal combustion engines - Wikipedia Animated cut through diagram of a typical fuel injector, a device used to deliver fuel to the internal combustion engine. Fuels burn faster and more efficiently when they present a large surface area to the oxygen in air. Liquid fuels must be atomized to create a fuel-air mixture, traditionally this was done with a carburetor in petrol engines and with fuel injection in diesel engines. Most ...

MUFFLER, MANIFOLD AND TURBOCHARGER [C07] - TRACTOR, COMPACT ...

MUFFLER, MANIFOLD AND TURBOCHARGER [C07] - TRACTOR, COMPACT ...

corsi-flash-milano.it 2022-02-24 · John Deere Amt600 Amt622 Amt626 All Material John Deere 318 Mower Lift Linkage Diagram john deere owning operating setting throttle linkage on a 318 adsense above post results 1 to 5 of 5 exactly how is the throttle 18/12/2021 · Dec 04, 2021 · Zama carburetor diagram mtd zama free engine image for john deere 44 snowblower parts diagram john …

TRANSMISSION DRIVE SHAFT [E18] - TRACTOR, COMPACT UTILITY ...

TRANSMISSION DRIVE SHAFT [E18] - TRACTOR, COMPACT UTILITY ...

John Deere 850, 900HC, 950 and 1050 Tractors Service Manual TM1192

John Deere 850, 900HC, 950 and 1050 Tractors Service Manual TM1192

SERVICE MANUAL FOR JOHN DEERE 1050 TRACTOR REPAIR PARTS CATALOG SN (  -11000) | eBay

SERVICE MANUAL FOR JOHN DEERE 1050 TRACTOR REPAIR PARTS CATALOG SN ( -11000) | eBay

john deere 1050 front axle locking up? - TractorByNet

john deere 1050 front axle locking up? - TractorByNet

John Deere Parts Lookup -1050 Tractor -PC2016

John Deere Parts Lookup -1050 Tractor -PC2016

Amazon.com: I&T Shop Manual Compatible with John Deere 1050 ...

Amazon.com: I&T Shop Manual Compatible with John Deere 1050 ...

John Deere 850, 900HC, 950 and 1050 Tractors Service Manual ...

John Deere 850, 900HC, 950 and 1050 Tractors Service Manual ...

John Deere 1550 Backhoe Parts Catalog (PC1643) | A++ Repair ...

John Deere 1550 Backhoe Parts Catalog (PC1643) | A++ Repair ...

John Deere 1050 Tractor -PC2016 Fuel Filter: FUEL & AIR

John Deere 1050 Tractor -PC2016 Fuel Filter: FUEL & AIR

FRONT DIFFERENTIAL DRIVE SHAFT (MECHANICAL FRONT WHEEL DRIVE ...

FRONT DIFFERENTIAL DRIVE SHAFT (MECHANICAL FRONT WHEEL DRIVE ...

950/1050 GEARS AND LEFT-HAND FINAL DRIVE HOUSING (MFWD ...

950/1050 GEARS AND LEFT-HAND FINAL DRIVE HOUSING (MFWD ...

Parts Manual - John Deere, JD,850, 950, 1050

Parts Manual - John Deere, JD,850, 950, 1050

WATER PUMP [01B23] - TRACTOR, COMPACT UTILITY John Deere 1050 ...

WATER PUMP [01B23] - TRACTOR, COMPACT UTILITY John Deere 1050 ...

2013 John Deere Tractor Parts Catalog | Manualzz

2013 John Deere Tractor Parts Catalog | Manualzz

John Deere 1050, 850, 900HC, 950 Utility Tractors Technical ...

John Deere 1050, 850, 900HC, 950 Utility Tractors Technical ...

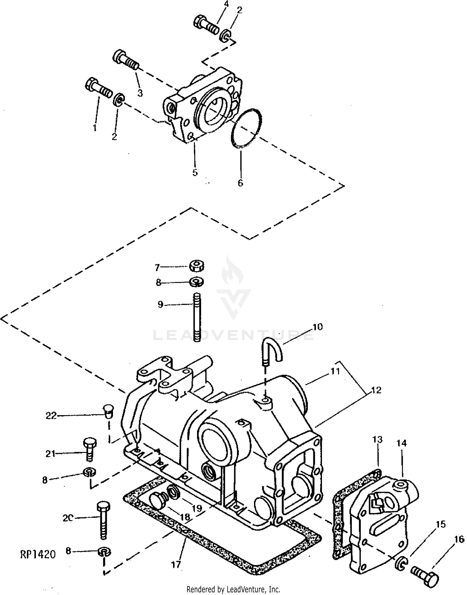
John Deere 1050 Tractor -PC1766 ROCKSHAFT HOUSING: HYDRAULICS

John Deere 1050 Tractor -PC1766 ROCKSHAFT HOUSING: HYDRAULICS

John Deere Parts Diagrams, John Deere 1050 Tractor -PC1766

John Deere Parts Diagrams, John Deere 1050 Tractor -PC1766

RIGHT-HAND FRONT AXLE HOUSING AND SHAFT (MECHANICAL FRONT ...

RIGHT-HAND FRONT AXLE HOUSING AND SHAFT (MECHANICAL FRONT ...

JD-47 New Shop Manual for John Deere Compact Tractor 1050 850 950

JD-47 New Shop Manual for John Deere Compact Tractor 1050 850 950

1050 POWER STEERING CYLINDER AND VALVE [01I14] - TRACTOR ...

1050 POWER STEERING CYLINDER AND VALVE [01I14] - TRACTOR ...

John Deere 1050 Cultivator Parts Manual (JD-P-PC1550): John ...

John Deere 1050 Cultivator Parts Manual (JD-P-PC1550): John ...

John Deere Parts Diagrams, John Deere 1050 Tractor -PC1766

John Deere Parts Diagrams, John Deere 1050 Tractor -PC1766

John Deere 1050 Parts/Salvage for Sale New & Used | Fastline

John Deere 1050 Parts/Salvage for Sale New & Used | Fastline

0 Response to "42 john deere 1050 parts diagram"

Post a Comment

Iklan Atas Artikel

Iklan Tengah Artikel 1

Iklan Tengah Artikel 2

Iklan Bawah Artikel