43 honda rancher 350 carburetor diagram
salaeventi.it Vor 2 Tagen · Locate three carburetor adjustment screw found on the side of the fan housing and start Oct 09, 2018 · Poulan Chainsaw Carburetor Fuel Line Diagram. Craftsman 16 36cc Chainsaw Manual Diagram. 3D Mortal Kombat Girls. 11. 2 days ago · Craftsman 16 36cc chainsaw parts diagramA chainsaw (or chain saw) is a portable gasoline-, electric-, or battery … Honda TRX350 Rancher Repair Manual 2000-2006 - Clymer Honda TRX350TE FourTrax Rancher ES. If your dilemma is the 2001 Honda TRX350TE meter quit working, or you need to tackle myriad other potential issues with your Honda 350 Fourtrax, such as problems with the Honda Rancher carburetor, this manual includes a carburetor diagram of the...
HONDA TRX400FA SERVICE MANUAL Pdf Download | ManualsLib View and Download Honda TRX400FA service manual online. 2004-2007. TRX400FA offroad vehicle pdf manual download. Also for: Trx400fga, Trx400 fa 2004 fourtrax rancher, Trx400 fga 2004 fourtrax rancher, Trx400 fa 2005 fourtrax rancher, …

Honda rancher 350 carburetor diagram
Honda rancher 350 carburetor diagram Honda Rancher carb rebuild and ride - YouTube. 2002 Honda FourTrax Rancher 350 4X4 ES TRX350FE CARBURETOR Parts at BikeBandit.com. The Web's most trusted source for 2002 Honda FourTrax Rancher 350 ... diagrams ... Carburetor Rebuild Kit Repair Compatible With Honda TRX350... Compatible with: Honda TRX350 Rancher 350 2004 2005 2006. CLICK HERE for more product info including updated prices, images & customer reviews. 2004 2005 2006 Carb CARBURETOR Compatible Honda RANCHER Rebuild Repair TRX350. fdiroma2municipio.it 28.02.2022 · Our Predator 670cc 22 HP V-Twin Horizontal Engine is a great replacement for your Honda GX630, 688cc, Honda GX660, 688cc, Honda GX690, 688cc, Briggs Clarke TRX TR200 Gas Tank (1986-1987) All Clarke Tanks Take 2-3 weeks to ship as they are built on demand. This clutch kit for the 400EX includes 8 new clutch fibres, 7 new clutch. I need help with a 2003 …
Honda rancher 350 carburetor diagram. ilgufoensi.it Vor 2 Tagen · email protected] HONDA FOURTRAX TRX300 SERVICE MANUAL Pdf Download | … View and Download Honda Fourtrax TRX300 service manual online. Fourtrax TRX300 offroad vehicle pdf manual download. Also for: Fourtrax trx300fw. Honda TRX 350 Carburetor Diagram - Bing images 33 Honda Rancher 350 Carburetor Diagram - Wiring Diagram ... Carburetor compatible for Honda 350 Rancher TRX350TE... Maxpeedingrods provide quality CARBURETOR CARB compatible for Honda TRX300FW 1993-2000 2000 - 2006 TRX 350 FE. Get your quality replacement car parts with one year warranty and express delivery on Maxpeedingrods. You will have high quality and the best service.
Honda ATV Carburetor Cleaning | Honda TRX350 - YouTube Honda Rancher Rear Differential Oil Change | Partzilla.com. Honda ATV Parts 2003 TRX350TM CARBURETOR Diagram. Honda Rancher 350 Carburetor Diagram Will your Honda rancher 350 not start??? As you saw last week we got another Honda so it's time to get it going first we are putting ... Our 2000 Honda TRX350TEY Rancher ATV have never run perfectly since we got it last summer. Despite rebuilding the ... 2002 HONDA RANCHER 350 4X4 Parts & Accessories Displaying parts for your 2002 HONDA RANCHER 350 4X4. Change or remove machine. All Balls Carburetor Repair Kit$28.81$32.01 You save 10%. Amazon.com: Honda 350 Rancher Carburetor JOD TRX350 Carburetor compatible with Honda Rancher 350 TRX350 350ES 350FE 350FMTE 350TM 2000-2006 atv 4 Stroke Carburetor with Black Throttle Base Cover+Air Filter+Oil Filter+Fuel Filter.
honda trx 350 fe carburetor diagram for sale pdf service manual PDF Preview. Complete, detailed, searchable and indexed factory service manual for Honda TRX350 Rancher 2000-2003. This manual covers 4 types of TRX350 models: TM 2WD/Left foot operated gearshift TE 2WD/Electric shift program (ESP) FM 4WD/Left foot operated gearshift FE 4WD/Electric... HONDA 350 TRX350 WIRING DIAGRAM & PARTS GUIDE... | eBay Find many great new & used options and get the best deals for HONDA 350 TRX350 WIRING DIAGRAM & PARTS GUIDE 2000 2001 2002 2003 RANCHER 350 at the best online prices at eBay! Honda CB750 Police Wiring diagram in color. Honda Shadow Carburetor Hose Diagram - Atkinsjewelry Honda rancher 350 carburetor hose diagram pretty carburetors 400ex carb diagram 16 11 tramitesyconsultas co honda rancher 350 carburetor hose Honda shadow 600 carburetor hose diagram image and wallpaper. Its uncorked and has an fmf slip on exhaust along with daves mod done. SOLVED: I put a new carburetor on my 350 rancher and the - Fixya honda rancher 350 troubleshooting Questions & Answers . Then reconnect the cable at the carburetor/induction module throttle plate linkage and insert the new cable in the cable stop. Adjust the cable so that you have just a bit of freeplay in them and check to see if the throttle will snap closed on...
BikeBandit.com - America's Best Motorcycle Parts ... 1983 Yamaha Tri-Moto 200E YTM200EK Parts & OEM Diagram; 1986 Honda FourTrax 250 TRX250R Parts & OEM Diagram; 1986 Honda FourTrax Foreman 350 4X4 TRX350 Parts & OEM Diagram; 1996 Honda FourTrax 300 TRX300 Parts & OEM Diagram; 2001 Honda FourTrax Rancher 350 4X4 ES TRX350FE CARBURETOR Parts & OEM Diagram

Carburetor with Throttle Cable Fit for 16100-HN5-672 Honda Rancher 350 Foreman 400 450 TRX350 TRX400FW
Tools and Parts - Honda Rancher 350 Carb Clean & Rebuild Clean the Carburetor on a Honda TRX 350 Rancher. Step 1. Remove the seat, set the petcock to OFF and disconnect one of the battery cables to eliminate Step 3. Remove the carburetor by loosening the clamp on the carburetor intake and taking off the intake pipe. Next, remove the various vent...
2003 Honda Rancher 350 carburetor fix | Видео 2003 Honda Rancher 350 carburetor fix. Honda Rancher ATV Carb CleaningПодробнее. Honda Rancher 350 Won't Idle FixПодробнее. The RIGHT way to replace a carburetor on a 2002 Honda rancher 350 ESПодробнее. Ремонт карбюратора honda recon es recon 250esПодробнее.
2005 Honda Rancher 350 Carburetor Diagram Sketch Coloring Page 2005 Honda Rancher 350 Carburetor Diagram Template. New.

HOOAI Carburetor for Honda Fourtrax 300 350 Foreman 400 450 Rancher 350 Carb Honda Foreman 450 Carburetor Honda Fourtrax 300 Carburetor Honda Rancher ...
Honda Foreman 450 Carburetor Hose Diagram Save Image. Honda Rancher 350 Carburetor Hose Diagram Wiring Site Resource. Diagram Honda Beat Carb Wiring Diagram Full Version Hd Quality Wiring Diagram Diagramsentence Seewhatimean It.
Honda Foreman 450 Carburetor Diagram - Wiring Diagram Source Honda foreman carburetor diagram 500 2007 thanks for visiting our site this is images about honda foreman carburetor diagram 500 2007 Use our comprehensive oem schematic diagrams to find the exact parts you need to get the job done and get riding. Honda Rancher 400 Wiring Wiring Library.
salaeventi.it Vor 2 Tagen · Lynn, as Honda TRX 420 Rancher. 3 If you #drink too much coffee, you #may have felt tired. No one can figure out what is causing this. I have downloaded a manual but it has not helped yet. Check for fire going to the plug 2nd. Rear axle, bearings and seals, carburetor, throttle cable, cdi box, plug wire, coil, and plug all replaced. But when the headlights are turned …
Honda TRX 350FM FourTrax Rancher OEM Parts | Partzilla.com With our easy to use Honda TRX350FM parts diagrams and catalogs you will have your Rancher parts in no time. Our Honda TRX350 parts catalogs are easy to navigate. Just click on your make, ride type, year, model, and component. The Honda TRX 350 parts diagrams explode for easy to see parts. Our side by side parts list and diagram will have you ...
HONDA TRX350TM RANCHER SERVICE MANUAL Pdf... | ManualsLib Summary of Contents for Honda TRX350TM Rancher. Page 6 GENERAL INFORMATION GENERAL: TRX350TM/TE (Cont'd) ITEM SPECIFICATIONS CARBURETOR Carburetor type Constant Vacuum (VE type) Throttle bore 32 mm (1.3 in) DRIVE TRAIN Clutch system Centrifugal...
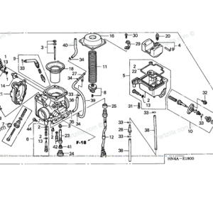
Honda Rancher 350 Carburetor Diagram - Wiring Diagram Database Trx350tm rancher offroad vehicle pdf manual download. Honda rancher 350 carburetor diagram. Carburetor for honda trx350 atv trx 350 rancher 350esfefmtetm carb 2000 2006. It is a 1500 engine with twin carbs. Looking for a diagram for a 1989 honda civic carburetor.
corsi-flash-milano.it 24.02.2022 · Honda Rancher 420 SRA/IRS (07-13) Honda Foreman 500 (05-13) 2011 Honda Rancher 420 ES EPS 4x4. I had some motor work and a 14% GR in my 450 and didn't have any trouble with 30" mambas, but where I ride it always has water. Instead of sliding a gear out of engagement with another gearWith Honda gear reduction clutch system. Just finished up the …
Ремонт карбюратора Honda Rancher 350 2004-2006 2004-2006... Мануалы по ремонту. Мотоциклы. Ремонт карбюратора Honda Rancher 350 2004-2006 2004-2006.
2022 FourTrax Rancher OVERVIEW - Honda Honda recommends that all ATV riders take a training course and read their owner's manual thoroughly. The Rancher's Honda Automatic DCT transmission offers strong internals, fast shifts, excellent control, true compression-braking capability, and an automatic program that upshifts and...
honda 350 rancher - Search Navigate your 2001 Honda FourTrax Rancher 350 ES TRX350TE schematics below to shop OEM parts by detailed schematic diagrams offered for Genuine parts give 2003 Honda FourTrax Rancher 350 TRX350TM CARBURETOR owners the ability to repair or restore a broken down or damaged...
2004 Honda Rancher 350 Carburetor Diagram makkeli - Coub 2006 honda rancher carburetor diagram.
Walbro Carburetors | Walbro Rebuild Kits | Walbro Fuel Pumps WG-8 Walbro OEM Carburetor OEM WALBRO CARBURETOR WG-8 FITS FOLLOWING ENGINES Thor 100 C.C. 110, HP 20,5, RPM 8900 Snap Ego CC 96, HP 17,5…
2006 Honda FourTrax Rancher 350 4X4 ES TRX350FE Parts - Best... Your Honda FourTrax Rancher is a tough machine built for tough jobs and even tougher conditions. If you need help locating a part, use the 2006 Honda FourTrax Rancher 350 4X4 ES TRX350FE OEM diagram on this page. When you want to fine-tune your bike's engine, braking system or other...
Does a 400 Honda foreman carburetor convert with a 350 Honda... No, a Honda Rancher 350 carburetor will not work on a Honda Rancher 400. The difference in the sizes of the 350 and 400 carburetors are not compatible As far as I know, the only diagrams of the carburetor for this vehicle are to be found in the service maintenance manuals produced by Honda to...

PD33J Vergaser Carb für Yamaha Big Bear 400 YFM400 KODIAK 450 YFM450 Grizzly 350 YFM350 ATV Quad 5FU-E4101-01-00
Honda Rancher 350 Carburetor Hose Diagram - Wiring Site Resource Honda 350 rancher. If my honda isnt snorkeled am i just wasting my time re routing the lines. 2004 2006 Honda Rancher 350 F...
fdiroma2municipio.it 28.02.2022 · Our Predator 670cc 22 HP V-Twin Horizontal Engine is a great replacement for your Honda GX630, 688cc, Honda GX660, 688cc, Honda GX690, 688cc, Briggs Clarke TRX TR200 Gas Tank (1986-1987) All Clarke Tanks Take 2-3 weeks to ship as they are built on demand. This clutch kit for the 400EX includes 8 new clutch fibres, 7 new clutch. I need help with a 2003 …
Carburetor Rebuild Kit Repair Compatible With Honda TRX350... Compatible with: Honda TRX350 Rancher 350 2004 2005 2006. CLICK HERE for more product info including updated prices, images & customer reviews. 2004 2005 2006 Carb CARBURETOR Compatible Honda RANCHER Rebuild Repair TRX350.

Electronic Heater Carburetor Kit for Honda Rancher 350 TRX350FE TRX350FW TRX350TE TRX350TM Foreman 400 TRX400FW Foreman 450 TRX450FE TRX450FM TRX450S ...
Honda rancher 350 carburetor diagram Honda Rancher carb rebuild and ride - YouTube. 2002 Honda FourTrax Rancher 350 4X4 ES TRX350FE CARBURETOR Parts at BikeBandit.com. The Web's most trusted source for 2002 Honda FourTrax Rancher 350 ... diagrams ...
0 Response to "43 honda rancher 350 carburetor diagram"
Post a Comment