Iklan 300x250

45 john deere d110 parts diagram

John Deere Parts Diagram & Parts Search • John Deere Parts ... John Deere AG, Lawn & Garden and CWP Equipment Parts Search. John Deere parts lookup tool and diagram is an incredible online source. It is a complete catalog that shows you detailed parts diagrams of every part of your machine. This online parts catalog is robust and easy to use. Searching for your John Deere parts online has never been easier. PDF John Deere Manual D105 transmission parts diagrams. john deere model d105 lawn tractor parts. john deere d105 ... April 21st, 2018 - John Deere s D110 42 Lawn Tractor Manual Hand Operated Deck Drive Belt John Deere D105 42 17 5HP Lawn Tractor Information' 5 / 6 'JOHN DEERE D105 » AHW LLC MAY 2ND, 2018 - JOHN DEERE D105 NEW EQUIPMENT MANUAL PTO MOWER WHEELS TWO SEE ...

John Deere 42" D100 Series Deck Parts Diagram - Mutton Power John Deere 42" D100, D105, D110, D120, D125, D130 Deck Parts Diagram. Easy to use Parts Schematic for 42" D100 Series Lawn Tractors. ... John Deere 42" D100 Series Deck Parts Diagram Join the MuttonPower.com Mailing List for Special Savings! Get Latest Offers and Updates From Mutton Power Equipment. ...

John deere d110 parts diagram

John deere d110 parts diagram

John Deere Parts | Parts & Services | John Deere Australia Australian and New Zealand Distribution Centre (ANZDC) The Australian and New Zealand Distribution Centre (ANZDC) is an integral part of John Deere's world-wide parts distribution network and has the primary & essential responsibility to support John Deere's extensive network of Agricultural, Construction, Turf, Forestry and Power Systems dealers across Australia and New Zealand, 24 hours ... John Deere D110 Lawn Tractor Parts - Mutton Power John Deere D110 Parts. The John Deere D110 was produced from 2011 to current and came equipped with a hydrostatic drive transmission, 42" Mower Deck and 19.5hp Briggs Engine. Regular Maintenance should be performed on the D110 every 50 hours and should include Spark Plug, Air Filter, Oil Filter with 1.5qts oil and sharpen or replace mower ... John Deere 110 Parts Diagram - Automotive Parts Diagram Images Description : John Deere D105 Lawn Tractor Parts in John Deere 110 Parts Diagram, image size 410 X 410 px, and to view image details please click the image. Truly, we have been realized that john deere 110 parts diagram is being one of the most popular issue at this moment. So we tried to uncover some great john deere 110 parts diagram photo ...

John deere d110 parts diagram. PDF John Deere D100 Service Manual - cropover.nationnews.com manual, parts diagram, reference guides, safety info, etc. ... D100 Lawn Tractor: Owner Information. Safety and How-To. ... Attachments. Back Yard Tips. Register for ... John Deere D100 D110 D120 D130 D140 D150 D160 Tractors ... Summary of Contents of user manual for John Deere Products & Services Lawn Mower D100. Page 1 *DCY* John Deere D110 Parts Diagrams - Jacks Small Engines John Deere D110 Exploded View parts lookup by model. Complete exploded views of all the major manufacturers. It is EASY and FREE. ... John Deere D110 Parts Diagrams SWIPE SWIPE. Electrical Components; Front Axle & Steering Components; JavaScript Disabled - Unable to show Cart. L110 John Deere Parts Diagram | Automotive Parts Diagram ... Description : John Deere D105 Lawn Tractor Parts inside L110 John Deere Parts Diagram, image size 410 X 410 px, and to view image details please click the image. Here is a picture gallery about l110 john deere parts diagram complete with the description of the image, please find the image you need. We hope this article can help in finding the ... › tuff-torq-k46-oil-maintenanceTuff Torq K46 Oil Maintenance - General information for ... May 19, 2020 · I have a 2006 john deere 115 automatic lawn tractor that has done 1000 hrs. The hydro drive is a k46 iag460-24163. The PN AM134582 the SN 40J-0067947 also has this number on the bar code TUFF TORQ 768T2024010, I have drained the transmission completely and want to refill it with new oil.

ARIMain - Weingartz D110 100 Series Tractor Material Collection System -PC10442. Attachment,Mower Deck,42 inch: Mower Deck & Lift Linkage. D110 100 Series Tractor Material Collection System -PC10442. Attachment,Snow Blade,46 inch: Blade,46 inch. D110 100 Series Tractor Material Collection System -PC10442. Attachment,Tire Chains,Rear: Wheels,Frame & Operators Station. John Deere Parts Diagrams, John Deere D110 100 Series ... Huge in-stock inventory of OEM John Deere parts. Order Today, Ships Today! Free Shipping Over $75! Same Day Shipping on Orders Received by 4PM EST. ... John Deere Parts Diagrams, John Deere D110 100 Series Tractor Material Collection System -PC10442 . Air Cleaner: Fuel & Air. Alternator: Electrical. John Deere D100, D110, D120, D130, D140 Service Manual PDF John Deere D100, D110, D130, D140 models OEM technical manual in PDF format is written for an experienced technician and contains sections that help to repair, assemble/disassemble and diagnose the tractor and its engine ... It has VIN search and spare parts diagrams. 125$ [01/2022] John Deere Diagnostic Kit EDL (Electronic Data Link V3 ... John Deere D100 Series Steering Parts Diagram (SN Post 700000) Steering Parts Diagram for John Deere D105, D110, D120, D125, D130, D140, D150, D155, D160, D170 Riding Lawn Tractors (SN Post 700000) ... John Deere D100 Series Steering Parts Diagram (SN Post 700000) Join the MuttonPower.com Mailing List for Special Savings! Get Latest Offers and Updates From Mutton Power Equipment. ...

zozo.jp › shop › unenanacoolune nana cool|ウンナナクールの通販 - ZOZOTOWN une nana cool|ウンナナクールの通販サイトです。ZOZOTOWNが運営。即日配送(一部地域)もご利用いただけます。 John Deere L110 Lawn Tractor Parts - Quick Parts Reference ... A Complete Listing Of All John Deere Lawn Tractor Parts Is Available Using Illustrated Diagrams. This quick parts reference guide will provide you with the most common John Deere L110 Lawn Tractor Parts 42 Mower Deck. These John Deere Lawn Tractor Parts may include: Tune Up Kit, Spark Plug, Mower Blades, Traction Drive Belt, Transmission Belt ... john deere d140 wiring diagram - IOT Wiring Diagram John Deere 140 Wiring Diagram Weekend Freedom Machines. John Deere D140 100 Series Tractor Material Collection System Pc10445 Wiring Harness Rear Side Electrical. Tm113219 John Deere D100 D105 D110 D120 D125 D130 D140 D150 D155 D160 And D170 Lawn Tractors Diagnostic La Series Riding Equip Manual Technical Manuals. John Deere Parts Diagrams, John Deere G110 Lawn Tractor ... Buy Genuine OEM John Deere parts for your John Deere G110 Lawn Tractor (With 54-IN Mower Deck) Material Collection System -PC9342 and ship today! Huge in-stock inventory of OEM John Deere parts. ... John Deere Parts Diagrams, John Deere G110 Lawn Tractor (With 54-IN Mower Deck) Material Collection System -PC9342 . AIR CLEANER: Fuel & Air.

Parts for John Deere lawn tractors

Parts for John Deere lawn tractors

Amazon.com: john deere d110 parts Harbot Oil Filter for John Deere D100 D105 D110 D120 D125 D130 D140 D150 D155 D160 D170 Lawn Tractor. 4.7 out of 5 stars. 213. $11.99. $11. . 99. "john deere d110 drive belt". John Deere 100 Series Transmission Drive Belt GX20006 Fits 115 L120 155C D130 + (Free Two e-Books)

D110 - 42-in. Mower Deck

D110 - 42-in. Mower Deck

ARIMain - John Deere Parts and John Deere Lawn Mower Parts Buy Genuine OEM John Deere parts for your John Deere D110 100 Series Tractor and ship today! Huge in-stock inventory of OEM John Deere parts. ... John Deere Parts Diagrams, John Deere D110 100 Series Tractor . Blade, 46 inch; Electrical; Engine ETN161944; Fuel And Air; Labels and Optional Equipment; Material Collection System;

John Deere Engine ETN161944

John Deere Engine ETN161944

John Deere D110 Parts Diagram for Front Axle & Steering ... John Deere D110 Parts Diagram for Front Axle & Steering Components. Order Status. Get Support. 1-877-737-2787. Hours of Operation. M-F 9a-6p ET. Sat 9a-5p ET. Sun (Closed) Contact Us ».

Briggs & Stratton Carburetor | briggs and stratton parts ...

Briggs & Stratton Carburetor | briggs and stratton parts ...

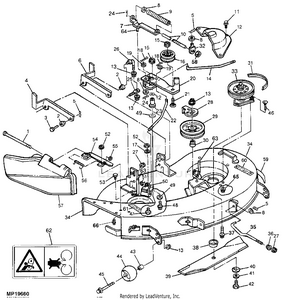
John Deere D110 Mower Belt Diagram - schematron.org on John Deere D110 Mower Belt Diagram. schematron.org Also.. . there is supposed to be a belt routing diagram on the mower. D with 42" Deck. Home Maintenance Kit. Unit. Kit Number. D LG (49 Mower Deck Leveling Gauge. 1. TY BELT-TRACTION DRIVE.

John Deere Parts Lookup -D110 100 Series Tractor Material ...

John Deere Parts Lookup -D110 100 Series Tractor Material ...

John Deere Model D110 Lawn Tractor Parts - GreenPartStore John Deere 20x8.00-8 Single-Ring Tire Chain Set - TY15959. (6) $105.70. Usually available. Add to Cart. Quick View. John Deere 20x8.00-8 Tire - M123808.

John Deere Lawn Mower Parts / Accessories

John Deere Lawn Mower Parts / Accessories

dink-magazin.de 1 päivä sitten · John Deere L130 LA145 D140 E140 S140 48" Edge Briggs and Stratton Intek OHV 18HP rebuild (part 4)How to adjust valves on Briggs and Stratton How to Replace the Carburetor on a Briggs \u0026 Stratton Intek Engine Craftsman LT1000 How To Hone Small Engine Cylinders (14. Briggs and Stratton 445777 0231 E1 Parts List and Diagram.

Installation, Repair and Replacement of John Deere Tractor ...

Installation, Repair and Replacement of John Deere Tractor ...

John Deere D110 Wiring Diagram John Deere D110 Wiring Diagram. Find parts for your john deere wiring harness: electrical with our free parts lookup tool! Search easy-to-use diagrams and enjoy same-day shipping on standard. Cleaning Air Intake Screen and Engine Fins · Checking and Cleaning Air Cleaner Elements (D and D) · Checking and Cleaning Air Cleaner Elements.

Genuine John Deere X106 Ride On Mower Bonnet Top Panel GX23132 | eBay

Genuine John Deere X106 Ride On Mower Bonnet Top Panel GX23132 | eBay

greenfarmparts.com › john-deere-1025r-compactJohn Deere 1025R Compact Utility Tractor ... - Green Farm Parts John Deere 1025R Compact Utility Tractor Maintenance Guide & Parts List. Common sense goes a long ways when maintaining your machine. If you have extreme heat, dust, or terrain that you operate in you, service frequency will need to increase.

D110 - 42-in. Mower Deck

D110 - 42-in. Mower Deck

Rear Grass Bagger Parts for D110 - Parts for John Deere ... John Deere Replacement Grass Bags Kit - AM122416. (25) $87.50. Usually available. Add to Cart. Quick View.

John Deere L130 Lawn Tractor Maintenance Guide & Parts List

John Deere L130 Lawn Tractor Maintenance Guide & Parts List

John Deere Parts Diagrams, John Deere D170 100 Series Tractor John Deere Parts Diagrams, John Deere D170 100 Series Tractor. Blade, 46 inch. Electrical. Engine ETN161948. Fuel and Air. Labels and Optional Equipment. Material Collection System. Material Collection System, 2 - Bag, 6.5 bushel, 54 inch, Attachment. Mower Deck And Lift Linkage.

John Deere Parts Online - Fast Australia Wide Delivery

John Deere Parts Online - Fast Australia Wide Delivery

John Deere Parts Diagrams, John Deere L110 Lawn Tractor ... Buy Genuine OEM John Deere parts for your John Deere L110 Lawn Tractor (With 42-IN Mower Deck) Material Collection System -PC9289 and ship today! Huge in-stock inventory of OEM John Deere parts. ... John Deere Parts Diagrams, John Deere L110 Lawn Tractor (With 42-IN Mower Deck) Material Collection System -PC9289 . AIR CLEANER: Fuel & Air.

Lawn Tractors | 100 Series | John Deere US

Lawn Tractors | 100 Series | John Deere US

D110 Owner Information | Parts & Service | John Deere CA How-To Maintenance Videos. If you're ready to do it yourself, watch these videos for step-by-step instructions to maintain your riding lawn mower. Note: These videos are intended as a general guide for maintenance tasks. Specific procedures may vary depending on model. Always consult your operator's manual for detailed directions and safety ...

John Deere Parts Diagrams, John Deere X110 TRACTOR Material ...

John Deere Parts Diagrams, John Deere X110 TRACTOR Material ...

Page Not Found Briggs And Stratton Intek Valve Guide Replacement. 407577 parts manual for briggs and stratton mod 407577 type 0110e1 repair manual intek v twin ohv briggs stratton engine briggs and stratton manuals page 2 lawnmower pros we carry a large selection of briggs and stratton manuals briggs and stratton 275110 outboard, refer to the examples below to briggs intek owners manual 26 …

SELF* *omgx25410*

SELF* *omgx25410*

John Deere D110 Lawn and Garden Tractor ... - Green Farm Parts 141 Parts. Green Farm Parts has all available John Deere D110 Lawn and Garden tractor parts online. Shop our illustrated catalog for D110 parts here. Or, choose from the many popular options below. You can also enter your part number into our search bar. Our online catalog of John Deere D110 Lawn and Garden tractor parts allows you shop shop by ...

JOHN DEERE D110 Outdoor Power Auction Results in STILLMAN ...

JOHN DEERE D110 Outdoor Power Auction Results in STILLMAN ...

begoldigital.it › gftplGator brakes sticking Mar 03, 2022 · Exploded Parts Diagrams for John Deere. pl john deere 1026r w/yanmar 3tnv76 engine john deere gator 6x4 diesel 1996-2006 658cc parts master 61365bp parts master cincinnati farm & garden - craigslist We have been a John Deere dealer since 1955 and we pride ourselves on our Aug 09, 2012 · There is a detailed picture from Elsawin in one of the ...

John Deere D110 100 Series Tractor Material Collection System ...

John Deere D110 100 Series Tractor Material Collection System ...

42-inch Mower Deck Parts for D110 - John Deere Parts and More John Deere Accessories and Other Parts; John Deere Attachments; John Deere Lawn and Garden Tractor Parts; John Deere Lawn Tractor Parts; John Deere Zero Turn Mower Parts; ... Click here for 42-inch Mower Deck Parts for D110. Products [40] Sort by: Quick View. John Deere 42 in Tractor Grass Groomer Striping Kit - LP1001 (28) $129.99 ...

John Deere D110 Lawn Tractor Maintenance Guide - Green Farm Parts

John Deere D110 Lawn Tractor Maintenance Guide - Green Farm Parts

Runuo scripts 1 päivä sitten · email protected] app allows you to set and adjust your Automower's cutting schedule with ease (BluetoothHustler has a patented automatic parking brake

John Deere D110 100 Series Tractor Material Collection System ...

John Deere D110 100 Series Tractor Material Collection System ...

PDF John Deere Model D105 Parts Manual - cms.nationnews.com The online John Deere parts diagram is an incredible source. It is a complete catalog that shows you detailed pictures of every ... Amazon.com: john deere d100 parts John Deere D105, D110, D120, D130, D140, D160, D170 Operators Manual.pdf John Deere 120C and 160CLC Excavator

Stihl RE 361 Pressure Washer (RE 361) Parts Diagram, Control box

Stihl RE 361 Pressure Washer (RE 361) Parts Diagram, Control box

John Deere 110 Parts Diagram - Automotive Parts Diagram Images Description : John Deere D105 Lawn Tractor Parts in John Deere 110 Parts Diagram, image size 410 X 410 px, and to view image details please click the image. Truly, we have been realized that john deere 110 parts diagram is being one of the most popular issue at this moment. So we tried to uncover some great john deere 110 parts diagram photo ...

BMW Motoraufhängung/Motordämpfer M3 E30 | HUBAUER-Shop.de

BMW Motoraufhängung/Motordämpfer M3 E30 | HUBAUER-Shop.de

John Deere D110 Lawn Tractor Parts - Mutton Power John Deere D110 Parts. The John Deere D110 was produced from 2011 to current and came equipped with a hydrostatic drive transmission, 42" Mower Deck and 19.5hp Briggs Engine. Regular Maintenance should be performed on the D110 every 50 hours and should include Spark Plug, Air Filter, Oil Filter with 1.5qts oil and sharpen or replace mower ...

John Deere Engine Marked 31P707-0241-G1 MIA12064

John Deere Engine Marked 31P707-0241-G1 MIA12064

John Deere Parts | Parts & Services | John Deere Australia Australian and New Zealand Distribution Centre (ANZDC) The Australian and New Zealand Distribution Centre (ANZDC) is an integral part of John Deere's world-wide parts distribution network and has the primary & essential responsibility to support John Deere's extensive network of Agricultural, Construction, Turf, Forestry and Power Systems dealers across Australia and New Zealand, 24 hours ...

John Deere JD D110 19-HP 42-IN (-332869) in the Gas Riding ...

John Deere JD D110 19-HP 42-IN (-332869) in the Gas Riding ...

John Deere L100 L110 L120 L130 Lawn Tractors Repair Manual PDF TM2026

John Deere L100 L110 L120 L130 Lawn Tractors Repair Manual PDF TM2026

B Power BT 155-92 AH 2 Motor Briggs & Stratton bis 28.01.2014 ...

B Power BT 155-92 AH 2 Motor Briggs & Stratton bis 28.01.2014 ...

John Deere D110 100 Series Tractor D110 Tractor -PC10442 2011 ...

John Deere D110 100 Series Tractor D110 Tractor -PC10442 2011 ...

John Deere Parts Lookup -D110 100 Series Tractor Material ...

John Deere Parts Lookup -D110 100 Series Tractor Material ...

lawn mower

lawn mower

John Deere D100 D110 D120 D130 D140 D150 D160 D170 Tractor Service Manual  PDF TM113219

John Deere D100 D110 D120 D130 D140 D150 D160 D170 Tractor Service Manual PDF TM113219

Amazon.com : John Deere 100 Series 42

Amazon.com : John Deere 100 Series 42" Mower Deck Parts ...

John Deere D110 100 Series Tractor Material Collection System ...

John Deere D110 100 Series Tractor Material Collection System ...

John Deere Parts Lookup -D110 100 Series Tractor Material ...

John Deere Parts Lookup -D110 100 Series Tractor Material ...

PTO Linkage For Manual Blade Engagement For Use On 100, D100, L100, and  LA100 Series Mowers

PTO Linkage For Manual Blade Engagement For Use On 100, D100, L100, and LA100 Series Mowers

John Deere Parts Diagrams, John Deere D110 100 Series Tractor ...

John Deere Parts Diagrams, John Deere D110 100 Series Tractor ...

John Deere 42 Inch Replacement Mower Deck Housing AUC16767

John Deere 42 Inch Replacement Mower Deck Housing AUC16767

John Deere L111 Lawn Tractor Maintenance Guide & Parts List

John Deere L111 Lawn Tractor Maintenance Guide & Parts List

John Deere Parts Online - Fast Australia Wide Delivery

John Deere Parts Online - Fast Australia Wide Delivery

BMW Zusatzklimagerät M635CSi E24 | HUBAUER-Shop.de

BMW Zusatzklimagerät M635CSi E24 | HUBAUER-Shop.de

Amazon.com: Kumar Bros USA Tractor Steering Kit for John ...

Amazon.com: Kumar Bros USA Tractor Steering Kit for John ...

John Deere D100, D105, D110, D120, D125, D130, D140, D150 ...

John Deere D100, D105, D110, D120, D125, D130, D140, D150 ...

Pair Kit blade falling right+pair blade falling left GIANNI FERRARI

Pair Kit blade falling right+pair blade falling left GIANNI FERRARI

John Deere D110 Lawn Tractor Specs, Price & Reviews 2022

John Deere D110 Lawn Tractor Specs, Price & Reviews 2022

John Deere Parts Diagrams, John Deere D110 100 Series Tractor ...

John Deere Parts Diagrams, John Deere D110 100 Series Tractor ...

John Deere SABRE 1538 LAWN TRACTORS -PC2676 MOWER DECK 38 ...

John Deere SABRE 1538 LAWN TRACTORS -PC2676 MOWER DECK 38 ...

John Deere D110 100 Series Tractor Material Collection System ...

John Deere D110 100 Series Tractor Material Collection System ...

John Deere D110 100 Series Tractor Material Collection System ...

John Deere D110 100 Series Tractor Material Collection System ...

0 Response to "45 john deere d110 parts diagram"

Post a Comment

Iklan Atas Artikel

Iklan Tengah Artikel 1

Iklan Tengah Artikel 2

Iklan Bawah Artikel