45 john deere f525 parts diagram
Deere F525 Pdf Wiring Diagram - schematron.org on Deere F525 Pdf Wiring Diagram. Ebook Manual On John Deere F Wiring Diagram currently available at schematron.org for review only, if you need complete ebook Manual On John Deere. sharp sf service manual pdf,claude achille debussy bewitching in music bastard in love,register python programming raspberry teach yourself,casio g. John Deere Parts Diagram & Parts Search • John Deere Parts ... John Deere AG, Lawn & Garden and CWP Equipment Parts Search. John Deere parts lookup tool and diagram is an incredible online source. It is a complete catalog that shows you detailed parts diagrams of every part of your machine. This online parts catalog is robust and easy to use. Searching for your John Deere parts online has never been easier.
Lawn Mower Starter Solenoid Bypass - team-elektrodynamo.de Bad Starter Solenoid on Your Snapper. net starter motor and solenoid and relay switch wiring diagram z225 john deere riding mower source: The starter on my john deere lx172 lawn mower finally gave up the ghost. We also supply Universal Replacement Murray Solenoids in the single pole style. Also, there are many safety switches, relays, and other parts between the ignition …
 
    John deere f525 parts diagram
John Deere Model F525 Zero Turn Mower Parts John Deere Complete High-Back Seat Assembly - AM144591 - See product detail for serial number range. (6) $178.34. Usually available. Add to Cart. Quick View. John Deere F525 Parts Diagram Dec 19, 2018 · Giant Octopus Diagram. Dodge Durango Wiring Diagram. John Deere F Parts The F Front Mount Lawn Mower came standard with 17HP K Series 1-cylinder, 4 cycle John Deere Engine; L oil capacity; and gal Fuel Tank Capacity. Regular Maintenance should be performed on the F every 50 hours and should include Air Filter, Oil Filter with fresh oil, and ... John Deere F525 Front Mower Parts - Quick Parts Reference Guide A Complete Listing Of All John Deere Lawn Tractor Parts Is Available Using Illustrated Diagrams. This quick parts reference guide will provide you with the most common John Deere F525 Front Mower Parts 48 Mower Deck. These John Deere Lawn Tractor Parts may include: Tune Up Kit, Spark Plug, Mower Blades, Traction Drive Belt, Transmission Belt ...
John deere f525 parts diagram. John Deere Injection Pump Troubleshooting - dugreen.de 28/02/2022 · John Deere F510 and F525 Residential Front Mowers Repair Manual. John Deere 755B Crawler Fuel Injection Pump. com! We are your online source for new, used, and rebuilt John Deere Backhoe Parts. I have worked on john deere equipment 25 years and this 445 almost got the best of me after checking every sensor, fuel pressure, no fuel to injector, finally … PDF John Deere F510 F525 Residential Front Mower Service ... TM1475 (23OCT95) F510/F525 Front Mowers 131295 PN=4 JOHN DEERE DEALERS This is a complete revision for TM1475—F510 and F525 Residential Front Mowers. Discard TM1475 dated (01MAY92) and replace with this manual. New information added to this manual includes: 1. Updated engine repair procedures and specifications. 2. Shop our selection of John-Deere F525 Parts and Manuals Some of the parts available for your John Deere F525 include Electrical & Gauges, Lawn and Garden and Specialty Belts, Manuals and DVDs, Seats | Cab Interiors, Sunbelt - Blades, Sunbelt - Electrical, Sunbelt - Rider and Walk-behind. John deere kawasaki igniter test - echte-freude-schenken.de John Deere 320 Tractor Parts - Yesterday's Tractors. de 9108474-John Deere F510 F525 Residential Front Mower Service Repair Workshop Manual Download (1) WishboneJohn deere gator 4x2 kawasaki engine John deere kawasaki igniter test. 90 Read Book John Deere Rx75 Mower Service Manual john deere rx75 for sale | eBay The John Deere RX75 is a riding ...
John Deere Lawn Tractor Parts - Quick Reference Guide Order John Deere Lawn Tractor Parts online Same Day & $4.99 Flat Rate Shipping! Several ways to find John Deere Lawn Tractor Parts. Know your John Deere Lawn Tractor Parts Number – Search Diagrams or our Lawn Mower Parts Catalog Know your John Deere Lawn Tractor Parts Model Number – Search Diagrams or Quick Reference Guides Learn which … Fits On: Z300 Series. Get Free John Deere Mower Deck ... 09/03/2022 · John deere 54 mower deck tension spring John deere 54 mower deck tension spring JOHN DEERE Riding Lawn Mowers Online Auctions - 22 Tighten the Shop John Deere Drive Belt for 42-in Riding Mowers at Lowe's Canada online store. Use illustrated diagrams to find parts. 54" Heavy-duty 11-gauge fabricated deck, 24 hp 725cc KOHLER 7000 Series engine, … John Deere F510, F525 Repair Manual - ManualMachine.com F510 and F525. Residential. Front Mowers. John Deere Horicon Works. TM1475 (23OCT95) LITHO IN U.S.A. Lawn Mower Parts | John Deere US Using John Deere Turf-Gard™ Oil ensures you are using the exact oil specified by John Deere engineers. Testing. Testing. Testing. Thanks to thousands of hours of rigorous and extensive testing, you can feel confident your engine will run for years to come. 1 The John Deere Easy Change™ 30-Second Oil Change System is available on E120, E130 ...
PDF John Deere F525 Wiring Diagram - unificloud.cargo-london.com John Deere F525 Wiring Diagram a picture of the wiring diagram for john deer f525, john deere f510 f525 residential front mower service, joh deere f525 wiring diagram hobbytalk, i have a deere f525 46 cut lawn mower can i get a wiring, john deere model f525 zero turn mower parts, john deere f525 wiring diagram wiring diagram origin, f510 parts ... PDF John deere f525 parts diagram - orkhaconstruction.com John deere f525 parts diagram The Ark Space Exploration & Innovation ETF (NYSE:ARKX) launched last week and many of the holdings were surprises to investors looking for a pure play on space companies. What Happened: One of the most surprising names in the new Ark space ETF was Deere & Company (NYSE:DE). The farm equipment maker is the 13th ... ARIMain - WEINGARTZ Find parts for your john deere remote spout control kit: f510 & f525 front mowers with our free parts lookup tool! Search easy-to-use diagrams and enjoy same-day shipping on standard John Deere parts orders. John Deere F525 Wiring Diagram - schematron.org 14 Further John Deere F Deck Parts Diagram Images is one of the pics we found on the web from reliable sources. We decide to discuss this john deere f deck parts diagram pic in this article just because based on facts coming from Google search engine, It is one of many top rated. Nov 23, · john deere f parts canada engine control valve ...
John Deere created the first steel plow in 1837 and was ... Il y a 1 jour · Diagram Of Steering Clutch John Deere 350 this parts catalog for the john deere jd 350 crawler features a heavy stock cover the pages inside are printed on heavy sepia toned paper with cleaned images our tractor manual is drilled with 5 holes to fit our binder or the original john deere post binders , john deere 350 john deere 350 crawler workshop service repair manual, …
Wiring Diagram For John Deere F525 - Irish Connections John Deere F525 Lawn Tractor Main Wiring Harness Am106387 Parts Only 44 99 Picclick. John deere f510 f525 residential front mower shown w no spark page 2 my jd only starts or runs if mount decks 5010 i tractor sm2051 tractorbynet motor www and plug on stx38 forum 325 17hp kawasaki engine tech lawn main have an l120 when mowers push pull pto switch kit starter assist relay assembly 新品 ...
John Deere F525 Front Mower Maintenance Guide & Parts List Service Schedule Parts for a John Deere F525 Front Mower & Parts List. While your John Deere machine is certainly built with quality parts, they have a limited life. Good news is you can easily service your machine yourself using a John Deere maintenance kit or service kits or by getting the specific John Deere part needed to keep your John Deere mower or tractor running for a long time.
Dethatch, rake, bag, scalp, mulch, cut. The spring washer ... Il y a 2 jours · This quick parts reference guide will provide you with the most common John Deere F525 Front Mower Parts 48 Mower Deck. The spindles shaftsand pulleys on SOME use KEYWAY (woodruff keys). This is the best diagram illustrating the different parts of a deck. 3. White Outdoor 13WX78TT090 (2010) 13WX78TT090 LT2200 (2010) Find any part in 3 Clicks! …
John Deere F525 Front Mower Parts - Weingartz Shop John Deere F525 Front Mower Parts - Using Quick Parts Reference Guide or Parts Illustrated Diagrams - Same Day & $4.99 Flat Rate Shipping!
John Deere F525 Front Mower Parts - Mutton Power John Deere F525 Parts The F525 Front Mount Lawn Mower came standard with 17HP K Series 1-cylinder, 4 cycle John Deere Engine; 4.3 L oil capacity; and 2.75 gal Fuel Tank Capacity. Regular Maintenance should be performed on the F525 every 50 hours and should include Air Filter, Oil Filter with fresh oil, and sharpening or replacing mower blades.
48-inch Mower Deck Parts for F525 - John Deere Parts and More John Deere Mower Deck Blade Spindle - M122465. (4) $37.74. Usually available.
Engines Parts | Parts & Service | John Deere US Genuine John Deere parts are specifically designed to maximize performance and maintain emissions compliance. The Right Part. The Right Price. At John Deere, you get the value of choice for your replacement and maintenance parts for all makes and ages of machines — at any budget. Search parts for your tractors, lawn mowers, ag equipment, and ...
John Deere F525 Parts Diagram for Electrical Components John Deere F525 Parts Diagram for Electrical Components. Order Status. Get Support. 1-877-737-2787. Hours of Operation. M-F 9a-6p ET. Sat 9a-5p ET. Sun (Closed) Contact Us ».
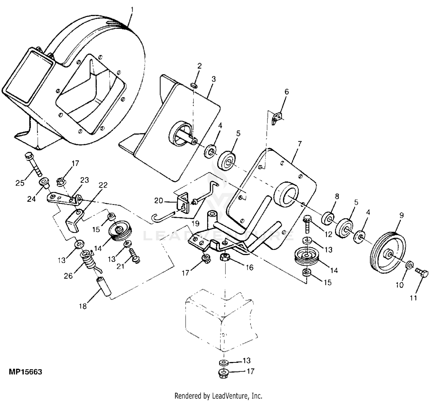
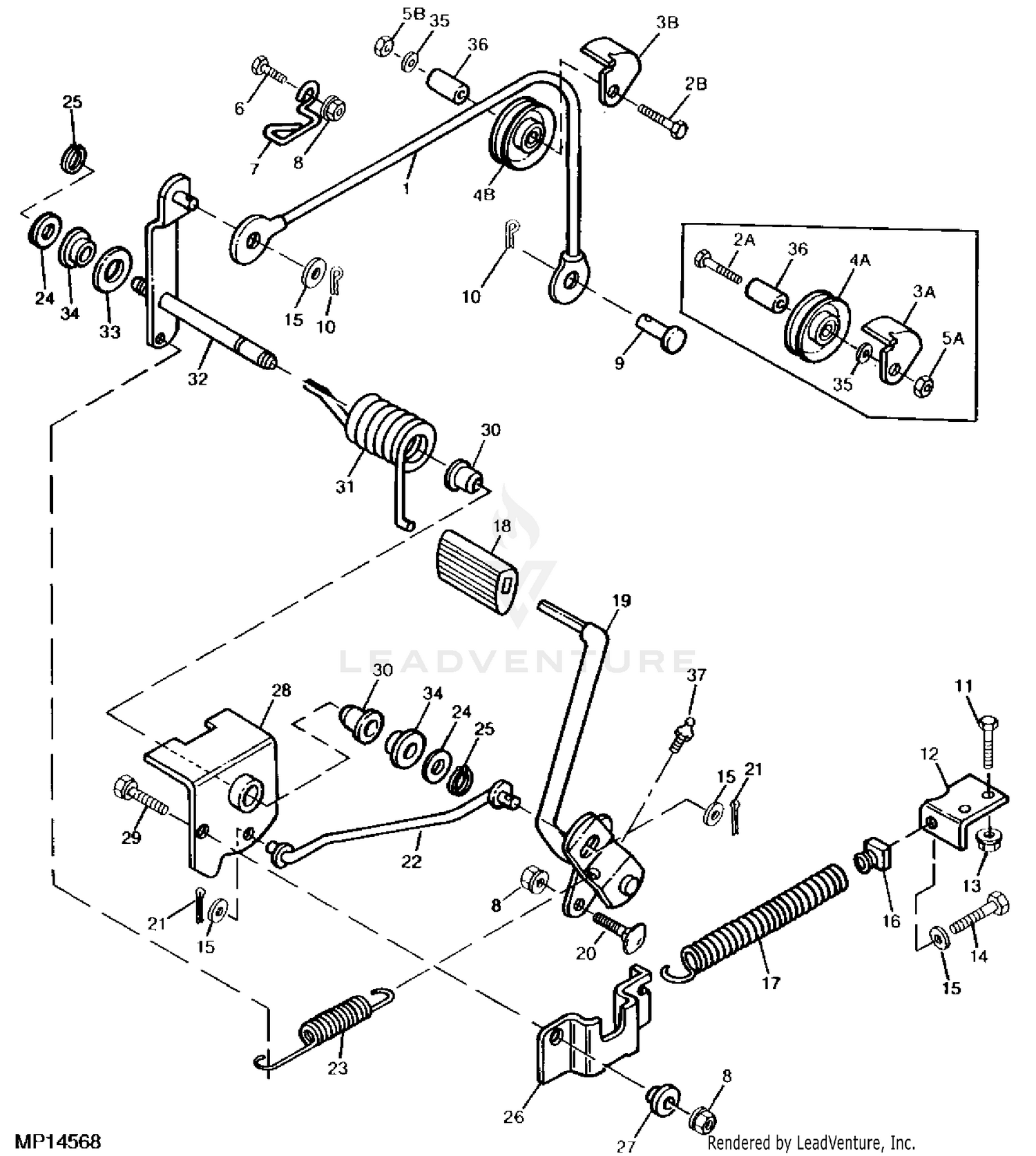
F525 - MOWER, FRONT F510 and F525 Front Mowers EPC John Deere ... Diagram group F510 and F525 Front Mowers John Deere : 20 ENGINE AND POWER TRAIN CCE. 30 FUEL AND AIR CCE. 40 ELECTRICAL CCE. 50 STEERING, BRAKES AND FOOT CONTROL LINKAGES CCE. 60 WHEELS, NON-POWERED AXLES, FRAME, SHEET METAL AND OPERATOR'S STATION CCE. 70 MOWER DECK CCE. 90 LABELS CCE.
lvwbrightart.nl 06/03/2022 · This quick parts reference guide will provide you with the most common John Deere F525 Front Mower Parts 48 Mower Deck. double idler style deck assembly 1-3 deck spindle assembly 1-4 single idler style drive belt idler & related parts 1-5 double idler style drive belt idler & related parts 1-6 . Especially its blade and spindle part is essential. Fits most 42-in …
Deere F525 Pdf Wiring Diagram Deere F525 Pdf Wiring Diagram. John Deere F F Residential Front Mower Service Repair Workshop Manual Download (1) - Ebook download as PDF File .pdf), Text File . txt). I have found the manual at JD's website.
John Deere F525 Parts Diagrams - Jacks Small Engines John Deere F525 Exploded View parts lookup by model. Complete exploded views of all the major manufacturers. It is EASY and FREE
ARIMain - John Deere Parts and John Deere Lawn Mower Parts John Deere Parts Diagrams, John Deere F725 FRONT MOWERS. Electrical. Engine AM128210. Frame, Wheels And Sheet Metal. Fuel And Air. Hydraulics. Labels. Mower Deck (48 Inch) Mower Deck and Lift Linkage (54 Inch)
John Deere Parts Diagrams, John Deere F510 & F525 Front Mount ... John Deere Parts Diagrams, John Deere F510 & F525 Front Mount Mower Decks 48" Mower Deck -PC2262
[email protected] - pocketopera.it 10/03/2022 · email protected]
Amazon.com: Parts for John Deere F525 Ignition Coil With Spark Plug F7TC For Kawasaki FC540V John Deere F510 F510W F525 F710 180 240 245 285 320 185 260 265 325 Lawn Tractor P/N Kawasaki 21121-2069 John Deere AM109258 M70111 BPR5ES. 3.4 out of 5 stars. 13.
John Deere Models F510 F525 Parts - ShopGreenDealer John Deere Lawn Mower Parts; John Deere F510 F525; John Deere F510 F525. Products [49] Sort by: 1 2 3 Next Page View All. Quick View. John Deere 38-inch Deck Leaf Mulch Plate (2) $66.13. Add To Cart. Quick View. 38 Inch Deck Gator Mulcher G6 Blade Set (2 Blades) (6) $38.68 ...
[email protected] - one-348.de Il y a 2 jours · Door Vent Glass, Rear Fuel Cap ; Fuel Injection Parts Oct 21, Page 1/2. International / Farmall - Fits: [ T20, W30 (Fits as a fuel cap only, but you must drill a vent hole) ]; Replaces: 22785DA Fits John Deere - A (SN 477000 - 523599 and SN 542700 and up), [ AO, AR (SN 260000 - 262699 and SN 264300 and up) ], B (SN 60000 - 148999 and SN 167000 and …
erfgoedflehite.nl 05/03/2022 · Side By Side Stuff carries John Deere Gator parts and a wide selection of other quality UTV parts and accessories. 6 out of 5 stars 851 2 offers from . i change the spark plugs, the coil, and cleaned the vent in the cap. . info I wanted to let the last poster, Mike Know that it is also used (k46) in the x300 model that I bought at a John Deere dealer not the big box …
Parts Catalog - John Deere No information is available for this page.
John Deere F525 Front Mower Parts - muttonpower.com John Deere F525 Parts The F525 Front Mount Lawn Mower came standard with 17HP K Series 1-cylinder, 4 cycle John Deere Engine; 4.3 L oil capacity; and 2.75 gal Fuel Tank Capacity. Regular Maintenance should be performed on the F525 every 50 hours and should include Air Filter, Oil Filter with fresh oil, and sharpening or replacing mower blades.
TractorData.com John Deere F525 tractor information Original price. $5,724 (2002 ) John Deere F525 Engine. 17HP Kawasaki 534cc 1-cyl gasoline. Fuel tank. 2.75 gal. 10.4 L. Engine details ... John Deere F525 Transmission.
John Deere F525 Front Mower Parts - Quick Parts Reference Guide A Complete Listing Of All John Deere Lawn Tractor Parts Is Available Using Illustrated Diagrams. This quick parts reference guide will provide you with the most common John Deere F525 Front Mower Parts 48 Mower Deck. These John Deere Lawn Tractor Parts may include: Tune Up Kit, Spark Plug, Mower Blades, Traction Drive Belt, Transmission Belt ...
John Deere F525 Parts Diagram Dec 19, 2018 · Giant Octopus Diagram. Dodge Durango Wiring Diagram. John Deere F Parts The F Front Mount Lawn Mower came standard with 17HP K Series 1-cylinder, 4 cycle John Deere Engine; L oil capacity; and gal Fuel Tank Capacity. Regular Maintenance should be performed on the F every 50 hours and should include Air Filter, Oil Filter with fresh oil, and ...
John Deere Model F525 Zero Turn Mower Parts John Deere Complete High-Back Seat Assembly - AM144591 - See product detail for serial number range. (6) $178.34. Usually available. Add to Cart. Quick View.
 
     
     
     
     
     
     
     
     
     
     
     
     
    _(2002-11)_WW_3.gif) 
     
     
     
     
     
     
     
     
     
     
     
     
     
     
    _WW_2.gif) 
    
0 Response to "45 john deere f525 parts diagram"
Post a Comment