Iklan 300x250

45 john deere trs21 parts diagram

John Deere TRS27 Parts - Mutton Power John Deere TRS27 Snowblower Parts. The TRS27 Walk Behind Snowblower was produced from 1990-1995 with standard features including the 8 HP Tecumseh engine, 27" bucket, two stage augers, and 220 degree chute adjustment. Regular maintenance should be performed on the TRS27 if it is not operated 25 hours during a season and every 100 hours or yearly. Snowblower: Model TRS21 Parts & Repair Help | Repair Clinic Unknown brand Snowblower Model TRS21 Parts. Unknown brand Snowblower Model TRS21 Parts are easily labeled on this page to help you find the correct component for your repair. Filter results by category, title and symptom. You can also view diagrams and manuals, review common problems that may help answer your questions, watch related videos, read insightful articles or use our repair help ...

John Deere Parts Diagrams, John Deere TRS22, TRS24, TRX24 ... Green-Parts Direct will be closing 3.24.2022. John Deere PARTS LOOKUP John Deere Parts Diagrams, John Deere TRS22, TRS24, TRX24, TRS26 & TRX26 WALK-BEHIND SNOWBLOWERS -PC2303

John deere trs21 parts diagram

John deere trs21 parts diagram

John Deere Snowblower Parts - Lawnmower Pros ARIENS 832 and 1032, 20", 24" and 32" snowthrower attachments scoops. JOHN DEERE 524D, 724D (PC2569) and 826D (PC2570) walk behind snowthrowers. and others. Price: $5.95. Oregon 31-907 Snow Blower Pull Rope Starter Handle Ariens, Noma, Tecumseh, Toro for John Deere. Pull Rope Starter Handle for Tecumseh and other Used on Snowblowers. TECHNICAL MANUAL - John Deere Manual do the job and service parts kits. Section 10, Group 15—Repair Specifications, consist of all applicable specifications, near tolerances and specific torque values for various components on each individual machine. Binders, binder labels, and tab sets can be ordered by John Deere dealers direct from the John Deere Distribution Service Center. Replaces Carburetor For John Deere TRS21 Snow Blower ... Replaces Carburetor For John Deere TRS21 Snow Blower. John Deere TRS21 Snow Blower Shown In Pictures. 2 Year Replacement Warranty! Replace your carburetor if your machine starts up on choke then dies, if it starts with starting fluid then dies or if it needs choke on to run. It's also a good idea to replace your fuel and clean out fuel lines.

John deere trs21 parts diagram. JOHN DEERE - Service Manual Download John Deere TRS21, TRS21E, TRS22, TRS24, TRS26, TRS27, TRS32, TRX24, TRX26 Walk-Behind Snowthrowers / Snowblowers Technical Manual (TM1466) John Deere 410B, 410C, 510B, 510C Backhoe Loaders Operation and Tests Technical Manual (TM1468) John Deere 410B, 410C, 510B, 510C Backhoe Loaders Repair Technical Manual (TM1469) John Deere genuine parts for SNOW BLOWER (WALK-BEHIND ... John Deere SNOW BLOWER (WALK-BEHIND) TRS22; TRS24; TRX24; TRS26 & TRX26 WALK-BEHIND SNOWBLOWERS -PC2303 aftermarket parts shipping to from $50.55, Monaco from $30.56, Belgium from $28.41 PDF John Deere TRS27 and TRS32 Walk-Behind Snowblowers ... John Deere TRS27 and TRS32 Walk-Behind Snowblowers Operators Manual This is the COMPLETE Technical Manual for the John Deere TRS21, TRS21E, TRS22, TRS24, John Deere TRS21 Snow Blower Technical manual PDF View ... John Deere TRS21 Technical Manual. Download Technical manual of John Deere TRS21 Snow Blower for Free or View it Online on All-Guides.com. This version of John Deere TRS21 Manual compatible with such list of devices, as: TRS21E, TRS24, TRS32, TRX24, TRX26

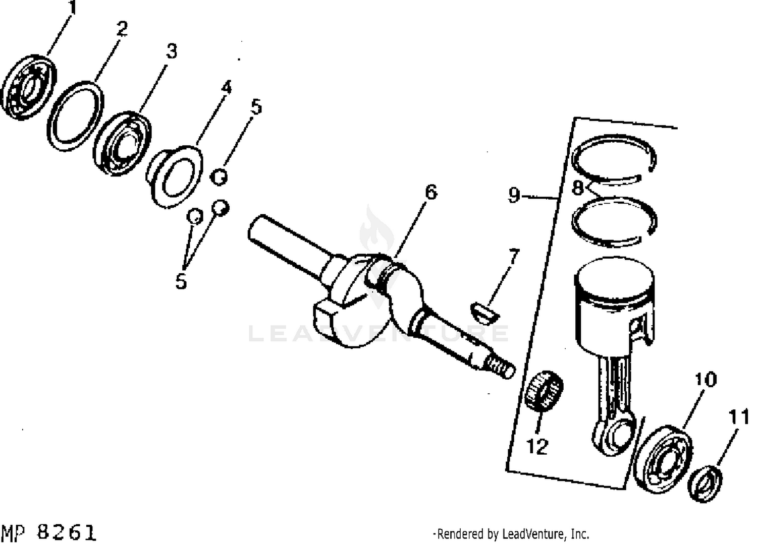
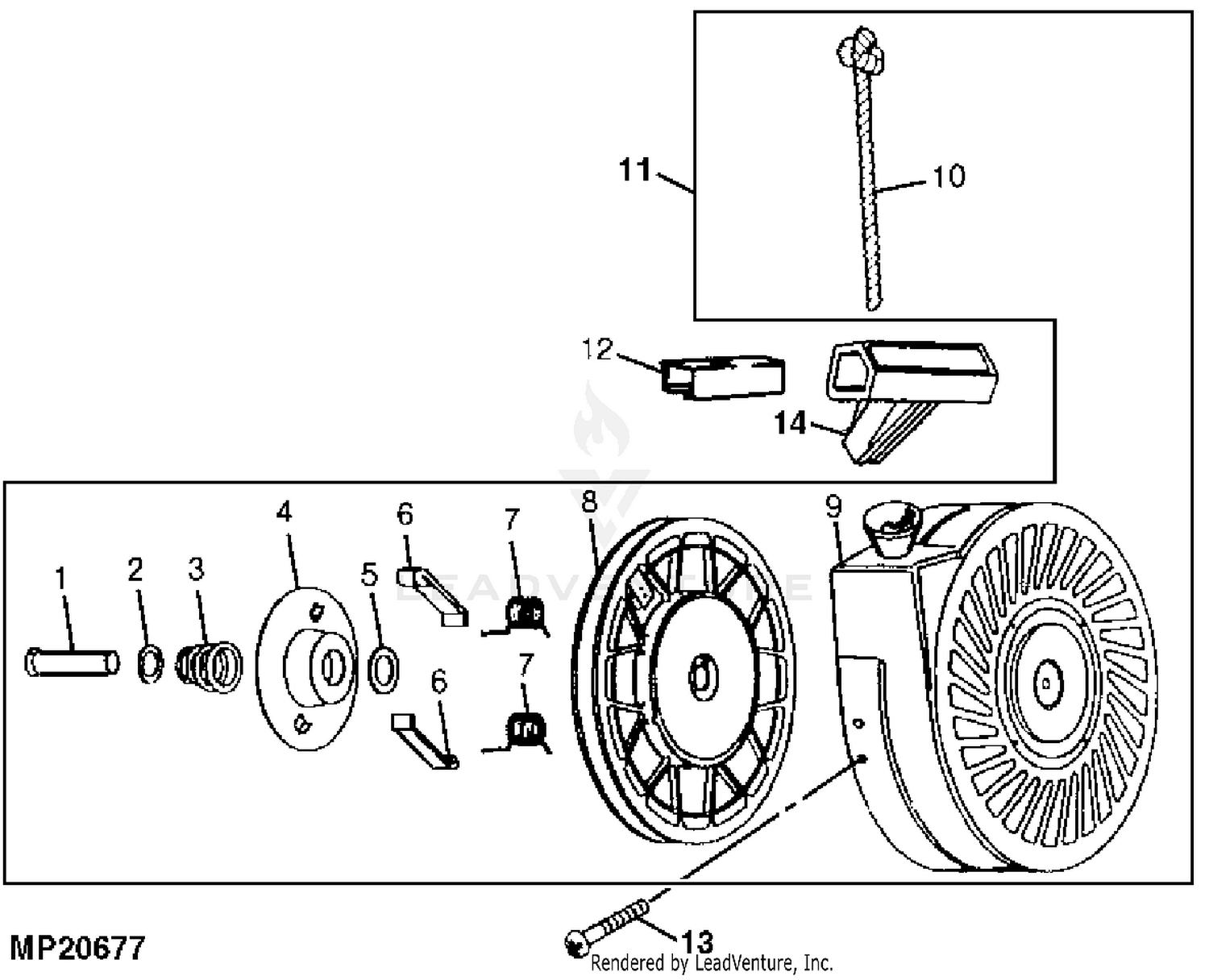
John Deere Parts Diagrams, John Deere TRS21 Walk Behind Snow ... John Deere PARTS LOOKUP John Deere Parts Diagrams, John Deere TRS21 Walk Behind Snow Thrower (Recoil) -PC2302 Auger,Auger Housing & Wheels - 110000: CONTROLS,HOUSING,AUGERS,DRIVE TRAIN AND John Deere 47 Snowblower Parts Manual John deere 47 snowblower parts manual Gyles Lamb's Ownd. 8 hours ago Denluanna79.amebaownd.com Show details . Database contains 1 John Deere TRX26 Manuals (available for free online viewing or downloading in PDF): Technical manual.John Deere TRX26 Manuals and User Guides, Snow Blower.47 inch 2 Stage Snow Blower PC (J.1) OCT 4 / 7 Inch 2-Stage Snow Blower A.1 (, , Compact Utility Tractors ... John Deere TRS21, TRS21E, TRS22, TRS24, TRS26, TRS27 ... John Deere TRS21, TRS21E, TRS22, TRS24, TRS26, TRS27, TRS32, TRX24, TRX26 Walk-Behind Snowthrowers / Snowblowers Service Technical manual has easy-to-read text sections with top quality diagrams and instructions, will guide you through fundamentals of maintaining and repairing, step-by-step, to teach you what the factory trained technicians ... John Deere TRS21/21E/22/24/26/27/32 and TRX24/26 TM1466 Price, USD: 40. Buy now. Technical manual includes full service and technical information, troubleshoot instructions, instruction manuals, fitting instructions, schematics and circuits, which will help to remove all existing faults. Technical manual is divided in two parts: repair and diagnostics. Repair sections tell how to repair the components.

John Deere Model TRS24 Walk Behind Snow Blower Parts John Deere Accessories and Other Parts; John Deere Attachments; John Deere Lawn and Garden Tractor Parts; John Deere Lawn Tractor Parts; John Deere Zero Turn Mower Parts; John Deere Front Mower Parts; John Deere Compact Utility Tractor Parts; John Deere Gator/Utility Vehicle Parts; John Deere Utility Tractor Parts; John Deere QuikTrak Mower Parts John Deere TRS21, TRS21E, TRS22, TRS24, TRS26, TRS27 ... John Deere TRS21, TRS21E, TRS22, TRS24, TRS26, TRS27, TRS32, TRX24, TRX26 Walk-Behind Snowthrowers/Snowblowers Technical Manual ARIMain - WEINGARTZ Find parts for your john deere pulleys & drive belt 160001 - : controls,housing,augers,drive train and with our free parts lookup tool! Search easy-to-use diagrams and enjoy same-day shipping on standard John Deere parts orders. John Deere Model TRS21 Walk Behind Snow Blower Parts John Deere Recoil Starter Assembly - AM122506. (0) $49.95. Usually available from obsolete parts supplier - please allow 2 extra days for processing. Add to Cart. Quick View.

John Deere TRS21 snow blower in Salina, KS | Item 5340 sold ...

John Deere TRS21 snow blower in Salina, KS | Item 5340 sold ...

john deere trs21 parts diagram | eurekaconsumer.com john deere 180 lawn mower transmission clutch adjustment. john deere 180 diagram. Related Keywords John Deere Trs21 Auger Assembly Trs21 John Deere Snowblower Manual John Deere Trs21 Manual Trs 21 Parts Diagram

John Deere Service Advisor 5.2 EDL V2 Electronic Data Link ...

John Deere Service Advisor 5.2 EDL V2 Electronic Data Link ...

ARIMain - John Deere Parts and John Deere Lawn Mower Parts 524D AND 724D WALK-BEHIND SNOWBLOWERS. 526, 726, 732, 826, 832 and 1032 Walk-Behind Snow Blowers. 826D WALK-BEHIND SNOWBLOWER. 828D and 1032D Walk-Behind Snowblowers. 924DE, 1128DE, 1128DDE and 1332DDE Walk-Behind Snow Blowers. TRS21 and TRS21E Walk-Behind Snow Throwers. TRS22, TRS24, TRX24, TRS26 AND TRX26 WALK-BEHIND SNOWBLOWERS.

John Deere TRS24 Parts

John Deere TRS24 Parts

ARIMain - WEINGARTZ - lawn mower parts John Deere Parts Lookup -John Deere-TRS21 Walk Behind Snow Thrower (Recoil) -PC2302

John Deere TRS21 Walk Behind Snow Thrower (Recoil) -PC2302 ...

John Deere TRS21 Walk Behind Snow Thrower (Recoil) -PC2302 ...

John Deere Trs27 Manual by PDFS-Manuals - Issuu John Deere Trs27 Manual. John Deere TRS21 TRS21E TRS22 TRS24 TRS26 TRS27 TRS32 TRX24 TRX26 Walk-Behind Snowthrowers / Snowblowers Technical Manual - TM1466. Complete Service Repair Workshop Manual ...

in HAYS, KS | Item 8003 sold | Purple Wave

in HAYS, KS | Item 8003 sold | Purple Wave

John Deer Trs 21 Parts Manual, Greenfunstore John Deere ... JOHN DEER TRS 21 PARTS MANUAL INFO: This item is a John Deere TRS21 snow blower with the following, 21 clearing width, Pull start, Last used two years ago, Serial MOTR21A111569. X000000-X200000 walk behind click here For a printable maintenance sheet for a JX75 SN. Make Offer - Vintage NOS John Deere 321,338 Snowthrower chute cable M40311 111,116.

Calaméo - JOHN DEERE AMT600 AMT622 AMT626 Service

Calaméo - JOHN DEERE AMT600 AMT622 AMT626 Service

John Deere TRS21 Parts - Mutton Power John Deere TRS21 Snowblower Parts. The TRS21 Walk Behind Snowblower was produced with standard features including the 5 HP Tecumseh engine, 21" bucket, single stage augers, and 190 degree chute adjustment. Regular maintenance should be performed on the TRS21 if it is not operated 25 hours during a season and every 100 hours or yearly.

JOHN DEERE OPERATORS MANUAL TRS 21 ...

JOHN DEERE OPERATORS MANUAL TRS 21 ...

ARIMain - WEINGARTZ Find parts for your john deere chute & spout: controls,housing,augers,drive train and with our free parts lookup tool! Search easy-to-use diagrams and enjoy same-day shipping on standard John Deere parts orders.

Carburateur Kit Voor Tecumseh 8-10 HP MTD/Snapper/Ariens 824 ...

Carburateur Kit Voor Tecumseh 8-10 HP MTD/Snapper/Ariens 824 ...

ARIMain - John Deere Parts and John Deere Lawn Mower Parts John Deere PARTS LOOKUP. TRS21-and-TRS21E-Walk-Behind-Snow-Throwers Parts Diagram. TRS21 Walk Behind Snow Thrower (Recoil) -PC2302; TRS21E Walk Behind Snow Thrower (Electric Start) -PC2302; Let Us Help You Your Account Quick Order Pad Shipping Rates and Policies ...

Gebruikt JOHN DEERE T0230 Veilingresultaten - 34 Advertenties ...

Gebruikt JOHN DEERE T0230 Veilingresultaten - 34 Advertenties ...

ARIMain - WEINGARTZ Find parts for your john deere pulleys & drive belt 110001 - 160000: controls,housing,augers,drive train and with our free parts lookup tool! Search easy-to-use diagrams and enjoy same-day shipping on standard John Deere parts orders.

john deere trs21 trs 21 snow blower snowblower parts - $5 ...

john deere trs21 trs 21 snow blower snowblower parts - $5 ...

Replaces Carburetor For John Deere TRS21 Snow Blower ... Replaces Carburetor For John Deere TRS21 Snow Blower. John Deere TRS21 Snow Blower Shown In Pictures. 2 Year Replacement Warranty! Replace your carburetor if your machine starts up on choke then dies, if it starts with starting fluid then dies or if it needs choke on to run. It's also a good idea to replace your fuel and clean out fuel lines.

John Deere TRS21 Walk Behind Snow Thrower (Recoil) -PC2302 ...

John Deere TRS21 Walk Behind Snow Thrower (Recoil) -PC2302 ...

TECHNICAL MANUAL - John Deere Manual do the job and service parts kits. Section 10, Group 15—Repair Specifications, consist of all applicable specifications, near tolerances and specific torque values for various components on each individual machine. Binders, binder labels, and tab sets can be ordered by John Deere dealers direct from the John Deere Distribution Service Center.

John deere trx24 walk behind snowthrowers & snowblowers ...

John deere trx24 walk behind snowthrowers & snowblowers ...

John Deere Snowblower Parts - Lawnmower Pros ARIENS 832 and 1032, 20", 24" and 32" snowthrower attachments scoops. JOHN DEERE 524D, 724D (PC2569) and 826D (PC2570) walk behind snowthrowers. and others. Price: $5.95. Oregon 31-907 Snow Blower Pull Rope Starter Handle Ariens, Noma, Tecumseh, Toro for John Deere. Pull Rope Starter Handle for Tecumseh and other Used on Snowblowers.

John Deere TRS21, TRS21E, TRS22, TRS24, TRS26, TRS27, TRS32 ...

John Deere TRS21, TRS21E, TRS22, TRS24, TRS26, TRS27, TRS32 ...

John Deere TRS21/21E/22/24/26/27/32 and TRX24/26 Walk-Behind  Snowthrowers/Snowblowers TM1466 PDF

John Deere TRS21/21E/22/24/26/27/32 and TRX24/26 Walk-Behind Snowthrowers/Snowblowers TM1466 PDF

John Deere TRS21 Snowblower | Property Room

John Deere TRS21 Snowblower | Property Room

Snowblower Scraper Blade Fits John Deere TRS21 Replaces M94511

Snowblower Scraper Blade Fits John Deere TRS21 Replaces M94511

Replaces Carburetor For John Deere TRS21 Snow Blower | eBay

Replaces Carburetor For John Deere TRS21 Snow Blower | eBay

JOHN DEERE MODEL TRS 21 Snowthrower Operators Manual £18.90 ...

JOHN DEERE MODEL TRS 21 Snowthrower Operators Manual £18.90 ...

JOHN DEERE MODEL TRS 21 Snowthrower Operators Manual £18.90 ...

JOHN DEERE MODEL TRS 21 Snowthrower Operators Manual £18.90 ...

AM108668 - Carburetor fits John Deere | AFTERMARKET.SUPPLY

AM108668 - Carburetor fits John Deere | AFTERMARKET.SUPPLY

JOHN DEERE MODEL TRS 21 Snowthrower Operators Manual £18.90 ...

JOHN DEERE MODEL TRS 21 Snowthrower Operators Manual £18.90 ...

John Deere TRS21/21E/22/24/26/27/32 and TRX24/26 Walk-Behind  Snowthrowers/Snowblowers TM1466 PDF

John Deere TRS21/21E/22/24/26/27/32 and TRX24/26 Walk-Behind Snowthrowers/Snowblowers TM1466 PDF

John deere trx24 walk behind snowthrowers & snowblowers ...

John deere trx24 walk behind snowthrowers & snowblowers ...

CARBURETOR FOR JOHN Deere TRS21 Snow Blower - £12.54 ...

CARBURETOR FOR JOHN Deere TRS21 Snow Blower - £12.54 ...

Gebruikt JOHN DEERE 466 Veilingresultaten - 73 Advertenties ...

Gebruikt JOHN DEERE 466 Veilingresultaten - 73 Advertenties ...

BMotorParts Carburetor Carb Assembly for John Deere TRS21 Snow Thrower

BMotorParts Carburetor Carb Assembly for John Deere TRS21 Snow Thrower

John Deere TRS21 Walk Behind Snow Thrower (Recoil) -PC2302 ...

John Deere TRS21 Walk Behind Snow Thrower (Recoil) -PC2302 ...

Shimano Symetre RJ Spinning Reel | SY-4000RJ ...

Shimano Symetre RJ Spinning Reel | SY-4000RJ ...

Carburateur Kit Voor Tecumseh 8-10 HP MTD/Snapper/Ariens 824 ...

Carburateur Kit Voor Tecumseh 8-10 HP MTD/Snapper/Ariens 824 ...

Replaces Carburetor For John Deere TRS21 Snow Blower - Mower ...

Replaces Carburetor For John Deere TRS21 Snow Blower - Mower ...

John Deere Service ADVISOR 4.2 2016 CCE Download / Get as a ...

John Deere Service ADVISOR 4.2 2016 CCE Download / Get as a ...

John Deere L120 Lawn Tractor Parts

John Deere L120 Lawn Tractor Parts

John Deere TRS21 Walk Behind Snow Thrower (Recoil) -PC2302 ...

John Deere TRS21 Walk Behind Snow Thrower (Recoil) -PC2302 ...

Carburetor for John Deere Snow Blower Thrower John Deere Snow Blower  Thrower TRX24 TRX26 TRX27 TRX32 Carb

Carburetor for John Deere Snow Blower Thrower John Deere Snow Blower Thrower TRX24 TRX26 TRX27 TRX32 Carb

Replaces Yard Machines Snow Blower Model 31A-240-762 ...

Replaces Yard Machines Snow Blower Model 31A-240-762 ...

John Deere Carburetor Assembly - AM125644

John Deere Carburetor Assembly - AM125644

John Deere TRS21 Walk Behind Snow Thrower (Recoil) -PC2302

John Deere TRS21 Walk Behind Snow Thrower (Recoil) -PC2302

JOHN DEERE TRS21 SNOW BLOWER ROD # 108090 w/m112498 middle ...

JOHN DEERE TRS21 SNOW BLOWER ROD # 108090 w/m112498 middle ...

John Deere TRS21 | Garden Tractor Forums

John Deere TRS21 | Garden Tractor Forums

John Deere TRS 21 1-Stage Snow Blower, Runs | Smith Sales LLC

John Deere TRS 21 1-Stage Snow Blower, Runs | Smith Sales LLC

Pin on Backhoe Loaders Technical Repair Service Manuals

Pin on Backhoe Loaders Technical Repair Service Manuals

John Deere TRS 21 Snowthrower Operator Manual OMM133615 F7 O-1B | eBay

John Deere TRS 21 Snowthrower Operator Manual OMM133615 F7 O-1B | eBay

John Deere TRS21/21E/22/24/26/27/32 and TRX24/26 Walk-Behind  Snowthrowers/Snowblowers TM1466 PDF

John Deere TRS21/21E/22/24/26/27/32 and TRX24/26 Walk-Behind Snowthrowers/Snowblowers TM1466 PDF

John Deere TRS21/21E/22/24/26/27/32 and TRX24/26 Walk-Behind  Snowthrowers/Snowblowers TM1466 PDF

John Deere TRS21/21E/22/24/26/27/32 and TRX24/26 Walk-Behind Snowthrowers/Snowblowers TM1466 PDF

John Deere Parts Diagrams, John Deere TRS22, TRS24, TRX24 ...

John Deere Parts Diagrams, John Deere TRS22, TRS24, TRX24 ...

0 Response to "45 john deere trs21 parts diagram"

Post a Comment

Iklan Atas Artikel

Iklan Tengah Artikel 1

Iklan Tengah Artikel 2

Iklan Bawah Artikel