Iklan 300x250

45 poulan wild thing 2375 fuel line diagram

charmantecerise.it Vor 2 Tagen · Document Type. 358. 16 (10) Milling Cutter. com DA: 20 PA: 25 MOZ Rank: 75. and primer lines go in a craftsman or poulan how to replace chainsaw fuel lines sears partsdirect solved craftsman chain saw model 358 350060 fuel line fixya solved craftsman chainsaw fuel line and filter fixya i need fuel line diagram on craftsman chainsaw 36cc fixya craftsman … PDF Poulan P4018wt Manual Diagram Manual Poulan wild thing chainsaw not starting. Fuel line fix. Poulan Wild Thing 2375 Chainsaw No Start or Run.How to FixPoulan Wild Thing coil module replacement Chainsaw Carburetor ¦ How to Tune \u0026 Adjust 'Correctly' 3 Chainsaw Sharpening Myths Poulan chainsaw won't idle

38 poulan wild thing parts diagram - Diagram For You Mar 03, 2022 · Poulan Wild Thing 2375 Fuel Line Routing - schematron.org Poulan Wild Thing Chain Saw Fuel Lines LE TYPE 2 Poulan Chain saw - wildthing Then draw a diagram of how the fuel line is routed.Then one more single line returns to the tank.

Poulan wild thing 2375 fuel line diagram

Poulan wild thing 2375 fuel line diagram

Poulan 2375 - Poulan Wildthing Chainsaw, Type 6 Engine ... Engine Assembly Type 6 diagram and repair parts lookup for Poulan 2375 - Poulan Wildthing Chainsaw, Type 6. The Right Parts, Shipped Fast! ... Fuel Line Kit. Note: (Small) Usually ships in 1 day ... PDF Poulan Wild Thing Chainsaw Manual - lno.wickedlocal.com Chainsaw Bar Oil Leak - Gurubrew CRF NEW Poulan Wild Thing Chainsaw - REVIEW How to Install a Chain on a Poulan Chainsaw : Lawn Care \u0026 Power Tools Poulan Wild Thing Chainsaw 2375 gas line routing part 1 POULAN 2375 Chainsaw Start Up \u0026 Test Cut POULAN WILD THING 40cc Tuning Chainsaw Repair - Poulan Wild Thing - Fuel Line Routing Poulan Wild Thing Fuel Line Routing - schematron.org May 11, 2018 · on Poulan Wild Thing Fuel Line Routing. November 1, Fixing things makes sense. This article will help you make sense of replacing the fuel return line on a Poulan chainsaw. replacing the fuel. I can't give you an actual diagram but a I can try to explain how it should go. There is a line with the filter in the tank that goes to the bottom of.

Poulan wild thing 2375 fuel line diagram. Where do the fuel and primer lines go in a Craftsman or ... Where do the fuel and primer lines go in a Craftsman or Poulan Chainsaw? Poulan 2375 - Poulan Wildthing Chainsaw, Type 1 Engine ... Engine Assembly Type 1-5 diagram and repair parts lookup for Poulan 2375 - Poulan Wildthing Chainsaw, Type 1. The Right Parts, Shipped Fast! ... Fuel Line Kit. Note: (Small) Usually ships in 1 day ... Poulan Gas Chain Saw | 2375 | eReplacementParts.com I got out my Poulan 2375 chainsaw last weekend to deal with some storm debris, and found that the fuel lines had corroded away, I'm guessing from the 10% ethanol gas (yes, it was stored with gas in it). I replaced all the fuel lines, the primer bulb, the fuel filter, spark plug and the air filter. PDF Manual For Poulan Wild Thing Weed Eater Poulan wild thing chainsaw not starting. Fuel line fix.Cheap Poulan \"Wild Thing\" Chainsaw Fuel Line Repair Tuning the carburetor on The Poulan Wild Thing Chainsaw Poulan Pro - Chainsaw Operation POULAN 2375 Chainsaw Start Up \u0026 Test Cut Will It Run? Poulan Wild Thing Chainsaw | Mustachie1 Poulan Wild Thing Chainsaw 2375 gas line routing ...

Parts Lookup and OEM Diagrams | PartsTree Parts lookup and repair parts diagrams for outdoor equipment like Toro mowers, Cub Cadet tractors, Husqvarna chainsaws, Echo trimmers, Briggs engines, etc. ... 2375 LE - Poulan Wildthing Chainsaw, Type 2 (2008-03) 2375 - Poulan Wildthing Chainsaw, Type 1. 2375 - Poulan Wildthing Chainsaw, Type 5. how to change the fuel lines on apoulon 2375 chain saw ... · Questions answers page a. Poulan wild thing chain saw fuel lines 2375le type 2 poulan 2050 2150 2175 2375 wildthing chainsaw parts list 2008 i have a poulan chain saw model 2375. Oct 5 2017 poulan chainsaw fuel line diagram. Poulan 2175 type 2 gas chainsaw parts. Well 6 month later looking in the manual it does not show a diagram of the lines. Poulan 2375 TYPE 1-5 gas chainsaw manual - Sears Parts Direct Download the manual for model Poulan 2375 TYPE 1-5 gas chainsaw. Sears Parts Direct has parts, manuals & part diagrams for all types of repair projects to help you fix your gas chainsaw! ... Lawn & garden equipment fuel line, large. Part #530069216 . Poulan Wild Thing Fuel Line Replacement - YouTube About Press Copyright Contact us Creators Advertise Developers Terms Privacy Policy & Safety How YouTube works Test new features Press Copyright Contact us Creators ...

Poulan Wild Thing 2375 Fuel Line Routing - schematron.org Sep 01, 2019 · Poulan Wild Thing Chain Saw Fuel Lines LE TYPE 2 Poulan Chain saw - wildthing Then draw a diagram of how the fuel line is routed.Then one more single line returns to the tank. I may not be correct on this, but there's not much information available. The diagram on Poulan's website does not show the routing of the fuel lines. The small line from ... Poulan 2375LE Gas Saw Type 1, Wildthing 2375LE Gas Saw ... Poulan 2375LE Gas Saw Type 1, Wildthing 2375LE Gas Saw Type 1 Exploded View parts lookup by model. Complete exploded views of all the major manufacturers. It is EASY and FREE What is the fuel line routing on a poulan 2375? - Answers What is the fuel line routing on a poulan 2375? - Answers The small line from the tank (with the fuel filter) goes to the top port of the carburetor. The large line from the fuel tank goes to the... Amazon.com: poulan 2375 fuel line kit Carburetor Air Filter Carb Fuel Line Spark Plug Carb For Poulan Chainsaw 1950 2050 2150 2375 Wild Thing 2375LE Walbro WT 89 891 WT-324 for Zama C1U-W8 C1U-W14 Replace# 545081885. 4.3 out of 5 stars. 199. $14.98.

Poulan P3314 2-Cycle Chainsaw: Replace Primer Bulb, Fuel ...

Poulan P3314 2-Cycle Chainsaw: Replace Primer Bulb, Fuel ...

ulksdzialoszyn-online.pl 24.02.2022 · Carburetor for Poulan Chainsaw 1950 2050 2150 2375 Wild Thing 2375LE Walbro WT 89 891 WT-324 Zama C1U-W8 C1U-W14 Carburetor 545081885 Carb with Air Filter Fuel Line Spark Plug. Walbro carburetor for string trimmers weedeaters part wt before gasoline makers started adding ethanol to gasoline, rebuilding a was repair that Carburetor replaces …

Chainsaw Repair - Poulan Wild Thing - Fuel Line Routing Problem

Chainsaw Repair - Poulan Wild Thing - Fuel Line Routing Problem

PDF Poulan Chainsaw Repair Manual Fuel Tank REPLACEMENT DIY Chainsaw Repair - Poulan Wild Thing - Fuel Line Routing Problem Poulan Chainsaw repair Models 1950, 2150, \u0026 2075 Poulan 2050 Chainsaw - Installing New Fuel Lines Poulan Wild Thing 2375 Chainsaw No Start or Run.How to Fix Quickly Unflood A Chainsaw Using NO Tools - Video #poulan #pro #chainsaw Poulan pro chainsaw.

Poulan 2375 Gas Saw Type 7, Wildthing 2375 Gas Saw Type 7 ...

Poulan 2375 Gas Saw Type 7, Wildthing 2375 Gas Saw Type 7 ...

Chainsaw Repair - Poulan Wild Thing - Fuel Line Routing ... Thought this might help you out if you need to route fuel lines on a Poulan wild thing.

FUEL gas CAP POULAN 2050 2375 WILD THING CHAINSAW PART ...

FUEL gas CAP POULAN 2050 2375 WILD THING CHAINSAW PART ...

2375 Poulan Chainsaw Parts & Repair Help | PartSelect I Made sure that the fuel filter was extended to the furthest end of the fuel tank bottom. Six inches in all. I then attached the smaller fuel line to the carburetor. 5) I Installed the larger fuel line, followed the same procedures as the smaller fuel line. 6) Both fuel lines where cut on an angle for easy installation. No lubricant was necessary.

How to Replace the Fuel Return Line on a Poulan Chainsaw ...

How to Replace the Fuel Return Line on a Poulan Chainsaw ...

Poulan Wild Thing 2375 Fuel Line Diagram - schematron.org Fuel Line Fitting the function of a inch plastic tube that is in the oil chamber of the Wild Thing Repair fuel lines on Poulan Wild Thing Model Type7. By Terry, 2 years ago. Repair fuel I need a fuel line diagram for a Poulan chainsaw. If you have gas that returns to the tanks when you prime the unit, then you have the lines on correctly. Make ...

My neighbor gave me this 18” Poulan Wild Thing. I rebuilt the ...

My neighbor gave me this 18” Poulan Wild Thing. I rebuilt the ...

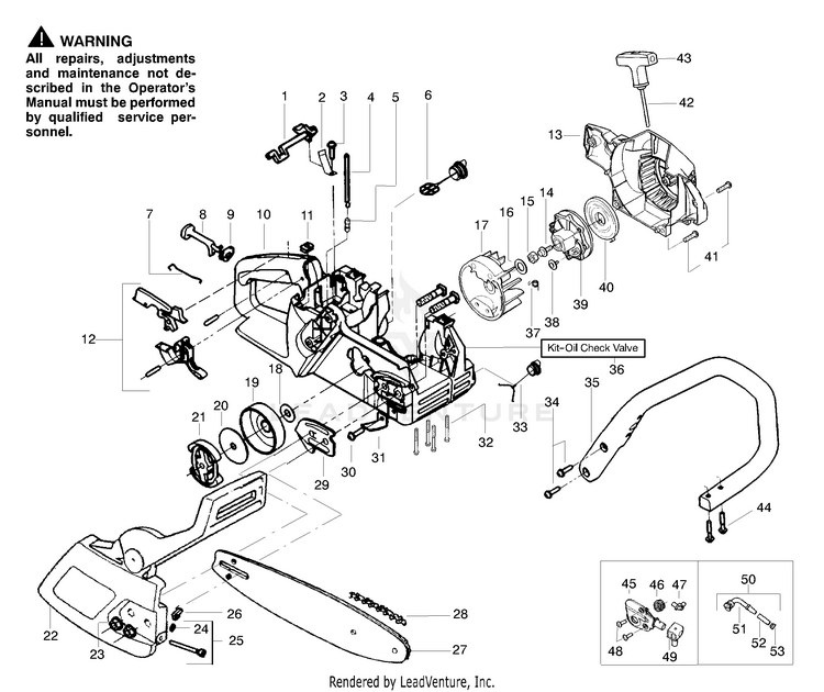
Poulan 2375 - Poulan Wildthing Chainsaw, Type 4 Handle ... Handle, Chassis & Bar Assembly Type 1-6 diagram and repair parts lookup for Poulan 2375 - Poulan Wildthing Chainsaw, Type 4. The Right Parts, Shipped Fast! ... Kit-Fuel Line. Note: (Large) Usually ships in 1 day ...

Poulan P4018WT Support and Manuals

Poulan P4018WT Support and Manuals

Welcome to Butler County Recorders Office Copy and paste this code into your website. Your Link …

poulan 2150, 2050, 2175, 2375 wild thing chainsaw walbro wt-324 carburetor  with choke

poulan 2150, 2050, 2175, 2375 wild thing chainsaw walbro wt-324 carburetor with choke

I have a poulan wild thing 2375. The fuel lines have ... I have a poulan wild thing 2375. The fuel lines have crumbled and I am replacing them. Some were broken off before I started so I need to know the order for where lines go. Submitted: 10 years ago. Category: Small Engine. Show More. Show Less. Ask Your Own Small Engine Question.

On a Poulan chainsaw 18

On a Poulan chainsaw 18" 2175 fuel line routes?

2375 - Poulan Wildthing Chainsaw, Type 4 Parts & Diagrams ... 2375 - Poulan Wildthing Chainsaw, Type 4 > Parts Diagrams (5) Hide Carburetor Assembly (WT324) 530069703 Carburetor Assembly Kits 530071620/530071820/530071821

Poulan Wild Thing Chainsaw 2375 gas line routing part 1

Poulan Wild Thing Chainsaw 2375 gas line routing part 1

Poulan Wild Thing Chainsaw 2375 gas line routing part 1 ... Poulan Wild Thing Chainsaw 2375 gas line routing part 1.This video was made as a demonstration how to repair things and should not be done with out the prope...

Poulan | Chainsawr

Poulan | Chainsawr

Poulan Wild Thing Fuel Line Routing - schematron.org May 11, 2018 · on Poulan Wild Thing Fuel Line Routing. November 1, Fixing things makes sense. This article will help you make sense of replacing the fuel return line on a Poulan chainsaw. replacing the fuel. I can't give you an actual diagram but a I can try to explain how it should go. There is a line with the filter in the tank that goes to the bottom of.

Poulan Pro Dealers Locator - 02/2022

Poulan Pro Dealers Locator - 02/2022

PDF Poulan Wild Thing Chainsaw Manual - lno.wickedlocal.com Chainsaw Bar Oil Leak - Gurubrew CRF NEW Poulan Wild Thing Chainsaw - REVIEW How to Install a Chain on a Poulan Chainsaw : Lawn Care \u0026 Power Tools Poulan Wild Thing Chainsaw 2375 gas line routing part 1 POULAN 2375 Chainsaw Start Up \u0026 Test Cut POULAN WILD THING 40cc Tuning Chainsaw Repair - Poulan Wild Thing - Fuel Line Routing

Carburetor For Poulan Chainsaw 1950 1975 2025 2050 Wild Thing 2055LE WT-891  736530703844 | eBay

Carburetor For Poulan Chainsaw 1950 1975 2025 2050 Wild Thing 2055LE WT-891 736530703844 | eBay

Poulan 2375 - Poulan Wildthing Chainsaw, Type 6 Engine ... Engine Assembly Type 6 diagram and repair parts lookup for Poulan 2375 - Poulan Wildthing Chainsaw, Type 6. The Right Parts, Shipped Fast! ... Fuel Line Kit. Note: (Small) Usually ships in 1 day ...

Poulan P3314 2-Cycle Chainsaw: Replace Primer Bulb, Fuel ...

Poulan P3314 2-Cycle Chainsaw: Replace Primer Bulb, Fuel ...

Poulan 2800 3300 3500 Chainsaw Gas Fuel Line Kit, Filter, Vent PP 285 305  335 | eBay

Poulan 2800 3300 3500 Chainsaw Gas Fuel Line Kit, Filter, Vent PP 285 305 335 | eBay

Poulan Wild Thing 2375 Chainsaw for parts or repair | eBay

Poulan Wild Thing 2375 Chainsaw for parts or repair | eBay

Carburetor For Poulan Chainsaw 1950 2050 2150 2375 Walbro WT-89 WT-324  WT-391

Carburetor For Poulan Chainsaw 1950 2050 2150 2375 Walbro WT-89 WT-324 WT-391

Carburetor for Poulan Chainsaw 1950 2050 2150 2375 62 1975 ...

Carburetor for Poulan Chainsaw 1950 2050 2150 2375 62 1975 ...

Poulan P4018WT Support and Manuals

Poulan P4018WT Support and Manuals

Poulan | DIY Forums

Poulan | DIY Forums

Poulan | Chainsawr

Poulan | Chainsawr

Poulan/Snapper S1634 Snapper Gas Saw Type 2

Poulan/Snapper S1634 Snapper Gas Saw Type 2

Poulan Chainsaw Parts for sale | Only 3 left at -75%

Poulan Chainsaw Parts for sale | Only 3 left at -75%

How to connect McCulloch Mac 3214 chain saw fuel lines?

How to connect McCulloch Mac 3214 chain saw fuel lines?

Poulan wild thing 2375 fuel line diagram

Poulan wild thing 2375 fuel line diagram

I am replacing small rubber hoses on a 2055 carb and fuel ...

I am replacing small rubber hoses on a 2055 carb and fuel ...

Pete's Small Engines - Repairs, Maintenance, & Sales - Home ...

Pete's Small Engines - Repairs, Maintenance, & Sales - Home ...

Mckin 545081885 Carburetor with Air Filter Oil Fuel Cap fits ...

Mckin 545081885 Carburetor with Air Filter Oil Fuel Cap fits ...

SOLVED: Fuel line routing for my poulan woodshark 1950 - Fixya

SOLVED: Fuel line routing for my poulan woodshark 1950 - Fixya

Poulan P3314 2-Cycle Chainsaw: Replace Primer Bulb, Fuel ...

Poulan P3314 2-Cycle Chainsaw: Replace Primer Bulb, Fuel ...

How to Replace the Fuel Return Line on a Poulan Chainsaw ...

How to Replace the Fuel Return Line on a Poulan Chainsaw ...

How to Replace the Fuel Return Line on a Poulan Chainsaw ...

How to Replace the Fuel Return Line on a Poulan Chainsaw ...

SOLVED: Jonsereds 361 chainsaw appears to have fuel feed - Fixya

SOLVED: Jonsereds 361 chainsaw appears to have fuel feed - Fixya

How to connect McCulloch Mac 3214 chain saw fuel lines?

How to connect McCulloch Mac 3214 chain saw fuel lines?

Poulan 2375LE Gas Saw Type 1, Wildthing 2375LE Gas Saw Type 1 ...

Poulan 2375LE Gas Saw Type 1, Wildthing 2375LE Gas Saw Type 1 ...

Poulan P3314 2-Cycle Chainsaw: Replace Primer Bulb, Fuel ...

Poulan P3314 2-Cycle Chainsaw: Replace Primer Bulb, Fuel ...

Proline® Ignition Coil For Poulan Pro Craftsman Husqvarna ...

Proline® Ignition Coil For Poulan Pro Craftsman Husqvarna ...

Poulan 2375LE Gas Saw Type 1, Wildthing 2375LE Gas Saw Type 1 ...

Poulan 2375LE Gas Saw Type 1, Wildthing 2375LE Gas Saw Type 1 ...

Poulan Chainsaw Fuel Line Diagram | ... installed a new ...

Poulan Chainsaw Fuel Line Diagram | ... installed a new ...

How to Replace the Fuel Return Line on a Poulan Chainsaw ...

How to Replace the Fuel Return Line on a Poulan Chainsaw ...

Chainsaw fuel line replacement in a Poulan

Chainsaw fuel line replacement in a Poulan

Fuel Lines Replacement and Routing for Poulan/ Craftsman Chainsaw

Fuel Lines Replacement and Routing for Poulan/ Craftsman Chainsaw

Poulan Wild Thing Chainsaw 2375 gas line routing part 2

Poulan Wild Thing Chainsaw 2375 gas line routing part 2

poulan wild thing 2375 le chainsaw carburetor fuel line repair

poulan wild thing 2375 le chainsaw carburetor fuel line repair

Carburetor Carb Kit for Poulan Wildthing 2175 2375 2375LE Pioneer 2050 Gas  Saw | eBay

Carburetor Carb Kit for Poulan Wildthing 2175 2375 2375LE Pioneer 2050 Gas Saw | eBay

0 Response to "45 poulan wild thing 2375 fuel line diagram"

Post a Comment

Iklan Atas Artikel

Iklan Tengah Artikel 1

Iklan Tengah Artikel 2

Iklan Bawah Artikel