Iklan 300x250

43 poulan fuel line diagram

Poulan Pro 260 Fuel Line Diagram The fuel line on a Poulan Pro chainsaw links the gas tank with the carburetor , which feeds the combustion chamber. This flimsy plastic line can break easily. Gas line diagram for poulan 4cebjpg An IPL containing fuel system parts with very little detail can be found here: diagramweb.net This DIY repair guide shows how to replace chainsaw fuel lines in 30 minutes. Poulan 2055 Fuel Line Routing - Wiring Diagrams A5. Fuel Line Fitting. I've been trying to get the fuel system resolved on this Poulan and as with so many previous ones, the fuel lines are bits and pieces here. The fuel supply hoses on Poulan chain saws carry fuel from the fuel tank to the The return fuel hose returns the unused purge bulb fuel to the fuel tank.

PDF SERVICE MANUAL FOR POULAN - POULAN/PRO 33cc 34cc 36cc 40cc ... SERVICE MANUAL FOR POULAN - POULAN/PRO 33cc 34cc 36cc 40cc and 42cc 1900-1900LE-1950-1950LE-2050-2050LE-2055LE-2075 2075LE-2150-2150LE-2175-2175LE-2150-2150LE-2375 2375LE WILD THING-2250-2450-2550 POULAN PRO 220-221-221LE-260-260LE For Discount Poulan Poulan Pro Parts Call 606-678-9623 or 606-561-4983

Poulan fuel line diagram

Poulan fuel line diagram

› Powersmart-Lawnmower-and-SnowPowersmart Lawnmower and Snowblowres: Parts, diagrams, manuals Powersmart Lawnmower and Snowblower Parts, Manuals and Diagrams. Powersmart outdoor power equipment has earned a reputation of affordable quality. We're a factory authorized service center and carry the complete line of genuine Powersmart parts for all Powersmart machines including lawnmowers, snowblowers, and engines. Poulan Chainsaw Fuel Line Repair, How to Replace the Fuel ... Once you have purchased your Poulan pro 42cc chain saw fuel line diagram, it is important that you read the Poulan pro's instructions for proper maintenance. The first step is to add the fuel filter to your chainsaw. You can connect this to the chain, or it can be removed and connected by hand. Poulan Wild Thing Fuel Line Routing - schematron.org November 1, Fixing things makes sense. This article will help you make sense of replacing the fuel return line on a Poulan chainsaw. replacing the fuel. I can't give you an actual diagram but a I can try to explain how it should go. There is a line with the filter in the tank that goes to the bottom of. I've been trying to get the fuel system resolved on this Poulan and Poulan fuel line routing Chris-PA Where the Wild Things Are.

Poulan fuel line diagram. › partsMassey Ferguson 135 Parts - Agricultural Equipment Parts Click here for Massey Ferguson 135 Parts Diagram. Find the correct part numbers for the parts your looking for, then return here to search our site for them. Farm tractors such as the Massey Ferguson 135 Tractor, need replacement parts on occasion. That’s where Madison Tractor can help. jackssmallengines.com › jacks-parts-lookupPoulan PP175G42 - 96046007500 (2015-08) Parts Diagrams Poulan PP175G42 - 96046007500 (2015-08) Exploded View parts lookup by model. Complete exploded views of all the major manufacturers. It is EASY and FREE Poulan Pro 42cc Fuel Line Diagram - Diagram Niche Ideas Poulan pro fuel line diagram. Poulan pro premium bar and chain oil provides the perfect viscosity to improve the operation and life of the chainsaw chain. Connect with us and other poulan pro fans. Av only connect fuel line from left half of chassis to brass fitting on choke lever (right) side of. Poulan Pro Gas Trimmer Fuel Primer Bulb Line Routing ... 5 Posts. Discussion Starter · #1 · May 14, 2009. Hey folks, newb here. So for my first post, I was hoping that someone can confirm or deny my routing diagram for hooking up the fuel lines properly. I inherited this weed trimmer from my brother as it had been sitting for years since he didn't know what was wrong with it.

How to Replace the Fuel Tank Purge Line on a Poulan ... This article provides step-by-step instructions for replacing the fuel tank purge line on a Poulan chainsaw. Let's get started. REMOVING THE PURGE LINE [top] 1. Drain the fuel. Drain any excess fuel from the tank. 2. Remove the top cover. Remove the (3) screws securing the top cover to the saw. Poulan Pro 31cc Fuel Line Diagram - schematron.org Apr 21, · how to hook up new fuel lines (large and small diameter) on poulan Pro pole tree trimer - need factory diagram showing all connections to primer bulb, fuel filter, gas tank, and carb. The trimmer ran great on initial start up but fuel lines disintegrated.5/5. diagram fuel lines tank primer carbutor poulan pro weedeater - Poulan Poulan/Weed Eater No. Poulan Pro 260 Chainsaw Fuel Line Diagram Gas line diagram for poulan 4cebjpg Fuel Line Replacement by wiringall.com You can View a Diagram of the Chainsaw here.SOURCE: Replacing a fuel line for a Poulan type 2 chainsaw Take top cover off (3 screws). Take off the 2 nuts holding the carb on. Pull carb part way out to access the hoses. How to Replace Fuel Lines on Poulan Pro 220 Chainsaw | eHow Locate the fuel lines connected to the carburetor. Step 3 Grab the top plastic line (this line connects to the gas tank) with the needle nose pliers. Pull this line off the carburetor nozzle. Advertisement Step 4 Unscrew the gas cap and set it aside in safe, clean place. Use the needle nose pliers to grab the fuel filter in the tank.

Poulan pro - fuel line configuration - YouTube Poulan pro - fuel line configuration - YouTube. Poulan Chainsaw Carburetor Fuel Line Diagram diagramweb.net: poulan chainsaw fuel line kit. Carburetor Fuel Line Filter Tool Carb Kit For Poulan Craftsman Gas Pro Blower BVMC BVMVS PC W GBV P32 Weedeater Chainsaw Replaces Walbro WTA by MOTOKU. $ $ 16 . Save poulan chainsaw fuel line diagram to get e-mail alerts and updates on your eBay Feed. + Items in search results. Results matching fewer words. Carburetor Fuel Filter Line Fits Poulan PPAV Craftman Zama C1M-W47 Chainsaw. Brand New. out of 5 stars.How to Replace Chainsaw Fuel Lines ... What size fuel lines does a Poulan chainsaw use ... What size fuel lines does a Poulan chainsaw use? The 4218 uses 3/32″id by 3/16″od and . 080″ id by . 140″od fuel lines . What size is the fuel line on a chainsaw? It uses 1/8id x 3/16od, though 1/4od can be used also but it is a little harder to get pulled through the hole. Poulan P3314 2-Cycle Chainsaw: Replace Primer Bulb, Fuel ... Poulan P3314 Spark Plug Step 1 Replacing Damaged Primer Bulb and Fuel Lines Start by unscrewing the (3) T25 screws on the top cover Remove the top cover and set aside Add a comment Step 2 With the top cover off, disconnect the sparkplug Add a comment Step 3 Remove the (4) T25 screws securing the starter assembly to the (side) of the chainsaw

On a Poulan 2700 I need a diagram of fuel line routing my ...

On a Poulan 2700 I need a diagram of fuel line routing my ...

Poulan Chainsaw Carburetor Fuel Line Diagram - Diagram ... Home Decorating Style 2022 for Poulan Chainsaw Carburetor Fuel Line Diagram, you can see Poulan Chainsaw Carburetor Fuel Line Diagram and more pictures for Home Interior Designing 2022 321247 at Resume Example Ideas.

weed eater help please - DoItYourself.com Community Forums

weed eater help please - DoItYourself.com Community Forums

Fuel Line Configuration on Poulan 2150 Chainsaw - YouTube Fuel Line Configuration on Poulan 2150 ChainsawThis same configuration may also be the same on many other poulan chainsaws. Visit my channel for more repair ...

Fuel Air Filter Gas Line Primer Bulb for McCulloch 3200 3205 ...

Fuel Air Filter Gas Line Primer Bulb for McCulloch 3200 3205 ...

How to Replace the Fuel Return Line on a Poulan Chainsaw ... This article provides step-by-step instructions for replacing the fuel return line on a Poulan chainsaw. Let's get started. REMOVING THE FUEL RETURN LINE [top] 1. Drain the fuel. Drain any excess fuel from the tank. 2. Remove the top cover. Remove the (3) screws securing the top cover to the saw. Lift the top cover away from the saw. 3.

Craftsman 36cc Chainsaw Carburetor | Chainsawsi

Craftsman 36cc Chainsaw Carburetor | Chainsawsi

› combo › 0247-1234671Craftsman tiller parts | Sears PartsDirect Check the fuel tank. Make sure the tank is filled with fresh gasoline. Old, stale gas won't start the engine. Check the carburetor choke setting. Make sure you have the choke closed to start the engine. Check the air filter. Clean or replace the air filter if it's dirty. Check the spark plug wire.

Replacing Fuel Line on Poulan Chainsaw 2055LE

Replacing Fuel Line on Poulan Chainsaw 2055LE

Poulan Pro Fuel Line Diagram - Diagram Niche Ideas Poulan Pro Fuel Line Diagram Allow the engine to warm up small amount (5 to 10%) of #1 diesel fuel or before squeezing the throttle trigger. We have the following poulan poulan pro pr4218 manuals available for free pdf download. Fuel tank to primer bulb to carburetor?

Mgaxyff Garden Tool Accessory,Fuel Filter,Carburetor Air ...

Mgaxyff Garden Tool Accessory,Fuel Filter,Carburetor Air ...

Craftsman 16 36cc chainsaw parts diagram Craftsman chainsaw fuel line 16 inch diagram routing 18 solved gas line diagram for poulan Page 7/23 Craftsman 36cc chainsaw fuel line diagram where do the fuel and primer lines go in a craftsman or poulan chainsaw craftsman chainsaw model 358 350260 routing gas lines sears craftsman chainsaw fuel line replacement 2 stroke engine poulan ...

Poulan 2150 Predator Gas Saw Type 2

Poulan 2150 Predator Gas Saw Type 2

Instructions for Replacing the Fuel Line on a Poulan Weed ... Identify the fuel line. The small diameter plastic hose runs from the bottom side of the fuel tank, and into the carburetor. The small carburetor is located just under the muffler on the engine. Pull the fuel line from the carburetor, using the needle-nose pliers. The hose fits over a small metal nozzle on the side of the carburetor.

SOLVED: Chainsaw fuel line diagram - Fixya

SOLVED: Chainsaw fuel line diagram - Fixya

Poulan Chainsaw Fuel Line Diagram | ... installed a new ... Poulan Chainsaw Fuel Line Diagram | ... installed a new carburaetor on a Poulan # 2175 and it - JustAnswer. Find this Pin and more on Tools by M Crosby. Poulan Chainsaw. Chainsaw Repair. Toro Lawn Mower. Bandsaw Mill. Lawn Mower Repair. Line Diagram. Lawn Equipment.

Poulan Pro 574859401 Poulan PPBP30 Blower 5 Pack Fuel Line ...

Poulan Pro 574859401 Poulan PPBP30 Blower 5 Pack Fuel Line ...

Poulan Wild Thing Fuel Line Routing - schematron.org November 1, Fixing things makes sense. This article will help you make sense of replacing the fuel return line on a Poulan chainsaw. replacing the fuel. I can't give you an actual diagram but a I can try to explain how it should go. There is a line with the filter in the tank that goes to the bottom of. I've been trying to get the fuel system resolved on this Poulan and Poulan fuel line routing Chris-PA Where the Wild Things Are.

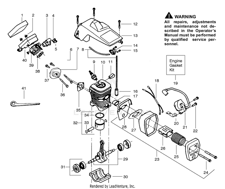
Poulan Chainsaw Parts Diagrams - The Saw Guy

Poulan Chainsaw Parts Diagrams - The Saw Guy

Poulan Chainsaw Fuel Line Repair, How to Replace the Fuel ... Once you have purchased your Poulan pro 42cc chain saw fuel line diagram, it is important that you read the Poulan pro's instructions for proper maintenance. The first step is to add the fuel filter to your chainsaw. You can connect this to the chain, or it can be removed and connected by hand.

Poulan P3314 2-Cycle Chainsaw: Replace Primer Bulb, Fuel ...

Poulan P3314 2-Cycle Chainsaw: Replace Primer Bulb, Fuel ...

› Powersmart-Lawnmower-and-SnowPowersmart Lawnmower and Snowblowres: Parts, diagrams, manuals Powersmart Lawnmower and Snowblower Parts, Manuals and Diagrams. Powersmart outdoor power equipment has earned a reputation of affordable quality. We're a factory authorized service center and carry the complete line of genuine Powersmart parts for all Powersmart machines including lawnmowers, snowblowers, and engines.

My neighbor gave me this 18” Poulan Wild Thing. I rebuilt the ...

My neighbor gave me this 18” Poulan Wild Thing. I rebuilt the ...

Poulan 7700 - Poulan Chainsaw HANDGUARD, AIR FILTER, FUEL ...

Poulan 7700 - Poulan Chainsaw HANDGUARD, AIR FILTER, FUEL ...

Need Fuel Line Diagram Poulan P4018 Chainsaw. | Poulan P4018 ...

Need Fuel Line Diagram Poulan P4018 Chainsaw. | Poulan P4018 ...

Poulan Chainsaw Fuel Line Repair, How to Replace the Fuel ...

Poulan Chainsaw Fuel Line Repair, How to Replace the Fuel ...

POULAN PRO / CRAFTSMAN / HUSQVARNA FUEL LINE REPAIR / REPLACEMENT DIY

POULAN PRO / CRAFTSMAN / HUSQVARNA FUEL LINE REPAIR / REPLACEMENT DIY

Poulan 1900 Gas Saw, Patriot 1900

Poulan 1900 Gas Saw, Patriot 1900

530069247 CRAFTSMAN POULAN FUEL LINE .140 OD X .080 ID ...

530069247 CRAFTSMAN POULAN FUEL LINE .140 OD X .080 ID ...

Poulan P3416 16Inch 34cc 2Cycle Gas Powered Chain Saw ...

Poulan P3416 16Inch 34cc 2Cycle Gas Powered Chain Saw ...

How do you remove the fuel line on a poulan p1500 weedeater ...

How do you remove the fuel line on a poulan p1500 weedeater ...

How to Replace the Fuel Return Line on a Poulan Chainsaw ...

How to Replace the Fuel Return Line on a Poulan Chainsaw ...

Poulan PP445 Gas Pole Pruner, 445 Gas Pole Pruner Parts ...

Poulan PP445 Gas Pole Pruner, 445 Gas Pole Pruner Parts ...

Fuel Filter Line Primer Bulb Kit 4Size For Walbro Poulan ...

Fuel Filter Line Primer Bulb Kit 4Size For Walbro Poulan ...

Craftsman 989796060 (McCulloch) trimmer fuel lines ...

Craftsman 989796060 (McCulloch) trimmer fuel lines ...

Genuine Factory Parts String Trimmer Fuel Line Repair Kit

Genuine Factory Parts String Trimmer Fuel Line Repair Kit

Need Fuel Line Diagram Poulan P4018 Chainsaw. | Poulan P4018 ...

Need Fuel Line Diagram Poulan P4018 Chainsaw. | Poulan P4018 ...

For Poulan Pro PP4018 18

For Poulan Pro PP4018 18" 40CC Chainsaw Carburetor carb ...

How to replace chainsaw fuel lines | Repair guide

How to replace chainsaw fuel lines | Repair guide

6JF4595 Milttor Fuel Lines with Fuel Filter & Primer Bulb for ...

6JF4595 Milttor Fuel Lines with Fuel Filter & Primer Bulb for ...

Poulan P3314 2-Cycle Chainsaw: Replace Primer Bulb, Fuel ...

Poulan P3314 2-Cycle Chainsaw: Replace Primer Bulb, Fuel ...

POULAN FUEL LINES, TANK BREATHER KIT, NEW

POULAN FUEL LINES, TANK BREATHER KIT, NEW

Carburetor Carb For Poulan Woodshark Model 1950 Chainsaw Air ...

Carburetor Carb For Poulan Woodshark Model 1950 Chainsaw Air ...

How to connect McCulloch Mac 3214 chain saw fuel lines?

How to connect McCulloch Mac 3214 chain saw fuel lines?

Cap P/N 530047192 Poulan Gas Fuel Chainsaw Parts & Accs Home ...

Cap P/N 530047192 Poulan Gas Fuel Chainsaw Parts & Accs Home ...

poulan 2375 fuel line diagram Questions & Answers (with ...

poulan 2375 fuel line diagram Questions & Answers (with ...

Poulan 2800 3300 3500 Chainsaw Gas Fuel Line Kit, Filter, Vent PP 285 305  335 | eBay

Poulan 2800 3300 3500 Chainsaw Gas Fuel Line Kit, Filter, Vent PP 285 305 335 | eBay

Poulan & Craftsman Chainsaw fuel lines

Poulan & Craftsman Chainsaw fuel lines

Poulan Pro PPB 1634 LE - Poulan Pro Chainsaw Engine Assembly ...

Poulan Pro PPB 1634 LE - Poulan Pro Chainsaw Engine Assembly ...

Mengxiang C1U-W32 Carburetor for Husq Poulan Craftsman Weed Eater 545006017  545030102 RS32 PP446ET PP446E SM446E Pruner PPB300E PPB100E PP46ET ...

Mengxiang C1U-W32 Carburetor for Husq Poulan Craftsman Weed Eater 545006017 545030102 RS32 PP446ET PP446E SM446E Pruner PPB300E PPB100E PP46ET ...

Poulan 2375LE Gas Saw Type 1, Wildthing 2375LE Gas Saw Type 1 ...

Poulan 2375LE Gas Saw Type 1, Wildthing 2375LE Gas Saw Type 1 ...

Poulan 2150 Fuel Lines Replacement | DIY Forums

Poulan 2150 Fuel Lines Replacement | DIY Forums

Poulan Pro 210,230,221,260,2550, Chainsaw Primer Bulb Fuel Pump & Fuel Line  | eBay

Poulan Pro 210,230,221,260,2550, Chainsaw Primer Bulb Fuel Pump & Fuel Line | eBay

Poulan PP333 Gas Trimmer Parts Diagrams

Poulan PP333 Gas Trimmer Parts Diagrams

0 Response to "43 poulan fuel line diagram"

Post a Comment

Iklan Atas Artikel

Iklan Tengah Artikel 1

Iklan Tengah Artikel 2

Iklan Bawah Artikel