44 craftsman yt 3000 parts diagram
EPR Deck Rebuild Kit Compatible with Husqvarna Craftsman Poulan 46" Models YT3000 YTS3000 YTH21K46 PB195H46YT PP20VA46. 4.5 out of 5 stars. 36. $141.99. $141. . 99. Get it Tue, Nov 2 - Wed, Nov 3. FREE Shipping.
Craftsman Yt 3000 Belt Diagram. My Craftsman YT has about 10 hours of use in it and today the mower belt became I am sending an image showing the belt routing so you can check. craftsman belts are not the same as automotive belts. check with sears for the sounds like belt is to tight or the electric clutch isn't disengaging.
Craftsman yt 3000 parts diagram chokeembly thanks for visiting our site this is images about craftsman yt 3000 parts diagram chokeembly posted by alice ferreira in 28924 yt 3000 21 hp46 yard tractor lawn mower pdf manual download. 2009 craftsman yts 3000 drive speed slow make fast hydrostatic t2 tranmission. I'm trying to replace the drive belt and i'm looking at the diagram but i must be ...
Craftsman yt 3000 parts diagram
Sears PartsDirect has the Craftsman grash catcher parts you need to fix any bagger failure. Find the Craftsman 24891 bagger parts and replacement parts for other Craftsman grass catcher models. Look up repair parts on the exploded parts diagram for your model of Craftsman grass catcher.
At RepairClinic, we want to help you find a repair solution as quickly as possible. See our inventory of Craftsman lawn mower steering parts below including steering wheels, linkages, and ball joints. And if you need help finding the right part, please call our Customer Service team if you have any questions: 1-800-269-2609.
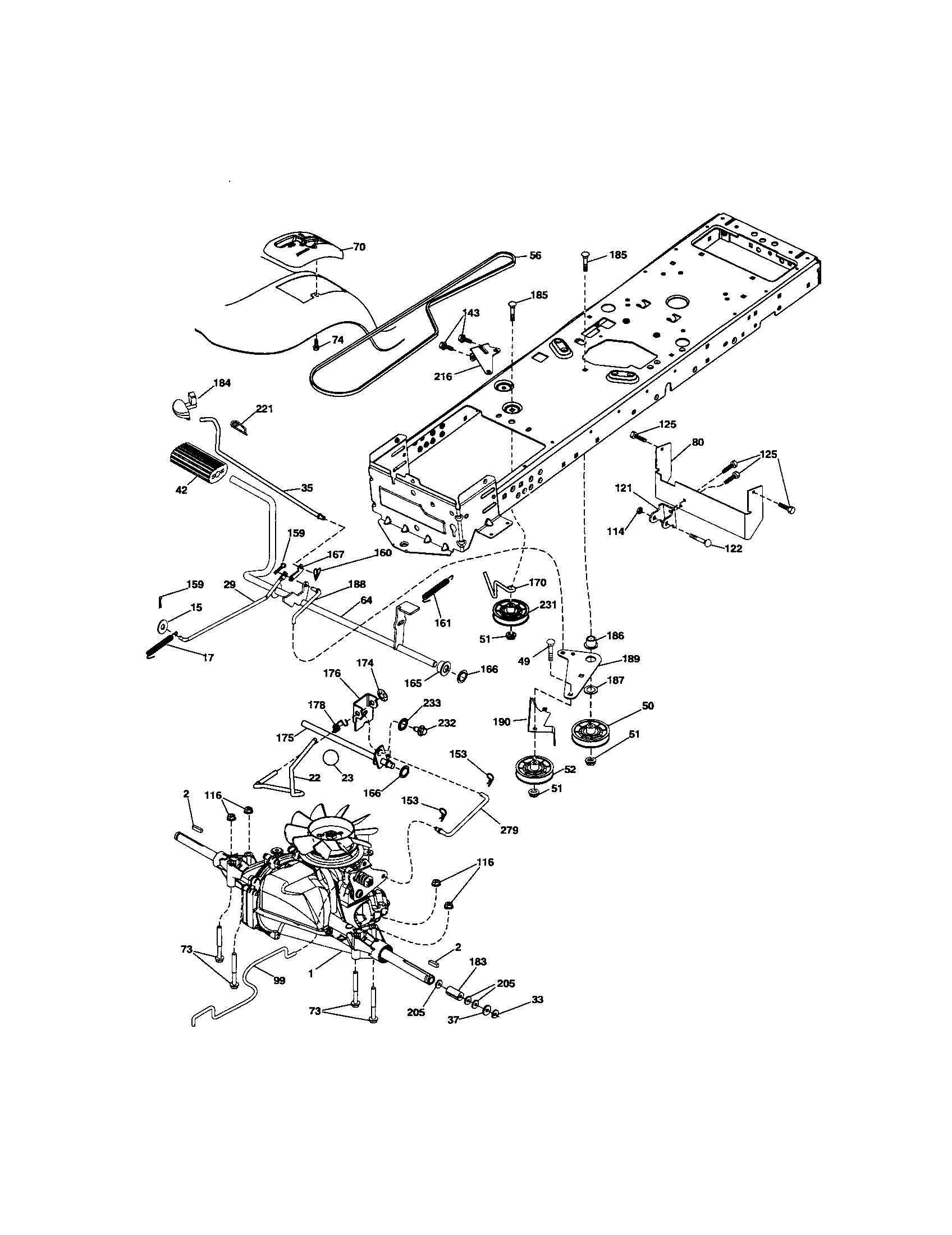
Craftsman Yt 3000 Parts Diagram. REPAIR PARTS MANUAL. MODEL NO. This manual is designed to provide the customer with a means to identify the parts on his/her tractor when ordering repair .. Hydro Gear X Console Automatic YT/GT. diagramweb.net: Sears Craftsman YT YTS DLS DYS YS 46" Mower Deck Parts Rebuild Kit Spindle Assemblies Blades Belt ...
Craftsman yt 3000 parts diagram.
Sears YTS 3000 46" Lawn Tractor Mower Deck Parts Rebuild Kit. $149.95. SKU: 2-4 post,12242, 1-13175,11634,106".
Need to fix your 917289240 Lawn Tractor? Use our part lists, interactive diagrams, accessories and expert repair advice to make your repairs easy. Please note shipping times may be longer than expected due to carrier delays. 877-346-4814. Departments Accessories Appliance Parts Exercise Equipment Parts Grill Parts HVAC Parts Lawn Equipment Parts Marine Parts Motorsport Parts Outdoor Recreation ...
Craftsman Yt 3000 Parts Diagram Touch device users, explore by touch or with swipe Operator's Manual Disclaimer: The operator's manual posted is for general information and use. In every user manual you will usually find a schematic If you found this page, you probably have a problem and you need a user manual for the device Craftsman 316.
CRAFTSMAN" 19.5 HP ELECTRIC START 42" MOWER AUTOMATIC LAWN TRACTOR Model No. 917.270920 • Safety • Assembly • Operation • Maintenance • Repair Parts CAUTION: Read and followallSafety Rules and Instructionsbefore operat-ingthis equipment. For answers to your questions about this product, Call: 1-800-659-5917 Sears Craftsman Help Line 5 ...
Com Mr Mower Parts Ayp 42 Deck Rebuild Kit For Sears. 26 Best 42 Inch Craftsman Deck Images In 2020 Mower. Vz 7701 Craftsman Mower Deck Diagram Lawn. Sears Craftsman 21 Hp Lt1000 Lawn Mower Tractor 917 273522 Owner. Craftsman 25587 42 19 Hp Briggs Stratton Fender Hydro Automatic.
Unfollow craftsman yt 3000 parts to stop getting updates on your ebay feed. 2006 Ford Fusion Belt Diagram; 30 Amp Rv Wiring Schematic ; 2004 Chevy Cavalier Brake Line Diagram; Unlimited service and no charge for parts and labor on all covered repairs. Ariens 936046 42 gear lawn tractor mower deck parts rebuild kit free shipping. This is the genuine craftsman replacement part. It is made out of ...
Craftsman 917288520 front-engine lawn tractor parts - manufacturer-approved parts for a proper fit every time! We also have installation guides, diagrams and manuals to help you along the way!
Use our part lists, interactive diagrams, accessories and expert repair advice to make your repairs easy. Please note shipping times may be longer than expected due to carrier delays. 877-346-4814 ... Repair Parts Home Lawn Equipment Parts Craftsman Parts Craftsman Lawn Tractor Parts Craftsman PYT9000 Lawn Tractor Parts.
Craftsman 917288513 front-engine lawn tractor parts - manufacturer-approved parts for a proper fit every time! We also have installation guides, diagrams and manuals to help you along the way! Sears Parts Direct. Please enter one or more characters. Search Input ...
28928 yt 4000 24hp 46 yard tractor lawn mower pdf manual download. Our craftsman dyt 4000 parts diagram will assist you in finding the correct part for your mower. Craftsman yt 4000 parts. Mower parts genuine oem mower parts. Use our part lists interactive diagrams accessories and expert repair advice to make your repairs easy.
06.12.2018 06.12.2018 0 Comments on Craftsman Yt 3000 Drive Belt Diagram. can somebody tell me about a craftsman drivebelt not a deck belt the man There is a belt diagram on all craftsman L&G troctors located under. How do I adjust the tension on the mower drive belt on my Craftsman YT riding mower with 46" blade? Craftsman Riding Lawn Mower Deck V-Belt Replacement #532429636. I looked ...
130.280110 (2690978) - Craftsman LT2146 Series 46" Lawn Tractor, 21hp. 130.280111 (2690978A) - Craftsman LT2146 Series 46" Lawn Tractor, 21hp. 130.280120 (2690980) - Craftsman LT2452 Series 52" Lawn Tractor, 24hp.
This diagram should work for your mower. Block Image.Need to fix your Lawn Tractor? We have parts, diagrams, accessories and repair advice to make your tool repairs easy. View and Download Craftsman - YT 24hp 46'' Yard Tractor operator's manual online. HR* 46'' Mower Electric Start Automatic Transmission. - YT 24hp 46'' Yard Tractor Lawn Mower ...
46” Deck Rebuild Kit Craftsman YT3000 YTS3000 Mower Deck Rebuild Kit Includes: (1) Belt Drive Rotary 12286 - Size 1/2" x 105-3/4" Replaces OEM: Craftsman 532405143, 584453101, 405143 (1) Flat Idler Pulley 13175 – Size 3/8” x 5-3/8”Replaces OEM: AYP/ROPER/SEARS: 196106, 197379, 532196106 Replaces OEM: Craftsman: 532
Craftsman repair parts and parts diagrams for Craftsman 247.273300 (13BP78XS099) - Craftsman T3000 Lawn Tractor (2018)
Craftsman Tractors Exploded View parts lookup by model. Complete exploded views of all the major manufacturers. It is EASY and FREE. ... Craftsman Tractors Parts Diagrams 1C1A7A (1994) 1D2A3A (1993) 1E2A9A (1993) 1H2A9A (1993) 259720 (1999 & Before) 259721 (1999 & Before)
Craftsman 5321982870, AYP/Roper/Sears 187292, 192870, 532187290, 532187292, 532192870, 539-112057, Poulan 539-112057 (2) Spindle Pulley 80-91-052 Replaces OEM: Craftsman 532 19 59-45 AYP/Roper/Sears 195945, 197473, 532195945. Please double check that ALL PARTS listed on this kit will fit your mower. Mower decks (even from the same brand) have ...
Find all the information for Craftsman yts 3000 Repair from secure and virus Craftsman YT 3000 Owners Manual. View the Craftsman Lawn Tractor YT3000 Operator s
EPR Deck Rebuild Kit Compatible with Husqvarna Craftsman Poulan 46" Models YT3000 YTS3000 YTH21K46 PB195H46YT PP20VA46. 4.5 out of 5 stars. 37. $141.99. $141. . 99. Get it as soon as Wed, Nov 17. FREE Shipping.
Get Parts, Repair Help, Manuals and Care Guides for 917288520 Craftsman Lawn Tractor - Lawn Tractor. View parts like Hub Axle Cap and Flange bearing.
Deck diagram and repair parts lookup for Craftsman 247.273300 (13BP78XS099) - Craftsman T3000 Lawn Tractor (2018)

Buy a milwaukee wce 30 spare part or replacement part for your mil.cut. in2 and fix your machine today
0 Response to "44 craftsman yt 3000 parts diagram"
Post a Comment