Iklan 300x250

45 john deere 410 hydraulic diagram

About Press Copyright Contact us Creators Advertise Developers Terms Privacy Policy & Safety How YouTube works Test new features Press Copyright Contact us Creators ...

John Deere 410 and 510 Round Baler hydraulic systems are tractor-powered and supplied. The tractor used can be equipped with either closed-center or open-center hydraulic system. The systems consist of hydraulic hoses connected to hydraulic cylinders and tractor. The round balers are set for use on tractors with two hydraulic outlets.

JD 410? Not a 410B,C, or D? Tractor still moves, just no hydraulics? ASSUMING(that covers a lot of ground) the tractor has some form of shuttle transmission with hydraulic clutch packs, then the transmission pump (also the hydraulic charge pump) must be working. The main hydraulic pump usually makes some noise when operating.

John deere 410 hydraulic diagram

John deere 410 hydraulic diagram

John Deere 410C Outrigger Cylinder - Bore Seal Kit. Cylinder Rebuild/Repair Seal Kit for John Deere 410C Backhoe Loader All Serial Numbers Backhoe Stabilizer/Outrigger Cylinder #: RE26578, AH150392 Bore Seal Kit (Seals for Piston & outside of Gland) (Order with Rod Seal... Sale price. $ 67.52.

2018 3039r, 320r loader, 6' bush cutter, 59" front snowblower, box blade, landscape rake, forks, 54" HLA grapple , ripper bar, pto driven dump trailer, pto cordwood saw. 1985 Bolens 1900 Eliminator, 1977 Sears 16/6 (restored) , and various attachments for all tractors, 2006 Komatsu PC18 MR2 Mini excavator.

Hydraulic System Fluid Capacity. 20.5 gal. Oil System Fluid Capacity. 2.3 gal. Cooling System Fluid Capacity. 3.3 gal. Transmission Fluid Capacity. 10 gal. Turning Radius. 10.2 ft in. Tire Size Front - 2wd / 4wd. ... Find John Deere 410 Loader Backhoe for Sale . 2012 JOHN DEERE 410K 4x4 Loader Backhoe. 4840 NORTH EAST, MD.

John deere 410 hydraulic diagram.

John Deere 410 Backhoe Parts New Aftermarket, Used and Rebuilt 410 Parts. Looking for John Deere 410 Backhoe parts? You've come to the right place. We sell a wide range of new aftermarket, used and rebuilt 410 replacement parts to get your machine back up and running quickly.

Construction equipment parts and industrial equipment parts from All States Ag Parts. Bobcat parts, Fiat parts, International, New Holland, Massey Ferguson industrial equipment parts.

3360 HYDRAULIC SYSTEM 410D - BACKHOE, LOADER EPC John Deere online advisor sale parts diagram catalog

john deere model: 410 backhoe loader this is a manual produced by jensales inc. without the authorization of john deere or it's successors. john deere and it's successors are not responsible for the quality or accuracy of this manual. trade marks and trade names contained and used herein are those of others,

John Deere 410 backhoe-loader tractor overview. Mechanical: Chassis: 4x2 2WD 4x4 MFWD 4WD Final drives: inboard planetary Steering

410 pump replaced

John Deere 4100 Tractor Compact Utility TM1630 Technical Manual PDF. Electronic technical manual contains complete full repair and service manuals, fitting instructions, maintenance manuals, intended for compact utility tractors 4100 of John Deere. Technical manual includes detailed electrical and hydraulic diagrams, which give users complete ...

Related products for john deere 410 backhoe loader tm1037 technical manual pdf. Hydraulic pumps 400 310a 310b 400a 310a 310b 410 315c 315d. Diagram John Deere 410g Wiring Diagram Full Version Hd All of our new rebuilt and used parts come with a 1 year warranty. John deere 410 hydraulic diagram. Find parts diagrams for your john deere equipment.

John Deere 410 Loader Backhoe Tractor Service Manual - Bookmarked, Indexed, Hyperlinked & Searchable. Serial Numbers: 235786 - 235999 & 319995 - 342573 Wain Roy Bucket, Hughes Impactor, & Danuser Earth Drill Auger NSN: 2420-00-567-1035 / 005671035 The manual details how to maintain, repair and replace all assemblies and the following core components: - Safety … Continue reading "John ...

Service Schedule Parts for a John Deere 4120 Compact Utility Tractor & Parts List. While your John Deere machine is certainly built with quality parts, they have a limited life. Good news is you can easily service your machine yourself using a John Deere maintenance kit or service kits or by getting the specific John Deere part needed to keep your John Deere mower or tractor running for a long ...

Parts group 30 HYDRAULICS. 30 HYDRAULICS. Lift Cylinder ( - 008801) AG CF CCE. Lift Cylinder (008802 - ) AG CF CCE. LIFT CYLINDER. AG CF CCE. Lift Cylinder ( - 013054)

John Deere 410d 510d Backhoe Loader Service Manual Comprehensive diagrams, in-depth illustrations, and all the manufacturer's specifications and technical information you will need is included. Service Manual has easy to read text sections with top quality diagrams and instructions.

JD 410 Backhoe hydraulic Flow char... - Yesterday's Tractors

Jd 410 backhoe hydraulic flow char... - yesterday's tractors

Group 3360 hydraulic system. Section 38 Grapple Removal and installation of group 3800 Group 3860 hydraulic system. Section 99 Dealer Made Tools Group 9900 tools manufactured by the dealer. This JOHN DEERE 310SL HL AND 410L BACKHOE LOADER contains easy-to-read sections of text with high-quality diagrams and instructions.

How to replace diesel fuel filter. John Deere 410 Backhoe

How to replace diesel fuel filter. john deere 410 backhoe

I have a 1980mod John Deere 410 backhoe. I was stuck in mud and tried to get out by both driving and pushing with the digger when suddenly the hydraulic became weak. After a while the hydraulic did not responde at all. Everything is dead, power steering, front bucket, digger and the tractor does not move back or forward.

John Deere 310SL 310HL 410L Operation And Test Manual Backhoe ...

John deere 310sl 310hl 410l operation and test manual backhoe ...

John Deere 410B, 410C, 510B, 510C Backhoe Loaders Pdf Manual Sample Preview. Language: English. Format: PDF,1056 pages. File size:147 MB. Compatible with: All Windows Systems. + Mac Systems, Tablet PCs & Mobile Devices. Delivery: Download link will appear on the checkout page after payment is complete.Will also be sent to your email.

Amazon.com: T128296 New Fits John Deere Hydraulic Pump Drive ...

Amazon.com: t128296 new fits john deere hydraulic pump drive ...

John Deere 655-755-756-855-856-955 Tractors Service Repair Shop Manual. John Deere 670-770-870-970-1070 Tractors Service Repair Shop Manual. John Deere 850, 950 & 1050 Tractors Service Repair Shop Manual. John Deere 1020, 1520, 1530, 2020, 2030 Tractors Repair Repair Shop Manual.

John Deere 310SJ 410J Operation And Test Manual Backhoe ...

John deere 310sj 410j operation and test manual backhoe ...

Complete Diagnosis, Operation and Test Service Manual with Electrical Wiring Diagrams for John Deere 410G Backhoe, with all the shop information to maintain, test, and service like professional mechanics.. John Deere 410G Backhoe Loader workshop Operation and Test repair manual includes: * Numbered table of contents easy to use so that you can find the information you need fast.

84 deere 410b turbo 4x4 has no brakes. I believe this ...

84 deere 410b turbo 4x4 has no brakes. i believe this ...

Tractor. John Deere 410 Backhoe. jd110 said: The pressure test ports are located on the reverser control valve. The brake valve is bolted to the side of the reverser valve. On the top of the valve are 2 ports. #29 in picture is the forward clutch test port. #31 is the reverse port. You should see around 160 psi.

John Deere 410G Backhoe Loader Technical Manual (Operation ...

John deere 410g backhoe loader technical manual (operation ...

We sell a wide range of new aftermarket, used and rebuilt 410C replacement hydraulic cylinders to get your machine back up and running quickly. Give us a call, submit an online quote request or select a category below to browse/select a part. Click to Start a 410C Part Quote Online OR call 1-800-255-6253. Prices shown are estimates and will ...

John Deere 410B 410C 510B 510C Repair Manual [Backhoe Loader ...

John deere 410b 410c 510b 510c repair manual [backhoe loader ...

John Deere Parts Lookup -John Deere-410 Loader (Manufactured 1997-2005) -PC2664

Jd 410 Hydraulic Problems | My Tractor Forum

Jd 410 hydraulic problems | my tractor forum

John Deere AG, Lawn & Garden and CWP Equipment Parts Search. John Deere parts lookup tool and diagram is an incredible online source. It is a complete catalog that shows you detailed parts diagrams of every part of your machine. This online parts catalog is robust and easy to use. Searching for your John Deere parts online has never been easier.

TractorData.com John Deere 410 backhoe-loader tractor information

Tractordata.com john deere 410 backhoe-loader tractor information

122. Location: GA. I've got a John Deere 410 backhoe with an hydraulic problem I am trying to troubleshoot. The Hydraulic pump seems much newer than the machine. The manual says it should be 1800psi on the pump output. I put a gauge on it and started the machine in idle (800rpm +-) and the pump output showed 1800psi at start but then a few ...

John Deere 410B, 410C, 510B, 510C Backhoe Loaders Operation and Tests  TM1468 PDF

John deere 410b, 410c, 510b, 510c backhoe loaders operation and tests tm1468 pdf

Is this a straight 410 or 410C? You should have a pump destroke valve that destrokes the pump that is a known problem causing loss of hydraulic function and weak hydraulics if in fact the pump has tested good. Check your hydraulic filter for signs of metal and debris that would indicate a pump failure or component failure occurring.

John Deere 410E Backhoe Loader Technical Manual PDF TM1611

John deere 410e backhoe loader technical manual pdf tm1611

Operators Manual Set For John Deere Jd410 Loader Backhoe ...

Operators manual set for john deere jd410 loader backhoe ...

John Deere Service Repair Manuals. Wiring Schematic Diagrams ...

John deere service repair manuals. wiring schematic diagrams ...

TM10851 - John Deere 410J Backhoe Loader (S.N.from 161617 ...

Tm10851 - john deere 410j backhoe loader (s.n.from 161617 ...

I have a 95 JD 410D backhoe that has all of the sudden ...

I have a 95 jd 410d backhoe that has all of the sudden ...

John Deere 410 Backhoe Loader TM1037 Technical Manual PDF

John deere 410 backhoe loader tm1037 technical manual pdf

John Deere 410 Loader (Manufactured 1997-2005) -PC2664 ...

John deere 410 loader (manufactured 1997-2005) -pc2664 ...

4100 with 410 front end loader hydraulic problem | Green ...

4100 with 410 front end loader hydraulic problem | green ...

1978 410 hydraulic help please | My Tractor Forum

1978 410 hydraulic help please | my tractor forum

JD 410 Backhoe slow hydraulics | Tractor Forum

Jd 410 backhoe slow hydraulics | tractor forum

GATE HYDRAULIC SYSTEM [E06] - BALER, ROUND John Deere 410 ...

Gate hydraulic system [e06] - baler, round john deere 410 ...

410D - BACKHOE, LOADER 2160 HYDRAULIC SYSTEM EPC John Deere

410d - backhoe, loader 2160 hydraulic system epc john deere

GATE HYDRAULIC SYSTEM [E08] - BALER, ROUND John Deere 410 ...

Gate hydraulic system [e08] - baler, round john deere 410 ...

John Deere 410 Backhoe Loader Service Manual TM1037 & TM4290

John deere 410 backhoe loader service manual tm1037 & tm4290

TM 5-2420-222-20-1 John Deere JD 410 Backhoe Loader | PDF ...

Tm 5-2420-222-20-1 john deere jd 410 backhoe loader | pdf ...

John Deere 410 - Shes got issues!!!! Help! | Page 2 ...

John deere 410 - shes got issues!!!! help! | page 2 ...

John Deere 410E Backhoe Loader Operation & Test Service ...

John deere 410e backhoe loader operation & test service ...

John Deere 410 hydraulic problems - TractorByNet

John deere 410 hydraulic problems - tractorbynet

HYDRAULIC HOSES AND OIL TUBES (008802- ) [D14] - 装载机John ...

Hydraulic hoses and oil tubes (008802- ) [d14] - 装载机john ...

HYDRAULIC CYLINDER [01E23] - SPRAYER John Deere 410 - SPRAYER ...

Hydraulic cylinder [01e23] - sprayer john deere 410 - sprayer ...

Pin on John deere

Pin on john deere

John Deere Parts Lookup -410 Loader (Manufactured 1997-2005 ...

John deere parts lookup -410 loader (manufactured 1997-2005 ...

4100 with 410 front end loader hydraulic problem | Green ...

4100 with 410 front end loader hydraulic problem | green ...

John deere 410 d backhoe loaders service repair technical ...

John deere 410 d backhoe loaders service repair technical ...

John Deere 410D, 510D Backhoe Loaders Service Repair Manual

John deere 410d, 510d backhoe loaders service repair manual

John Deere 410, 510 Round Balers TM1194 Technical Manual PDF

John deere 410, 510 round balers tm1194 technical manual pdf

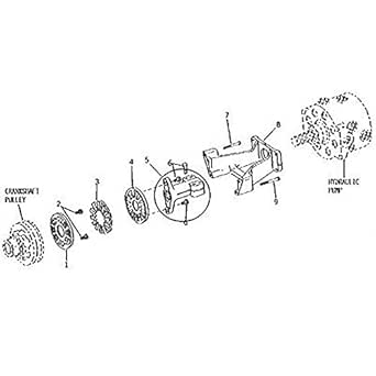
93 HYDRAULIC PUMP JOHN DEERE 410

93 hydraulic pump john deere 410

I had a problem with a hydraulic leak on the John Deere 410 backhoe

I had a problem with a hydraulic leak on the john deere 410 backhoe

John Deere 410 Loader (Manufactured 1997-2005) -PC2664 ...

John deere 410 loader (manufactured 1997-2005) -pc2664 ...

TM12494 - John Deere 410K Backhoe Loader (SN: from 219607 ...

Tm12494 - john deere 410k backhoe loader (sn: from 219607 ...

Jd 410 Hydraulic Problems | My Tractor Forum

Jd 410 hydraulic problems | my tractor forum

410 - BACKHOE, LOADER HYDRAULIC OIL LINES (TO PUMP, CLUTCH ...

410 - backhoe, loader hydraulic oil lines (to pump, clutch ...

410 - BACKHOE, LOADER OIL LINES AND FITTINGS (BACKHOE ...

410 - backhoe, loader oil lines and fittings (backhoe ...

0 Response to "45 john deere 410 hydraulic diagram"

Post a Comment

Iklan Atas Artikel

Iklan Tengah Artikel 1

Iklan Tengah Artikel 2

Iklan Bawah Artikel