45 2000 ford windstar radio wiring diagram
Listed below is the vehicle specific wiring diagram for your car alarm, remote starter or keyless entry installation into your 1999-2000 Ford Windstar . This information outlines the wires location, color and polarity to help you identify the proper connection spots in the vehicle. Please be sure to test all of your wires with a digital ... 2000 Ford Windstar Alarm/Remote Start Wiring Home / the12volt's Install Bay / Vehicle Wiring Information & File Requests / 2000 Ford Windstar Alarm/Remote Start Wiring ( Topic Closed) Welcome Guest :)
2001 windstar engine diagram wiring diagrams konsult 2001 ford windstar engine diagram wiring diagram datasource 2001. We collect plenty of pictures about 2000 ford Windstar Engine Diagram. and finally we upload it on our website. Many good image inspirations on our internet are the very best image selection for 2000 ford Windstar Engine Diagram.

2000 ford windstar radio wiring diagram
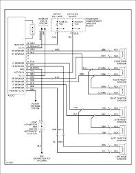
Pinout of Ford 15 pin Car Stereofor years 1992-2000. Pinouts / Devices / Connectors. genuine car audio harness pin assignment ... Mustang (1992 - 2000) Ford Taurus (1992 - 2000) Ford Windstar Van (1994 - 2000) Mercury Mystique (1995 - 2000) Click for details. NO DIY devices ... Ford (1992-2000) 15 pin Car Stereo visual pinout: click to enlarge ... 1997 Ford Taurus Audio Wire Colors Electrical Problem. 1999 sable radio wiring diagram what is the for my ford expedition wire rap module taurus car stereo 1994 installation parts aftermarket install 07 audio system 1995 help hi 2 pros i am 1989 color chart 1997 colors sho please 1993 mercury our cars pinouts ru chevrolet police interceptor sedan have a 2000 excursion limited 2003 remote start ... 03 windstar radio, vcr, and monitor wiring diagram. I need a radio, vcr, and monitor wiring diagram for an 03 ford winstar's stock autovision. Does anybody have this information handy? Im trying to do a job for a buddy of mine. He got an aftermarket radio put in and now his lcd just seems to be useless without the old radio in it.
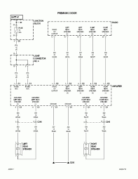
2000 ford windstar radio wiring diagram. 2000 Ford Windstar Stereo Wiring ... If you do not find the vehicle information you're looking for here, please post your request here. We will NOT respond to any ...Rear Speakers: 6" x 8" Side PanelsGround: Black/Light GreenFront Speakers: 6" x 8" DoorsLeft Front (+): Orange/Light Green Looking for 2000 Windstar SEL stereo wiring diagram. All the diagrams I can find say the wire colors are somewhat generic but do not match mine. I have the VCR console with rear radio controls but I'm guessing that is a different (second) connector in the radio. I have the single CD player with cassette. Thank you. 2000 ford Expedition Mach Radio Wiring Diagram - wiring diagram is a simplified usual pictorial representation of an electrical circuit. It shows the components of the circuit as simplified shapes, and the knack and signal links in the midst of the devices. A wiring diagram usually gives counsel very nearly the relative viewpoint and covenant ... WIRING INFORMATION: 2000 Ford Windstar WIRE WIRE COLOR WIRE LOCATION 12V CONSTANT WIRE LT GREEN/PURPLE, RED Ignition Harness STARTER WIRE GREEN Ignition Harness IGNITION WIRE WHITE/YELLOW Ignition Harness SECOND IGNITION WIRE PURPLE/ORANGE Ignition Harness ACCESSORY WIRE BLACK/GREEN Ignition Harness
1998 Ford Windstar Wiring Diagram. 1998 Ford Windstar Wiring Diagram from www.carknowledge.info. Print the wiring diagram off plus use highlighters to trace the signal. When you make use of your finger or perhaps the actual circuit with your eyes, it is easy to mistrace the circuit. 1 trick that We 2 to printing a similar wiring plan off twice. 0otfk 2000 ford f150 no noise when trying turn key. 2000 ford f150 starter solenoid wiring diagram. 1977 ford f150 wiring diagram. We collect lots of pictures about 2000 ford F150 Ignition Wiring. and finally we upload it on our website. Many good image inspirations on our internet are the best image selection for 2000 ford F150 Ignition Wiring. . 2000 Ford Windstar Wiring Diagram Manual Original . Ford Windstar 2000 Fuse Box Block Circuit Breaker Diagram Carfusebox . 2000 Ford Windstar Fuse Box Diagram Ford Windstar Ford Expedition Fuse Box . The Wiring Diagram I Have For My 2000 Windstar Doesn T Match To What Is Actually In The Vehicle The Cable Harness That . 2002 Ford Windstar Radio Wiring Diagram. 2002 Ford Windstar Radio Wiring Diagram from i2.wp.com. Print the wiring diagram off plus use highlighters to trace the signal. When you make use of your finger or perhaps the actual circuit with your eyes, it is easy to mistrace the circuit. 1 trick that We 2 to printing a similar wiring plan off twice.
5 days ago — Read Or Download Ford Windstar Headlight For FREE Wiring Diagram at IPDIAGRAM.FIRENZEUFFIZI3D4K.IT. The wiring diagram i have for my 2000 windstar doesn't match to what is actually in the vehicle. The cable harness that plugs into the factory stereo has 14 cables, none of which is labeled ground, or 12v... the colour for the ground and 12v.. don't match either. Please help. 2000 Ford Windstar Firing Order Diagram - It's crucial that you know which banking institution (or cylinder head) is number 1 to help you establish a beginning point for firing order or just to switch the correct portion, as an Oxygen sensor, gasoline injector or ignition coil. Diagram 2004 Sportsman 500 Ho Wiring Full Version Hd Quality Diagramex Scuoleamichedellasalute It. 2003 ford windstar engine stopped while no crank start ricks free 2000 3 8 will not bulldog security diagrams fuel pump wiring diagram headlight 1 1999 fuse box block 1998 radio color wire taurus remote w freestar monterey 2004 2006 coolant temp sensor location please i 2001 electrical issues ...
Sep 2, 2006 — I need a wiring diagram for the stereo. I have no idea what colors go to what. I have a 1998 ford windstar, 6 cylinder, front wheel drive.
Whether you're a novice Ford Windstar enthusiast, an expert Ford Windstar mobile electronics installer or a Ford Windstar fan with a 2000 Ford Windstar, a remote start wiring diagram can save yourself a lot of time. The automotive wiring harness in a 2000 Ford Windstar is becoming increasing more complicated and more difficult to identify […]
49 minutes ago — It consists of far too much wiring that triggers a person to either slip, to possess a headache for the several hours wasted to get the ...
1,305 Answers. Re: Need wiring diagram for 2001 ford windstar radio. 2001 Ford Windstar Car Stereo Radio Wiring Diagram. Car Radio Constant 12v+ Wire: Green/Violet. Car Radio Switched 12v+ Wire: Yellow/Black. Car Radio Ground Wire: Black/Light Green. Car Radio Illumination Wire: Green. Car Stereo Dimmer Wire: N/A. Car Stereo Antenna Trigger: N/A.
harnesses in the "Wire New Radio" section. STEP 1: The Ford radio is snapped into the vehicles dash. With the proper tool, known as Ford radio removal keys, the Ford radio can be pulled forward out of the dash. A clothes hanger can be used instead of actual Ford radio removal keys. Cut the clothes hanger and bend 2 pieces in a 'U' shape.
Rewire Speakers in 2000 Ford Windstar: Due to the double sliding doors for rear seating, there is no easy way to replace the speakers in the 2000 Ford Windstar I drive. I shimmied up a small speaker box for the trunk and wired them through all that plastic molding. There is not really an…
FORD Car Radio Stereo Audio Wiring Diagram Autoradio connector wire installation schematic schema esquema de conexiones stecker
Radio does not work. THESAINT823. MEMBER. 2000 FORD WINDSTAR. 136,000 MILES. One day my radio stopped working, I checked all the fuses and everything is good. I used my multimeter and there is power through the battery line and the ignition wire. There is a red indicator light on the radio that blinks but the radio does not power on.
Nov 15, 2019 — SOURCE: need wiring diagram for 2001 ford windstar radio. 2001 Ford Windstar Car Stereo Radio Wiring ... 2000 Ford Taurus Car Radio Stereo Wiring DiagramRADIO WIRING 99 WINDSTARAug 30, 2019Headlight wiring diagram 2001 winstarNov 20, 2019More results from www.fixya.com
2002 Ford Windstar Radio Wiring Diagram from i2.wp.com To properly read a cabling diagram, one offers to find out how the particular components inside the system operate. For instance , in case a module is usually powered up and it also sends out the signal of fifty percent the voltage in addition to the technician does not know this, he'd ...
Ford Windstar (2000) - fuse box diagram. Year of production: 2000. Passenger compartment fuse panel. The fuse panel is located below and to the left of the steering wheel by the brake pedal. Ford Windstar mk2 - fuse box - passenger compartment
Whether your an expert Ford F350 mobile electronics installer, Ford F350 fanatic, or a novice Ford F350 enthusiast with a 2000 Ford F350, a car stereo wiring diagram can save yourself a lot of time. Automotive wiring in a 2000 Ford F350 vehicles are becoming increasing more difficult to identify due to the installation of […]
Nov 5, 2021 — 2000 Ford Windstar Stereo Wiring Diagram. I Need A Correct Wiring Diagram For A 2003 Ford Windstar. 1998 Ford Windstar Engine Diagram ...
October 8, 2020 by headcontrolsystem. 2000 Ford Windstar Alternator Wiring Diagram Pics. Electrical cabling is really a potentially harmful task if carried out improperly. One ought to never attempt working on electrical electrical wiring without knowing the below tips and tricks followed by simply even the most experienced electrician.
2000 Ford Windstar Wiring Diagram Harrietta Marchand. November 14, 2021 November 14, 2021. A Wiring Diagram Is A Type Of Schematic That Uses Abstract Pictorial Symbols To Show All The Interconnections Of Compone Ford Expedition Diagram Design Diagram ... 2001 Ford F150 Stereo Wiring Diagram Ford Ranger 2009 Ford Ranger Ranger Car . Wiring ...
2000 Ford Windstar Stereo Wiring Information. Radio Constant 12v+ Wire: Green/Violet. Radio Switched 12v+ Wire: Yellow/Black. Radio Ground Wire: Black/Light Green. Radio Illumination Wire: Green. Left Front Speaker Positive Wire (+): Orange/Light Green. Left Front Speaker Negative Wire (-): Light Blue/White.
FORD SOUND 2000 . FORD 1998 - 1999 . FORD 2006 R (VW SHARAN, FORD GALAXY) ... Galaxy, Mazda, Ford CD MP3 . FORD Windstar . FORD Radio Navigation System BP1422 (Germany) FORD 1L2F-18C868-BB Made in MEXICO . FORD 2028 (89GB-19B160-AA) Made In Japan ... FORD Car radio wiring diagrams. car radio wire diagram stereo wiring diagram gm radio wiring ...
Ford Car Radio Stereo Audio Wiring Diagram Autoradio Connector, size: 800 x 600 px, source: www.tehnomagazin.com. Right here are a few of the top illustrations we get from numerous resources, we wish these images will certainly serve to you, as well as ideally very pertinent to exactly what you desire about the 2003 Ford Windstar Radio Wiring Diagram is.
03 windstar radio, vcr, and monitor wiring diagram. I need a radio, vcr, and monitor wiring diagram for an 03 ford winstar's stock autovision. Does anybody have this information handy? Im trying to do a job for a buddy of mine. He got an aftermarket radio put in and now his lcd just seems to be useless without the old radio in it.
1997 Ford Taurus Audio Wire Colors Electrical Problem. 1999 sable radio wiring diagram what is the for my ford expedition wire rap module taurus car stereo 1994 installation parts aftermarket install 07 audio system 1995 help hi 2 pros i am 1989 color chart 1997 colors sho please 1993 mercury our cars pinouts ru chevrolet police interceptor sedan have a 2000 excursion limited 2003 remote start ...
Pinout of Ford 15 pin Car Stereofor years 1992-2000. Pinouts / Devices / Connectors. genuine car audio harness pin assignment ... Mustang (1992 - 2000) Ford Taurus (1992 - 2000) Ford Windstar Van (1994 - 2000) Mercury Mystique (1995 - 2000) Click for details. NO DIY devices ... Ford (1992-2000) 15 pin Car Stereo visual pinout: click to enlarge ...
Wiring Diagram 2000 Dodge Dakota Radio Wiring Diagram Best Way Dodge Durango Stereo Wiring Diagram | Dodge dakota, Dodge, Dodge durango
16+ 1998 Dodge Dakota Car Radio Wiring Diagram - Car Diagram - Wiringg.net | Party design, Car radio, Party supplies
0 Response to "45 2000 ford windstar radio wiring diagram"
Post a Comment